ASUS ROG STRIX B550-F Gaming WI-FI II Motherboard User Guide

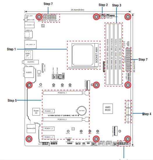
Quick start guide
Step 1
Install the CPU
Step 2
Install the CPU fan
Motherboard Layout
Step 3
Install memory modules
Step 4
Install storage devices
Step 5
Install expansion card(s)
Step 6
Install the system panel connector
Step 7
Install ATX power connectors
Step 8
Connect input/output devices
Step 9
Power on the system and install the operating system and drivers
Australia statement notice
From 1 January 2012 updated warranties apply to ll ASUS products, consistent with the Australian Consumer Law. For the latest product warranty details please visit http://www.asus.com/support/. Our goods come with guarantees that cannot be excluded under the Australian Consumer Law. You are entitled to a replacement or refund for a major failure and compensation for any other reasonably foreseeable loss or damage. You are also entitled to have the goods repaired or replaced if the goods fail to be of a cceptable quality and the failure does not amount to a major failure If you require assistance please call ASUS Customer Service 1300 2787 88 or visit us at http://www.asus.com/support/
India E-waste (Management) Rule 2016
This product complies with the “India E-Waste (Management) Rules, 2016” and prohibits use of lead, mercury, hexavalent chromium, polybrominated biphenyls (PBBS) and polybrominated diphenyl ethers (PBDES) in concentrations exceeding 0.1% by weight in homogenous materials and 0.01 % by weight in homogenous materials for cadmium, except for the exemptions listed in Schedule ll of the Rule.

















