RO5-5 (75GPD) 5-Stage Reverse Osmosis Replacement Water Filter Set
User Manual
RO Filters Replacement and Maintenance
FILTER CARTRIDGE CONFIGURATION MAY BE SUBJECT TO CHANGE.
INSTALLERS: PLEASE READ ALL INSTRUCTIONS BEFORE REPLACING FILTERS. IT IS RECOMMENDED TO WAIT UNTIL THE ENTIRE SYSTEM IS PRESSURIZED (INCLUDING THE STORAGE TANK & FAUCET) AND RECHECK FOR ANY LEAKS BEFORE LEAVING THE INSTALLATION SITE. IT IS NORMAL FOR SOME BLACK CARBON FINES TO APPEAR IN THE WATER WHEN EMPTYING THE FIRST 2 TANKS OF WATER. THE FIRST 2 TANKS OF WATER PRODUCED SHOULD BE EMPTIED AND NOT USED.
How Filters Works
Systems use five stages of treatment to filter your water:
Stage 1 – Remove sand, dirt, sediment
Stage 2 – Remove chlorine, taste & odors, very fine particulates
Stage 3 – Remove chlorine, taste & odors, very fine particulates
Stage 4 – Reduces dissolved minerals, metals, and salts. During the process, harmful compounds are separated by the membrane and the rejected water goes to waste (drain) Stage 5 – Polish water for refined taste
Recommended Filter Change Schedule
Your filters require changing on a regular basis, The schedule below is the minimum recommendation. Depending on your water conditions the filters may need to be changed more often.
| Stage 1 RO5-PP10 Stage 2 RO5-GAC10 Stage 3 RO5-BCO10 Stage 4 50 GPD-150 GPD RO membrane Stage 5 RO5-COC10 | Every 6-12 months Every 6-12 months Every 6-12 months Every 15-24 months Every 12 months |
Your system contains filters that must be replaced periodically for proper operation. Read all steps and guides carefully before installing and using your RO system. Follow all steps exactly to correctly install.
Before You Start
- Your system contains filters which must be replaced periodically for proper operation.
- This filter set is designed to be used on potable water supplies only. If water is not potable, additional pre-treatment will be required. Do not use for the treatment of water that is visually contaminated (cloudy) or has an obvious contamination source, such as contamination by raw sewage.
- All plumbing should be done in accordance with local codes and requirements.
- Non-Booster pump models work on inlet water pressures of 40 psi (minimum) to 100 psi (maximum). Booster pump models work on inlet water pressures of 15 psi (minimum ) to 60 psi (maximum). If your house water pressure is over the maximum, install a pressure-reducing valve in the water supply line to the filter system.
- Do not install the filters outside, or in extreme hot or cold temperatures. The temperature of the water supply to all filters must be between 40-110°F/5-45°C. Do not install on hot water.
Tools Needed
What is in the Box
- 1 x PP Sediment
- 1 x Granular Activated Carbon
- 1 x Carbon Block Filter
- 1 x Post-Inline Carbon Filter
- 1 x Reverse Osmosis Membrane (for exact capacity, please check your order record)
- 1 x Teflon Seal Tape
- 3 x 1/4″NPT quick fittings
NOTE: THE LAST STAGE POST-CARBON IS 1/4″NPT THREAD INLET AND OUTLET
Filter Cartridges and Membrane Replacement
I. Preparation before replacement
- Turn off the water supply by turning a handle on the feed water valve clockwise until the valve is fully closed.
- Turn the storage tank ball valve clockwise to close.
- Open the faucet to relieve pressure.
II. Pre-Filters replacement
- Unscrew filter housings by wrench provided, and take out old pre-filters.
- Remove new pre-filters from packaging and put into housing.
- Place filters inappropriate housings according to labels and installs filter housing with 1st stage PP Filter, 2nd stage Granular Carbon Filter, 3rd stage Carbon Block Filter.
NOTE: When installing housings make sure housing is level and even to avoid leaking. If you cannot find your wrenches, you can buy it (ASIN B07D9JWRYQ) via Amazon. If your RO was not bought from Geekpure, please buy the wrench from the previous seller.
III. RO membrane replacement

- Remove the tube from the quick fitting and twist off the housing cap with a wrench.
- Pull out old membrane from membrane housing. (you may use pliers if necessary.)
- Remove new membrane from packaging and push it into membrane housing.
- Put the housing cap back and tighten it, and connect the tube from the quick fitting.
- NOTE: Please ensure the RO System works for about 30 minutes before drinking the purified water for washing.
IV. Post carbon filter replacement
- Apply 5-6 wraps of Teflon thread sealant tape to the male thread on quick fittings.
- Install the quick fittings and tighten it.
- Takedown the old post carbon filter from the RO system.
- Connect the new post-carbon filter to the RO system, and please make sure at the right direction.
NOTE: When inserting the RO tube, please ensure inserted fully into the quick fitting. If fittings are not fit for your system, please contact us, and we will help you solve the problem.
V. Installing Tubing Into Fittings
- Cut the tube square and remove burrs and sharp edges. Ensure that the outside diameter is free from score marks. For soft or thin-walled plastic tubing we recommend the use of a tube insert.

- Push the tube into the fitting and up to the tube stop.
- Pull-on the tube to check that it is secure. Test the system before use.

Installation tips for tube and quick-connect fittings
To connect
- See Figures 1 and 2. Check and cut the tubing end squarely and cleanly with a utility knife or scissors.
- Make a 5/8″ mark at the end of the tube so you will be able to confirm when the tube is inserted fully into the fitting.
- Remove the blue lock clip from the fitting with your nail. If the lock sleeve pops out of the fitting when doing this, simply pop it back in.
- Insert the tube into the fitting until you reach the 5/8″ mark on the tube. You will feel resistance when the tube reaches the small rubber O ring inside the fitting. You will need to wiggle the tube and apply additional pressure to get it past this O ring and create the seal. If the tube is not 5/8″ into the fitting and past the O ring, no seal will be created and leaking will occur
- Once the tube is fully inserted into the fitting, pop the blue lock clip back on the fitting. This will lock the tube in place and prevent it from moving.
To disconnect:
- See Figures 3. Remove the blue lock clip from the fitting.
- With the blue lock clip removed, use your thumb and index finger to hold down the lock sleeve. This will release the metal teeth holding the tube in place. While holding the lock sleeve down with that hand, use your other hand to remove the tube from the fitting.
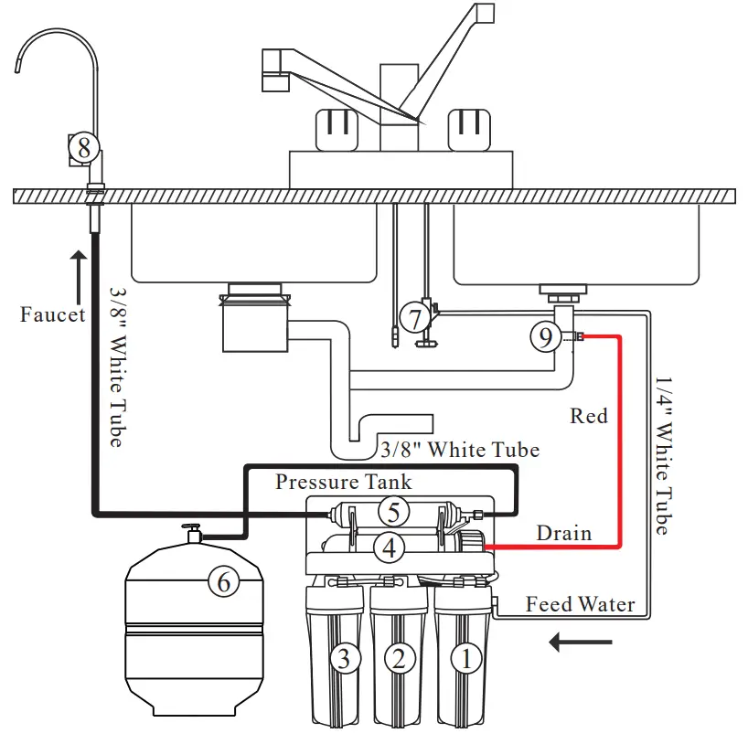
Installing Tubing Connections
The following components make up your Reverse Osmosis Drinking Water System:
- Pre-PP Sediment removes larger particles such as sand, silt, and rust.
- Pre-Granular Carbon removes chlorine in the feed water to protect the reverse osmosis membrane
- Pre-Block Carbon further, removes chlorine in the feed water to protect the reverse osmosis membrane.
- Reverse Osmosis Membrane reduces dissolved minerals, metals and salts. During the process, harmful compounds are separated by the membrane and the rejected water goes to waste (drain)
- A post-Carbon Filter is provided for a final “polish” to provide great tasting drinking water.
- Storage Tank (2.8 Gal) holds filtered water, ready for use.
- Feed Water Diverter Valve is connected to the cold water line to supply water to the RO system.
- A faucet (Standard) is used to dispense RO water when needed. Optional air gaps and designer faucets are available.
- Waste Water Saddle is connected to the drain to remove rejected water from the RO system.
With all components in place, complete final tubing connections using these guidelines:
– Tubing should follow the contour of the cabinets
– Cut the tubing to the desired length using square cuts and a proper cutting device
– Make no sharp bends
– Keep tubing from the post-filter to the faucet as short as practical for good flow.
– Leave enough tubing so that the system can easily be pulled out from the cabinet for easy filter changes.
Procedure (Standard Faucet)
- Connect 3/8″ white tube from faucet to RO unit.
- Connect 3/8″ white tube from tank to RO unit.
- Connect 1/4″ white tube from supply valve to RO unit.
- Connect 1/4″ red tube from drain valve to RO unit.
- Check all connections to be sure they are secure.
- Turn on the feed water diverter valve and check for leaks.(turn off and correct leaks if leaks occur).
PS. It is the basis of the Geekpure RO system. (If not Geekpure RO system, it may be 1/4″tube or another color)
Flush System and Check Operation
Start-up
- Check all connections to be sure they are secure.
- Turn on the feed water valve and check for leaks. (turn off and correct leaks if leaks occur).
- Close the faucet and wait 5 minutes to see if leaks result. (turn off and correct leaks if leaks occur).
Flush System and Check Operation
- Open the faucet handle and allow the tank to completely drain. Do not use this water. (When the tank is empty, the faucet will steadily drip. This is the rate of the R/O system processes water).
- Close faucet and reinspect system for leaks.
- Allow the system to process water for approximately 2 hours, at which point the tank will be practically full.
- Open the faucet again and allow the tank to empty for a second time. Do not use this water.
- Wait another 2 hours to allow the tank to refill.
Trouble Shooting
| PROBLEM | CAUSE | SOLUTION |
| No product water | 1. Water supply is turned off | 1. Turn on feed water |
| 2. Inlet water pressure less than 40psi | 2. Add Booster pump. you can buy it (ASIN B071CIIV93S5) via Amazon | |
| Not enough product water | 1. Water supply is blocked | 1. Clear restriction |
| 2. Filters are plugged | 2. Replace pre-filter | |
| 3. Feed water valve plugged or closed | 3. Open valve or unclog | |
| 4. No drain flow, Drain flow restrictor is plugged | 4. Clear or replace the flow restrictor | |
| Pump not running | 1. Low feed water pressure | 1. Check source water supply |
| 2. No power supply or loose connection | 2. Turn on the power supply | |
| 3. Transformer burnt out | 3. Replace | |
| Pump running but system not producing water | 1. Carbon pre-filter plugged | 1. Replace filter cartridge |
| 2. Inlet solenoid valve not working | 2. Repair or replace solenoid valve | |
| The system does not shut off | 1. High pressure switch not working | 1. Repair or replace the high-pressure switch |
| Abnormal pump cycling noise | 1. Pre-filter plugged or low feed water pressure | 1. Replace filter or adjust or sufficient feed water |
| No water to drain | 1. Plugged drain flow restrictor | 1. Replace drain flow restrictor |
| Water has bad taste | 1. Post filter is exhausted | 1. Replace post filter |
| Leaks | 1. Tubing connections not installed properly | 1. Re-install tubing into the fitting |
| 2. Defective tubing | 2. Cut damaged section of tubing and re-install |
Warranty
We would like to thank you for choosing the Geekpure Ro replacement filters set. The Life Time of the Filter Cartridges Depends on Usage Amount and Feed Water Quality, and most filters’ lifetime is about 1 year or less. So, the Geekpure Ro replacement filters set is warranted to be free from defects in materials and workmanship under normal use within the operation specifications for a period of a 1-month warranty from the date of original purchase. Please provide the failure is due to a defect in material or workmanship. General Conditions Geekpure’s obligation to the customer under these warranties shall be limited, at its option, to replacement items covered by these warranties. Prior to the return of covered Items, the customer must obtain a return goods authorization number from Geekpure, and at Geekpure’s option, return the item freight prepaid at the customer’s expense. Any covered item replaced under these warranties will be returned prepaid standard freight to the original point of shipment. Damage to any part of this filter set because of misuse, misapplication, negligence, alteration, accident, installation, or operation contrary to our instructions, incompatibility with accessories not installed, or damage caused by freezing, flood, fire, or Acts of God are not covered by this warranty. In all such cases, regular charges will apply.
If it is not clear and you need further support, please contact us. Email: [email protected]
Geekpure
Geekpure Water Group
www. geekpure.cc

What is in the Box



















