GivEnergy HY 3.6 Hybrid Gen 3 Inverter

Product Information
- Product Name: Hybrid Generation 3 Inverter
- Model: HY 3.6, HY 5.0
- Version: V 2.0 06/23
Specifications:
- A TRUE MULTI-TASKER
- Battery and Solar Inverter in One
- Can be coupled directly with solar panels to generate electricity
- Stores excess energy for later use in batteries
- Minimizes import by discharging to meet demand
- All-in-one plug for easier installation process
- Dimensions: 588H x 214D x 480W (mm)
- Weight: 32 Kg
- Charge / Discharge Efficiency: 94% / 94%
- PV Max. Efficiency: 97.6%
- Warranty: 5 years, extendable to 10 years
- Max. DC Input Power: 15kW
- Start Up Voltage: 3.6kW -150V, 5.0kW -150V
Box Contents:
- Inverter
- Mounting Bracket
- Fixings
- Bonding Kit
Safety and Installation:
- Extra care and attention must be taken when installing and maintaining the inverter
- Inverter must be installed in an easily accessible location with visible status display
- Ensure the wall can hold the weight of the inverter and battery pack
- Install the inverter vertically with connections at the bottom
- Avoid installing the inverter horizontally or tilting it
- If installing externally, mount the inverter under a canopy to avoid direct sunlight and water sources
- Mount the inverter at least 3 feet above ground level (outside only)
Precautions:
- Use appropriate cables (minimum 16mm2 tri-rated) for battery connections
- Battery voltage must not exceed 60V to avoid damaging the inverter and voiding warranty
- Only connect GivEnergy batteries to the inverters
- Reversed polarity will damage the inverter
- Follow the Battery Installation Guide for proper battery installation
SPECIFICATIONS
A TRUE MULTI-TASKER
Battery and Solar Inverter in One
The third generation of the GivEnergy Hybrid Inverter is a battery and solar inverter in one unit.
It can be coupled directly with solar panels to generate electricity in the property during daylight hours, as well as store any excess energy for later use in our batteries to minimise export. Additionally, it will minimise import by discharging to meet demand in the property.
The Hybrid Inverter GEN 3 is connected to our batteries using an all-in-one plug, for an easier installation process.
Specifications
Dimensions
588H x 214D x 480W (mm)
Weight 32 Kg
Charge / Discharge Efficiency 94% / 94%
PV Max. Efficiency 97.6%
Warranty
5 years, extendable to 10 years
Operational temperature -20ºC – 60ºC
Max. DC Input Power 15kW
Start Up Voltage
3.6kW -150V
5.0kW -150V

BOX CONTENTS
Item : Item Name : Qty
- A Inverter 1
- B Mounting Bracket Fixings 5
- C Bonding Kit 1

GENERAL INFORMATION
Introduction
All information contained in this booklet refers to the assembly, installation, commissioning, and maintenance of the Generation 3 Hybrid Inverter. Please retain this manual for future reference.
Legal Disclaimer: This document is the property of GivEnergy, reproduction is prohibited.
Installation Requirements
Installation of all GivEnergy equipment must be carried out by a GivEnergy Approved Installer.
Unit Information
The Hybrid Inverter is a battery and PV inverter in one. It is bi-directional, meaning it can charge from the grid (AC coupled) and from solar (DC coupled).
Storing the Inverter
The unit must be stored in its original packaging at temperatures between 5ºC – 60ºC.
Do not stack more than 4 units on top of each other.
Packaging Contents
When unpacking, please check the following:
- There are no missing accessories from the packaging list
- The model and specification of the inverter’s nameplate match the order specifications
If any damaged or missing parts are found, please contact GivEnergy on 01377 252 874 or email [email protected] immediately. Returns must be provided in original or equivalent packaging. The cardboard packaging is recyclable.
COMPONENTS
Item : Item Name
- A. Power A Flow Direction Indicators
- B All in One Battery Connection
- C PV Isolator
- D PV Input Terminals
- E USB Port for 4G Module (optional)
- F Meter Communications and LAN
- G AC Supply Terminals (Right) and EPS Terminals (Left)
- H Serial No.
- J Warning Signs Label
- I WiFi Serial No. and Verification Code
- K Specification Label

SAFETY AND INSTALLATION
Safety Instructions
Extra care and attention must be taken when installing and maintaining any GivEnergy equipment. The system is capable of retaining a high voltage, even when disconnected.
- If you suspect something is wrong with the inverter, contact GivEnergy on 01377 252 874 or email [email protected]
- If any damaged or missing parts are found, please contact GivEnergy on 01377 252 874 or email [email protected] immediately. Returns must be provided in original or equivalent packaging
- All electrical installations must be carried out by a qualified and registered Electrician and in accordance with the IEE Wiring Regulations
- During operation, the heat sink may become hot. Do not touch the heat sink at the sides, or the top of the inverter when in operation
- The inverter is designed to be connected to the grid; connecting your inverter to a generator or other power source can result in damage to the inverter or external devices
- All GivEnergy equipment must be installed by a GivEnergy Approved Installer
- The inverter must be installed in an easily accessible location, the status display must be visible and not obstructed
- Please ensure that the wall to be mounted on is sufficient enough to hold the weight of the inverter and battery pack
- The inverter must be installed in a well ventilated area, the ambient temperature should be below 40ºC to ensure optimal operation
- The inverter must be installed vertically with connections always positioned at the bottom, never install horizontally, and avoid tilting the unit
- The inverter must be installed under a canopy if installing externally. Avoid direct sunlight and near water sources
- Mount the inverter at least 3 feet above ground level (outside only)
Precautions
- It is very important for system safety and efficient operation to use appropriate cables for battery connections. 16mm2 (minimum) tri-rated cables must be used for DC battery connections
- The voltage of the battery connected must not exceed 60V (or it will damage the inverter and void any warranty)
- Only GivEnergy batteries should be connected to our inverters
- Reversed polarity will damage the inverter
- The battery must be installed in accordance with the Battery Installation Guide
STEP-BY-STEP INSTALLATION
- Wall thickness for mounting the inverter must be no less than 100mm. Remove the wall mounting bracket from the back of the inverter and place horizontally onto the wall and mark the position of the bracket holes.

- Drill 5 holes at the marked positions, at least 75mm deep. Fix the mounting bracket to the wall using 5 x M6x50 expansion bolts.
Please note: If fitting the inverter to a non-masonry wall, different fixings will be required.

- Mount the inverter onto the mounting bracket.

- Insert the 2 x M4 safety locking screws on the left and right side to prevent the inverter from being lifted off the bracket.

CLEARANCE AND MAINTENANCE
Space Clearance
There must be adequate clearance around the inverter to allow for heat dissipation. The diagram below illustrates the space required around the inverter.

Maintenance
When maintaining and cleaning the inverter, the whole system must be powered down. Please refrain from using cleaning products on the surface of the inverter.
To ensure your inverter operates optimally at all times, annual maintenance checks need to be carried out. Check for visible damage or discoloration of the switch, and that the cables are intact. Please ensure that the top of the inverter is not obstructed in any way.
We recommend operating the rotary isolator from ON to OFF 5 times, this cleans the contacts of the rotary switch.
CONNECTIONS OVERVIEW
Item : Item Name
- A All-in-One Battery Connector
- B PV Input
- C Built-in WiFi Aerial
- E EPS Connection
- D Meter Communication and LAN Connectors for router
- F AC Connection
- G DC Input Isolation Switch
- H IP65 Cable Entry Glands
- I Cable Clamps

AC UTILITY GRID CONNECTION
Cable size requirements for the Hybrid Inverter are dependent on the model:
- HY 5.0 – minimum 4mm² – 6mm²
- HY 3.6 – minimum 2.5mm² – 4mm²
The recommended maximum cable length should not exceed 50m as the resistance of the cable will consume inverter output power and reduce the inverter efficiency.
You must install a separate AC circuit-breaker per inverter in order to ensure that it is adequately protected and can be safely disconnected under load.

CONNECTING TO THE EPS
The Emergency Power Supply (EPS) can provide a maximum output power of 3600W during a grid failure. This output must be protected as close to the inverter as possible, with a double pole 30mA RCD rated at up to 20A.
There are four approved methods to connect to the EPS, please refer to the EPS Connection Guide on our Knowledge Base for more information.

If the backup terminals are used, please ensure the following:
An earth rod must be installed and connected to the main earthing terminal, as close to the origin of supply as possible, and adequate overload / short circuit protection must be installed in accordance with the IEE wiring regulations.
The EPS MAX output power is 3600W. If the load is greater than 3600W
the inverter will stop outputting and going to fault. The EPS output will only operate when the battery(s) have capacity available.
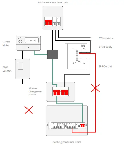
Any other grid tied generation must be supplied from the grid side of the changeover switch to avoid damage to the inverter, and void in warranty (see the following diagrams for reference).
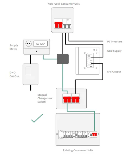
FULL PROPERTY BACKUP
Correct wiring of full property back-up with manual or automatic change over switch:

Incorrect wiring of full property back-up with manual or automatic change over switch:

CONNECTING THE BATTERY TO THE INVERTER
- A DC MCB must be installed between the master battery and the inverter of Gen 1 batteries (not less than 100A), this will ensure the inverter can be safely disconnected during maintenance. Please note that a separate DC MCB is not required with Gen 2 batteries as they have one integrated, unless Gen 1 batteries are installed after a Gen 2 battery pack.

Generation 1 battery only
Check the battery nominal voltage and polarity. When connecting a Gen 3 inverter to a Gen 1 battery (2.6kWh, 5.2kWh, 8.2kWh), an all in one to ring terminal connection must be used.

Generation 2 battery only
When connecting a Gen 3 inverter to a Gen 2 battery (9.5kWh), an all in one to all in one cable must be used. Connect the all in one plug into the all in one connection on the inverter. The other end can then be connected to the A-socket on the Gen 2 battery (ensure that the red clip is facing away from the inverter, and is pushed in securely).

Installation of additional batteries
If connecting additional batteries, you will require an all in one to all in one cable (Gen 2 battery), or an all in one to ring terminal cable (Gen 1 battery). There is no requirement for a DC MCB to be installed between additional batteries.

CONNECTING MID APPROVED METER TO INVERTER
In the system, a mid approved meter must be installed to ensure correct monitoring of the grid power. The inverter uses this information to decide whether to charge or discharge the battery.
The CT clamp that is connected to the mid approved meter must be installed around the live incoming supply to the property, with the arrow pointing in the direction of grid import, in order to monitor the complete consumption of the building.

START-UP AND SHUT-DOWN OF THE INVERTER
Start-Up Procedure
- Connect the AC circuit breaker, ensure that the system is powered and commissioned using the portal/App. Ensure that the grid power is reading identical to that of the mid approved meter (this can be found on the screen of the meter).
- Turn on the PV switch
- Turn on the battery breaker
- Turn on the battery
- The inverter will start automatically when the PV voltage is higher than 150V, and the battery voltage is higher than 46.4V
Shutdown Procedure
- Turn off the battery
- Disconnect the AC circuit breaker to prevent it from being reactivated
- Disconnect the battery breaker to prevent it from being reactivated
- Turn off the PV switch
- Check the inverter operating status
- Wait until all LEDs have gone out. The inverter is now shut down
EARTH BONDING
The bonding kit is to be fixed after the wiring of the inverter.
Earth bonding the Inverter
- Unscrew the hex screw from the inverter’s bottom cover on the left hand side and remove the screw from the external earthing point
- Align the bonding plate with the fixing holes on the bottom of the inverter, then fix in place with the M6 x 12 hex screw and serrated washer supplied with the kit
- Fasten the other end of the bonding plate by reinserting the earthing point screw (please ensure that the serrated washer is secure)
- Test continuity between earth bonding screw and the supply earth at the AC isolator and record the resistance value (required later for commissioning) . A value around 0.1 ohms is acceptable.
- Take a photo of the earth bonding kit installed as this needs to be submitted during the commissioning process
COMMISSIONING A SYSTEM
All systems must be commissioned to ensure correct battery and meter communications, as well as connection to the online portal.
Note: Without commissioning, the system may not operate correctly.
Check that all the wires are securely connected before the battery breaker and the AC isolator is switched on. You MUST set the parameters of the battery according to your battery system.
Accessing the Commissioning Portal
Sign into the online portal at https://portal.givenergy.cloud with your GivEnergy Engineer login. If you are a first time user, and you do not have an account or Engineer login, please consult your supplier to get this set up.
- To download a fully illustrated guide, please visit our Knowledge Base at www.givenergy.co.uk
DECOMMISSIONING A SYSTEM
Uninstalling the Inverter
- Follow the shut-down procedure
- Remove all connections and cables from the inverter
- Remove the locking pins which are securing the inverter to the bracket
- Lift the inverter off the bracket
- Remove the wall bracket
Packaging the Inverter
If possible, always pack the inverter in its original packaging and secure it with tension belts. If this is not available, you may also use an equivalent sized box. The box must be capable of being closed completely and be strong enough to support both the weight and the size of the inverter.
Storing the Inverter
Store the inverter in a dry place where ambient temperatures are always between -25ºC and +60ºC
WORK MODES
- Eco Mode
The system optimizes the delivery of generated PV power and battery power to priorities the home load. Grid power is used as a last resort if solar and battery power are unavailable. - Off Peak Charging
This is prioritized to charge the battery during off peak times when energy is cheaper, greener, and cleaner. The battery will start to discharge outside of the off peak time when energy is more expensive. - Back Up / Island Mode
The system has the ability to be used in the event of a power cut. To utilise this feature, circuits must be connected to the inverter’s EPS terminals.
To download a fully illustrated guide on connecting the inverter to the EPS, please visit our Knowledge Base at www.givenergy.co.uk.
MANUFACTURER WARRANTIES
This inverter is covered by a 5-year warranty. An extended warranty can be purchased within 60 days of the commissioning date that is registered on the portal.
Products Covered

Hybrid Inverter Gen 3 3.6
5 years, extendable to 10 years

Hybrid Inverter Gen 3 5.0
5 years, extendable to 10 years
Legal Disclaimer: This document is the property of GivEnergy, reproduction is prohibited.
















