GLOBAL INDUSTRIAL 256551 Portable Electric Heater
Portable Electric Heater
2 Items to check before use
Safety Cautions
These are important for the user’s safety and prevention of property damage and/or loss. Please read carefully to ensure the safe and efficient operation of this product.
Safety Tips
- Never operate a heater you suspect is damaged. Before use, inspect the heater, cord, and plug for damage. Follow all operation and maintenance instructions.
- Never leave the heater operating unattended.
- Be sure the heater plug fits tightly into the wall outlet. If not, do not use the outlet to power the heater.
- During use, check frequently to determine if the heater plug or cord, wall outlet, or faceplate is HOT!If the plug, outlet, or faceplate is hot, discontinue use of the heater, and have a qualified electrician check and / or replace the plug or faulty wall outlet(s). If the cord is hot, disconnect the heater, and have it inspected/repaired by an authorized repair person.
- Never run the heater’s cord under rugs or carpeting, This can damage the cord, causing it and nearby objects to burn.
- Use proper electricity refer to the label on the heater.(There is a risk of product damage and fire)

- Use the cable that meets the specification (Refer to wiring diagram page)

- Do not keep or use Inflammables and Combustible spray near the product. (There is a risk of product damage and fire

- Do not spray water directly on the product or wipe it with benzene, thinner, or alcohol. (There is a risk of electric shock, fire, or damage to the product)

- Do not bend the wire excessively and put heavy objects on this heater. (There is a risk of product damage and fire)

- Do not install the product near flammable materials such as curtains, blankets, clothes, etc. (Overheating of the product may cause a fire)

Cautions
These are important for the user’s safety and the prevention of property damage and/or loss. Please read carefully to ensure the safe and efficient operation of this product.
- Do not block the heater outlet

- Do not touch the heat-generating areas when in use. (These areas get extremely hot and may burn you)

- Be careful of foreign objects getting into air inlet and outlet. (It may cause malfunction)

- Use a proper breaker in line with electric capacity.(There is a risk of electric shock or fire)

- Avoid high temperature and high humidity when storing for long term and store in a dry place. (It may cause rust or malfunction)

- Do not touch heater right after use. (Allow unit to cool down, otherwise there is a risk of burning yourself)

- Never move the heater while in operation. (If the product falls down, it may cause fire)

- If there is noise, smell, or smoke coming from the heater, immediately unplug the power cord and contact a service center. (There is a danger of electric shock or fire)

- Keep away from heat exhaust while unit is on.(The product can be operated at any time because of the temperature sensor)

- Do not expose this heater to direct sunlight, rain, or strong wind. (There is a danger of electric shock or fire)

- Open the window once or twice every hour for ventilation. (It may cause lack of oxygen the product is operated for a long time without ventilation)

- Do not disassemble, repair or modify this heater when in use. (It causes a high risk of accident, fire or electric shock)

Portable Electric Heater
3 Name of Parts (246551/246552/246553
Caution for Installation
Right Place for Installation
Caution
- Do not use in an explosive environment or where there is a possibility of leakage of flammable gas.
- Use in shaded area.
- Do not put any foreign substances around Heat exhaust.
- Store the product with cover. Use the heater only after completely cleaning dust or dirt on the bottom.
Keep safe clearance
It is critical to keep safe clearance around the heater and not block the flow of air.
- We recommend at least 3 feet (90 cm) in front of heater and 1 feet (30 cm) to the sides and above.
- Keep all furniture, papers, and other flammable objects away from the heater.
- Make sure there is constant airflow around the heater
Automatic overheat prevention sensor
The unit is built with an internally built sensor that automatically shuts off the heater when it reaches an abnormal temperature.
Automatic tip-over switch
The heater will automatically switch off if it senses the unit is tilting and at risk of falling over.
Easy Maintenance
- Disconnect the power to the heater
- Blow debris down through the top element using a blow-dryer or vacuum on the blow cycle.
- Vacuum the dirt and dust in the heater and turn the power back on.
Troubleshooting
| Problem | Solution |
|
When Power Switch lamp is not working | • Check the main power connection (check main terminal. • Check if the heater is tilted. • Temperature sensor detects heater overheating during operation. (Check whether fan is working) • If fan is not working, check for shorted wire |
| When heater switch lamp is not working | • Check for shorted wire |
| When heater is not working | • Check for shorted wires (restart after inspection) • OCR (Over Current Relay) is on due to overload (Restart after pressing reset button) |
Control Guide
Power ON
ON/OFF switch for main power at OFF, both fan and heater will be turned off. If protective sensors (overheat sensor, tilt motion sensor) detects hazards. The heater will get shut off automatically. After identifying and solving the problem, restart the heater.
Temperature Control
Turn the control knob clockwise to the desired temperature. The heater will operate until the set temperature is reached, then turn on. Note: The heater will turn back on automatically to maintain the desired temperature.
Heat ON
ON/OFF switch for the heater
Caution
Shut-off Instruction
You must follow these instructions to turn off the machine to PREVENT FIRE HAZARDS
- Turn off green switch (Heater)
- Wait for 3-4 minutes for unit to cool down
- Turn off red switch (Power and fan)
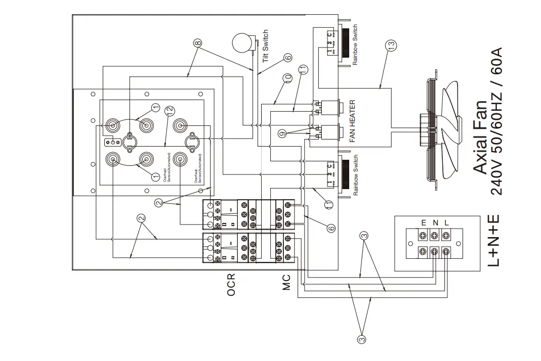
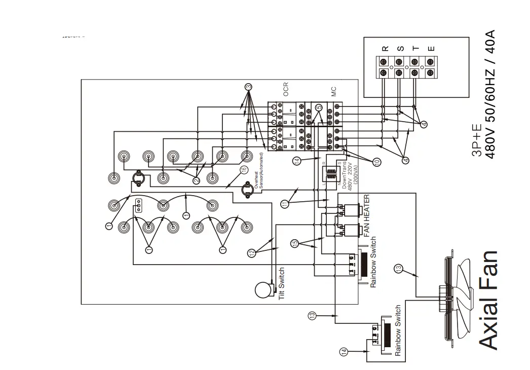
Electric Heater Diagram
246552 (240V)
246552 (3-Phase 3-Wire 480V)
246553 (3-Phase 3-Wire 480V)
Product Specification
| Model | 246551 | 246552 | 246553 |
| Voltage: | 240V | 208V | 480V |
| Phase: | Single | 3 | 3 |
| Watts: | 10,200 | 15,100 | 30,000 |
| Amp: | 41.82 | 42.35 | 36.46 |
| CFM: | 806 | 1,103 | 1,441 |
| BTU/h: | 33,700 | 51,000 | 101,350 |
| Temperature Range: | 32°F~122°F | 32°F~122°F | 32°F~122°F |
| Heating Area: | 600~785 Sq.Ft. | 950~1,100 Sq.Ft. | 1,830~2,300Sq.Ft. |
| Thermostat: | Manual | Manual | Manual |
| Dimensions (W x D x H): | 15-1/2″ x 22-1/2″ x 22-3/16″ | 16-5/8″ x 24-1/2″ x 23″ | 18-5/8″ x 26-3/8″ x 24-5/8″ |
| Product Weight: | 59.3 lbs. | 86 lbs. | 113.1 lbs. |
| Color: | Yellow | Yellow | Yellow |
| Safety Features: | Tip-Over Switch, Overheat Sensor | Tip-Over Switch, Overheat Sensor | Tip-Over Switch, Overheat Sensor |
| Certification: | ETL, CETL | ETL, CETL | ETL, CETL |
| Outlet Diameter: | 12″ | 14″ | 14″ |
| Temperature Rise: | 46°F | 46°F | 65°F |
| Casters: | 3″ Diameter, PU (2 locking) | 3″ Diameter, PU (2 locking) | 3″ Diameter, PU (2 locking) |
| Required Cord (not included): | 6AWG/3C | 6AWG/4C | 6AWG/4C |
Breakdown (246551)
Breakdown (246552)
Breakdown (246553)



















Power ON
Temperature Control
Heat ON



















