PENTAIR LT-S RO Everpure Conserv Lt-S High Efficiency Reverse Osmosis (Ro) Processor

INTRODUCTION
The Everpure Conserv LT-S Processor is a pre-assembled solution designed to provide high purity water for steam applications. It combines a number of water treatment technologies into one easy-to-install package. The Processor provides reduction of sediment. It also limits corrosion* and scale* by reducing TDS, chlorine* and chloramines*.
INSPECTION
Before mounting the Conserv LT-S Processor, inspect the parts. Use the table and illustration provided to verify the parts provided. If any parts are missing, contact Customer Service at 800.942.1153 (US only)/630.307.3000 or by email at [email protected].
Parts
- Wall Unit with GRO-75EN RO Membrane, Cartridge in Place
- 4CC Mineral Cartridge
- 4FC5 Filter Cartridge
- Storage Tank
- Blue Tubing
- White Tubing
- Parts Bag Containing:
Bypass Plug
Red Tubing with Connecting Elbow
Power Cord
Angled Ball Valve
Ball Valve
TDS Meter
* Not performance tested or certified by NSF®
Tools Required
- Hand or Electric Drill
- Air Pressure Gauge
- Pencil
- Tape Measure
- Utility Knife or Tube Cutter (for plastic tubing)
- Phillips Screwdriver
- Towel
- Safety Glasses
- Drill Bits: 1/8″, 1/4″ and 3/8″
- Air Compressor with Schrader Coupling
NOTE: Not all tools listed may be necessary for installation. Read installation procedures before starting to determine required tools.
SELECTING A MOUNTING LOCATION
- Give consideration to the weight of the unit when operating, i.e. when filled with water. Operating weight of the Everpure® Conserv® LT-S Processor is approx.:
• 25 lbs (11.3 kgs) - The location should allow for:
• The Conserv LT-S Processor to be wall mounted.
• Adequate space for “in” and “out” water line connections.
• Proximity to a drain for flushing.
• Access to a 100 – 240 Vac, 50/60 Hz AC wall plug.
• Placement of tank within 7 feet of Processor - The inlet water supply must meet the requirements listed in the section “Operating Specifications”.
DIMENSIONS


SAFETY INSTRUCTIONS
NOTE: This appliance can be used by children aged from eight (8) years and above and persons with reduced physical, sensory or mental capabilities or lack of experience and knowledge if they have been given supervision or instruction concerning use of the appliance in a safe way and understand the hazards involved.
NOTE: The appliance is only to be installed in locations where its use, maintenance and cleaning is restricted to trained adult personnel. No one should play with the appliance.
NOTE: Children should be supervised to ensure that they do not play with the appliance.
NOTE: Cleaning and user maintenance shall not be
made by children without supervision.
NOTE: The appliance is not suitable for installation in an area where a water jet could be used.
NOTE: If the supply cord is damaged, it must be replaced by the manufacturer, its service agent or similarly qualified persons in order to avoid a hazard.
WARNING: Installation shall comply with applicable local, state, and national plumbing and electrical regulations.
WARNING: This appliance must be grounded. This appliance is equipped with a cord having an appliance-grounding conductor and a grounding plug. The plug must be plugged into an appropriate outlet that is installed and grounded in accordance with all local codes and ordinances. If the supply cord is damaged, it must be replaced by the manufacturer, its service agent or similarly qualified persons in order to avoid a hazard.
WARNING: Improper connection of the appliance grounding conductor can result in a risk of electric shock. Check with a qualified electrician or service representative if you are in doubt whether the appliance is properly grounded. Do not modify the plug provided with the appliance; if it will not fit in the outlet, have a proper outlet installed by a qualified technician.
WARNING: The appliance is intended to be permanently connected to the water mains and not connected by a hose-set. The appliance is not suitable for installation in an area where a water jet could be used and must not be cleaned by a water jet.
WARNING: Before installing the Processor, make certain your water supply complies with the following operating specifications. Failure to do so may reduce the effectiveness of the system and will void the warranty. Consult your local water treatment utility or a certified water testing lab to determine the quality of your water.
WARNING: Do not use with water that is microbiologically unsafe or of unknown quality without adequate disinfection before or after the system. The Everpure® Conserv® LT-S Processor will not protect against disease-causing bacteria or remove harmless, naturally-occurring bacteria.
WARNING: The Conserv LT-S Processor contains replaceable components that are critical to the efficiency of the system. Replacement of the reverse osmosis component should be with one of identical specifications, as defined by the manufacturer, to assure the same efficiency and contaminant reduction performance.
WARNING: The Conserv LT-S Processor contains filter cartridges and an RO membrane cartridge included with the system that have limited service lives. Product water should be tested periodically to verify that the Processor is working properly.
WARNING: The Conserv LT-S Processor shall only be used for arsenic reduction on chlorinated water supplies containing detectable residual free chlorine at the system inlet. Water systems using an in-line chlorinator should provide one (1) minute of chlorine contact time before the unit.
CAUTION: The Conserv LT-S Processor must be protected against freezing which can cause the filter housing to crack, resulting in water leakage. Do not use electrical heating tape or propane torch on this unit.
CAUTION: Make certain the unit is firmly attached to wall to prevent it from falling and possibly becoming damaged.
NOTE: Substances listed as reduced are not necessarily in your water. The Processor must be maintained according to manufacturer’s instructions, including replacement of filter cartridges.
NOTE: Your water must be within required limits for satisfactory operation. If not, the RO membrane cartridge’s life may be shortened and your warranty will be voided (see Operating Specifications).
NOTE: Install on cold water line only.
NOTE: Do not install where system will be exposed to direct sunlight.
NOTE: Make certain that installation complies with all state and local laws and regulations.
NOTE: Use only plumbers tape without adhesive backing to seal joints. Do not use pipe compound (“pipe dope”), sticks, or similar compounds with this unit; they contain petroleum derivatives which can cause crazing and cracking of the plastic in the filter housing.
NOTE: Use only soap and water to clean components.
NOTE: Do not use aerosol sprays (bug spray, cleaning fluids, etc.) near the Conserv LT-S Processor. They contain organic solvents which can cause crazing and cracking of the plastic in the filter housing.
NOTE: During extended periods of non-use, turn OFF the water supply to the unit and remove the cartridges. Place the cartridges in a sealed plastic bag. Store them in a refrigerator for future use. When restarting the unit, the cartridges are reinstalled and flushed per instructions.
OPERATING SPECIFICATIONS
WARNING: Before installing the Processor, make certain your water supply complies with the following operating specifications. Failure to do so may reduce the effectiveness of the system and will void the warranty. Consult your local water treatment utility or a certified water testing lab to determine the quality of your water.
Inlet Temperature: 32 – 100°F (0 – 37.7°C)
Dynamic Operating Pressure: 40 – 85 psi (2.7 – 5.8 bar, 0.27 – 0.58 MPa), non-shock
Maximum Static Pressure: 125 psi (8.6 bar, 0.86 MPa
Inlet Total Dissolved Solids: 1,000 ppm maximum
Sulfide, Iron and Manganese: Less than 0.1 ppm
Water Supply pH Limits: 4 to 11
Turbidity: 1.0 NTU maximum
For cold water use only.
EVERPURE CONSERV® LT-S PROCESSOR

- Secure Unit to Wall

- Connect Valve to Storage Tank

- Connect Tubing for Flushing

- Prepare to Flush the Everpure® 4FC5 Cartridge

- Install and Flush Everpure® 4FC5 Cartridge

- Prepare the Pentair® GRO-75EN Cartridge for Use

- Connect Tubing to Pentair® GRO-75EN Cartridge

- Flush Pentair® GRO-75EN Cartridge

- Set Blending Valve

- Install Everpure® 4CC Cartridge

- Flush Storage Tank and 4CC Cartridge

HOW REVERSE OSMOSIS (RO) WORKS
The Everpure Conserv LT-S Processor uses a semipermeable membrane to reduce scale and corrosion. The RO membrane cartridge contains multiple layers of micron-thin film wound around a hollow center core. Water molecules can pass through the cartridge, while dissolved salts are rejected. Your water supply is prefiltered to reduce dirt and chlorine that may foul the membrane. The RO membrane cartridge separates this prefiltered water into RO WATER and REJECT WATER. Water pressure forces water through the membrane within the RO membrane cartridge then into the storage tank. This is the RO water. Dissolved salts cannot pass through the membrane and are sent to the drain as reject water.
The Conserv LT-S System features a blend-in-tank process which uses the RO water described above, with calcium carbonate, and adds filtered water from carbon filtration to create a consistent product water. When you use water from the storage tank, the pressure inside the tank drops and the pressure switch closes. The system then begins to operate, replenishing the water you took from the storage tank. The storage tank can hold up to 3.2 gals (12.1 L) of water at one time.
NOTE: When used under operating conditions specified in this manual, the RO membrane cartridge of the Conserv LT-S Processor should last 12 to 24 months. The precise life span of the Pentair® GRO-75EN RO Membrane Cartridge will depend on the quality of the water entering the system and the frequency with which you use it. Frequent use prevents the dissolved salts from building up on the membrane as scale. The more water the system is required to produce, the longer the membrane will last.
INSTALLATION
NOTE: Please read all instructions, specifications, and precautions before installing and using your Conserv LT-S Processor.
NOTE: The Conserv LT-S Processor may be installed hanging on a wall or set under a sink.
NOTE: The Conserv LT-S Processor must be installed vertically.
WARNING: Improper connection of the appliance grounding conductor can result in a risk of electric shock. Check with a qualified electrician or service representative if you are in doubt as to whether or not the appliance is properly grounded. Do not modify the plug provided with the appliance; if it will not fit in the outlet, have a proper outlet installed by a qualified technician.
Secure Manifold Wall Mount
The Conserv LT-S Processor weighs approx.32.2 lbs (12.1 kgs).
CAUTION: The Conserv LT-S Processor should be mounted on a stud or firm surface. The mounting bracket will support the weight of the processor and help prevent strain on the water lines.
- Remove the Pentair GRO-75EN Membrane from the clip on the wall unit.
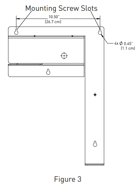
- When mounting the Conserv LT-S Processor on a wall, four (4) screws are required to mount the unit. The two (2) top screws will be 10.5″ (26.7 cm) apart and level. Screw the two (2) screws into the wall. Leave a gap between the screw head and the wall of 1/8″. The backside of the unit has two (2) slots that will fit over the screw heads and slide down to lock (Figure 3).
- Tighten both screws from the front.
- Insert screws into the two (2) remaining mounting holes. Screw them in and tighten.

Assemble Storage Tank
- Locate the right angle ball valve. Screw the valve onto the top fitting of the Storage Tank until tight.
- CLOSE the ball valve.
- Apply precharge of 5-7 psi (0.34 bar, 0.034 MPa)
- Position the Storage Tank near the Conserv LT-S Processor.
Connect Tubing for Cartridge Flushing
- Refer to Figure 4 for a general description of connection points.
- Prepare the plumbing to accept the RO system.
NOTE: The blended water tubing/piping and associated fittings connecting the RO blended water outlet to the equipment being serviced should be food-grade material that meets NSF® Standard 51, 61, or similar, with a minimum pressure rating of 125 psi (8.6 bar, 0.86 MPa). The blended water may react with metal piping, creating a corrosive condition. Plastic pipe or reinforced beverage tubing are generally very good material choices for RO water distribution piping. The size of the blended water tubing/piping should be 3/8″ (9.5 mm) ID minimum. Distances of 25 feet (7.6 m) or greater from the RO processor to the equipment being serviced should be 1/2″ (12.7 mm) ID minimum. - Locate an appropriate point in the hard water plumbing to tie in a new section of tubing/piping that can be routed to the RO processor. CLOSE the nearest shut-off valve that is upstream from the tie-in point and relieve the pressure in the line. Install a 3/8″ (9.5 mm) tubing/piping section and connect it to the INLET – Supply Water fitting. See Figure 4.

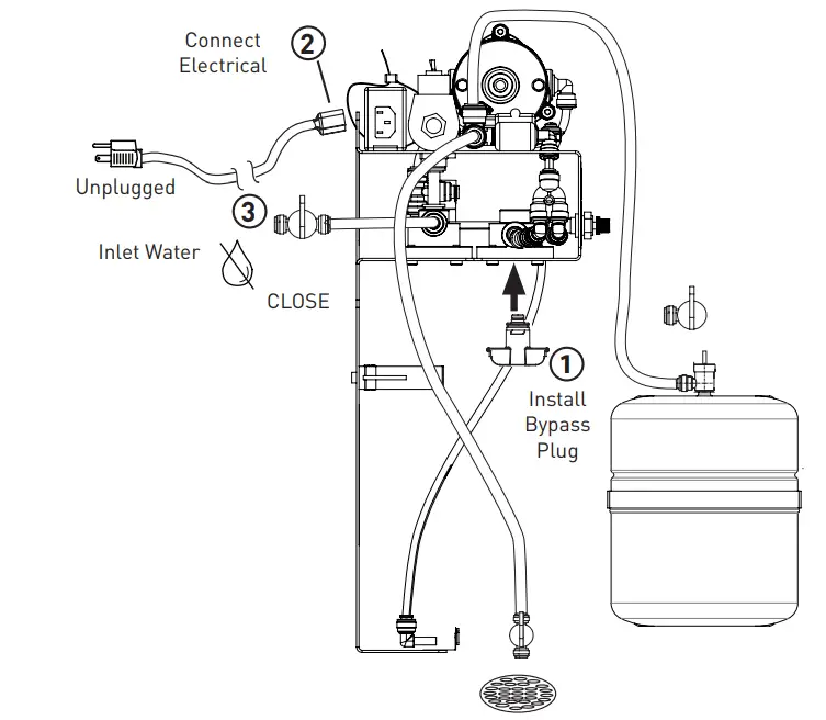
- Connect a length no greater than 7 ft of 3/8″ O.D. tubing to the connection for the Storage Tank. Route the other end to the Storage Tank and insert it into the ball valve. The ball valve should be closed.
- Connect a length of 3/8″ O.D. tubing to the Everpure Conserv LT-S Processor outlet connection. Secure an open ball valve to the other end and position it over a drain.
- Fully OPEN the blend valve by turning it to the left (counterclockwise) until it stops.
Prepare to Flush the Everpure 4FC5 Cartridge
The Everpure 4FC5 Filter Cartridge is installed and flushed before the Pentair GRO-75EN RO and the Everpure 4CC Cartridges are installed.
- Install the bypass plug into the filter head for the Everpure 4CC Cartridge. This head is centered and toward the front of the unit.
- Connect the electrical cord to the socket located on the power supply.
- The inlet water should be connected and turned off.

CAUTION: The cartridges are identified on the label using the model number:
Pentair® GRO-75EN RO Membrane Cartridge
Everpure® 4FC5 Filter Cartridge
Everpure® 4CC Mineral Cartridge
Install the cartridges in the correct locations. If the cartridges are installed improperly, the processor will not operate correctly.
Install and Flush the Everpure 4FC5 Filter Cartridge
Locate the 4FC5 Filter Cartridge and inspect the o-rings. They should be clean and lightly lubricated with silicone grease.
- Line up the tabs with the slots in the opening on the left side of the head assembly. See Figure 6 and Figure 7.
- Insert the cartridge to full depth.
- Rotate the cartridge 900 to the right (clockwise) to lock it in place.

- OPEN the valve for the inlet water.
- Plug the power cord into a 115 V wall outlet.
- Flush to drain for five (5) minutes.
- Unplug the power cord.

Install the Pentair GRO-75EN RO Membrane Cartridge
The GRO-75EN RO Membrane Cartridge is installed in the vertical position. There are three (3) quick-connect ports that are labeled:
- Inlet – White
- Product (RO Water) – Blue
- Drain – Red

CAUTION: DO NOT remove the quick-connect elbow fitting from the red tubing. This assembly contains a flow control that may become damaged if removed. The efficiency of the Everpure Conserv LT-S Processor may be affected.
- Remove the GRO-75EN RO Membrane Cartridge from its packaging and position it with the single white port at the top.
- Press the cartridge into the clip on the back plate. The cartridge may be moved up or down to line up with the tubing connections.
Connect Tubing to Pentair GRO-75EN

- Insert RO inlet connection into the white quick-connect port of the RO filter.
- Insert drain water connection into the red quick-connect port of the RO filter.
- Insert RO water connection into the blue quick-connect port of the RO filter.
Flush the Pentair® GRO-75EN RO Membrane Cartridge

- Close the blend valve completely by turning it to the right (clockwise) until it stops.
- Apply power.
- Flush to drain for 24 hours.
- Turn OFF power.
USING THE TDS METER TO TEST FOR TOTAL DISSOLVED SOLIDS
After the processor has been flushed, it is still necessary to test and set the Total Dissolved Solids (TDS) to an acceptable level. A TDS meter is included for testing purposes.
The included TDS Meter is designed for limited use. After six (6) tests, the meter may not be accurate and should be discarded.

NOTE: For better accuracy and frequent testing for TDS, use a standard pocket TDS meter.
Set Blending Valve
The water exiting the Everpure Conserv LT-S Processor should have a TDS reading of 80 ppm before the Everpure 4CC Cartridge is added.
NOTE: The blend adjustment valve will be opened one (1) full turn to take the initial reading.
- CLOSE the blend adjustment valve, then OPEN it one (1) full turn to the left (counterclockwise).
- Turn power ON and collect 1″ to 2″ of RO blended water in a clean glass container.
- Insert probe end of meter no more than 1″ into water, and depress blue cap. Do not submerge entire unit.
- One (1) or two (2) lights will light immediately. Match light(s) to the chart to get approximate range of Total Dissolved Solids (TDS). Release the blue cap, and write down the TDS range.

The Conserv LT-S Processor includes a blend system that can combine or “blend” water sources. OPENING the blend adjustment valve will add untreated water with higher TDS to the RO water.
To achieve the target TDS of 80 ppm, it is likely that the blend valve will need to be adjusted. Use the TDS reading from the previous steps as the starting point. If that number is above 80 ppm, the blend adjustment valve will need to be closed slightly. If that number is below 80 ppm, the blend adjustment valve will need to be opened slightly.
NOTE: Changes to the blend adjustment valve should be made in small increments. Adjust the valve in 1/8 to 1/4 of a rotation for best results.
The desired reading of 80 ppm is at the high end of the solid blue range. To be certain the blended water is at or near 80 ppm, use the following procedure:
- Run blended water into a glass and collect 1″ to 2″ of water.
- Test this water for a TDS level. Based on the result, the mixing valve will be opened or closed.
• If the meter showed a solid blue light, then the mixing valve will be OPENED more.
• If the meter showed any other indicator, then the mixing valve will be CLOSED more. - Adjust the mixing valve if needed and run blended water for two (2) minutes. Discard this water.
- Repeat Steps 3, 4 and 5 until the light indicators change between solid blue and flashing blue. The blended water TDS should now be at 80 ppm.
Install the Everpure® 4CC Mineral Cartridge
Locate the 4CC Cartridge and inspect the o-rings. They should be clean and lightly lubricated with silicone grease.
- Turn power OFF.
- Remove the port plug.
- Line up the tabs on the 4CC Cartridge with the slots in the opening on the front side of the head assembly. See Figure 6 and insert the cartridge to full depth.
- Rotate the cartridge 900 to the right (clockwise) to lock it in place.

Flush Storage Tank and Everpure® 4CC Cartridge
Flush the Everpure 4CC Mineral Cartridge:
The 4CC Mineral Cartridge will be flushed when the storage tank is flushed. No further flushing is required.
Storage Tank:
The Storage Tank will hold approximately 3.2 gals (12.1 L). The tank air pressure is preset to 5-7 psi (0.34 bar, 0.034 MPa) when shipped via ground transportation. For air shipments the precharge is completely removed. Check the tank air pressure. Ensure that the tank has 5-7 psi (0.34 bar, 0.034 MPa) of precharge upon installation. Add air if needed. Tank pressure may be checked using an air pressure gauge on the air valve on the side of the tank.

- OPEN the ball valve on the top of the Storage Tank.
- CLOSE the ball valve at the blended water out tubing.
- Apply power. It will take approximately 30 minutes for the Storage Tank to fill.
- The pump turns off when the Storage Tank is full. OPEN the ball valve for the blended water outlet. Allow the Storage Tank to empty.
- Repeat Steps 2, 3 and 4 four (4) more times.
PLACE THE CONSERV LT-S PROCESSOR INTO OPERATION
- Remove the ball valve from the end of the blended water outlet.
- Connect the blended water outlet tubing to the application.
TESTING YOUR REVERSE OSMOSIS PROCESSOR
Total Dissolved Solids (TDS) Test
Under NSF/ANSI Standard 58, it is highly recommended that the blended water be tested at least every six (6) months to verify that the processor is performing satisfactorily.
CAUTION: Visually check the entire processor for leaks. If a leak is present, see Troubleshooting.
NOTE: Initially, the water may appear cloudy. This is a result of air trapped in the postfilter cartridge. It is not harmful and will disappear in a matter of minutes. It may take up to a week after installing a new postfilter cartridge for the trapped air to dissipate.
WHEN TO CHANGE THE CARTRIDGES
The life of the cartridges depends on the water volume used and the substances in the water. Normally, cartridges should be changed at intervals of 12 months. Replace the cartridges sooner if the water pressure at the application equipment begins to drop noticeably or if you notice changes in the flow of the blended water.
CHANGING THE CARTRIDGES
Replacement Cartridges:
Everpure 4FC5 Filter Cartridge – EV9693-21
Everpure 4CC Mineral Cartridge – EV9627-45
Pentair® GRO-75EN RO Membrane Cartridge – 4002575
The 4FC5 and 4CC Cartridges need to be changed when replacing the GRO-75EN RO Membrane Cartridge. All cartridges should be changed at the same time.
NOTE: Only the replacement cartridges listed can be used with this processor. Failure to use the recommended replacement cartridges will void your warranty.
- Place a small pan or towel under the Everpure Conserv LT-S Processor to catch any water that may drip. Turn OFF incoming water.
- Close the ball valve on the the Storage Tank and OPEN the application equipment valve to relieve pressure.
- Remove the two (2) cartridges by twisting each cartridge a 1/4-turn to the left (counterclockwise). Then pull down to release.
- Remove the GRO-75EN RO Membrane Cartridge by removing the tubing from all three (3) connections. Then pull the cartridge out of the clip.
- At the bottom of the cartridge, remove the quick-connect elbow from the red tubing to gain access to the flow controller and the attached capillary tube. Replace the flow controller (Figure 14) in the red tubing.
- Insert a new flow controller (Figure 14) with capillary tube into the tubing. Replace the quick-connect elbow.

- Insert the new GRO-75EN RO Membrane Cartridge into position in the clip. Rotate the cartridge so the quick connect ports line up with the tubing.
- Push the red and blue tubing into the quick-connect ports at the bottom. Push the top white tubing into the connector at the top of the cartridge.
NOTE: The bottom of the GRO-75EN RO Membrane Cartridge will be supported by the lower bracket. - Position the 4FC5 Cartridge under the left side head. Line up the tabs on the cartridge with the slots in the head.
- Push the new cartridge into the head until it can go no further.
- Twist the cartridge a 1/8-turn to the right (clockwise) until it locks in place. Pull gently down to ensure the cartridge is locked in place.
- Flush the 4FC5 Cartridge following the procedure in the Installation Instructions in Step 5.
- Repeat Steps 10, 11 and 12 for the 4CC Cartridge in the front center head.
CAUTION: The 4CC Cartridge may contain carbon fines that will be removed during the initial flushing. Follow the proper flushing procedure to prevent damage to the GRO-75EN RO Membrane Cartridge.
INITIAL FLUSHING OF CARTRIDGES
The installation of new cartridges requires that a preliminary flushing of the cartridges be performed. This initial flushing is required to prevent damage to the RO cartridge.
Refer to the Installation section for the complete flushing procedure.
EVERPURE CONSERV LT-S SANITIZING PROCEDURE – CONTAMINATED WATER SUPPLY/BOIL ALERTS
When the water system has been contaminated or a boil water advisory has been discontinued, the Conserv LT-S Processor must be sanitized. If a boil water advisory has just been discontinued: Flush the water lines according to your water supplier’s instructions. OPEN the delivery faucet and flush the processor for about 10 minutes, then follow the filter cartridge replacement instructions below
- Turn OFF the water supply and OPEN the application valve to relieve pressure.
- Remove the filter cartridges and discard in trash. Wash hands with soap and warm water.
NOTE: If a drip pan is used, clean with dish soap and warm water.
NOTE: The following steps require placing bleach into the Conserv LT-S Processor. Pentair® offers a hollow cartridge, Everpure® 2JT Flushing/Sanitizing Cartridge (EV9608-10), that is designed for this application. The following steps describe how to use the Pentair Everpure 2JT Cartridge (EV9608-10).
CAUTION: DO NOT install the Pentair® GRO-75EN RO Membrane Cartridge for the sanitization procedure. The solution will severely damage the membrane.
Sanitization Procedure with the Pentair Everpure 2JT Cartridge (EV9608-10) - Grasp the tip of the outlet tower center, at the top of the cartridge and pull out gently. The entire central plug with the long tube attached will come out, leaving a hole.

- Add about a teaspoon of laundry bleach (5.25% sodium hypochlorite solution) to the empty flushing cartridge through the hole in the top.
- Lubricate o-ring with a high quality silicone lubricant. Replace the central plug assembly and insert the flushing cartridge into the left side head for the Everpure 4FC5 Cartridge.
NOTE: Do not use petroleum jelly to lubricate the o-rings. It will degrade the o-rings.
- Install a plug into the port for the 4CC Filter Cartridge.
NOTE: A plug was included with the Conserv LT-S Processor. - The tubing for the removed GRO-75EN Cartridge must be connected together. Make a length of tubing with angle quick-connectors. Use the length of tubing with two right-angled quick-connectors to connect the white tubing at the top to the blue tubing at the bottom. The red tubing at the bottom is waste water and does not need to be sanitized.
- The tank valve should be open.
- The application valve should be open.
- The power switch should be on.
- Slowly OPEN the water supply valve. Monitor the water flowing out of the Conserv LT-S Processor at the application valve. When the smell of chlorine is present, CLOSE the application valve. The Storage Tank will fill with chlorinated water.
- Wait for a period of at least 30 minutes to allow adequate disinfection time.
- Turn OFF the water supply valve.
- OPEN the application valve. The Storage Tank will drain out.
- When the Storage Tank is emptied, CLOSE the application valve and the tank valve. Remove the 2JT Cartridge.
- Install a new 4FC5 Cartridge in the first (left side) head. Follow the instructions in the section “Installing the Cartridges” to flush the 4FC5 Cartridge.
- OPEN the application valve and slowly OPEN the water supply valve. Allow water to run for five (5) minutes. This will flush carbon fines out of the new cartridge.
- CLOSE the application valve and OPEN the Storage Tank valve, allowing the tank to fill three (3) to five (5) minutes.
- Turn OFF the water supply valve.
- OPEN the application valve to allow the tank to empty.
- When the water flow has stopped, CLOSE the application valve and OPEN the water supply valve to refill the tank for three (3) to five (5) minutes.
- Repeat Steps 18, 19 and 20 three (3) times.
- Turn OFF the water supply valve and OPEN the application valve to remove pressure.
- Remove the plug from the front center port. Install a new Everpure® 4CC Filter Cartridge.
- With the electrical power on, OPEN the water supply valve. Flush water out of the application valve for five (5) minutes.
- Remove power.
- CLOSE the water supply valve and OPEN the application valve to remove pressure.
- Remove the tubing that connects the Pentair® GRO-75EN RO Membrane Cartridge white (top) and blue (bottom) processor tubing.
- Install a new GRO-75EN RO Cartridge. Connect the three (3) tubes to the proper ports. The tubing and the ports are color coded.
- OPEN the water supply valve and the application valve.
- Apply power and allow the application valve to drip for 12 hours.
- CLOSE the application valve. The Storage Tank will fill. Check for leaks during this time.
The Conserv LT-S Processor is ready for operation.
TROUBLESHOOTING
NOTE: If leaks persist, or if there are other leaks in the processor, turn OFF water supply and call Technical Support 800.942.1153 (US only)/630.307.3000.
Leaks Between Cartridge and Filter Housing
- Turn OFF cold water supply to processor. CLOSE tank valve. OPEN the application valve to relieve water pressure.
- Remove the cartridge, inspecting it for damage. Inspect o-rings to make sure they are seated and clean.
- Insert and twist the cartridge back into the filter housing.
- Turn ON water supply. OPEN tank valve. CLOSE the application valve after water begins to flow. If leaks persist, call Technical Support.
Leak Between Tank Valve and Storage Tank
- Turn OFF water supply to processor. OPEN the application valve to drain storage tank. Run for three (3) to five (5) minutes until water drips.
- Remove tubing from tank valve by pressing the collar around the fitting while pulling the tubing with your other hand.
- Unscrew the tank valve from the storage tank.
- Inspect the rubber seal inside the threaded area. Repair or replace the valve as needed.
- Thread the tank valve onto the top of the tank opening by turning it clockwise until snug.
- Wet the tubing and insert it 3/4″ (1.9 cm) into the quickconnect fitting.
- Turn water supply ON and CLOSE the application valve.
- Allow processor to pressurize for several hours and check for leaks.
- Check for leaks after tank is fully pressurized [one (1) to three (3) hours]. If leak persists, call Technical Support .
Leaks at Quick-Connect Fittings
CAUTION: The 1/4″ red tubing connected to the bottom drain connection of the RO cartridge has a flow restrictor installed. The processor will not operate correctly if the restrictor is removed.
- CLOSE tank valve, turn OFF cold water supply to the processor, and OPEN the application valve.
- Press collar around the quick-connect fitting while pulling the tubing with your other hand.
- Tubing should be cut squarely. Internal and external burrs should be removed. Place a mark on tubing 5/8″ (1.6 cm) from end on 1/4″ tubing or 3/4″ (1.0 cm) from end on 3/8″ tubing.
- Wet the end and insert tubing until the mark is flush with the quick-connect fitting.
- OPEN the cold water supply until it comes to a stop. OPEN the tank valve and CLOSE the application valve. If leaks persist, call Technical Support.
No Flow or Slow Flow from the Brine (Reject) Line (Less than 6 fl. oz. or 180 mL per minute)
NOTE: Before checking brine (or reject) flow, make sure the unit is producing water by turning the valve on the storage tank OFF and OPENING the application valve. Water should drip from valve.
- Replace the prefilter cartridge according to the “Changing the Cartridge Instructions” and recheck the brine (or reject) flow rate.
- If the prefilter cartridge is not at fault, the brine (or reject) flow controller could be clogged. Call Technical Support.
High TDS in Product Water
- If high TDS (Total Dissolved Solids) is detected in the blended water, the RO cartridge may need to be replaced or the reject flow control tubing may be clogged. If this is a new installation, call Technical Support.
- Otherwise, draw 1 gal (3.8 L) of water from the unit. After 10 minutes, run water from the blended water port and test the water again.
- Determine when you last changed the RO cartridge and call Technical Support.
Limited Flow at the Application Equipment Valve
- Turn OFF water supply to processor.
- OPEN the application valve to turn on flow.
- Unscrew the blue cap on the side of the Storage Tank to expose air valve. Use a small air compressor or bicycle pump to slowly add air to the storage tank. This will force the water out of the storage tank through the valve. Continue to slowly add air until water stops coming out of the valve. I.. Turn OFF the application equipment valve.
- Using an air pressure gauge. adjust the pressure in the storage tank to 5-7 psi (0.34 bar, 0.034 MPa).
- Replace the blue cap.
- OPEN the incoming water valve until it comes to a stop. Let the processor run one [1) to three 131 hours to fill the tank. A full tank weighs approximately 32 lbs (14.5 kgs) pounds. If performance has not improved, call Technical Support.
Sudden Return of Taste and Odor
It shortly after complete servicing, not iceable taste and odors return, contact Technical Support.
NOTES
If you are experiencing a problem not listed in this manual. shut OFF the water supply and CLOSE the tank valve. Call Technical Support.
Check for compliance with state and local laws and regulations.
Do not use with water that is microbiologically unsafe or of unknown quality without adequate disinfection before or after the system.
For installations in Massachusetts, the Commonwealth of Massachusetts Plumbing Code 248 CMR shall be adhered to. Consult your licensed plumber for installation of the system. This system and its installation must comply with state and local regulations.
Systems certified for cyst reduction may be used on disinfected waters that may contain filterable cysts.
Substances that may be reduced are not necessarily in your water. Filter must be maintained according to manufacturer’s instructions. including replacement of filter cartridges.
The efficiency rating for this system is 56.31%. Efficiency rating means the percentage of the influent water to the system that is available to the user as reverse osmosis treated water under operating conditions that approximate typical daily usage.
The tested recovery rating is 63.02%. Recovery rating means the percentage of the influent water to the membrane portion of the system that is available to the user as reverse osmosis treated water when the system is operated without a storage tank or when the storage tank is bypassed.
Daily Production Rate: 70 gpd 1265 Lpd).
This reverse osmosis system contains a replaceable component critical to the efficiency of the system. Replacement of the reverse osmosis component should be with one of identical specifications, as defined by the manufacturer, to ensure the same efficiency and contaminant reduction performance.
REPLACEMENT PARTS
Contact your local Pentair® Everpure Dealer for filter cartridges or system replacement parts.
| Description | Part Number |
| GR0-75EN RO Membrane Cartridge | 4002575 |
| 4FC5 Filter Cartridge | EV9693-21 |
| 4CC Mineral Cartridge | EV9627-45 |
| Storage Tank | EV3146-98 |
| TDS Meter | EV3125-98 |
| Port Plug | EV3108-76 |
| Waste Water Restrictor | EV3128-31 |
| Conserv LT-S Cartridge Kit | EV9976-25 |

United States | 1040 Muirfield Drive | Hanover Park, IL 60133 | 800.942.1153 (US Only) 630.307.3000 Main | [email protected] | foodservice.pentair.com
Australia | 1-21 Monash Drive | Dandenong South, Vic 3175 | Australia | 011.1300 576 190 Tel | [email protected]
China | 21F Cloud 9 Plaza, N0 1118 | Shanghai, 200052 | China | 86.21.3211.4588 Tel | [email protected]
India | Boulevard, B-9/A, 7th Floor – Tower B Sector 62 | Noida – 201301 | 91.120.419.9444 Tel | [email protected]
Europe | Pentair Water Belgium BV | Industriepark Wolfstee, Toekomstlaan 30, B-2200 Herentals | Belgium | +32.(0).14.283.504 Tel | [email protected]
Japan | Japan Inc. | Hashimoto MN Bldg. 7F, | 3-25-1 Hashimoto, Midori-ku, Sagamihara-shi | Kanagawa 252-0143 | Japan | 81.(0)42.775.3011 Tel | [email protected]
Southeast Asia | 390 Havelock Road, | #04-01 King’s Centre | Singapore 169662 | 65.6768.5800 Tel | [email protected]
All indicated Pentair trademarks and logos are property of Pentair. Third party registered and unregistered trademarks and logos are the property of their respective owners.








































