NSYSFP20750EDA Electric Fabricant Rexel France
Instruction Manual
NSYSFP20750EDA Electric Fabricant Rexel France

PLEASE NOTE
Electrical equipment should be installed, operated, serviced and maintained only by qualified personnel. No responsibility is assumed by Schneider Electric for any consequences arising out of the use of this material.![]()
DANGER
HAZARD OF ELECTRIC SHOCK, EXPLOSION, OR ARC FLASH
- Disconnect all power before servicing equipment.
- Always use a properly rated voltage sensing device to confirm that all power is off.
Failure to follow these instructions will result in death or serious injury.
Description

A Power supply and voltage inputs Gasket
B Voltage presence indicator LEDs
C QR code to product information
D Push button
• Enable/Disable Bluetooth connection (short push)
• Reboot the Panel Server
E Panel Server status LED
F SMA connector for LoRa antenna
G Tamper-indicating label
H Wiring harness
I LoRa antenna
J Cable extender for Wireless Panel Server
Panel Server Status LED

| Mode | |
| 1 | Power supply not connected. |
| 2 | Power supply connected and connection to LoRa network is established. |
| 3 | Panel Server LoRa connection tentative. |
| 4 | Panel Server in Boot mode. Connection with EPC is not possible. |
| 5 | Panel Server not yet connected to Facility Expert App. Push the button and Launch Registration in Facilty Expert to switch to green. This is a natural behavior which occurs during normal operation, and does not affect the functioning of the product. |
| 6 | Major malfunction, Panel Server communication with EPC is not possible for diagnose. |
| 7 | Major malfunction. Connect Panel Server to EPC to diagnose the issue. Depending on issue, Panel Server may be replaced. |
| 8 | Bluetooth enabled, EPC connected to Panel Server. |
| 9 | Bluetooth enabled, ready for EPC to connect. |
![]()
DANGER
HAZARD OF ELECTRIC SHOCK, EXPLOSION, OR ARC FLASH
- Make sure that the gasket of the Wireless Panel Server is properly placed on the top horizontal cross member to provide IP protection.
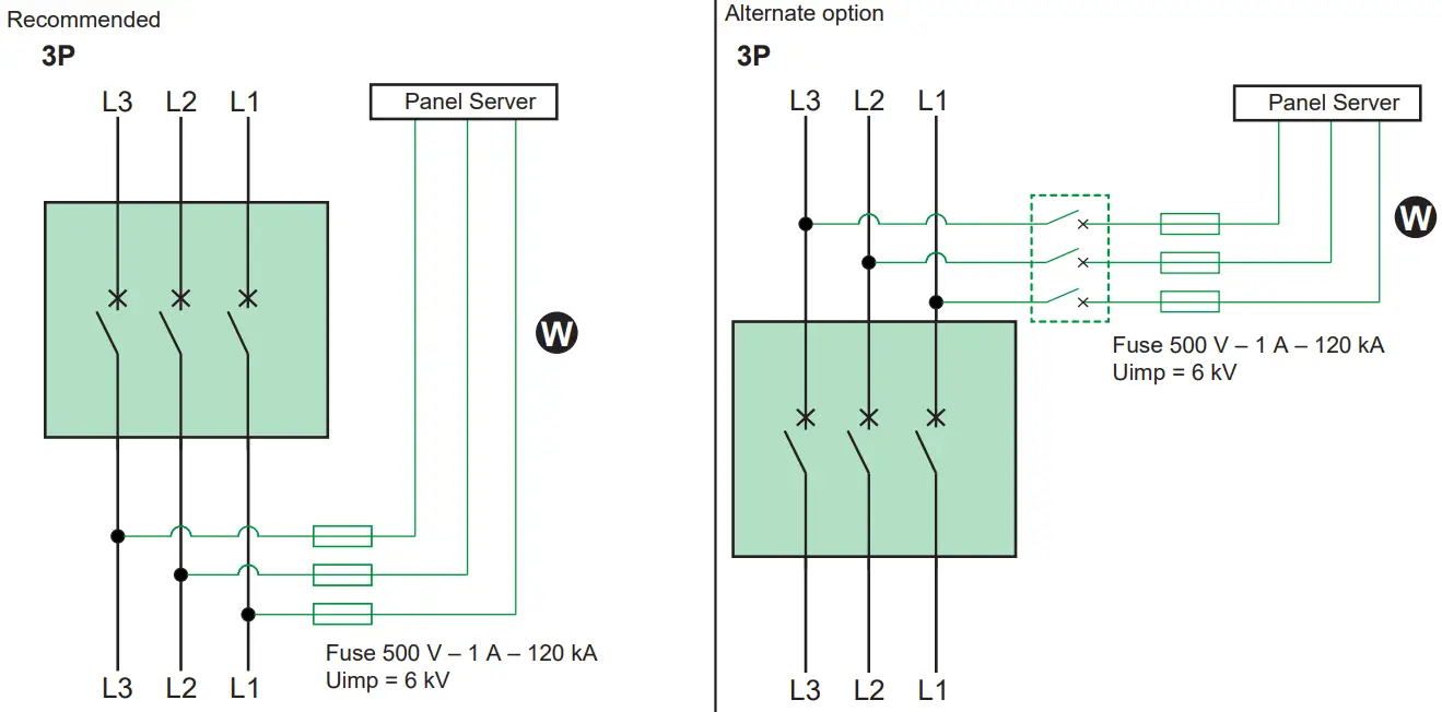
- Do not connect the terminal block to incoming cables or busbars without the delivered wiring harness w. Or if using own cables, make sure appropriate short-circuit protection is added.
- Wireless Panel Server indicates voltage but does not replace any rated voltage sensing devices used for indicating the power status in one or all phases. Make sure all the safety regulations are followed before any intervention on the panel. Make sure the power supplies are off by using a properly rated voltage sensing device.
- Make sure appropriate torque is applied during the Panel Server fixing to ensure IP.
Failure to follow these instructions will result in death or serious injury.
HAZARD OF ELECTRIC SHOCK, EXPLOSION, OR ARC FLASH
Verify that the cables connected from the Wireless Panel Server are wired to its respective terminal block while being connected onto the incoming cables. Make sure they are not in contact with earthing or ground due to inadvertence or during maintenance operation. Failure to follow these instructions will result in death or serious injury.
WARNING
UNEXPECTED EQUIPMENT OPERATION
During installation check that the wiring harness is not damaged. If damaged, replace it by SMT10016 spare wiring harness.
Failure to follow these instructions can result in death, serious injury, or equipment damage.






NOTICEPOTENTIAL COMPROMISE OF SYSTEM AVAILABILITY, INTEGRITY, AND CONFIDENTIALITY
- Verify the integrity and presence of the tamper-indicating label.
- Do not install the WPS if the tamper- indicating label is damaged. Failure to follow these instructions can result in non-operational system where the Wireless Panel Server is installed.

SMT10011
![]()
DANGER
HAZARD OF ELECTRIC SHOCK, EXPLOSION, OR ARC FLASH
The installer must make sure there is sufficient dielectric insulation of the cable (antenna and/or extension) regarding voltage in the installation and cable path.
Failure to follow these instructions will result in death or serious injury.
NOTICE
HAZARD OF EQUIPMENT DAMAGE
- For each bend in the antenna’s cable, the radius of curvature must be more than 50 mm.
- Do not wind the cables in a loop.
- Remove the antenna from the roof while transporting the equipment.
Failure to follow these instructions can result in equipment damage. 
NOTICE
HAZARD OF ELECTROMAGNETIC DISTURBANCES
The antenna cable and antenna cable extender (without additional shield) must not be laid alongside the power cable for a distance greater than 50 cm.
Failure to follow these instructions can result in Loss of LoRa communication. 

![]()
DANGER
HAZARD OF ELECTRIC SHOCK, EXPLOSION, OR ARC FLASH
Verify that the cables connected from the Wireless Panel Server are wired to its respective terminal block while being connected onto the incoming cables. Make sure they are not in contact with earthing or ground due to inadvertence or during maintenance operation.
Failure to follow these instructions will result in death or serious injury.
WARNING
UNEXPECTED EQUIPMENT OPERATION
During installation check that the wiring harness is not damaged. If damaged, replace it by SMT10016 spare wiring harness.
Failure to follow these instructions can result in death, serious injury, r equipment damage.
HAZARD OF EQUIPMENT DAMAGE
Disconnect the wiring harness from
Wireless Panel Server before the
dielectric test.
Failure to follow these instructions can result in equipment damage.
HAZARD OF EQUIPMENT DAMAGE
Verify that the phases and neutral are appropriately connected with correct correspondence between phases. Failure to follow these instructions can result in false interpretation of the voltage loss. 
NOTICE
HAZARD OF NON COMPLIANCE TO INSTALLATION INSTRUCTIONS
The LED will switch ON with no alert for 1 phase loss with such wiring due to a probability of residual voltage coming back on the phase from the loads.
However, if 2 or 3 phase loss occurs, the LEDs will switch OFF and trigger an alert of voltage Loss.
Failure to follow these instructions can result in false interpretation of the voltage loss. 
Schneider Electric Industries SAS
35, rue Joseph Monier
CS 30323
F – 92506 Rueil Malmaison Cedex
www.se.com
© 2021 Schneider Electric – All rights reserved.
Publication : Schneider Electric



















