B450 Gaming Plus Max Motherboard
User Guide
B450 Gaming Plus Max Motherboard
Quick Start
Thank you for purchasing the MSI® motherboard. This Quick Start section provides demonstration diagrams about how to install your computer. Some of the installations also provide video demonstrations. Please link to the URL to watch it with the web browser on your phone or tablet. You may have even link to the URL by scanning the QR code.
Installing a Processor
YouTube
http://v.youku.com/v_show/id_XMTg2MjMwOTE2NA==.html

Important
If you are installing the screw-type CPU heat sink, please follow the figure below to remove the retention module first and then install the heatsink.

Installing DDR4 memory
YouTube
http://v.youku.com/v_show/id_XNzUyMTI5ODI4.html

Connecting the Front Panel Header
You tube
http://v.youku.com/v_show/id_XNjcyMTczMzM2.html

![]() | |||
| 1 | HDD LED + | 2 | Power LED + |
| 3 | HDD LED – | 4 | Power LED – |
| 5 | Reset Switch | 6 | Power Switch |
| 7 | Reset Switch | 8 | Power Switch |
| 9 | Reserved | 10 | No Pin |
Installing the Motherboard

Connecting the Power Connectors
You tube
http://v.youku.com/v_show/id_XNDkzODU0MDQw.html

Installing SATA Drives
You tube
http://v.youku.com/v_show/id_XNDkzODU5MTky.html

Installing a Graphics Card
You tube
http://v.youku.com/v_show/id_XNDkyOTc3MzQ4.html

Connecting Peripheral Devices

Power On

Safety Information
- The components included in this package are prone to damage from electrostatic discharge (ESD). Please adhere to the following instructions to ensure successful computer assembly.
- Ensure that all components are securely connected. Loose connections may cause the computer to not recognize a component or fail to start.
- Hold the motherboard by the edges to avoid touching sensitive components.
- It is recommended to wear an electrostatic discharge (ESD) wrist strap when handling the motherboard to prevent electrostatic damage. If an ESD wrist strap is not available, discharge yourself of static electricity by touching another metal object before handling the motherboard.
- Store the motherboard in an electrostatic shielding container or on an anti-static pad whenever the motherboard is not installed.
- Before turning on the computer, ensure that there are no loose screws or metal components on the motherboard or anywhere within the computer case.
- Do not boot the computer before installation is completed. This could cause permanent damage to the components as well as injury to the user.
- If you need help during any installation step, please consult a certified computer technician.
- Always turn off the power supply and unplug the power cord from the power outlet before installing or removing any computer component.
- Keep this user guide for future reference.
- Keep this motherboard away from humidity.
- Make sure that your electrical outlet provides the same voltage as is indicated on the PSU, before connecting the PSU to the electrical outlet.
- Place the power cord such a way that people can not step on it. Do not place anything over the power cord.
- All cautions and warnings on the motherboard should be noted.
- If any of the following situations arises, get the motherboard checked by service personnel:
• Liquid has penetrated into the computer.
• The motherboard has been exposed to moisture.
• The motherboard does not work well or you can not get it work according to user guide.
• The motherboard has been dropped and damaged.
• The motherboard has obvious sign of breakage. - Do not leave this motherboard in an environment above 60°C (140°F), it may damage the motherboard.
Specifications
| CPU | Supports 1st, 2nd and 3rd Gen AMD Ryzen™, Ryzen™ with Radeon™ Vega Graphics, 2nd Gen AMD Ryzen™ with Radeon™ Graphics and Athlon™ with Radeon™ Vega Graphics Desktop Processors for Socket AM4 |
| Chipset | AMD® B450 Chipset |
| Memory | • 4x DDR4 memory slots, support up to 64GB* • Dual channel memory architecture • Supports non-ECC UDIMM memory • Supports ECC UDIMM memory (non-ECC mode) * Please refer www.msi.com for more information on compatible memory. |
| Expansion Slots | • 1x PCIe 3.0 x 16 slot (PCI_E1) • 1x PCIe 2.0 x 16 slot (PCI_E4, supports x4 mode)* • 4x PCIe 2.0 x1 slots* * PCI_E4 will run x1 speed when installing devices in PCI_E2/ PCI_E3/ PCI_E5 slot. |
| Onboard Graphics | • 1 x DVI-D port, support a maximum resolution of 1920 x 1200 @60Hz* • 1x HDMI™ 1.4 port, supports a maximum resolution of 4096×2160 @30Hz, 2560 x 1600 @60Hz* * Only support when using Ryzen™ with Radeon™ Vega Graphics, 2nd Gen AMD Ryzen™ with Radeon™ Graphics and Athlon™ with Radeon™ Vega Graphics processors * Maximum shared memory of 2048 MB |
| Multi-GPU | • Supports 2-Way AMD® Cross Fire™ Technology |
| LAN | • 1x Realtek® 8111H Gigabit LAN controller |
| Audio | • Realtek® ALC892/ALC897 Codec • 7.1-Channel High Definition Audio |
| Storage | AMD® CPU • 2x SATA 6Gb/s ports* • 1x M.2 slot (Key M)* Gen AMD Ryzen™ with Radeon™ Graphics) or PCIe 3.0 x2 (Athlon™ with Radeon™ Vega Graphics) and SATA 6Gb/s 2242/ 2260/ 2280/ 22110 storage devices AMD® B450 Chipset • 4x SATA 6Gb/s ports * SATA5 and SATA6 ports will be unavailable when installing a M.2 device in M.2 slot. |
| RAID | AMD® B450 Chipset • Supports RAID 0, RAID1 and RAID 10 for SATA storage devices |
| USB | • AMD® B450 Chipset USB 2.0 connectors) • AMD® CPU |
| Back Panel Connectors | • 1x Flash BIOS Button • 1x PS/2 keyboard/ mouse combo port • 2x USB 2.0 Type-A ports • 1x DVI-D port • 1x HDMI™ port • 2x USB 3.2 Gen1 Type-A ports • 1x LAN (RJ45) port • 2x USB 3.2 Gen2 Type-A ports • 6x audio jacks |
| Internal Connectors | • 1x 24-pin ATX main power connector • 1x 8-pin ATX 12V power connector • 6x SATA 6Gb/s connectors • 2x USB 2.0 connectors (support additional 4 USB 2.0 ports) • 1x USB 3.2 Gen1 connectors (support additional 2 USB 3.2 Gen1 ports) • 1x 4-pin CPU fan connector • 1x 4-pin water-pump-fan connector • 4x 4-pin system fan connectors • 1x TPM module connector • 1x Front panel audio connector • 2x System panel connectors • 1x Serial port connector • 1x Parallel port connector • 1x Chassis Intrusion connector • 1x Clear CMOS jumper • 2x 5050 RGB LED strip 12V connectors |
| I/O Controller | NUVOTON NCT6797 Controller Chip |
| Hardware Monitor | • CPU/System temperature detection • CPU/System fan speed detection • CPU/System fan speed control |
| Form Factor | • ATX Form Factor • 12 in. x 9.6 in. (30.5 cm x 24.4 cm) |
| BIOS Features | • 1x 256 Mb flash • UEFI AMI BIOS • ACPI 6.1, SM BIOS 2.8 • Multi-language |
| Software | • Drivers • APP MANAGER • SUPER CHARGER • COMMAND CENTER • LIVE UPDATE 6 • SMART TOOL • RAMDISK • X-BOOST • GAMING APP • MYSTIC LIGHT • Nahimic Audio • Open Broadcaster Software (OBS) yCPU-Z MSI GAMING • Norton™ Internet Security Solution • Google Chrome™, Google Toolbar, Google Drive |
| Special Features | • Audio • Storage • Fan • LED |
| Special Features | • Protection • Performance • VR • Gamer Experience • BIOS • Certification |
Package contents
Please check the contents of your motherboard package. It should contain:
- Motherboard
- Driver DVD
- Quick Installation Guide
- Case Stand-off Notification
- SATA 6G Cable x2
- Product Registration Card
- Case Badge
- I/O Shielding
- M.2 Screw x1
Important
If any of the above items are damaged or missing, please contact your retailer.
Rear I/O Panel

- Flash BIOS Port/ Button – Please refer to page 25 for Updating BIOS with Flash BIOS Button.
LAN Port LED Status Table

Audio Ports Configuration

Realtek Audio Console
After Realtek Audio Console is installed. You can use it to change sound settings to get better sound experience.

- Device Selection – allows you to select a audio output source to change the related options. The check sign indicates the devices as default.
- Application Enhancement – the array of options will provide you a complete guidance of anticipated sound effect for both output and input device.
- Main Volume – controls the volume or balance the right/left side of the speakers that you plugged in front or rear panel by adjust the bar.
- Jack Status – depicts all render and capture devices currently connected with your computer.
Auto popup dialog
When you plug into a device at an audio jack, a dialogue window will pop up asking you which device is current connected.

Each jack corresponds to its default setting as shown on the next page.
Important
The pictures above for reference only and may vary from the product you purchased.
Audio jacks to headphone and microphone diagram

Audio jacks to stereo speakers diagram

Audio jacks to 7.1-channel speakers diagram

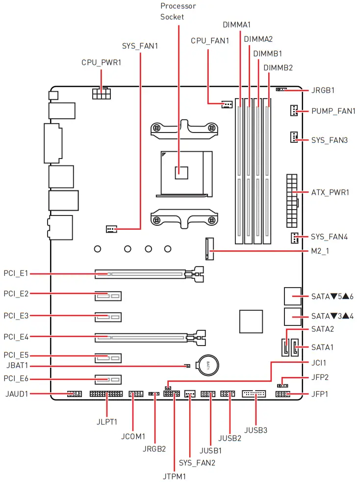
Overview of Components

Processor Socket

Introduction to the AM4 CPU
The surface of the AM4 CPU has a yellow triangle to assist in correctly lining up the CPU for motherboard placement. The yellow triangle is the Pin 1 indicator.
Important
- When changing the processor, the system configuration could be cleared and reset BIOS to default values, due to the AM4 processor’s architecture.
- Always unplug the power cord from the power outlet before installing or removing the CPU.
- When installing a CPU, always remember to install a CPU heatsink. A CPU heatsink is necessary to prevent overheating and maintain system stability.
- Confirm that the CPU heatsink has formed a tight seal with the CPU before booting your system.
- Overheating can seriously damage the CPU and motherboard. Always make sure the cooling fans work properly to protect the CPU from overheating. Be sure to apply an even layer of thermal paste (or thermal tape) between the CPU and the heatsink to enhance heat dissipation.
- If you purchased a separate CPU and heatsink/ cooler, Please refer to the documentation in the heatsink/ cooler package for more details about installation.
- This motherboard is designed to support overclocking. Before attempting to overclock, please make sure that all other system components can tolerate overclocking. Any attempt to operate beyond product specifications is not recommended. MSI® does not guarantee the damages or risks caused by inadequate operation beyond product specifications.
DIMM Slots

Memory module installation recommendation

Important
- Always insert memory modules in the DIMMA2 slot first.
- Due to chipset resource usage, the available capacity of memory will be a little less than the amount of installed.
- Based on processor specification, the Memory DIMM voltage below 1.35V is suggested to protect the processor.
- Some memory modules may operate at a lower frequency than the marked value when overclocking due to the memory frequency operates dependent on its Serial Presence Detect (SPD). Go to BIOS and find the DRAM Frequency! to set the memory frequency if you want to operate the memory at the marked or at a higher frequency.
- It is recommended to use a more efficient memory cooling system for full DIMMs installation or overclocking.
- The stability and compatibility of installed memory module depend on installed CPU and devices when overclocking.
- Due to AM4 processor/memory controller official specification limitation, the frequency of memory modules may operate lower than the marked value under the default state. Please refer www.msi.com for more information on compatible memory.
PCI_E1~6: PCIe Expansion Slots

* For 1st, 2nd and 3rd Gen AMD Ryzen™ processors
** For Ryzen™ with Radeon™ Vega Graphics and 2nd Gen AMD Ryzen™ with Radeon™ Graphics processors
*** For Athlon™ with Radeon™ Vega Graphics processor
Important
- If you install a large and heavy graphics card, you need to use a tool such as MSI Gaming Series Graphics Card Bolster to support its weight to prevent deformation of the slot.
- For a single PCIe x 16 expansion card installation with optimum performance, using the PCI_E1 slot is recommended.
- When adding or removing expansion cards, always turn off the power supply and unplug the power supply power cable from the power outlet. Read the expansion card’s documentation to check for any necessary additional hardware or software changes.
y PCI_E4 will run x1 speed when installing devices in PCI_E2/ PCI_E3/ PCI_E5 slot.
PCIe bandwidth of Multiple graphics cards
| Slot | Single | 2-Way | |||
| PCI_E2 (PCH) | @ 3.0 x16* or @ 3.0 x8** or @ 3.0 x4*** | @ 3.0 x16* or @ 3.0 x8** or @ 3.0 x4*** | |||
| PCI_E1 (CPU) | 2.0 x1 | 2.0 x1 | Empty | Empty | — |
| PCI_E3 (PCH) | 2.0 x1 | Empty | 2.0 x1 | Empty | — |
| PCI_E4 (PCH) | 2.0 x1 | 2.0 x1 | 2.0 x1 | 2.0 x1 | @2.0 x4 |
| PCI_E5 (PCH) | 2.0 x1 | Empty | Empty | 2.0 x1 | — |
| PCI_E6 (PCH) | 2.0 x1 | 2.0×1 | |||
| M2_1 (CPU) | 3.0 x4*/** or 3.0 x2*** | 3.0 x4*/** or 3.0 x2*** | |||
(─: unavailable, @: graphics card,
*: for 1st, 2nd and 3rd Gen AMD Ryzen™ processors,
**: for Ryzen™ with Radeon™ Vega Graphics and 2nd Gen AMD Ryzen™ with Radeon™ Graphics processors,
***: for Athlon™ with Radeon™ Vega Graphics processor)
M2_1: M.2 Slot (Key M)
Video Demonstration
Watch the video to learn how to Install M.2 module.
http://youtu.be/JCTFABytrYA

Installing M.2 SSD
- Loosen the M.2 riser screw from the motherboard.
- Move and fasten the M.2 riser screw to the appropriate location for your M.2 SSD.
- Insert your M.2 SSD into the M.2 slot at a 30-degree angle.
- Secure the M.2 SSD in place with the supplied M.2 screw.

Important
SATA5 and SATA6 ports will be unavailable when installing a M.2 device in M.2 slot.
SATA1~6: SATA 6Gb/s Connectors
These connectors are SATA 6Gb/s interface ports. Each connector can connect to one SATA device.

Important
- Please do not fold the SATA cable at a 90-degree angle. Data loss may result during transmission otherwise.
- SATA cables have identical plugs on either sides of the cable. However, it is recommended that the flat connector be connected to the motherboard for space saving purposes.
- SATA5 and SATA6 ports will be unavailable when installing a M.2 device in M.2 slot.
JFP1, JFP2: Front Panel Connectors
These connectors connect to the switches and LEDs on the front panel.

![]() | |||
| 1 | HDD LED + | 2 | Power LED + |
| 3 | HDD LED – | 4 | Power LED – |
| 5 | Reset Switch | 6 | Power Switch |
| 7 | Reset Switch | 8 | Power Switch |
| 9 | Reserved | 10 | No Pin |
![]() | 1 | Speaker – | 2 | Buzzer + |
| 3 | Buzzer – | 4 | Speaker + |
CPU_PWR1, ATX_PWR1: Power Connectors
These connectors allow you to connect an ATX power supply.

| 1 | Ground | 5 | +12V |
| 2 | Ground | 6 | +12V |
| 3 | Ground | 7 | +12V |
| 4 | Ground | 8 | +12V |
| 1 | +3.3V | 13 | +3.3V | |
| 2 | +3.3V | 14 | -12V | |
| 3 | Ground | 15 | Ground | |
| 4 | +5V | 16 | PS-ON# | |
| 5 | Ground | 17 | Ground | |
| 6 | +5V | 18 | Ground | |
| 7 | Ground | 19 | Ground | |
| 8 | PWR OK | 20 | Res | |
| 9 | 5VSB | 21 | +5V | |
| 10 | +12V | 22 | +5V | |
| 11 | +12V | 23 | +5V | |
| 12 | +3.3V | 24 | Ground |
Important
Make sure that all the power cables are securely connected to a proper ATX power supply to ensure stable operation of the motherboard.
JAUD1: Front Audio Connector
This connector allows you to connect audio jacks on the front panel.

| 1 | MIC L | 2 | Ground |
| 3 | MIC R | 4 | NC |
| 5 | Head Phone R | 6 | MIC Detection |
| 7 | SENSE_SEND | 8 | No Pin |
| 9 | Head Phone L | 10 | Head Phone Detection |
JUSB1~2: USB 2.0 Connectors
These connectors allow you to connect USB 2.0 ports on the front panel.

| 1 | VCC | 2 | VCC |
| 3 | USB0- | 4 | USB1- |
| 5 | USB0+ | 6 | USB1+ |
| 7 | Ground | 8 | Ground |
| 9 | No Pin | 10 | NC |
Important
- Note that the VCC and Ground pins must be connected correctly to avoid possible damage.
- In order to recharge your iPad,iPhone and iPod through USB ports, please install MSI® SUPER CHARGER utility.
JUSB3: USB 3.2 Gen1 Connector
This connector allows you to connect USB 3.2 Gen1 ports on the front panel.

| 1 | Power | 11 | USB2.0+ |
| 2 | USB3_RX_DN | 12 | USB2.0- |
| 3 | USB3_RX_DP | 13 | Ground |
| 4 | Ground | 14 | USB3_TX_C_DP |
| 5 | USB3_TX_C_DN | 15 | USB3_TX_C_DN |
| 6 | USB3_TX_C_DP | 16 | Ground |
| 7 | Ground | 17 | USB3_RX_DP |
| 8 | USB2.0- | 18 | USB3_RX_DN |
| 9 | USB2.0+ | 19 | Power |
| 10 | NC | 20 | No Pin |
Important
Note that the Power and Ground pins must be connected correctly to avoid possible damage.
CPU_FAN1, PUMP_FAN1, SYS_FAN1~4: Fan Connectors
Fan connectors can be classified as PWM (Pulse Width Modulation) Mode or DC Mode. PWM Mode fan connectors provide constant 12V output and adjust fan speed with speed control signal. DC Mode fan connectors control fan speed by changing voltage. When you plug a 3-pin (Non-PWM) fan to a fan connector in PWM mode, the fan speed will always maintain at 100%, which might create a lot of noise. You can follow the instruction below to adjust the fan connector to PWM or DC Mode. However, with auto detection mode fan connectors, the system will auto detect the fan mode.

Default PWM Mode fan connectors

Default DC Mode fan connectors
![]()
Pin definition of fan connectors
| PWM Mode pin definition | |||
| 1 | Ground | 2 | +12V |
| 3 | Sense | 4 | Speed Control Signal |
| DC Mode pin definition | |||
| 1 | Ground | 2 | Voltage Control |
| 3 | Sense | 4 | NC |
Important
- You can switch between PWM mode and DC mode and adjust fan speed in BIOS > HARDWARE MONITOR.
- Make sure fans are working properly after switching the PWM/ DC mode.
JCOM1: Serial Port Connector
This connector allows you to connect the optional serial port with bracket.

| 1 | DCD | 2 | SIN |
| 3 | SOUT | 4 | DTR |
| 5 | Ground | 6 | DSR |
| 7 | RTS | 8 | CTS |
| 9 | RI | 10 | No Pin |
JCI1: Chassis Intrusion Connector
This connector allows you to connect the chassis intrusion switch cable.

Using chassis intrusion detector
- Connect the JCI1 connector to the chassis intrusion switch/ sensor on the chassis.
- Close the chassis cover.
- Go to BIOS > SETTINGS > Security > Chassis Intrusion Configuration.
- Set Chassis Intrusion to Enabled.
- Press F10 to save and exit and then press the Enter key to select Yes.
- Once the chassis cover is opened again, a warning message will be displayed on screen when the computer is turned on.
Resetting the chassis intrusion warning
- Go to BIOS > SETTINGS > Security > Chassis Intrusion Configuration.
- Set Chassis Intrusion to Reset.
- Press F10 to save and exit and then press the Enter key to select Yes.
JTPM1: TPM Module Connector
This connector is for TPM (Trusted Platform Module). Please refer to the TPM security platform manual for more details and usages.

| 1 | LPC Clock | 2 | 3V Standby power |
| 3 | LPC Reset | 4 | 3.3V Power |
| 5 | LPC address & data pin0 | 6 | Serial IRQ |
| 7 | LPC address & data pin1 | 8 | 5V Power |
| 9 | LPC address & data pin2 | 10 | No Pin |
| 11 | LPC address & data pin3 | 12 | Ground |
| 13 | LPC Frame | 14 | Ground |
JLPT1: Parallel Port Connector
This connector allows you to connect the optional parallel port with bracket.

| 1 | RSTB# | RSTB# | AFD# | 3 | PRND0 |
| 4 | ERR# | ERR# | PRND1 | 6 | PINIT# |
| 7 | PRND2 | PRND2 | LPT_SLIN# | 9 | PRND3 |
| 10 | Ground | Ground | PRND4 | 12 | Ground |
| 13 | PRND5 | PRND5 | Ground | 15 | PRND6 |
| 16 | Ground | Ground | PRND7 | 18 | Ground |
| 19 | ACK# | ACK# | Ground | 21 | BUSY |
| 22 | Ground | Ground | PE | 24 | Ground |
| 25 | SLCT | SLCT | No Pin | ||
JBAT1: Clear CMOS (Reset BIOS) Jumper
There is CMOS memory onboard that is external powered from a battery located on the motherboard to save system configuration data. If you want to clear the system configuration, set the jumper to clear the CMOS memory.
![]()
Resetting BIOS to default values
- Power off the computer and unplug the power cord.
- Use a jumper cap to short JBAT1 for about 5-10 seconds.
- Remove the jumper cap from JBAT1.
- Plug the power cord and Power on the computer.
JRGB1~2: RGB LED connectors
The JRGB1/2 connectors allow you to connect the 5050 RGB LED strips 12V.

Important
- The JRGB1/ JRGB2 connector supports up to 2 meters continuous 5050 RGB LED strips (12V/G/R/B) with the maximum power rating of 3A (12V).
- Always turn off the power supply and unplug the power cord from the power outlet before installing or removing the RGB LED strip.
- Please use MSI’s software to control the extended LED strip.
EZ Debug LEDs
These LEDs indicate the status of key components during booting process. When an error is occurred, the corresponding LED stays lit until the problem is solved.

CPU – indicates CPU is not detected or fail.
DRAM – indicates DRAM is not detected or fail.
VGA – indicates GPU is not detected or fail.
BOOT – indicates the booting device is not detected or fail.
BIOS Setup
The default settings offer the optimal performance for system stability in normal conditions. You should always keep the default settings to avoid possible system damage or failure booting unless you are familiar with BIOS.
Important
- BIOS items are continuously update for better system performance. Therefore, the description may be slightly different from the latest BIOS and should be for reference only. You could also refer to the HELP information panel for BIOS item description.
- The pictures in this chapter are for reference only and may vary from the product you purchased.
- The BIOS items will vary with the processor.
Entering BIOS Setup
Press Delete key, when the Press DEL key to enter Setup Menu, F11 to enter Boot Menu message appears on the screen during the boot process.
Function key
F1: General Help list
F2: Add/ Remove a favorite item
F3: Enter Favorites menu
F4: Enter CPU Specifications menu
F5: Enter Memory-Z menu
F6: Load optimized defaults
F7: Switch between Advanced mode and EZ mode
F8: Load Overclocking Profile
F9: Save Overclocking Profile
F10: Save Change and Reset*
F12: Take a screenshot and save it to USB flash drive (FAT/ FAT32 format only).
Ctrl+F: Enter Search page
* When you press F10, a confirmation window appears and it provides the modification information. Select between Yes or No to confirm your choice.
Resetting BIOS
You might need to restore the default BIOS setting to solve certain problems. There are several ways to reset BIOS:
- Go to BIOS and press F6 to load optimized defaults.
- Short the Clear CMOS jumper on the motherboard.
Important
Be sure the computer is off before clearing CMOS data. Please refer to the Clear CMOS jumper section for resetting BIOS.
Updating BIOS
Updating BIOS with M-FLASH
Before updating:
Please download the latest BIOS file that matches your motherboard model from MSI website. And then save the BIOS file into the USB flash drive.
Updating BIOS:
- Press Del key to enter the BIOS Setup during POST.
- Insert the USB flash drive that contains the update file into the computer.
- Select the M-FLASH tab and click on Yes to reboot the system and enter the flash mode.
- Select a BIOS file to perform the BIOS update process.
- After the flashing process is 100% completed, the system will reboot automatically.
Updating the BIOS with Live Update 6
Before updating:
Make sure the LAN driver is already installed and the internet connection is set properly.
Updating BIOS:
- Install and launch MSI LIVE UPDATE 6.
- Select BIOS Update.
- Click on Scan button.
- Click on Download icon to download and install the latest BIOS file.
- Click Next and choose In Windows mode. And then click Next and Start to start updating BIOS.
- After the flashing process is 100% completed, the system will restart automatically.
Updating BIOS with Flash BIOS Button
Before updating:
Please download the latest BIOS file that matches your motherboard model from MSI® website and rename the BIOS file to MSI.ROM. And then, save the MSI.ROM file to the root of USB flash drive.
Important
Only the FAT32 format USB flash drive supports updating BIOS by Flash BIOS Button.
- Connect power supply to CPU_PWR1 and ATX_PWR1. (No other components are necessary but power supply.)
- Plug the USB flash drive that contains the MSI.ROM file into the Flash BIOS Port on rear I/O panel.
- Press the Flash BIOS Button to flash BIOS, and the LED next to the button starts flashing.
- After the flashing BIOS process is 100% completed, the LED would be off simultaneously.
EZ Mode
At EZ mode, it provides the basic system information and allows you to configure the basic setting. To configure the advanced BIOS settings, please enter the Advanced Mode by pressing the Setup Mode switch or F7 function key.

- GAME BOOST switch – click on it to toggle the GAME BOOST for OC.
Important
Please don’t make any changes in OC menu and don’t load defaults to keep the optimal performance and system stability after activating the GAME BOOST function.
- A-XMP switch (optional) – click on the inner circle to enable/disable the A-XMP. Switch the outer circle to select the memory profile if any. This switch will only be available if the installed processor and memory modules support XMP function.
- Setup Mode switch – press this tab or the F7 key to switch between Advanced mode and EZ mode.
- Screenshot – click on this tab or the F12 key to take a screenshot and save it to USB flash drive (FAT/ FAT32 format only).
- Search – click on this tab or the Ctrl+F keys and the search page will show. It allows you to search by BIOS item name, enter the item name to find the item listing. Move the mouse over a blank space and right click the mouse to exit search page.
Important
In search page, only the F6, F10 and F12 function keys are available.
- Language – allows you to select the language of BIOS setup.
- System information – shows the CPU/ DDR speed, CPU/ MB temperature, MB/ CPU type, memory size, CPU/ DDR voltage, BIOS version and build date.
- Boot device priority bar – you can move the device icons to change the boot priority. The boot priority from high to low is left to right.
- Information display – click on the CPU, Memory, Storage, Fan Info and Help buttons on left side to display related information.
- Function buttons – enable or disable the LAN Option ROM, HD audio controller, AHCI/RAID, CPU Fan Fail Warning Control, Windows 10 WHQL support and BIOS Log Review by clicking on their respective button.
- M-Flash – click on this button to display the M-Flash menu that provides the way to update BIOS with a USB flash drive.
- Hardware Monitor – click on this button to display the Hardware Monitor menu that allows you to manually control the fan speed by percentage.
- Favourites menu – press the F3 key to enter Favorited menu. It allows you to create personal BIOS menu where you can save and access favorite/ frequently-used BIOS setting items.
Default Home Page – allows you to select a BIOS menu (e.g. SETTINGS, OC…,etc) as the BIOS home page.
Favourite 1~5 – allows you to add the frequently-used/ favorite BIOS setting items in one page.
To add a BIOS item to a favorite page (Favorite 1~5)
- Move the mouse over a BIOS item not only on BIOS menu but also on search page.
- Right-click or press F2 key.
- Choose a favorite page and click on OK.
To delete a BIOS item from favorite page
- Move the mouse over a BIOS item on favorite page (Favourite 1~5)
- Right-click or press F2 key.
- Choose Delete and click on OK.
Advanced Mode
Press Setup Mode switch or F7 function key can switch between EZ Mode and Advanced Mode in BIOS setup.

- GAME BOOST switch/ Setup Mode switch/ Screenshot/ Language/ System information/ Boot device priority bar – please refer to the descriptions of EZ Mode Overview section.
- BIOS menu selection – the following options are available:
SETTINGS – allows you to specify the parameters for chipset and boot devices.
OC – allows you to adjust the frequency and voltage. Increasing the frequency may get better performance.
M-FLASH – provides the way to update BIOS with a USB flash drive.
OC PROFILE – allows you to manage overclocking profiles.
HARDWARE MONITOR – allows you to set the speeds of fans and monitor voltages of system.
BOARD EXPLORER – provides the information of installed devices on this motherboard. - Menu display – provides BIOS setting items and information to be configured.
OC Menu
This menu is for advanced users who want to overclock the motherboard.

Important
- Overclocking your PC manually is only recommended for advanced users.
- Overclocking is not guaranteed, and if done improperly, it could void your warranty or severely damage your hardware.
- If you are unfamiliar with overclocking, we advise you to use GAME BOOST function for easy overclocking.
- The BIOS items in OC menu will vary with the processor.
OC Explore Mode [Normal]
Enables or disables to show the normal or expert version of OC settings.
[Normal] Provides the regular OC settings in BIOS setup.
[Expert] Provides the advanced OC settings for OC expert to configure in BIOS setup.
Note: We use * as the symbol for the OC settings of Expert mode.
CPU Ratio [Auto]
Sets the CPU ratio that is used to determine CPU clock speed. This item can only be changed if the processor supports this function.
Core Performance Boost [Auto]
Enables or disables the Core Performance Boost (CPB). This item appears when the installed CPU supports this function.
Downcore Control [Auto] (optional)
Sets the number of processor cores to be used. This item appears when the installed CPU supports this function.
A-XMP [Disabled]
Please enable A-XMP or select a profile of memory module for overclocking the memory. This item will be available when the installed processor, memory modules and motherboard support this function.
DRAM Frequency [Auto]
Sets the DRAM frequency. Please note the overclocking behavior is not guaranteed.
Adjusted DRAM Frequency
Shows the adjusted DRAM frequency. Read-only.
Memory Try It ! [Disabled]
It can improve memory compatibility or performance by choosing optimized memory preset.
Memory Retry Count [5]
Sets the count of memory retry. When memory retry fails reach the count, the memory will go back to the last available setting.
Advanced DRAM Configuration
Press Enter to enter the sub-menu. User can set the memory timing for each/ all memory channel. The system may become unstable or uncountable after changing memory timing. If it occurs, please clear the CMOS data and restore the default settings. (Refer to the Clear CMOS jumper section to clear the CMOS data, and enter the BIOS to load the default settings.)
DigitALL Power
Press Enter to enter the sub-menu. Controls the digital powers related to CPU PWM.
- CPU Loadline Calibration Control [Auto]
The CPU voltage will decrease proportionally according to CPU loading. Higher load-line calibration could get higher voltage and good overclocking performance, but increase the temperature of the CPU and VRM. If set to Auto, BIOS will configure this setting automatically. - CPU NB Loadline Calibration Control [Auto]
The CPU-NB voltage will decrease proportionally according to CPU-NB loading. Higher load-line calibration could get higher voltage and good overclocking performance, but increase the temperature. If set to Auto, BIOS will configure this setting automatically. - CPU Over Voltage Protection [Auto]
Sets the voltage limit for CPU over-voltage protection. If set to Auto, BIOS will configure this setting automatically. Higher voltage provides less protection and may damage the system. - CPU Under Voltage Protection [Auto]
Sets the voltage limit for CPU under-voltage protection. If set to Auto, BIOS will configure this setting automatically. Higher voltage provides less protection and may damage the system. - CPU Over Current Protection [Auto]
Sets the current limit for CPU over-current protection. If set to Auto, BIOS will configure this setting automatically.
[Auto] This setting will be configured automatically by BIOS.
[Enhanced] Extends the current range for over-current protection. - VR 12VIN OCP Expander [Auto]
Expands the limitation of VR Over Current Protection with 12V input voltage. The higher expanding value indicates less protection. Therefore, please adjust the current carefully if needed, or it may damage the CPU/ VR MOS. If set to “Auto”, BIOS will configure this setting automatically.
CPU Voltages control [Auto]
These options allows you to set the voltages related to CPU. If set to Auto, BIOS will set these voltages automatically or you can set it manually.
DRAM Voltages control [Auto]
These options allows you to set the voltages related to memory. If set to Auto, BIOS will set these voltages automatically or you can set it manually.
Memory Changed Detect [Enabled]*
Enables or disables the system to issue a warning message during boot when the memory has been replaced.
[Enabled] The system will issue a warning message during boot and then you have to load the default settings for new devices.
[Disabled] Disables this function and keeps the current BIOS settings.
CPU Specifications
Press Enter to enter the sub-menu. This sub-menu displays the information of installed CPU. You can also access this information menu at any time by pressing [F4]. Read only.
- CPU Technology Support
Press Enter to enter the sub-menu. The sub-menu shows the key features of installed CPU. Read only.
MEMORY-Z
Press Enter to enter the sub-menu. This sub-menu displays all the settings and timings of installed memory. You can also access this information menu at any time by pressing [F5].
- DIMMx Memory SPD
Press Enter to enter the sub-menu. The sub-menu displays the information of installed memory. Read only.
CPU Features
Press Enter to enter the sub-menu.
- Global C-state Control [Enabled] (optional)
Enables/ disables IO based C-state generation and DF C-states. - Simultaneous Multi-Threading [Enabled] (optional)
Enables/ disables the AMD Simultaneous Multi-Threading. This item appears when the installed CPU supports this technology. - Opcache Control [Auto] (optional)
Enables/ disables Opcache. Opcache stores recent decode instruction to save the decoding time when the instruction is repeated. And it may increase the CPU performance and reduce the power consumption slightly. - IOMMU Mode (optional)
Enables/disables the 10MMU (I/O Memory Management Unit) for I/O Virtualisation. - Spread Spectrum (optional)
This function reduces the EMI (Electromagnetic Interference) generated by modulating clock generator pulses.
[Enabled] Enables the spread spectrum function to reduce the EMI (Electromagnetic Interference) problem.
[Disabled] Enhances the overclocking ability of CPU Base clock.
Important
- If you do not have any EMI problem, leave the setting at [Disabled] for optimal system stability and performance. But if you are plagued by EMI, select the value of Spread Spectrum for EMI reduction.
- The greater the Spread Spectrum value is, the greater the EMI is reduced, and the system will become less stable. For the most suitable Spread Spectrum value, please consult your local EMI regulation.
- Remember to disable Spread Spectrum if you are overclocking because even a slight jitters can introduce a temporary boost in clock speed which may just cause your overclocked processor to lock up.
Relaxed EDC throttling [Auto] (optional)
Relaxed EDC throttling reduces the amount of time the processor will throttle the cores.
[Auto] AMD’s recommendation
[Enabled] Reduce the amount of time the processor will throttle.
[Disabled] Part-specific EDC throttling protection enabled.
AMD Cool’n’Quiet [Enabled]
The Cool’n’Quiet technology can effectively and dynamically lower CPU speed and power consumption.
SVM Mode [Enabled]
Enables/ disables the AMD SVM (Secure Virtual Machine) Mode.
BIOS PSP Support [Enabled] (optional)
Enables/ disables the BIOS PSP support. It manages PSP sub-items including all C2P/P2C mailbox, Secure S3, fTPM support.
Power Supply Idle Control [Auto] (optional)
It allows you to select the power-saving control mode for the CPU when all cores are in a non-CO state. If set to Auto, BIOS will configure these settings.
CPU VDD_SoC Current Optimization [Auto] (optional)
Sets the currents of CPU VDD and SoC. If set to Auto, BIOS will configure this setting automatically.
[Auto] This setting will be configured automatically by BIOS.
[Custom Setting] Allows you to set the currents manually.
Software Description
Please download and update the latest utilities and drivers at www.msi.com
Installing Windows® 10
- Power on the computer.
- Insert the Windows® 10 disc into your optical drive.
- Press the Restart button on the computer case.
- Press F11 key during the computer POST (Power-On Self Test) to get into Boot Menu.
- Select your optical drive from the Boot Menu.
- Press any key when screen shows Press any key to boot from CD or DVD… message.
- Follow the instructions on the screen to install Windows® 10.
Installing Drivers
- Start up your computer in Windows® 10.
- Insert MSI® Driver Disc into your optical drive.
- The installer will automatically appear and it will find and list all necessary drivers.
- Click Install button.
- The software installation will then be in progress, after it has finished it will prompt you to restart.
- Click OK button to finish.
- Restart your computer.
Installing Utilities
Before you install utilities, you must complete drivers installation.
- Insert MSI® Driver Disc into your optical drive.
- The installer will automatically appear.
- Click Utilities tab.
- Select the utilities you want to install.
- Click Install button.
- The utilities installation will then be in progress, after it has finished it will prompt you to restart.
- Click OK button to finish.
- Restart your computer.
Regulatory Notices
FCC-B Radio Frequency Interference Statement
This equipment has been tested and found to comply with the limits for a Class B digital device, pursuant to part 15 of the FCC rules. These limits are designed to provide reasonable protection against harmful interference in a residential installation. This equipment generates, uses and radiates radio frequency energy, and, if not installed and used in accordance with the instructions, may cause harmful interference to radio communications. However, there is no guarantee that interference will not occur in a particular installation. If this equipment does cause harmful interference to radio or television reception, which can be determined by turning the equipment off and on, the user is encouraged to try to correct the interference by one or more of the following measures:
- Reorient or relocate the receiving antenna.
- Increase the separation between the equipment and receiver.
- Connect the equipment into an outlet on a circuit different from that to which the receiver is connected.
NOTE
- The changes or modifications not expressly approved by the party responsible for compliance could void the user’s authority to operate the equipment.
- Shield interface cables and AC power cord, if any, must be used in order to comply with the emission limits.
FCC Conditions
This device complies with part 15 of the FCC Rules. Operation is subject to the following two conditions:
- This device may not cause harmful interference.
- This device must accept any interference received, including interference that may cause undesired operation.
MSI Computer Corp.
901 Canada Court, City of Industry, CA 91748, USA
(626)913-0828
www.msi.com
CE Conformity
Products bearing the CE marking comply with one or more of the following EU Directives as may be applicable:
- RED 2014/53/EU
- Low Voltage Directive 2014/35/EU
- EMC Directive 2014/30/EU
- RoHS Directive 2011/65/EU
- ErP Directive 2009/125/EC
Compliance with these directives is assessed using applicable European Harmonized Standards.
The point of contact for regulatory matters is MSI, MSI-NL Eindhoven 5706 5692 ER Son.
Compliance Statement of Innovation, Science and Economic Development Canada (ISED)
CAN ICES-003(B)/NMB-003(B)
Battery Information
European Union:
Batteries, battery packs, and accumulators should not be disposed of as unsorted household waste. Please use the public collection system to return, recycle, or treat them in compliance with the local regulations.
Taiwan:
For better environmental protection, waste batteries should be collected separately for recycling or special disposal.
California, USA:
The button cell battery may contain percolate material and requires special handling when recycled or disposed of in California.
For further information please visit: http://www.dtsc.ca.gov/hazardouswaste/perchlorate/
CAUTION: There is a risk of explosion, if battery is incorrectly replaced. Replace only with the same or equivalent type recommended by the manufacturer.
Chemical Substances Information
In compliance with chemical substances regulations, such as the EU REACH Regulation (Regulation EC No. 1907/2006 of the European Parliament and the Council), MSI provides the information of chemical substances in products at: https://csr.msi.com/global/index
Environmental Policy
- The product has been designed to enable proper reuse of parts and recycling and should not be thrown away at its end of life.
Users should contact the local authorized point of collection for recycling and disposing of their end-of-life products.- Visit the MSI website and locate a nearby distributor for further recycling information.
- Users may also reach us at [email protected] for information regarding proper Disposal, Take-back, Recycling, and Disassembly of MSI products.
WEEE (Waste Electrical and Electronic Equipment)Statement
To protect the global environment and as an environmentalist, MSI must remind you that…
Under the European Union (“EU”) Directive on Waste Electrical and Electronic Equipment, Directive 2002/96/EC, which takes effect on August 13, 2005, products of “electrical and electronic equipment” cannot be discarded as municipal wastes anymore, and manufacturers of covered electronic equipment will be obligated to take back such products at the end of their useful life. MSI will comply with the product take back requirements at the end of life of MSIbranded products that are sold into the EU. You can return these products to local collection points.
India RoHS
This product complies with the “India E-waste (Management and Handling) Rule 2011” and prohibits use of lead, mercury, hexavalent chromium, predominated phenytoin or predominated diphenyl ethers in concentrations exceeding 0.1 weight % and 0.01 weight % for cadmium, except for the exemptions set in Schedule 2 of the Rule.
Copyright and Trademarks Notice
Copyright © Micro-Star Int’l Co., Ltd. All rights reserved. The MSI logo used is a registered trademark of Micro-Star Int’l Co., Ltd. All other marks and names mentioned may be trademarks of their respective owners. No warranty as to accuracy or completeness is expressed or implied. MSI reserves the right to make changes to this document without prior notice.
Technical Support
If a problem arises with your system and no solution can be obtained from the user guide, please contact your place of purchase or local distributor. Alternatively, please try the following help resources for further guidance.
- Visit the MSI website for technical guide, BIOS updates, driver updates, and other information: http://www.msi.com
- Register your product at: http://register.msi.com
Revision History
- Version 3.0, 2019/05, First release.
- Version 3.1, 2020/10, Updated release.
- Version 3.2, 2022/03, Updated list.


























