makita 3709 Trimmer

WARNING:
For your personal safety, READ and UNDERSTAND before using. SAVE THESE INSTRUCTIONS FOR FU1 TURE REFERENCE.
SPECIFICATIONS
| Model | 3709 |
| Collet chuck capacity | 6 mm or 1/4″ |
| No load speed (min-1) | 30,000 |
| Overall length | 199 mm |
| Net weight | 1.5 kg |
| Safety class | /II |
- Due to our continuing programme of research and development, the specifications herein are subject to change without notice.
- Specifications may differ from country to country.
- Weight according to EPTA-Procedure 01/2003
Symbols
The following show the symbols used for the equipment. Be sure that you understand their meaning before use.
- Read instruction manual.
- DOUBLE INSULATION
- Only for EU countries
Do not dispose of electric equipment together with household waste material! In observance of European Directive 2002/96/EC on waste electric and electronic equipment and its implementation in accordance with national law, electric equipment that have reached the end of their life must be collected separately and returned to an environmentally recycling facility.
Intended use
The tool is intended for flush trimming and profiling of wood, plastic and similar materials.
Power supply
The tool should be connected only to a power supply of the same voltage as indicated on the nameplate, and can only be operated on single-phase AC supply. They are double-insulated in accordance with European Standard and can, therefore, also be used from sockets without earth wire.
General Power Tool Safety
Warnings
WARNING Read all safety warnings and all instructions. Failure to follow the warnings and instructions may result in electric shock, fire and/or serious injury.
Save all warnings and instructions for future reference.
The term “power tool” in the warnings refers to your mains-operated (corded) power tool or battery-operated (cordless) power tool.
Work area safety
- Keep work area clean and well lit. Cluttered or dark areas invite accidents.
- Do not operate power tools in explosive atmospheres, such as in the presence of flammable liquids, gases or dust. Power tools create sparks which may ignite the dust or fumes.
- Keep children and bystanders away while operating a power tool. Distractions can cause you to lose control.
Electrical safety - Power tool plugs must match the outlet. Never modify the plug in any way. Do not use any adapter plugs with earthed (grounded) power tools. Unmodified plugs and matching outlets will reduce risk of electric shock.
- Avoid body contact with earthed or grounded surfaces such as pipes, radiators, ranges and refrigerators. There is an increased risk of electric shock if your body is earthed or grounded.
- Do not expose power tools to rain or wet conditions. Water entering a power tool will increase the risk of electric shock.
- Do not abuse the cord. Never use the cord for carrying, pulling or unplugging the power tool. Keep cord away from heat, oil, sharp edges or moving parts. Damaged or entangled cords increase the risk of electric shock.
- When operating a power tool outdoors, use an extension cord suitable for outdoor use. Use of a cord suitable for outdoor use reduces the risk of electric shock.
- If operating a power tool in a damp location is unavoidable, use a ground fault circuit interrupter (GFCI) protected supply. Use of an GFCI reduces the risk of electric shock.
Personal safety - Stay alert, watch what you are doing and use common sense when operating a power tool. Do not use a power tool while you are tired or under the influence of drugs, alcohol or medication. A moment of inattention while operating power tools may result in serious personal injury.
- Use personal protective equipment. Always wear eye protection. Protective equipment such as dust mask, non-skid safety shoes, hard hat, or hearing protection used for appropriate conditions will reduce personal injuries.
- Prevent unintentional starting. Ensure the switch is in the off-position before connecting to power source and/or battery pack, picking up or carrying the tool. Carrying power tools with your finger on the switch or energising power tools that have the switch on invites accidents.
- Remove any adjusting key or wrench before turning the power tool on. A wrench or a key left attached to a rotating part of the power tool may result in personal injury.
- Do not overreach. Keep proper footing and balance at all times. This enables better control of the power tool in unexpected situations.
- Dress properly. Do not wear loose clothing or jewellery. Keep your hair, clothing, and gloves away from moving parts. Loose clothes, jewellery or long hair can be caught in moving parts.
- If devices are provided for the connection of dust extraction and collection facilities, ensure these are connected and properly used. Use of dust collection can reduce dust-related hazards.
Power tool use and care - Do not force the power tool. Use the correct power tool for your application. The correct power tool will do the job better and safer at the rate for which it was designed.
- Do not use the power tool if the switch does not turn it on and off. Any power tool that cannot be controlled with the switch is dangerous and must be repaired.
- Disconnect the plug from the power source and/or the battery pack from the power tool before making any adjustments, changing accessories, or storing power tools. Such preventive safety measures reduce the risk of starting the power tool accidentally.
- Store idle power tools out of the reach of children and do not allow persons unfamiliar with the power tool or these instructions to operate the power tool. Power tools are dangerous in the hands of untrained users.
- Maintain power tools. Check for misalignment or binding of moving parts, breakage of parts and any other condition that may affect the power tool’s operation. If damaged, have the power tool repaired before use. Many accidents are caused by poorly maintained power tools.
- Keep cutting tools sharp and clean. Properly maintained cutting tools with sharp cutting edges are less likely to bind and are easier to control.
- Use the power tool, accessories and tool bits etc. in accordance with these instructions, taking into account the working conditions and the work to be performed. Use of the power tool for operations different from those intended could result in a hazardous situation.
Service - Have your power tool serviced by a qualified repair person using only identical replacement parts. This will ensure that the safety of the power tool is maintained.
- Follow instruction for lubricating and changing accessories.
- Keep handles dry, clean and free from oil and grease.
TRIMMER SAFETY WARNINGS
- Hold power tools by insulated gripping surfaces when performing an operation where the cutting tool may contact hidden wiring or its own cord. Contact with a “live” wire will make exposed metal parts of the tool “live” and shock the operator.
- Use clamps or another practical way to secure and support the workpiece to a stable platform. Holding the work by hand or against your body leaves it unstable and may lead to loss of control.
- Wear hearing protection during extended period of operation.
- Handle the bits very carefully.
- Check the bit carefully for cracks or damage before operation. Replace cracked or damaged bit immediately.
- Avoid cutting nails. Inspect for and remove all nails from the workpiece before operation.
- Hold the tool firmly.
- Keep hands away from rotating parts.
- Make sure the bit is not contacting the workpiece before the switch is turned on.
- Before using the tool on an actual workpiece, let it run for a while. Watch for vibration or wobbling that could indicate improperly installed bit.
- Be careful of the bit rotating direction and the feed direction.
- Do not leave the tool running. Operate the tool only when hand-held.
- Always switch off and wait for the bit to come to a complete stop before removing the tool from workpiece.
- Do not touch the bit immediately after operation; it may be extremely hot and could burn your skin.
- Do not smear the tool base carelessly with thinner, gasoline, oil or the like. They may cause cracks in the tool base.
- Draw attention to the need to use cutters of the correct shank diameter and which are suitable for the speed of the tool.
- Some material contains chemicals which may be toxic. Take caution to prevent dust inhalation and skin contact. Follow material supplier safety data.
- Always use the correct dust mask/respirator for the material and application you are working with.
SAVE THESE INSTRUCTIONS.
WARNING: DO NOT let comfort or familiarity with product (gained from repeated use) replace strict adherence to safety rules for the subject product. MISUSE or failure to follow the safety rules stated in this instruction manual may cause serious personal injury.
FUNCTIONAL DESCRIPTION
CAUTION: Always be sure that the tool is switched off and unplugged before adjusting or checking function on the tool.
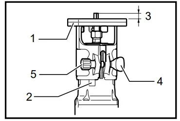
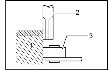
Adjusting bit protrusion 
- Base
- Scale
- Bit protrusion
- Clamping nut
- Adjusting screw
To adjust the bit protrusion, loosen the clamping nut and move the tool base up or down as desired by turning the adjusting screw. After adjusting, tighten the clamping nut firmly to secure the tool base.
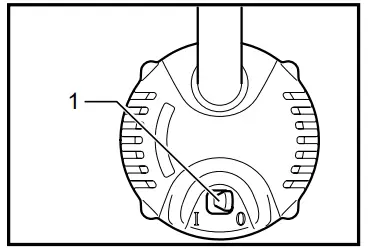
Switch action
To start the tool, move the switch lever to the I (ON) position. To stop the tool, move the switch lever to the O (OFF) position.
ASSEMBLY
CAUTION: Always be sure that the tool is switched off and unplugged before carrying out any work on the tool.
Installing or removing trimmer bit
- Loosen
- Tighten
- Hold
CAUTION: Use only the wrenches provided with the tool. Insert the bit all the way into the collet cone and tighten the collet nut securely with the two wrenches.
To remove the bit, follow the installation procedure in reverse.
OPERATION
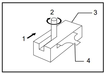
Set the tool base on the workpiece to be cut without the bit making any contact. Then turn the tool on and wait until the bit attains full speed. Move the tool forward over the workpiece surface, keeping the tool base flush and advancing smoothly until the cutting is complete. When doing edge cutting, the workpiece surface should be on the left side of the bit in the feed direction.
- Workpiece
- Bit revolving direction
- View from the top of the tool
- Feed direction
NOTE: Moving the tool forward too fast may cause a poor quality of cut, or damage to the bit or motor. Moving the tool forward too slowly may burn and mar the cut. The proper feed rate will depend on the bit size, the kind of workpiece and depth of cut. Before beginning the cut on the actual workpiece, it is advisable to make a sample cut on a piece of scrap lumber. This will show exactly how the cut will look as well as enable you to check dimensions. 
- Feed direction
- Bit revolving direction
- Workpiece
- Straight guide
NOTE: When using the trimmer shoe, the straight guide or the trimmer guide, be sure to keep it on the right side in the feed direction. This will help to keep it flush with the side of the workpiece.
CAUTION: Since excessive cutting may cause overload of the motor or difficulty in controlling the tool, the depth of cut should not be more than 3 mm at a pass when cutting grooves. When you wish to cut grooves more than 3 mm deep, make several passes with progressively deeper bit settings.
Templet guide
The templet guide provides a sleeve through which the bit passes, allowing use of the trimmer with templet patterns.
Remove the chip deflector.
- Base protector
- Screws
- Screwdriver
Loosen the screws and remove the base protector. Place the templet guide on the base and replace the base protector. Then secure the base protector by tightening the screws.
Secure the templet to the workpiece. Place the tool on the templet and move the tool with the templet guide sliding along the side of the templet. 
- Bit
- Base
- Templet
- Workpiece
- Templet guide
NOTE: The workpiece will be cut a slightly different size from the templet. Allow for the distance (X) between the router bit and the outside of the templet guide. The distance (X) can be calculated by using the following equation:
Distance (X) = (outside diameter of the templet guide – router bit diameter) / 2
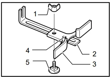
Straight guide (Accessory)
The straight guide is effectively used for straight cuts when chamfering or grooving. Attach the guide plate to the straight guide with the bolt and the wing nut.
- Bolt
- Guide plate
- Straight guide
- Wing nut

- Clamp screw (A)
- Straight guide
- Wing nut
- Base
Attach the straight guide with the clamp screw (A). Loosen the wing nut on the straight guide and adjust the distance between the bit and the straight guide. At the desired distance, tighten the wing nut securely. When cutting, move the tool with the straight guide flush with the side of the workpiece.
If the distance (A) between the side of the workpiece and the cutting position is too wide for the straight guide, or if the side of the workpiece is not straight, the straight guide cannot be used. In this case, firmly clamp a straight board to the workpiece and use it as a guide against the trimmer base. Feed the tool in the direction of the arrow.
Circular work 
- Wing nut
- Guide plate
- Straight guide
- Center hole
- Bolt
Circular work may be accomplished if you assemble the straight guide and guide plate as shown in the figures. Min. and max. radius of circles to be cut (distance between the center of circle and the center of bit) are as follows:
Min.: 70 mm
Max.: 221 mm
For cutting circles between 70 mm and 121 mm in radius. For cutting circles between 121 mm and 221 mm in radius. 
- Wing nut
- Guide plate
- Straight guide
- Center hole
- Bolt
NOTE: Circles between 172 mm and 186 mm in radius cannot be cut using this guide.
Align the center hole in the straight guide with the center of the circle to be cut. Drive a nail less than 6 mm in diameter into the center hole to secure the straight guide. Pivot the tool around the nail in clockwise direction. 
- Nail
- Center hole
- Straight guide
Trimming, curved cuts in veneers for furniture and the like can be done easily with the trimmer guide. The guide roller rides the curve and assures a fine cut. Install the trimmer guide on the tool base with the clamp screw (A). Loosen the clamp screw (B) and adjust the distance between the bit and the trimmer guide by turning the adjusting screw (1 mm per turn). At the desired distance, tighten the clamp screw (B) to secure the trimmer guide in place. 
- Clamp screw (A)
- Adjusting screw
- Clamp screw (B)
- Trimmer guide
When cutting, move the tool with the guide roller riding the side of the workpiece. 
- Workpiece
- Bit
- Guide roller
MAINTENANCE
CAUTION: Always be sure that the tool is switched off and unplugged before attempting to perform inspection or maintenance.
Replacing carbon brushes 
- Limit mark
Remove and check the carbon brushes regularly. Replace when they wear down to the limit mark. Keep the carbon brushes clean and free to slip in the holders. Both carbon brushes should be replaced at the same time. Use only identical carbon brushes.
Use a screwdriver to remove the brush holder caps. Take out the worn carbon brushes, insert the new ones and secure the brush holder caps.
- Brush holder cap
- Screwdriver
To maintain product SAFETY and RELIABILITY, repairs, any other maintenance or adjustment should be performed by Makita Authorized Service Centers, always using Makita replacement parts.
ACCESSORIES
CAUTION: These accessories or attachments are recommended for use with your Makita tool specified in this manual. The use of any other accessories or attachments might present a risk of injury to persons. Only use accessory or attachment for its stated purpose. If you need any assistance for more details regarding these accessories, ask your local Makita Service Center.
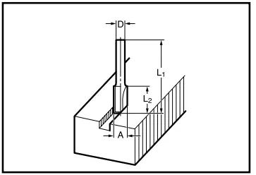
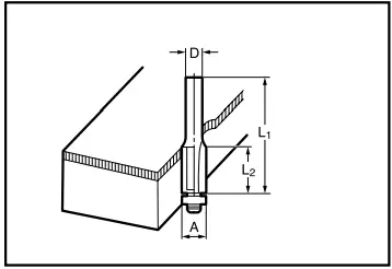
Router bits
Straight bit 
| D | A | L 1 | L 2 | |
| 20 | 6 | 20 | 50 | 15 |
| 20E | 1/4″ | |||
| 8 | 6 | 8 | 50 | 18 |
| 8E | 1/4″ | |||
| 6 | 6 | 6 | 50 | 18 |
| 6E | 1/4″ |
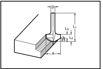
“U”Grooving bit
| D | A | L 1 | L 2 | R | |
| 6 | 6 | 6 | 60 | 28 | 3 |
| 6E | 1/4″ |
“V”Grooving bit 
| D | A | L 1 | L 2 | |
| 1/4″ | 20 | 50 | 15 | 90 |
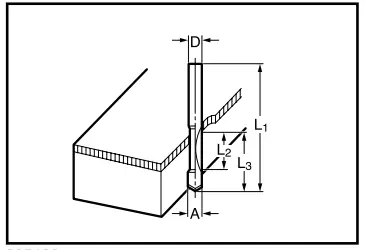
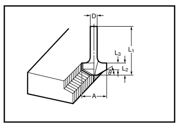
Drill point flush trimming bit 
| D | A | L 1 | L 2 | L 3 | |
| 6 | 6 | 6 | 60 | 18 | 28 |
| 6E | 1/4″ |
Drill point double flush trimming bit 
| D | A | L 1 | L 2 | L 3 | L 4 | |
| 6 | 6 | 6 | 70 | 40 | 12 | 14 |
| 6E | 1/4″ |
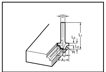
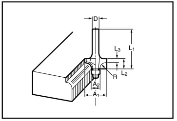
Corner rounding bit 
| D | A 1 | A 2 | L 1 | L 2 | L 3 | H | |
| 8R | 6 | 25 | 9 | 48 | 13 | 5 | 8 |
| 8RE | 1/4″ | ||||||
| 4R | 6 | 20 | 8 | 45 | 10 | 4 | 4 |
| 4RE | 1/4″ |
Chamfering bit 
| D | A | L 1 | L 2 | L 3 | |
| 6 | 23 | 46 | 11 | 6 | 30 |
| 6 | 20 | 50 | 13 | 5 | 45 |
| 6 | 20 | 49 | 14 | 2 | 60 |
Cove beading bit 
| D | A | L 1 | L 2 | R |
| 6 | 20 | 43 | 8 | 4 |
| 6 | 25 | 48 | 13 | 8 |
Ball bearing flush trimming bit 
| D | A | L 1 | L 2 |
| 6 | 10 | 50 | 20 |
| 1/4″ |
Ball bearing corner rounding bit 
| D | A 1 | A 2 | L 1 | L 2 | L 3 | R |
| 6 | 15 | 8 | 37 | 7 | 3.5 | 3 |
| 6 | 21 | 8 | 40 | 10 | 3.5 | 6 |
| 1/4″ | 21 | 8 | 40 | 10 | 3.5 | 6 |
Ball bearing chamfering bit 
| D | A 1 | A 2 | L 1 | L 2 | |
| 6 | 26 | 8 | 42 | 12 | 45 |
| 1/4″ | |||||
| 6 | 20 | 8 | 41 | 11 | 60 |
Ball bearing beading bit
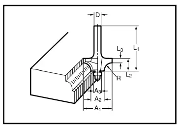
| D | A 1 | A 2 | A 3 | L 1 | L 2 | L 3 | R |
| 6 | 20 | 12 | 8 | 40 | 10 | 5.5 | 4 |
| 6 | 26 | 12 | 8 | 42 | 12 | 4.5 | 7 |
Ball bearing cove beading bit
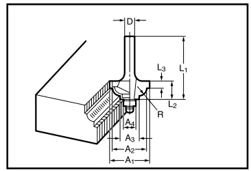
| D | A 1 | A 2 | A 3 | A 4 | L 1 | L 2 | L 3 | R |
| 6 | 20 | 18 | 12 | 8 | 40 | 10 | 5.5 | 3 |
| 6 | 26 | 22 | 12 | 8 | 42 | 12 | 5 | 5 |
Ball bearing cove beading bit 
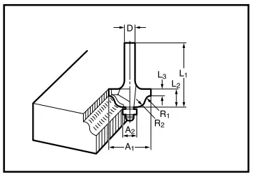
| D | A 1 | A 2 | L 1 | L 2 | L 3 | R1 | R2 |
| 6 | 20 | 8 | 40 | 10 | 4.5 | 2.5 | 4.5 |
| 6 | 26 | 8 | 42 | 12 | 4.5 | 3 | 6 |























