
LED SIGN LINEAR T8 • DIRECT WIRE
INSTALL INSTRUCTIONS
Instruction Manual
PLEASE FIND A QUALIFIED ELECTRICIAN FOR INSTALLATION. Please read the instructions before you install and use the linear tube(s).
READ AND FOLLOW ALL SAFETY INSTRUCTIONS
DANGER – RISK OF SHOCK – DISCONNECT POWER BEFORE INSTALLATION.
WARNING – Risk of fire or electric shock. LED Retrofit kit installation requires knowledge of luminaire electrical systems. If not qualified, do not attempt installation and contact a qualified electrician.
WARNING – Risk of fire or electric shock. The product must be installed in accordance with the national electrical code or your local electrical code. If you are not familiar with these codes and requirements, contact a qualified electrician.
WARNING – Risk of fire or electric shock. Install this kit only in the luminaires that have the construction features and dimensions shown in the photographs and/or drawings and where the input rating of the retrofit kit does not exceed the input rating of the luminaire.
WARNING – To prevent wiring damage or abrasion, do not expose wiring to the edges of sheet metal or other sharp objects. Do not make or alter any open holes in an enclosure of wiring or electrical components during kit installation.
WARNING – To avoid potential fire or shock hazards, do not use this retrofit kit in luminaires employing shunted bi-pin lamp holders. Note: Shunted lamp holders are found only in fluorescent luminaires with Instant-Start ballasts. Instant-start ballasts can be identified by the words “Instant Start” or “I.S.”
marked on the ballast. This designation may be in the form of a statement pertaining to the ballast itself, or may be combined with the marking for the lamps with which the ballast is intended to be used, for example, F40T12/IS. For more information, contact the LED luminaire retrofit kit manufacturer.
Installers should not disconnect existing wires from lamp holder terminals to make new connections at lamp holder terminals. Instead, installers should cut existing lamp holder leads away from the lamp holder and make new electrical connections to lampholder lead wires by employing applicable connectors.
WARNING – Risk of fire or electric shock. Luminaire wiring and electrical parts may be damaged when installing retrofit kit hardware. Check for enclosed wiring and components.
WARNING – Risk of fire or electric shock. Check the existing wiring for damage before installing the upgrade kit. Do not install if existing wires are damaged.
The retrofit kit is accepted as a component of a luminaire where the suitability of the combination shall be determined by authorities having jurisdiction.
The product must be installed by a qualified electrician in accordance with the applicable and appropriate electrical codes. The installation guide does not supersede local or national regulations for electrical installation.
“This luminaire has been modified and can no longer operate the originally intended lamp,’’ shall be marked on the retrofit luminaire where readily visible by the user during normal maintenance including re-lamping.
Do not use dimmers.
Suitable for damp locations.
Suitable for enclosed luminaires.
This device is not intended for use with emergency exit fixtures.
WARNING – Disconnect power or circuit breaker before installing or servicing.
SINGLE-ENDED WIRING INSTRUCTIONS
- Make sure the circuit breaker that supplies the power to the fixture is turned off.
- Remove the lens or diffuser cover (if applicable) and existing fluorescent lamps.
- Open/Remove ballast wiring compartment cover.
- Identify the line and neutral wires running from the breaker box to the ballast and confirm the power is off using a voltmeter.
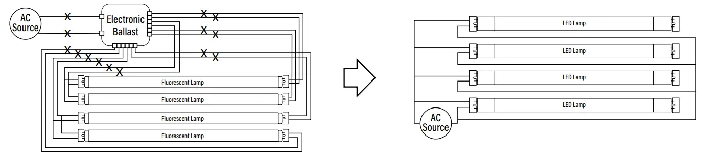
- Cut all wires connected to the ballast, and remove the ballast (and starter if present). Dispose of removed ballast and fluorescent lamps in accordance with government regulations in your area.
- Ensure that the fixture contains R17d lamp holders.
- Make sure all sockets are replaced and wired according to the appropriate wiring diagram. (Figure 1, 2, 3, 4 – on Page 2).
- Reinstall the ballast cover to hide all wires.
- Install your new LED single-ended T8 replacement lamps. These LED T8 lamps are designed for single-ended wiring only. When installing, confirm only the input end of the lamp is powered, and securely connected to the powered R17d lamp holders.
- Apply Re-lamping Label on a visible location inside the fixture.
- Reinstall the lens or diffusion cover on the light fixture.
- Turn the power on at the breaker box.
- Turn on the lights.
Non-shunted Sockets
WARNING – Disconnect power or circuit breaker before installing or servicing.
RETROFIT WITH ONE LAMP

RETROFIT WITH TWO LAMPS

RETROFIT WITH THREE/FOUR LAMPS

RETROFIT WITH THREE/FOUR LAMPS & TWO BALLASTS

PREMIUM QUALITY LIGHTING®
• www.PQLighting.com
© P.Q.L., Inc. • 2285 Ward Avenue • Simi Valley, CA 93065 • 800-323-8107
Specifications are subject to change without notice. Photos and line drawings may not be to scale and are for general reference only.



















