
LED LINEAR T8 PLUG & GO™ – 918XX
INSTALL INSTRUCTIONS
DO NOT INSTALL THIS LAMP IN A PRE-HEAT LUMINAIRE.
THIS LAMP ONLY OPERATES ON ELECTRONIC BALLASTS. IF THE LAMP DOES NOT LIGHT WHEN THE LUMINAIRE IS ENERGIZED, REMOVE THE LAMP FROM THE LUMINAIRE AND CONTACT THE LAMP MANUFACTURER OR QUALIFIED ELECTRICIAN.
CAUTION RISK OF FIRE – IF THE LAMP OR LUMINAIRE EXHIBITS UNDESIRABLE OPERATION (BUZZING, FLICKERING, ETC.), IMMEDIATELY TURN OFF POWER, REMOVE THE LAMP FROM THE LUMINAIRE AND CONTACT THE MANUFACTURER.
SAFETY INFORMATION
- Check the lamp before installation, if there is any damage caused during transportation, do not install.
- Maintenance should be carried out by qualified personnel only.
- Do not stare at the light source with bare eyes for a long time, or beam into another person’s eyes.
- Do not place any objects on the lamp.
- Keep the lamp away from flame or high-temperature objects.
- Risk of electrical shock. Only replace it with the same type of LED tube.
- If the glass lamp tube is broken, the lamp must be disposed of immediately.
MAINTENANCE NOTES
- Disconnect the lamp from the power supply before any maintenance.
- Clean luminaire with a dry cloth.
- Do not clean the lamp with corrosive chemicals.
- FOR EMERGENCY LIGHTING ONLY WITH BALLAST – Listed (FTBR/7), PHILIPS EMERGENCY LIGHTING (E49328), Model B50 (Alternate RS), Rated 120/277V – 50/60Hz, Damp Location Fluorescent Emergency Ballast.
- Ensure the temperature of the Tc point is under 131°F after the lamp has been working properly for 2 hours, otherwise, the performance of the lamp might not comply with
SAFETY PRECAUTIONS
WARNING: Risk of Shock. Disconnect power before installation.
LED T8 lamp for use only with products described and installed in accordance with product specifications. LED T8 lamp to be operated with fluorescent electronic ballast, emergency ballasts, and dimming ballast.
WARNING: RISK OF FIRE, USE ONLY IN PLACE OF FLUORESCENT LAMPS SPECIFIED ON LABEL. RISK OF ELECTRIC SHOCK. SUITABLE FOR DAMP LOCATIONS. Check ballast compatibility list before installation, only use lamps with qualified T8 fluorescent ballast.
This product may cause interference to radio equipment and should not be installed near maritime safety communications equipment or other critical navigation or communication equipment operating between 0.45-30 MHz.

WARNING DISCONNECT POWER BEFORE INSTALLING OR SERVICING.
- Make sure the power is OFF.
- Remove lens or diffuser (if applicable).
- Remove existing fluorescent lamps from the luminaire.
- Bring LED lamp to luminaire and insert lamp pins into luminaire lamp holders.
- Rotate the LED lamp until the lamp locks in place. Ensure that the LED lamp front points away from the back of the luminaire.
Note: Install one LED T8 replacement lamp for each fluorescent lamp removed. - Place lens or diffuser back in place (if applicable).
- Power On.

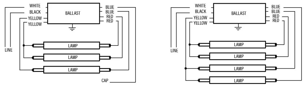
INSTANT START BALLAST WIRING DIAGRAMS • CORRECT
- TWO LAMP BALLAST WIRING • CORRECT

- THREE LAMP BALLAST WIRING • CORRECT

- FOUR LAMP BALLAST WIRING • CORRECT

INSTANT START BALLAST WIRING DIAGRAMS • INCORRECT
- TWO LAMP BALLAST WIRING • INCORRECT

- THREE LAMP BALLAST WIRING • INCORRECT

- FOUR LAMP BALLAST WIRING • INCORRECT

PREMIUM QUALITY LIGHTING’ • www.PQLighting.com
©P.Q.L.,Inc.
2285 Ward Avenue
Simi Valley, CA 93065
800-323-8107
Specifications are subject to change without notice. Photos and line drawings may not be to scale and are for general reference only.

























