LED LINEAR T8 • DUAL POWER
INSTALL INSTRUCTIONS
PLEASE FIND A QUALIFIED ELECTRICIAN FOR INSTALLATION. Please read the instructions before you install and use the linear tube(s).
GENERAL: ALL ELECTRICAL CONNECTIONS MUST BE IN ACCORDANCE WITH LOCAL AND NATIONAL ELECTRICAL CODE (N.E.C.) STANDARDS. IF YOU ARE UNFAMILIAR WITH PROPER ELECTRICAL WIRING CONNECTIONS OBTAIN THE SERVICES OF A QUALIFIED ELECTRICIAN. REMOVE THE TRIM FROM THE BOX AND MAKE SURE THAT NO PARTS ARE MISSING.
WARNING – Risk of fire or electric shock. LED linear tube installation requires knowledge of luminaires electrical systems. If not qualified, do not attempt installation. Contact a qualified electrician.
WARNING – Risk of fire or electric shock. Install these tubes only in luminaires that have the construction features and dimensions shown in the photographs and/or drawings and where the input rating of the retrofit kit does not exceed the input rating of the luminaire.
WARNING – To prevent wiring damage or abrasion, do not expose wiring to edges of sheet metal or other sharp objects.
WARNING – Do not make or alter any open holes in an enclosure of wiring or electrical components during kit installation.
Installers should not disconnect existing wires from lamp holder terminals to make new connections at lamp holder terminals. Instead installers should cut existing lamp holder leads away from the lamp holder and make new electrical connections to lamp holder lead wires by employing applicable connectors.
This retrofit assembly is accepted as a component of a luminaire where the suitability of the combination shall be determined by UL or authorities having jurisdiction.
This device complies with Part 15 of the FCC Rules. Operation is subject to the following two conditions: (1) this device may not cause harmful interference, and (2) this device must accept any interference received, including interference that may cause undesired operation.
The units covered by this report were intended to retrofit surface mount, Type IC or non-IC recessed mount listed fluorescent luminaires that use maximum 4 tubular lamps, the minimum lamp compartment dimensions are below:
| MINIMUM COMPARTMENT OF LUMINAIRE | LAMP QUANTITY |
| 48.4” L x 13.4” W x 3.0” H | 4 |
Suitable for damp locations.
Suitable for use with 5W Emergency Battery Backup – #90405 (Sold Separately).
Not for use with dimmers.
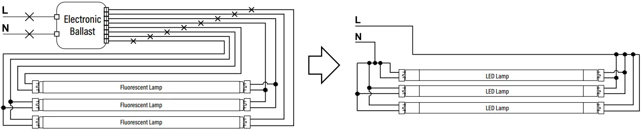
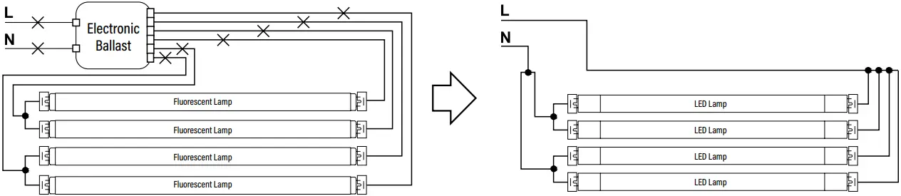
DOUBLE ENDED WIRING INSTRUCTIONS
WARNING – Disconnect power or circuit breaker before installing or servicing.
The below ballast wiring represents typical configuration. The actual ballast wiring varies according to the ballast model. It is not a requirement to change the sockets (if in good condition) to operate double ended tubes, regardless of the socket type. Please make sure one side of the fixture is connected to Live (L) and the other side to Neutral (N).
RETROFIT LUMINAIRE WITH ONE LAMP
INSTANT START

PROGRAM START OR RAPID START

RETROFIT LUMINAIRE WITH TWO LAMPS
INSTANT START

PROGRAM START OR RAPID START

RETROFIT LUMINAIRE WITH THREE LAMPS
INSTANT START

PROGRAM START OR RAPID START

RETROFIT LUMINAIRE WITH FOUR LAMPS
INSTANT START

PROGRAM START OR RAPID START

PREMIUM QUALITY LIGHTING® • www.PQLighting.com
© P.Q.L., Inc. • 2285 Ward Avenue • Simi Valley, CA 93065 • 800-323-8107
Specifications subject to change without notice. Photos and line drawings may not be to scale and are for general reference only.
LED LINEAR T8 • DUAL POWER

















