PQL 90408 9040X LED Super Hybrid T8

PLEASE FIND A QUALIFIED ELECTRICIAN FOR INSTALLATION. Please read the instructions before you install and use the linear tube(s).
GENERAL:
ALL ELECTRICAL CONNECTIONS MUST BE IN ACCORDANCE WITH LOCAL AND NATIONAL ELECTRICAL CODE (N.E.C.) STANDARDS. IF YOU ARE UNFAMILIAR WITH PROPER ELECTRICAL WIRING CONNECTIONS OBTAIN THE SERVICES OF A QUALIFIED ELECTRICIAN. REMOVE THE TRIM FROM THE BOX AND MAKE SURE THAT NO PARTS ARE MISSING.
WARNING
- Risk of fire or electric shock. LED linear tube installation requires knowledge of luminaire electrical systems. If not qualified, do not attempt installation. Contact a qualified electrician.
- Risk of fire or electric shock. Install these tubes only in luminaires that have the construction features and dimensions shown in the photographs and/or drawings and where the input rating of the retrofit kit does not exceed the input rating of the luminaire.
- To prevent wiring damage or abrasion, do not expose wiring to the edges of sheet metal or other sharp objects.
- Do not make or alter any open holes in an enclosure of wiring or electrical components during kit installation.
Installers should not disconnect existing wires from lamp holder terminals to make new connections at lamp holder terminals. Instead, installers should cut existing lamp holder leads away from the lamp holder and make new electrical connections to lamp holder lead wires by employing applicable connectors. THIS RETROFIT KIT IS ACCEPTED AS A COMPONENT OF A LUMINAIRE WHERE THE SUITABILITY OF THE COMBINATION SHALL BE DETERMINED BY AUTHORITIES HAVING JURISDICTION.
RETROFIT KIT INCLUDES; TUBE, OPERATION INSTRUCTIONS,S AND LABELS FOR SINGLE-ENDED OR DOUBLE-ENDED APPLICATIONS.
SAFETY INFORMATION
- Check the lamp before installation, if there is any damage caused during transportation, do not install.
- Maintenance should be carried out by technical personnel only.
- Do not stare and the light source with bare eyes or long periods of time, do not shine into others eyes.
- Do not place objects on the lamp.
- Keep lamp away from flames or high-temperature objects.
- Risk of electrical shock – Only replace with same type of LED tube.
- If the glass lamp tube is broken, the lamp must be disposed of immediately.
- Suitable for damp locations.
- Not for use with dimmers.
MAINTENANCE NOTES
- Disconnect the lamp from the power supply before and after maintenance.
- Clean luminaire with dry cloth.
- Do not clean the lamp with corrosive chemicals.
OPERATIONAL MODES
- Mode I: Direct replacement, Plug & Go™, compatible with most instant start electronic ballasts, see ballast compatibility list.
- Mode II: Direct wire, bypass, directly connects to the main: 120-277V • 50/60Hz, single or double-ended.

SAFETY PRECAUTIONS
- WARNING – Risk of Shock: Disconnect power before installation.
- WARNING – Risk of Fire: Use only in place of fluorescent lamps specified on label.
- LED T8 lamp for use only with products described and installed in accordance with product specifications. LED T8 lamp to be operated with qualified T8 fluorescent electronic ballast; check the ballast compatibility list before installation.
- This product may cause interference to radio equipment and should not be installed near maritime safety communications equipment or other critical navigation or communication equipment operating between 0.45-30MHz.
- Do not install this lamp in a pre-heat luminaire.
- This lamp only operates on electronic ballasts. If the lamp does not light when the luminaire us energized, remove lamp from the luminaire and contact the lamp manufacturer or qualified electrician.
- CAUTION – Risk of Fire: If the lamp or luminaire exhibits undesirable operation (buzzing, flickering, etc.) Immediately turn off the power, remove the lamp from the luminaire and contract manufacturer.
- Suitable for damp locations.
- Not for emergency lighting.
- Not for use with dimmers.
Suggestion for Direct Replacement Mode:
Please use jumpered or shunted sockets, because this lamp can only be compatible with instant start electronic ballasts, and the bi-pin on lamp base are not electrically connected internally.
INSTALLATION
- Make sure the power is OFF.
- Remove lens or diffuser (if applicable).
- Remove existing fluorescent lamps from the luminaire.
- Bring an LED lamp to the luminaire and insert lamp pins into the luminaire lamp holders.
- Rotate the LED lamp until lamp locks in place. Ensure that the LED lamp front points away from the back of the luminaire.
- Note: Install one LED T8 replacement lamp for each fluorescent lamp removed.
- Place the lens or diffuser back in place (if applicable).
- Power On.

INSTANT START BALLAST WIRING DIAGRAM
- TWO LAMP BALLAST WIRING CORRECT

- TWO LAMP BALLAST WIRING INCORRECT

DIRECT REPLACEMENT (Plug & Go™) INSTRUCTIONS • Mode I
THREE LAMP BALLAST WIRING • CORRECT
THREE LAMP BALLAST WIRING • INCORRECT
DIRECT WIRE (Bypass) INSTRUCTIONS • Mode II
SAFETY PRECAUTIONS
- Product should be installed by a qualified electrician
- Switch off the power supply before commencing work, make sure the correct connection before powering back on.
- This device complies with Part 15 of the FCC Rules. Operation is subject to the following two conditions: (1) this device may not cause harmful interference, and (2) this device must accept any interference received, including interference that may cause undesired operation.
- Suitable for damp locations.
- Suitable for use with 5W Emergency Battery Backup – #90405 (Sold Separately).
- Not for use with dimmers.
- The units covered by this report were intended to retrofit surface mount, Type IC or non-IC recessed mount listed fluorescent luminaires that use maximum 4 straight tubular lamps, the minimum lamp compartment dimensions are below:
| MINIMUM COMPARTMENT OF LUMINAIRE | LAMP QUANTITY |
| 47.8” L x 23.8” W x 3” H | 4 |
CAUTION:
“This luminaire has been modified to operate LED lamps. Do not attempt to install or operate fluorescent lamps in this luminaire,” shall be marked on the retrofit luminaire where readily visible by the user during normal maintenance including re-lamping.
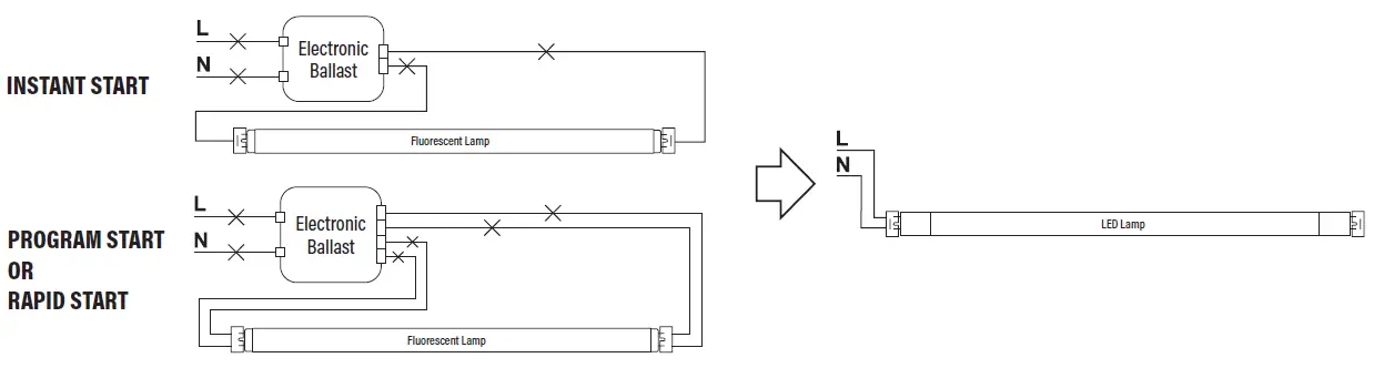
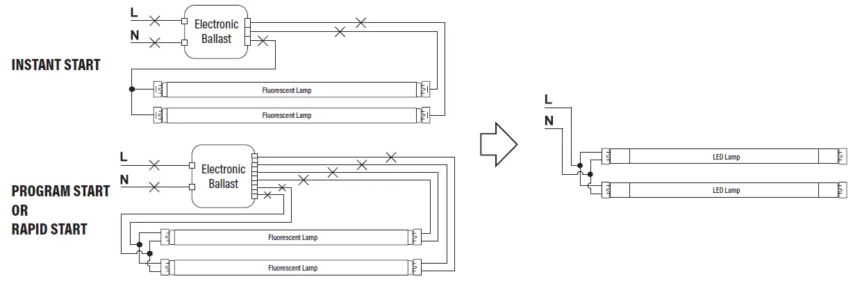
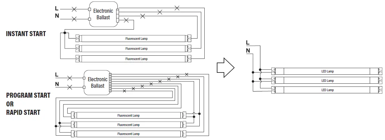
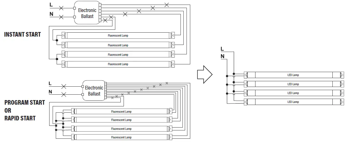
DIRECT WIRE (Bypass) INSTRUCTIONS • Mode II
SINGLE-ENDED
The below ballast wiring represents typical configuration. The actual ballast wiring varies according to the ballast model. The socket should be non-shunted.
RETROFIT LUMINAIRE WITH ONE LAMP

RETROFIT LUMINAIRE WITH TWO LAMPS
RETROFIT LUMINAIRE WITH THREE LAMPS
SINGLE-ENDED WIRING INSTRUCTIONS
RETROFIT LUMINAIRE WITH FOUR LAMPS
DIRECT WIRE (Bypass) INSTRUCTIONS • Mode II
DOUBLE ENDED
The below ballast wiring represents a typical configuration. The actual ballast wiring varies according to the ballasted model. It is not a requirement to change the sockets (if in good condition) to operate double-ended tubes, regardless of the socket type but, shunted or jumped sockets will provide the best connection. Please make sure one side of the fixture is connected to Live (L) and the other side to Neutral (N).
RETROFIT LUMINAIRE WITH ONE LAMP
RETROFIT LUMINAIRE WITH TWO LAMPS
DOUBLE-ENDED WIRING INSTRUCTIONS

RETROFIT LUMINAIRE WITH THREE LAMPS
RETROFIT LUMINAIRE WITH FOUR LAMPS
PREMIUM QUALITY LIGHTING
- www.PQLighting.com
- P.Q.L., Inc. • 2285 Ward Avenue • Simi Valley, CA 93065 • 800-323-8107.
























