
A Division of Hinkley Lighting, Inc.
33000 PIN OAK PARKWAY | AVON LAKE, OHIO 44012
toll free 800.446.5539 | phone 440.653.5500
Mounting Instructions 46956
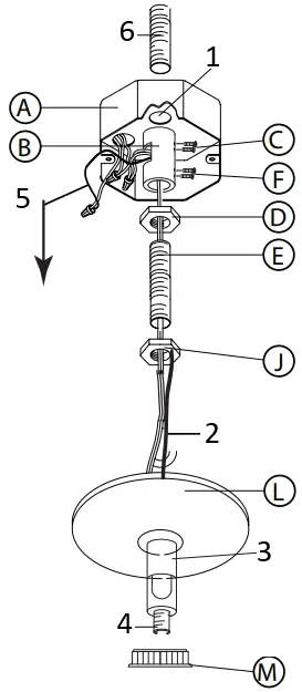
DRAWING 1 – MOUNTING

- top center knockout
- ground wire from fixture
- safety cable
- wire
- ground wire
- 1/4 -18 NPS threaded pipe
DRAWING 2 – installation example

- supply wire
- 1/4-18 NPS steel pipe
- hex nut lock washer washer
- ceiling joist
- junction box
- support block
- ceiling joist
- bridge
DRAWING 3- shade and stem install

- wire
- stem
start here
- Find a clear area in which you can work.
- Unpack fixture and glass from carton.
- Carefully review instructions prior to assembly.
- Shut off electrical current before starting. If the fixture you are replacing is turned on and off by a wall switch, simply turn the switch off. If not, remove the appropriate fuse (or open the circuit breakers) until the fixture is dead.
• DO NOT RESTORE CURRENT – EITHER BY FUSE, BREAKER, OR SWITCH – UNTIL THE NEW FIXTURE IS COMPLETELY WIRED AND IN PLACE. - Supply wires shall enter the outlet box (A) through any knockout EXCEPT the top center knockout – see Drawing 1.
- Fixture is to be mounted by a 1/4IP threaded pipe, (not supplied). Pipe should be anchored to structure or bridging member with sufficient strength to support 4 times the fixtures weight – see Drawing 2.
- Adjust pipe so 1” of the 1/4-18 NPS threaded pipe extends into the junction box, at the centerknock out.
- Thread pipe coupler (B) onto installed pipe, in the ceiling, protruding through junction box (A). Secure in place by tightening screws (C) – see Drawing 1.
- Thread hex nut (J) onto threaded pipe (E). Thread loop (K) onto end of threaded tube (E). Secure loop in place by tightening hex nut (J) against loop (K) to secure loop to pipe.
- Thread hex nut (D) onto threaded pipe (E). Thread pipe (E) into coupler (B). Adjust loop height so that half of the exterior threads on loop (K) are exposed, when canopy (L) is slipped over loop and held up to the ceiling. After adjustment is done tighten hex nut (D) against coupler (B) to secure pipe (E) in position.
- Next take assembled fixture (without the glass) and using Quick link hook fixture onto loop (K).
- Feed wires and cables through center hole of canopy loop and make all necessary wiring connections following instruction sheet (IS 18) provided. Make sure to attach safety cable to joist or structure independent of the junction box. Follow instruction sheet (IS-SCC) provided.
- After all wiring and cable installation is complete. Slip canopy (L) up to ceiling along with screw collar ring (M). Hold canopy in place on ceiling and thread on screw collar ring to secure canopy into place.
- Attach the desired amount of stems onto fixture.
- Glass can now be mounted onto fixture. Follow instructions on the “FIXTURE ASSEMBLY” instructions.
To lock glass into place twist glass over socket – drawing 3
I.S. 18 wiring grounding instructions
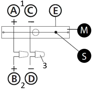
Drawing 1 – Flush Mount

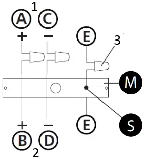
Drawing 2 – Chain Hung

Drawing 3 – Post-Mount

- supply wire
- fixture leads
- twist-on connectors
SAFETY WARNING: READ WIRING AND GROUNDING INSTRUCTIONS (IS 18) AND ANY ADDITIONAL DIRECTIONS. TURN POWER SUPPLY OFF DURING INSTALLATION. IF NEW WIRING IS REQUIRED, CONSULT A QUALIFIED ELECTRICIAN OR LOCAL AUTHORITIES FOR CODE REQUIREMENTS
wiring instructions
Indoor Fixtures
1. Connect positive supply wire (A) (typically black or the smooth, unmarked side of the two-conductor cord) to positive fixture lead (B) with appropriately sized twist on connector – see Drawings 1 or 2.
2. Connect negative supply wire (C) (typically white or the ribbed, marked side of the two-conductor cord) to negative fixture lead (D).
3. Please refer to the grounding instructions below to complete all electrical connections
Outdoor Fixtures
1. Connect positive supply wire (A) (typically black or the smooth unmarked side of the two-conductor cord) to positive fixture lead (B) with appropriately sized twist on connector — see Drawings 2 or 3.
2. Connect negative supply wire (C) (typically white or the ribbed, marked side of the two-conductor cord) to negative fixture lead (D).
3. Cover open end of connectors with silicone sealant to form a watertight seal.
If installing a wall mount fixture, use caulk to seal gaps between the fixture mounting plate (backplate) and the wall. This will help prevent water from entering the outlet box. If the wall surface is lap siding, use caulk and a fixture mounting platform specially.
4. Please refer to the grounding instructions below to complete all electrical connections.
grounding instructions
Flush Mount Fixtures
For positive grounding in a 3-wire electrical system, fasten the fixture ground wire (E) (typically copper or green plastic coated) to the fixture mounting strap (M) with the ground screw (S) – see Drawing 1.
Note: On straps for screw supported fixtures, first install the two mounting screws in strap. Any remaining tapped hole may be used for the ground screw.
Chain Hung Fixtures
Loop fixture ground wire (E) (typically copper or green plastic coated) under the head of the ground screw (S) on fixture mounting strap (M) and connect to the loose end of the fixture ground wire directly to the ground wire of the building system with appropriately sized twist-on connectors – see Drawing 2.
Post-Mount Fixtures
Connect fixture ground wire (E) (typically copper or green plastic coated) to power supply ground with appropriately sized twist-on connector inside post. Cover open end of connector with silicone sealant to form a watertight seal – see Drawing 3.
HINKLEY 33000 Pin Oak Parkway, Avon Lake, OH 44012 800.446.5539 / 440.653.5500 hinkley.com



















