
TER-4
Double thermostat with a range of −40 .. +110 °C

Characteristics
- Used for temperature monitoring in switchboards, heating or cooling systems, engines, liquids, open spaces, etc.
- Double thermostat for temperature monitoring and regulation over a wide range.
- Rough and fi ne temperature setting for each thermostat.
- Galvanically isolated power supply AC/DC 24 – 240 V.
- 2× input for temperature sensor NTC 12 k/25 °C.
- Setting the independent or dependent function of thermostats.
- Selection of heating/cooling function.
- Selectable hysteresis (sensitivity) of switching.
- Two output contacts (separate for each thermostat).
Description

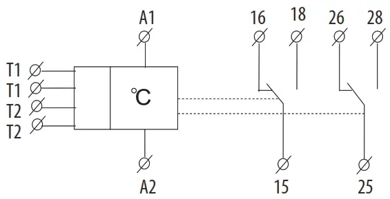
| 1. Supply voltage indication 2. Thermostat contact indication /sensor failure (T1) 3. Sensor fault indication 4. Thermostat contact indication /sensor failure (T2) 5. DIP switch 6. Fine temperature setting (T1) 7. Rough temperature setting (T1) | 8. Fine temperature setting (T2) 9. Rough temperature setting (T2) 10. Output contact 1 (16-15-18) 11. Output contact 2 (28-25-26) 12. Supply voltage terminals (A1-A2) 13. Sensor connection terminals (T1/ T2) |
Description of DIP switch

Symbol

Connection

Temperature sensors
Temperature sensors for range –20 .. +80 °C (–4 °F .. 176 °F)
TC-0 sensor, 10 cm (3.94´), double insulation, polyamide cable end
TC-3 sensor, 3 m (118.11´), double insulation, polyamide cable end
TC-6 sensor, 6 m (236.22´), double insulation, polyamide cable end
TC-12 sensor, 12 m (472.44´), double insulation, polyamide cable end
Temperature sensors for range –40 .. +125 °C (-40 °F .. 257 °F)
TZ-0 sensor, 11 cm (4.34´), double silicone insulation, stainless steel cable end
TZ-3 sensor, 3 m (118.11´), double insulation silicone, stainless steel cable end
TZ-6 sensor, 6 m (236.22´), double insulation silicone, stainless steel cable end
TZ-12 sensor, 12 m (472.44´), double insulation silicone, stainless steel cable end

Technical parameters
TER-4
| Number of functions: | 4 |
| Supply terminals: | A1-A2 |
| Supply voltage: | AC/DC 24 – 240 V (AC 50-60 Hz) galvanically isolated |
| Consumption (max.): | 3 VA/1 W |
| Supply voltage tolerance: | −15 %; +10 % |
Measuring circuit
| Measuring terminals: | T1-T1 & T2-T2 |
| Rough temperature ranges: (selectable by rotary switch) | −40 .. −25 °C (−40 °F .. –13 °F) −25 .. −10 °C (−13 °F .. 14 °F) −10 .. +5 °C (14 °F .. 41 °F) + 5 .. +20 °C (41 °F .. 68 °F) +20 .. +35 °C (68 °F .. 95 °F) +35 .. +50 °C (95 °F .. 122 °F) +50 .. +65 °C (122 °F .. 149 °F) +65 .. +80 °C (149 °F .. 176 °F) +80 .. +95 °C (176 °F .. 203 °F) +95 .. +110 °C (203 °F .. 230 °F) |
| Fine temperature setting: | 0 – 15 °C, within the selected range |
| Hysteresis (sensitivity) for T1: | optional, 0.5 or 2.5 °C (by DIP switch) |
| Hysteresis (sensitivity) for T2: | optional, 0.5 or 2.5 °C (by DIP switch) |
| Sensor: | thermistor NTC 12 kΩ/25 °C |
| Sensor fault indication: | yellow LED lights up + red LED fl ashing |
Accuracy
| Setting accuracy (mech.): | 5% |
| Temperature dependence: | < 0.1 %/°C (°F) |
Output
| Output contact: | 2× changeover/SPDT (AgNi) |
| Current rating: | 16 A/AC1 |
| Breaking capacity: | 4000 VA/AC1, 384 W/DC1 |
| Inrush current: | 30 A/< 3 s |
| Switching voltage: | 250 V AC/24 V DC |
| Power dissipation (max.): | 2.4 W |
| Mechanical life: | 10.000.000 ops. |
| Electrical life (AC1): | 100.000 ops. |
Other information
| Operating temperature: | −20 .. +55 °C (−4 °F .. 131 °F) |
| Storage temperature: | −30 .. +70 °C (−22 °F .. 158 °F) |
| Dielectric strength: | |
| supply – output | AC 4 kV |
| output 1 – output 2 | AC 4 kV |
| Operating position: | any |
| Mounting: | DIN rail EN 60715 |
| Protection degree: | IP40 front panel / IP20 terminals |
| Overvoltage category: | III. |
| Pollution degree: | 2 |
| Cross-wire section – solid/ | max. 1× 2.5, 2× 1.5/ |
| stranded with ferrule (mm 2): | max. 1× 2.5 (AWG 14) |
| Dimensions: | 90 × 52 × 66 mm (3.5˝ × 2.05˝ × 2.6˝) |
| Weight: | 147 g (5.2 oz) |
| Standards: | EN 60255-1, EN 60255-26, EN 60255-27, EN 60947-1 |
Warning
This device is constructed for connection in 1-phase network AC/DC 24 240 V and must be installed according to norms valid in the state of an application. Installation, connection, setting and servicing must be carried out by qualified electrician sta only, which have perfectly understood the instructions and functions of the device.
This device contains protection against overvoltage peaks and disturbing impulses in the power supply network. For the correct function of the protection of this device, there must be suitable protections of higher degrees (A,B,C) installed in front of them and according to the standards, interference of switching devices must be securely eliminated (contactors, motors, inductive loads, etc.). Before installation, make sure that the device is de-energized and the main switch is in the “OFF” position.
Don`t install the device to sources of excessive electromagnetic interference. Ensure correct installation by perfect air circulation so that during continuous operation and a higher ambient temperature, the device does not exceed the maximum allowed operating temperature. For installation and setting use a screwdriver with a width of approx 2 mm. Keep in mind that this is a fully electronic device and approach accordingly with the installation. Non-problematic function of the device is also dependent on the previous method of transportation, storage, and handling. In case of any signs of damage, deformation, malfunction, or missing parts, don`t install this device and claim it at the dealer. The product must be treated as electronic waste at the end of its life.
Function
Each thermostat has its own sensor, rough and fi ne temperature setting, selectable hysteresis and its separated output contact.
The desired temperature is set as the sum value of the selected rough and fi ne temperature setting.
Example:
Required temperature ……………. +25 °C (77 °F)
Rough setting ………………………….. +20 °C (68 °F)
Fine setting ………………………………… +5 °C (41 °F)
The device monitors the fault state of each sensor (short circuit or interruption) – if a sensor malfunction occurs, the yellow LED lights up and the corresponding red LED flashes. The respective output contact is opened in the event of a failure.
The device can also be operated as a simple thermostat (with one sensor). In this case, it is necessary to connect a 10 kΩ resistor instead of a sensor to the unused input (included in the product package).
Independent function of thermostats
The device acts as two separate simple thermostats.

Dependent function of thermostats
Thermostats are connected „in series“ – i.e. thermostat T1 is blocked by thermostat T2.
This can be used e.g. so that thermostat T1 is operational and thermostat T2 is interlocking (emergency – e.g. when the device overheats).

Graphs legend:
T1(2) – set thermostats temperature
H1(2) – thermostats hysteresis
ELKO EP, s.r.o.
Palackého 493
769 01 Holešov, Všetuly Czech Republic
Tel.: +420 573 514 211
e-mail: [email protected]
www.elkoep.com
Made in Czech Republic
02-8/2023 Rev.: 0
![]()



















