ENSTO ECO16BT Combination Thermostat

Installation and Operating Instructions
The ECO16BT is for room-specific control of the electric floor and ceiling heating.
Safety Instructions
Electrically skilled person
- The installation must only be done by an electrician with the appropriate quality-fications.•
- Read this manual carefully before starting the installation work.
- Follow the instructions in this manual, and make sure that the installation complies with national safety regulations, installation methods and restrictions.
- The information provided in this manual in no way exempts the installer or user from the responsibility to follow all applicable safety regulations.
- This manual is a part of the product and must be stored in a safe location so that it is available for future installation and service.
WARNING
The danger of electric shock! Risk of fire!
- Disconnect the power supply before carrying out any installation or maintenance work on this thermostat and associated components.
- Do not switch on the power supply before the installation work is completed.
- Improper installation can cause personal injury and property damage.
- Do not operate a defective thermostat.
Before Installation
- Make sure that all the parts and tools needed for the installation are available.
- Ensure that the heating load is equivalent to the thermostat power rating.
- Measure the insulation resistance and the circuit resistance of the heating load controlled by the thermostat.
Installation
- Mount the thermostat as the cover of a 1-component mounting box or as a part of a multiple-component instrument panel.
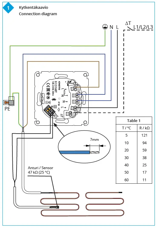
- When the thermostat is used for underfloor heating solutions, put the sensor cable in a dry protective tube between heating cables. Note! Make sure, that there is not water in the protective tube.
- Connect the thermostat in accordance with figures 1 and 2.


- Connect the earthing wires (PE) to the separate connector.
- The thermostat has spring connectors. The stripping length for supply conductors is 9 mm and for sensor conductors 7 mm. The conductors can be disconnected from the spring connectors by simultaneously twisting and pulling.
- Connect external temperature control to the connector marked with ΔT. Any phase can be used for external temperature control.
- A fault current switch with a nominal operating current of max. 30 mA must be used.
- Mount the thermostat into the mounting box with screws.
- Mount the thermostat frame and cover (figure 3). Protect the thermostat against potential dust during construction.

Commissioning and Operation
Turn on the thermostat with the power switch A (figure 4).

- The thermostat is in “Floor” mode. You can change the operation mode by using the Ensto Heat Control application.
- The LED indicator B is green, when the thermostat is on and the heating is off.
- The LED indicator B is red, when the heating is on.
- The blue LED indicator C is on when the temperature change or external control is active. The default temperature setting for external control is 10 °C.
You can adjust the thermostat limitation range with the minimum and maximum lim-iters on the adjustment wheel (figure 5).

Check the temperature after approximately 24 hours. If the temperature does not match the set value, calibrate the thermostat (figure 6).

- Remove the adjustment knob and shaft without changing the thermostat setting (1).
- Pull the knob out from the shaft toothing (2).
- Put the shaft to the original position (3).
- Put the knob on the toothing in such a manner, that the knob indicates the actual temperature (4).
- Set the desired temperature with the adjustment knob (5).
- When the thermostat is working normally, a faint click can be heard when the load is switched on and off.
- The thermostat uses a 47kOhm NTC floor sensor by default. If another type of sensor is connected to the thermostat, change the sensor type accordingly with the Ensto Heat Control application ”Settings / Sensor type”.
- When you use the thermostat in “Combination” or ”Floor” mode, the inbuilt fault detector detects if the floor sensor is defect or missing. The thermostat indicates the fault by blinking the red LED indicator B and blue LED indicator C alternatively. The blinking stops when the fault has been repaired.
User Instructions for Ensto Heat Control Application
With this application, you can program and change the settings of your thermostat. Blue-tooth technology is used for wireless connections. You can connect to one device at a time. The range in free space is approximately 5m.
Commissioning the application
Download the Ensto Heat Control application from Apple Store or Google Play (figure 7).

Note! Pair your mobile device and thermostat only via the Ensto Heat Control application. DO NOT pair the thermostat using the device’s own Bluetooth menu. If you have paired the thermostat from the mobile device’s own Bluetooth menu, the application is not able to contact the thermostat. To correct the situation first remove the thermostat from the mobile device’s own Bluetooth menu and then pair it via the application. When paired via the application the connection works. The thermostat also appears in the mobile device’s own Bluetooth menu.
When pairing allow the Ensto Heat Control application to use the location service if the application requests it. It depends on the mobile device if the application needs permission to use the location service from the mobile device itself in order to use the Bluetooth low energy radio on the mobile device. If you do not give the permission, the application is not able to use the Bluetooth low energy radio and the application is not able to connect to the thermostat. The Ensto Heat Control does not collect the user’s location information and does not need the location service itself, but the application requires the Bluetooth low energy radio for wireless data transfer between the application and the thermostat.
Open the application. In the “DEMO” mode you can practice using the application. The Tutorial video shows the application’s features and guides you through the commissioning. At any time, you can go back to the Tutorial through the “Support” menu.
After the Tutorial, pair your mobile device with your thermostat (figure 8):

- Remove the adjustment knob E (1).
- Switch on the thermostat with the power switch A (2).
- Press the Bluetooth button D on the thermostat for 1 second (3). The blue LED indicator C blinks (4).
- When the application has found your thermostat, your mobile device displays the default name ”New thermostat” .
- Press the ”New thermostat” button within 45 seconds (5).
- The blue LED indicator C turns off, when the pairing is completed or 45 seconds is exceeded.
- Now you can find your thermostat in ”Devices / My devices”.
- Put the adjustment knob E in place.
Operation Modes
Change the operation mode from the menu ”Settings / Mode”.
- In ”Floor” mode the thermostat adjusts the heating according to the floor temperature. Select the floor setting temperature with the adjustment knob E.
- In ”Room” mode the thermostat adjusts the heating according to the room temperature, in which case no floor sensor is needed. Select the room setting temperature with the adjustment knob E. When measuring room temperature, the thermostat adjusts to the prevailing conditions in a few hours, after which the precise operation starts.
- In ”Combination” mode the thermostat adjusts the heating according to the room temperature as well as according to the minimum and maximum floor temperatures. Define for the floor material appropriate minimum and maximum temperatures from ”Settings / Floor temperature limits”. If the floor temperature rises higher than the set temperature, the blue LED indicator C blinks four times per minute as a warning and the load switches off until the floor temperature has dropped sufficiently. This operation method is intended to protect sensitive floor materials such as parquet. Most parquet manufacturers recommend the maximum temperature of the floor covering approximately 27°C.
Note! The floor sensor only measures the concrete temperature. The floor covering material temperatures are usually about 5°C lower than the concrete temperature, in which case the maximum limitation temperature can be set at about +32°C. Please set the limitation as low as possible and raise the value afterward if needed. However, each flooring material is unique, so when an accurate temperature limit is needed, the floor temperature must be checked with a separate thermometer. - In ”Power” mode the thermostat adjusts the heating without sensors according to power. Select the length of the power cycle from ”Settings / Power mode cycle time”. Select the desired heating power 0 – 100% with the adjustment knob E. The heating operates in cycles of the selected period of time. The heating power (%) you select determines how long the heating is on and off during one cycle. For example, if you select 60 minutes for the cycle time and 60% for the healing power, the heating is on for 36 minutes and off for 24 minutes.
Temperature Change with Calendar, Boost and Vacation Functions
You can change the setting temperature adjusted with the adjustment knob E on the thermostat.
- The change may be either a rise or a drop in temperature.
- The blue LED indicator C is on when the temperature change is connected.
You can carry out temperature changes in different ways depending on what kind of a change is needed.
- ”Calendar” is intended for weekly reoccurring events. For example, on weekdays you can drop the temperature overnight and while you are away, during weekends you may want to drop the temperature overnight. Note! When making settings for overnight, the night must be in two sections.
- ”Boost” is intended for a temporary temperature change. For example, after a shower, you can raise the temperature in the bathroom so that the floor will dry faster.
- “Vacation” is intended for long-term changes in temperature, e.g for a weekend break or an annual holiday.
- The “Calendar”, “Boost” and “Vacation” buttons are on / off buttons. When the temperature change is activated, the “Calendar” and “Vacation” buttons are green, the “Boost” button is orange.
- Press the button on the home display to enter the editing mode.
- When the function ”Adaptive temperature change” is active, the thermostat will advance the heating, so that the desired temperature has been reached at the scheduled time. By default, the function is on.
External Temperature Control
You can use external temperature control if an external voltage is connected to the thermostat.
- Disable / Enable the function from “Settings / External control”.
- From “Temperature” you can set the desired temperature value. The default temperature setting for external control is 10 °C.
- “Temperature change” can be either a rise or a drop in the set point temperature.
- The blue LED indicator C is on when the external control is in use.
- If the external control is enabled you cannot use the adjustment knob for setting temperature.

| F | Active device |
| G | Set point temperature |
| H | Actual temperature |
| K | On / Off button |
| L | Enter editing mode |
Resetting the Factory Settings
Reset the factory settings, figure 10:

- Remove the adjustment knob E.
- Press the Bluetooth button D on the thermostat.
- After 7 seconds, the blue LED indicator C starts to blink quickly.
- Paired devices, consumption information and calendar settings are removed. The thermostat is in “Floor” mode.
Battery
The purpose of the battery is to maintain the time during power cuts. If the clock does not keep the correct time, the battery must be replaced. The battery change interval is several years and is usage dependent.
The battery may only be replaced by a skilled or instructed person. Disconnect the power supply before replacing the battery.

- Remove the adjustment knob E and the cover.
- Replace the battery with the same type of battery as the original, CR1225.
- Put the cover and the adjustment knob E in place.
- Dispose of the empty battery according to local recycling guidelines.
LED Indicators

Figures
- Connection diagram
- Connecting wires to the thermostat
- Assembling and disassembling
- User interface
- Limitation of adjustment range
- Calibrating the adjustment knob
- Commissioning the Ensto Heat Control application
- Pairing the thermostat with your mobile device
- Ensto Heat Control Home display
- Resetting the factory settings
- Replacing the battery
Warranty
The warranty period for Ensto ECO thermostats is 2 years from the date of purchase but no longer than 3 years from the date of manufacture. Warranty conditions, see the product card www.ensto.com
Disposal
Do not dispose of electrical and electronic devices including their accessories with the household waste.
- The product’s cardboard packing is suitable for recycling.
- When a heating system is at the end of the life cycle the cables, conduits and electronic components must be disposed of properly according to local recycling guidelines.
Declaration of Conformity
Hereby, Ensto Building Systems Finland Oy declares that the radio equipment ECO16BT is in compliance with Directive 2014/53/EU. The full text of the EU declaration of conformity is available at the following internet address: www.ensto.com
Technical Data
| Supply voltage | 230 V -15%, +10%, 50 Hz |
| Switch | 2-pole |
| Rated current | 16 A |
| Maximum load | 3600 W |
| Operating temperature range | -20 … +30 °C |
| Thermostat adjustment range | 5 … 35 °C room 5 … 50 °C floor |
| Floor max. limitation range | +25 … +50 °C |
| Floor min. limitation range | +5 … +40 °C |
| Floor sensor | NTC, 47 kΩ/25°C, cable 4 m (extendable to 10 m) |
| Floor sensor resistance values | Table 1, on page 2 (sensor not connected) |
| Fuse | Max. 16 A |
| Ingress Protection | IP30 |
| Pollution degree rating | 2 |
| Rated impulse voltage | 4 kV |
| Power in standby | < 0,5 W |
| Radio frequency range | 2,4 … 2,483 GHz |
| Radio max. power | +3 dBm |



















