CROWN GCX-10-6_NAT Electric Counter Tilting Skillet

Product Information
The Electric Counter Tilting Skillet ECTS-12 is a commercial cooking equipment manufactured by Crown Food Service Equipment, a Middleby Company. The model number of the product is ECTS-12 and it is designed for commercial use only. The product comes with a manual that provides important safety instructions, installation guidelines, and usage information. The product has a serial number and it can be purchased from authorized dealers or directly from the manufacturer. The product has the following specifications:
- Model: ECTS-12
- Dimensions: N/A
- Capacity: N/A
Product Usage Instructions
Before operating the Electric Counter Tilting Skillet ECTS-12, it is important to read the manual thoroughly and follow the safety precautions and warnings provided. The product should be installed and serviced only by trained personnel. The product should not be used for household purposes. The following instructions should be followed for safe and efficient usage of the product:
- Ensure that the product is placed on a stable and level surface.
- Make sure that there is adequate clearance for servicing and proper operation.
- Do not attempt to operate the product in case of a power failure.
- Do not store or use gasoline or other flammable vapors or liquids in the vicinity of the product.
- Follow the instructions provided for cleaning and maintenance of the product.
- If the product malfunctions, contact the factory, factory representative, or a local service company for repairs.
By following these instructions, users can ensure safe and efficient usage of the Electric Counter Tilting Skillet ECTS-12.
WARNING
Improper installation, adjustment, alteration, service or maintenance can cause property damage, injury or death. Read the installation, operating and maintenance instructions thoroughly before installing or servicing this equipment
SAFETY PRECAUTIONS
Before installing and operating this equipment, be sure everyone involved in its operation is fully trained and aware of precautions. Accidents and problems can be caused by failure to follow fundamental rules and precautions. The following symbols, found throughout this manual, alert you to potentially dangerous conditions to the operator, service personnel, or to the equipment
DANGER
This symbol warns of immediate hazards that will result in severe injury or death.
WARNING
This symbol refers to a potential hazard or unsafe practice that could result in injury or death.
CAUTION
This symbol refers to a potential hazard or unsafe practice that could result in injury, product damage, or property damage
NOTICE
This symbol refers to information that needs special attention or must be fully understood, even though not dangerous
IMPORTANT NOTES FOR INSTALLATION AND OPERATION
WARNING
This is the safety alert symbol. It is used to alert you to potential personal injury hazards. Obey all safety messages that follow this symbol to avoid possible injury or death.
FOR YOUR SAFETY:
Do not store or use gasoline or other flammable vapors or liquids in the vicinity of this or any other appliance
WARNING
Improper installation, operation, adjustment, alteration, service or maintenance can cause property damage, injury or death. Read the installation, operating and maintenance instructions thoroughly before installing, operating or servicing this equipment.
NOTICE
Do not attempt to operate this unit in the event of a power failure
NOTICE
Adequate clearances MUST be maintained for servicing and proper operation
NOTICE
Contact the factory, the factory representative or a local service company to perform maintenance and repairs should the appliance malfunction. Refer to warranty terms.
NOTICE
This product is intended for commercial use only. NOT FOR HOUSEHOLD USE
NOTICE
This manual should be retained for future reference
Service Connections

SERVICE CONNECTIONS
ELECTRICAL CONNECTION: To be as specified on units Data Plate
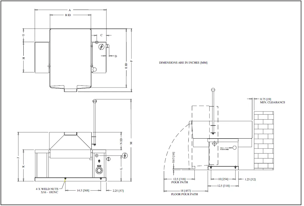
CAPACITY AND DIMENSIONS
| Model | Capacity | A | B | C | D | E | F | G | H | J | K | L | M | N |
| ECTS-12 | 12 Gallons (45 liters) | 29” (737) | 16.75” (425) | 4” (102) | 2” (51) | 24” (610) | 25.75” (654) | 5.5” (140) | 12.5” (318) | 20” (508) | 13” (330) | 10.5” (267) | 33.25” (845) | 7” (178) |
ELECTRICAL CHARACTERISTICS AND SPECIFICATIONS
|
Model |
Phase | 208V | 220V | 240V | 380V | 415V | 480V | ||||||||
| kW | Amp | kW | Amp | kW | Amp | kW | Amp | kW | Amp | kW | Amp | kW | Amp | ||
|
ECTS-12 | 1 | 9.0 | 43.3 | 9.0 | 40.9 | 9.0 | 37.5 | — | — | — | — | — | — | — | — |
| 3 | 9.0 | 25.0 | 9.0 | 23.6 | 9.0 | 21.7 | 9.0 | 13.7 | 9.0 | 12.5 | 9.0 | 10.8 | 9.0 | 8.7 | |
| Model | Shipping Weight | Minimum Clearance | |
|
ECTS-12 |
191 lbs. (87 kg) | Sides | 6” (152) |
| Back | 6” (152) | ||
Installation Instructions
Unpacking
IMMEDIATELY INSPECT FOR SHIPPING DAMAGE
Immediately after unpacking, check for possible shipping damage. If the gas-fired tilting skillet is found to be damaged, save the packaging material and contact the carrier within 5 days of delivery. Before installing, verify that the type of gas supply (natural or propane) and electrical service agree with the specifications on the rating plate located on the left side console as you face the front of the appliance. If the supply and equipment requirements do not agree, contact your dealer immediately.
WARNING
ELECTRICAL GROUNDING INSTRUCTIONS Units are equipped with a three-prong (grounding) plug for your protection against shock hazard and should be plugged directly into a properly grounded three-prong receptacle. Do not cut or remove the grounding prong from this plug. (120 volt units only).
- Position the appliance on counter allowing sufficient rear clearance from wall to tilt freely and completely without obstruction.
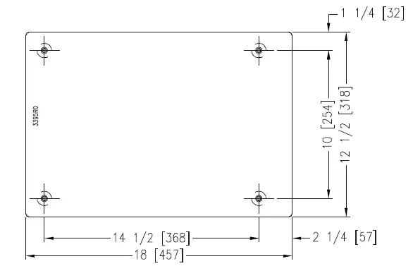
- Mark four corner locations of appliance base, as shown below.
- Remove appliance from counter and locate position of four holes as per drawing detailed below. Drill four 7/16” diameter holes.
- Apply a continuous bead of Silastic or another equivalent sealant along the complete perimeter edge of the appliance base.
- Use 5/16-18 Hex Cap Screws with suitable flat washers to bolt down. Screw length must be 1-1/4 long plus counter top thickness.
- Wipe off excess sealant.
- A Control Box with power supply equivalent to Electrical Rating of appliance should be located conveniently nearby.
- A waterproof electrical connection for power supply to console housing must be provided.
- Ground appliance to terminal provided inside console housing.
- Turn power ON and check for proper operation.

Operating Instructions
- Ensure that unit has been electrically connected and that circuit breakers are on.
- Place power switch in “ON” position.
- Set the thermostat dial to high (#10).
- Preheat the unit and allow it to cycle thus equalizing heat across the entire surface.
- Cooking should be done at various temperature settings on the dial as determined by the user.
- Water will boil faster with the optional cover on.
- Check that skillet optional level bar, on right side of control panel, moves in and out easily. This bar provides two set positions, level and slightly tilted.
- At end of cooking, return thermostat to “OFF” position, turn power switch “OFF”, remove food and allow to soak for ease of cleaning.
Tilting Instructions
Your skillet has the a “Tilt Lock” feature and may not be tilted without disengaging the tilt knob located on the console at the top right. This feature locks the kettle in the upright position.
Follow these steps to tilt kettle:
- Pull out the tilt knob at the top right of console.
- Using tilt handle, pull skillet forward to desired angle of pour. The tilt knob can be released after the skillet has been tilted approximately 10 degrees.
- Upon returning the skillet to the upright position, the tilt lock will engage and locks in the upright position. The skillet should not move in either direction once in the upright position.
Cooking Surface Positions
Your skillet is capable of cooking in two positions, flat or inclined. Cooking in the inclined position allows oils or sauces to collect at the front of the pan while providing a dry cooking surface towards the rear.
CAUTION
The Tilt Lock feature will not be engaged while cooking in the inclined position.
To cook in the inclined position:

- Disengage the Tilt Lock and tilt the skillet forward.
- Release the Tilt Lock knob and push the knob in on the right side of the console to cook in the inclined position.
- Lower the skillet down to rest in the inclined cooking position
| Thermostat Settings | ||
| Simmering | 1 – 4 | (200 ̊F) |
| Sautéing | 5 – 6 | (225 – 275 ̊F) |
| Searing | 7 – 8 | (300 – 350 ̊F) |
| Pan Frying | 8 – 9 | (325 – 375 ̊F) |
| Grilling | 9 – 10 | (350 – 425 ̊F) |
Cleaning
WARNING
Disconnect the power supply to the appliance before cleaning or servicing
WARNING
The appliance and its parts are hot. Use care when operating, cleaning and servicing the kettle.
CAUTION
Do not use cleaning agents that are corrosive
Cleaning Instructions
- The Electric Counter Tilting Skillet should be cleaned after each use.
- Soak cooking surface with water and a mild soap to remove any food stuck to surface.
- Wash entire unit surface with mild detergent and water. Rinse entire unit and dry.
WARNING
Do not get water in electrical components. - Check that pour spout, strainer, cover and sides of unit are cleaned as above
Troubleshooting
Unit Will Not Operate
- Power supply not “ON”.
- Defective thermostat or elements
Pan Difficult to Tilt
- Tilt knob not disengaged.
- Dirt in oilite bearings causing them to bind.
NOTICE
Never grease or oil the pivot bearings as this may cause problems with tilting. Bearings are oilite and never require lubrication.
ECTS-12 Electric Counter Tilting Skillet
A product with the Crown name incorporates the best in durability and low maintenance. We all recognize, however, that replacement parts and occasional professional service may be necessary to extend the useful life of this appliance. When service is needed, contact a Crown Authorized Service Agency, or your dealer. To avoid confusion, always refer to the model number, serial number, and type of your appliance
CROWN FOOD SERVICE EQUIPMENT
A Middleby Company 70 Oakdale Road, Downsview (Toronto) Ontario, Canada, M3N 1V9 Telephone: 919-762-1000 www.crownsteamgroup.com



















