LS10 High Performance Wireless Media Module Data Sheet
Rev: 1.2
Libre Wireless Technologies © 2021 Libre Confidential
LS10 – Data Sheet 1. Document Information
1.1. Document Revision History
Revision | Date | Description of change | Author |
1.2 | July 27, 2021 | Updated Ordering Info | Chandravel |
1.1 | June 15, 2021 | Updated module image | Chandravel |
1.0 | May 19, 2021 | Final Draft | Chandravel |
0.1 | April 25, 2021 | Initial Draft | Chandravel |
Libre Wireless Technologies Data Sheet V1.2 Page 4 of 27 Libre Confidential
LS10 – Data Sheet
2.Introduction
Libre Wireless – LS10 is an advanced high-performance media/audio streaming module for smart audio and smart home appliances. It comes with powerful Quad core Coretex-A53 CPU running at 1.5GHz with Neon and Crypto extensions and unified L2 cache. It also has ARM cortex-M3 MCU in Always On domain to support the low power mode. LS10 module incorporates Wi-Fi/BT (2.4GHz/5GHz + V5.2 BLE) combo chip with USB OTG.
3. Module Feature Summary
Key Features
• Quad Core ARM Cortex-A53 CPU up to 1.5GHz.
• Advanced TrustZone Security System
• ARM Cortex-M3 MCU in Always-On (AO) Domain
• Low power mode supported.
• LCD display support over SPI: 240×320
• Up to 4 DMIC support.
• 2D BitBLT engine.
• 10/100 Ethernet support with internal PHY Chip.
• Inbuild IR TX and RX
• GC4A, Airplay, Home-kit, Spotify-Connect, DLNA DMP/DMR/DMS, etc.
• Hi-Rez Audio 384KHz x 32 Bits x 8 Channel
• Support for SPDIF digital audio input and output
• LPCM, MP3, AAC/AAC+, AC3, OGG Vorbis, HE-AAC, WMA decode capability • Lossless audio decodes, like FLAC, APE and DSD Support
• Supports WMV9, AVS, GC4A
• Libre in-built code protection and security
• 1DES/3DES/AES/CSS/CPRM/DTCP crypto protection
• 2 – I2S interface. One Dedicated I2S1 and one more I2S2 is muxed with SPI2.
In LS10,SPI2 and I2S2 are mutually exclusive. I2S2 is available only when SPI2 output is disabled, and vice versa. |
• LS10 module can be configured only as I2S-Master mode.
• DSD over PCM
• 1x USB 2.0 OTG (For Debug Shell, Ethernet, Firmware update, USB Media Playback, USB Tethering)
• 1x UART (Debug communication)
• 1x Full UART1 (For Host communication muxed with I2C2)
In LS10 UART1 and I2C2 are mutually exclusive. I2C2 is available only when UART2 output is disabled, and vice versa. |
• 2x I2C, 2x SPI (one muxed with I2S), GPIOs
• Wi-Fi 1×1 802.11a/b/g/n/ac with Dual Band Antenna
• One optional dedicated BT Antenna.
• Bluetooth 5.2 and Low Energy
• Wi-Fi/BT concurrent coexistence
• Standard RAM/Flash configuration includes 512MB/512MB. Custom memory configuration supported on request.
Libre Wireless Technologies Data Sheet V1.2 Page 6 of 27 Libre Confidential
LS10 – Data Sheet
WLAN Features
• IEEE 802.11 a/b/g/n/ac compliant
• 1×1, Dual Band.
• IEEE 802.11 a/b/g/n/ac STA mode. Below are major STA features:
1. Support wireless security for WEP, WPA TKIP and WPA2 AES PSK and WPA3-Personal
2. Excellent WLAN power save modes features
3. WPS – PIN and PBC Methods
• Soft AP mode
• Wi-Fi-Direct and Miracast
Bluetooth Features
• Bluetooth V5.2
• Bluetooth Low Energy (BLE)
• Best-in-class BT/Wi-Fi coexistence performance
• BT Profiles: A2DP 1.2, AVRCP 1.3, SPP, HFP, HSP, HOGP
Libre Wireless Technologies Data Sheet V1.2 Page 7 of 27 Libre Confidential
LS10 – Data Sheet
4. LibreSync Features
LibreSync modules have extensive software features for connected media streaming and control applications. These include system level control and interface features as well as networking features. Please refer to the full “Master Feature List” for details of supported features.
Platform features can vary based on module configuration/derivatives and commercial engagement details. |
5. Block Diagram

Figure 5-1: LS10 MODULE Block Diagram
Libre Wireless Technologies Data Sheet V1.2 Page 8 of 27 Libre Confidential
LS10 – Data Sheet 6. Specifications
6.1. General Specification
Parameter | Description / Values |
Model | LS10 MODULE |
Product Name | Network Media Module |
Standard | • Wi-Fi – IEEE802.11a, IEEE802.11b, IEEE802.11g, IEEE802.11n, IEEE802.11ac standards • BT – v2.1+EDR, V5.2 BT Low Energy (BLE) |
Data Transfer Rate | 1,2,5.5,6,11,12,18,22,24,30,36,48,54,60,90,120,150, 300, and maximum of physical layer rate of 390 Mbps |
Frequency Band | 2.4 / 5.0 GHz |
Input Voltage | 3.3 V ± 5 %, 20-30 mVpk-pk |
USB_VBus (device mode) | 4.8-5.2V, 50 mVpk-pk |
Operating Temperature | -5˚C to + 70˚C |
Dimensions | 55 mm x 40 mm x 7 mm (L x W x H) ± 0.2mm |
Libre Wireless Technologies Data Sheet V1.2 Page 9 of 27 Libre Confidential
LS10 – Data Sheet
6.2. Wi-Fi Specification
Parameter | Description / Values |
Standard | 1×1 Dual Band 802.11 a/b/g/n/ac |
Operating Band Support | • Dual Band • 2.4GHz: 2.412 ~ 2.483 GHz • 5.0 GHz: 5.180GHz ~ 5.825GHz |
Network Architecture | • Infrastructure Mode • Concurrent STA/AP and STA/STA |
Transmit Output Power (+/- 2dBm tolerance) | • 2.4 GHz • 802.11b: 18 dBm (11Mbps) • 802.11g: 15 dBm (54Mbps) • 802.11n: 14 dBm (MCS 7) • 5.0 GHz • 802.11a: 14 dBm (54Mbps) • 802.11n: 13 dBm (MCS 7) • 802.11ac: 15 dBm (MCS 0) • 802.11ac: 13 dBm (MCS7) • 802.11ac: 10 dBm (MCS 9) |
Receiver Sensitivity | TBD |
Security | WEP 64&128 bit, WPA, WPA-PSK, WPA2, WPA2-PSK, WPS, IEEE 802.1x, IEEE 802.11i, WPA3 |
Libre Wireless Technologies Data Sheet V1.2 Page 10 of 27 Libre Confidential
LS10 – Data Sheet
6.3. Bluetooth Specification
Parameter | Description / Values |
Standard | V2.1+EDR, V3.0+HS, V5.2 BT Low Energy (BLE) |
Audio CODEC Support | SBC |
Profile Support | A2DP 1.2, AVRCP 1.3 |
Sampling Rates | • 44.1 KHz, 48 KHz • Joint Stereo 32 KHz |
Coexistence Support | Intelligent AFH (Advanced Frequency Hopping) – Channel Assessment WLAN/Bluetooth Coexistence (BCA) Protocol Support |
Data Rate | • GFSK: 1 Mbps • π/4 DQPSK: 2 Mbps • 8DPSK: 3 Mbps |
Modulation | GFSK, π/4 DQPSK, 8DPSK |
Operation Channel | 0 to 78 for BDR / EDR 0 to 39 for BLE |
Frequency Range | 2.4 GHz (2402 -2480 MHz) |
Security | AES Encryption |
Transmit Output Power (+/- 1dBm tolerance) | • BDR: 6 dBm • EDR: 4 dBm • LE: 6 dBm |
Receiver Sensitivity | • BDR: < -86 dBm • EDR: < – 84 dBm • LE: <-86 dBm |
Libre Wireless Technologies Data Sheet V1.2 Page 11 of 27 Libre Confidential
LS10 – Data Sheet
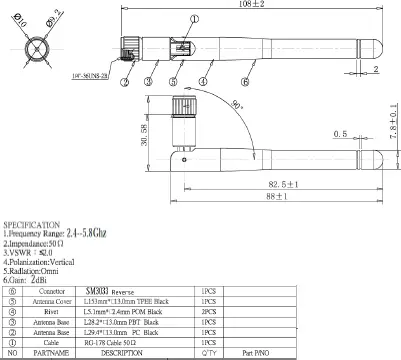
6.4. Antenna Specification
Antenna Module | LSANT-1C-180 |
Antenna Gain | ≤ 3.5dBi |
Manufacturer of Antenna | Golden Smart International Co., Ltd |
Antenna Images |
|
Libre Wireless Technologies Data Sheet V1.2 Page 12 of 27 Libre Confidential
LS10 – Data Sheet
6.5. Rubber Antenna Specification
Antenna Model | RC1WFI0886A |
Antenna Gain | ≤ 2.0 dBi |
Manufacturer of Antenna | Suzhou Point Positive Electronic Technology Co., Ltd |
Antenna Image |
|
Libre Wireless Technologies Data Sheet V1.2 Page 13 of 27 Libre Confidential
LS10 – Data Sheet
6.6. LS10 Module Ordering Information
Product Number | Wi-Fi Tx/Rx | Wi-Fi Bands | Bluetooth | Ethernet Memory | Module Dimension* (±0.2mm) | |
LS10-AC11DBT C | 802.11 b/g/n/ac 1×1 | 2.4 / 5.0 GHz | 5.2 BT + BLE | NA | 256 MB NAND 256 MB DDR3 | 55 x 40 x 7mm (L x W x H) ± 0.2mm |
LS10-AC11DBT C-E | 802.11 b/g/n/ac 1×1 | 2.4 / 5.0 GHz | 5.2 BT + BLE | Yes | 256 MB NAND 512 MB DDR3 | 55 x 40 x 7mm (L x W x H) ± 0.2mm |
LS10-AC11DBT GV | 802.11 b/g/n/ac 1×1 | 2.4 / 5.0 GHz | 5.2 BT + BLE | NA | 512 MB NAND 512 MB DDR3 | 55 x 40 x 7mm (L x W x H) ± 0.2mm |
LS10-CR-C-GV-E | 802.11 b/g/n/ac 1×1 | 2.4 / 5.0 GHz | 5.2 BT + BLE | Yes | 512 MB NAND 512 MB DDR3 | 55 x 40 x 7mm (L x W x H) ± 0.2mm |
LS10-CR-C-I | NA | NA | NA | NA | 256 MB NAND 256 MB DDR3 | 55 x 40 x 7mm (L x W x H) ± 0.2mm |
*Supported industrial grade Flash.
The LS10 module height does not include the measurement of bottom-side media-connector. |
Libre Wireless Technologies Data Sheet V1.2 Page 14 of 27 Libre Confidential
LS10 – Data Sheet
7. Mechanical, Connectors and Interfaces
7.1. Physical Module
Physical module dimension is 55mm x 40mm x 7mm (L x W x H) ± 0.2mm. Figure 7.1-1 represent module’s top.
7.1.1. Module Manufacturer

Figure 7.1-1: LS10 Module Top View
Libre Wireless Technologies Data Sheet V1.2 Page 15 of 27 Libre Confidential
LS10 – Data Sheet

Figure 7.1-2: LS10 Module Bottom View

Figure 7.1-3: LS10 Top View – Mechanical Dimension 1
Libre Wireless Technologies Data Sheet V1.2 Page 16 of 27 Libre Confidential
LS10 – Data Sheet
Figure

7.1-4: LS10 Top View – Mechanical Dimension 2

Figure 7.1-5: LS10 Top View – Mechanical Dimension 3
|
Libre Wireless Technologies Data Sheet V1.2 Page 17 of 27 Libre Confidential
LS10 – Data Sheet
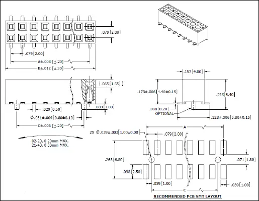
7.2. Media Connector Specification

Figure 7.2-1: Media Connector
Libre Wireless Technologies Data Sheet V1.2 Page 18 of 27 Libre Confidential
LS10 – Data Sheet
7.3. Pin Descriptions
7.3.1. Connector
Connector J1 | ||
Pin No. | Signal Name | Functionality |
1 | MDI_RN | MEDIUM DEPENDENT INTERFACE RX POSITIVE |
2 | MDI_RP | MEDIUM DEPENDENT INTERFACE RX NEGATIVE |
3 | MDI_TN | MEDIUM DEPENDENT INTERFACE TX POSITIVE |
4 | MDI_TP | MEDIUM DEPENDENT INTERFACE TX NEGATIVE |
5 | GND | GROUND |
6 | PCM_CLK | BT PCM BIT CLOCK |
7 | PCM_IN | BT PCM RXD |
8 | PCM_OUT | BT PCM TXD |
9 | PCM_SYNC | BT PCM LRCLK |
10 | GND | GROUND |
11 | UART1_RTS | UART1_RTS/GPIOZ_7 |
12 | UART1_CTS | UART1_CTS/GPIOZ_6 |
13 | NC | NC |
14 | PHY_LED0_AD0 | Link/ Status LED |
15 | CHELSEA_RST/IR_IN | GPIOAO_6/IR_IN |
16 | BUTTON1 | GPIOAO_3 |
17 | CHELSEA_IRQ/IR_OUT | GPIOAO_7/IROUT |
18 | GND | GROUND |
Libre Wireless Technologies Data Sheet V1.2 Page 19 of 27 Libre Confidential
LS10 – Data Sheet
Connector J1 | ||
Pin No. | Signal Name | Functionality |
19 | GND | GROUND |
20 | SPI0_SS0_A | SPI0 CHIP SELECT/GPIOZ_3 |
21 | SPI0_MISO_A | SPI0MISO/GPIOZ_2 |
22 | SPI0_MOSI_A | SPI0 MOSI/GPIOZ_1 |
23 | SPI0_CLK_A | SPI0 CLOCK/GPIOZ_0 |
24 | GND | GROUND |
25 | I2C_AO_SDA | I2C0 DATA |
26 | I2C_AO_SCL | I2C0 CLOCK |
27 | GND | GROUND |
28 | LS10_MCLKB | AUDIO O/P MASTER CLOCK |
29 | LS10_BCLK | AUDIO O/P BIT CLOCK |
30 | LS10_LRCLK | AUDIO O/P LR CLOCK |
31 | LS10_I2S_RXD | I2S1_TXD |
32 | LS10_I2S_TXD | I2S1_RXD |
33 | CPU_RESET | RESET PIN |
34 | HOST_UART_RX | HOST UART Communication |
35 | HOST_UART_TX | HOST UART Communication |
36 | GND | GROUND |
Libre Wireless Technologies Data Sheet V1.2 Page 20 of 27 Libre Confidential
LS10 – Data Sheet
Connector J2 | ||
Pin No. | Signal Name | Functionality |
1 | GND | GROUND |
2 | USB_OTG_ID | USB OTG IDENTIFICATION |
3 | LEDB | GPIOX_11 |
4 | LEDG | GPIOA_16 |
5 | LEDR | GPIOA_15 |
6 | BUTTON3 | GPIOX_7 |
7 | GND | GROUND |
8 | UART1_TX/I2C1_SCL | DEBUG UART1_TX/I2C1_SCL/GPIOZ_8 |
9 | UART1_RX/I2C1_SDA | DEBUG UART1_RX/I2C1_SDA/GPIOZ_9 |
10 | GND | GROUND |
11 | USB_DP | USB DATA PLUS |
12 | USB_DM | USB DATA MINUS |
13 | GND | GROUND |
14 | USB_VBUS | USB POWER. 5V SHOULD COME FROM EXTERNAL IF IT IS IN DEVICE MODE. |
15 | GND | GROUND |
16 | GND | GROUND |
17 | 3.3V | POWER RAIL |
18 | 3.3V | POWER RAIL |
Libre Wireless Technologies Data Sheet V1.2 Page 21 of 27 Libre Confidential
LS10 – Data Sheet
Connector J2 | ||
Pin No. | Signal Name | Functionality |
19 | GND | GROUND |
20 | SARADC_CH0 | ANALOG INPUT CHANNEL |
21 | GND | GROUND |
22 | BUTTON2 | GPIOAO_4 |
23 | DM1_DATA | MIC DATA |
24 | DM0_DATA | MIC DATA |
25 | DMIC_CLK | MIC CLOCK |
26 | GND | GROUND |
27 | SPDIF_OUT | SPDIF INPUT |
28 | SPDIF_IN | SPDIF OUTPUT |
29 | GND | GROUND |
30 | SPI1_SS0_B/I2S_RX | SPI1 CS/I2S2 RX/GPIOA_5 |
31 | SPI1_CLK_B/I2S_TX | SPI1 CLOCK/I2S2 TX/GPIOA_4 |
32 | SPI1_MISO_B/I2S_LRCLK | SPI1 MISO/I2S LRCLK/GPIOA_3 |
33 | SPI1_MOSI_B/I2S_BCLK | SPI1 MOSI/I2S BCLK/GPIOA_2 |
34 | LCD_RESET | LCD RESET/GPIOA_0 |
35 | LCD_BL_PWM/BUTTON5 | LCD BACKLIGHT PWM /GPIOZ_5 |
36 | LCD_BL_EN/BUTTON4 | LCD BACKLIGHT ENABLE/GPIOZ_4 |
Libre Wireless Technologies Data Sheet V1.2 Page 22 of 27 Libre Confidential
LS10 – Data Sheet
7.4. GPIO Details
Interface | Signal Name | Availability/Usage |
SPI | SPI0_SS0 | YES |
SPI0_SCLK | ||
SPI0_MOSI | ||
SPI0_MISO | ||
SPI1_SS0 | I2S2 AND SPI1 are mutually exclusive | |
SPI1_SCLK | ||
SPI1_MOSI | ||
SPI1_MISO | ||
UART_TX | Debug UART | |
UART_RX | ||
UART | UART1_RXD | Yes Full UART and I2C1 are mutually exclusive |
UART1_TXD | ||
UART1_RTS | ||
UART1_CTS | ||
I2C interface | I2C0_SCL | Yes ACP CODEC and HOST-MCU Communication (optional) |
I2C0_SDA | ||
I2C1_SCL | ||
I2C1_SDA |
Libre Wireless Technologies Data Sheet V1.2 Page 23 of 27 Libre Confidential
LS10 – Data Sheet
7.5. Power Consumption
TBD
LS10 GCast Configuration
Idle | Active Mode | Network Standby Mode | |
I (mA) | 248 | 300 | 185 |
V (V) | 3.3 | 3.3 | 3.3 |
P (mW) | 818.4 | 990 | 610.5 |
Power numbers may vary based on features. Power numbers are calculated theoretically. |
Libre Wireless Technologies Data Sheet V1.2 Page 24 of 27 Libre Confidential
LS10 – Data Sheet
8. Environmental
8.1. Storage Conditions
The calculated shelf life in a sealed bag is 12 months if stored between 0°C and 70˚C at less than 90% relative humidity (RH).
After the bag is opened, devices that are subjected to solder reflow or other high temperature processes must be handled in the following manner:
• Mounted within 168 hours in factory conditions, i.e., <30°C at 60% RH.
• Storage humidity needs to be maintained at <10%RH.
• Baking is necessary if the customer exposes the component to air for over 168 hrs. o Baking conditions: 125℃ for 8hrs.
Libre Wireless Technologies Data Sheet V1.2 Page 25 of 27 Libre Confidential
LS10 – Data Sheet
9. Reference Schematics
For detailed schematics of LS10 refer to the latest LS10-EVK Schematic, file in the portal. |
9.1. EVK Block Diagram
TBD.
9.2. MFI 3.0C Authentication Circuit

Figure 9.2-1: LS10 EVK ACP 3.0
Libre Wireless Technologies Data Sheet V1.2 Page 26 of 27 Libre Confidential
LS10 – Data Sheet
10. Disclaimer
THE MATERIALS AND INFORMATION ARE PROVIDED “AS IS” WITHOUT WARRANTY OF ANY KIND, EITHER EXPRESS OR IMPLIED, INCLUDING BUT NOT LIMITED TO, THE IMPLIED WARRANTIES OF MERCHANTABILITY, FITNESS FOR A Pas RTICULAR PURPOSE OR NON-INFRINGEMENT. We use reasonable efforts to include accurate and up-to-date information in this document. It does not however, make any representations as its accuracy or completeness of information. Use of this document is at your own risk. Libre Wireless Technologies, its suppliers, and other parties involved in creating and delivering this document’s contents shall not be liable for any special, indirect, incidental, or consequential damages, including without limitation, lost revenues or lost profits.
Libre Wireless Technologies Data Sheet V1.2 Page 27 of 27 Libre Confidential
LS10 – Data Sheet FCC regulatory conformance
FCC ID: 2ADBM-LS10
This device complies with Part 15 of the FCC Rules. Operation is subject to the following two conditions:
(1) This device may not cause harmful interference.
(2) This device must accept any interference received, including interference that may cause undesired operation.
NOTE: This equipment has been tested and found to comply with the limits for a Class B digital device, pursuant to part 15 of the FCC Rules. These limits are designed to provide reasonable protection against harmful interference in a residential installation. This equipment generates uses and can radiate radio frequency energy and, if not installed and used in accordance with the instructions, may cause harmful interference to radio communications. However, there is no guarantee that interference will not occur in a particular installation. If this equipment does cause harmful interference to radio or television reception, which can be determined by turning the equipment off and on, the user is encouraged to try to correct the interference by one or more of the following measures:
– Reorient or relocate the receiving antenna.
– Increase the separation between the equipment and receiver.
-Connect the equipment into an outlet on a circuit different from that to which the receiver is connected.
-Consult the dealer or an experienced radio/TV technician for help
NOTE: Unauthorized changes will result in loss of device operating privileges.
RF Exposure
This equipment complies with FCC radiation exposure limits set forth for an
uncontrolled environment. This equipment should be installed and operated with minimum distance of 20 cm between the radiator and your body. This transmitter must not be co-located or operating in conjunction with any other antenna or transmitter.
LS10 – Data Sheet IC regulatory conformance
IC: 20276-LS10
This device complies with CAN ICES-003 (B)/NMB-003(B).This device contains licence-exempt transmitter(s)/receiver(s) that comply with Innovation, Science and Economic Development Canada’s licence-exempt RSS(s). Operation is subject to the following two conditions:
(1) This device may not cause interference.
(2) This device must accept any interference, including interference that may cause undesired operation of the device.
RF Exposure
This equipment complies with IC radiation exposure limits set forth for an
uncontrolled environment. This equipment should be installed and operated with minimum distance of 20 cm between the radiator and your body. This transmitter must not be co-located or operating in conjunction with any other antenna or transmitter.
LS10 – Data Sheet ORIGINAL EQUIPMENT MANUFACTURER (OEM) NOTES
OEM must certify the final end product to comply with unintentional radiators (FCC Sections 07 and 15.109) before declaring compliance of the final product to Part 15 of the FCC rules and regulations. Integration into devices that are directly or indirectly connected to AC lines must add with Class II Permissive Change.
The OEM must comply with the FCC labeling requirements. If the module’s label is not visible when installed, then an additional permanent label must be applied on the outside of the finished product which states: “Contains transmitter module FCC ID: 2ADBM-LS10”. Additionally, the following statement should be included on the label and in the final product’s user manual: “This device complies with Part 15 of the FCC Rules. Operation is subject to the following two conditions:
(1) This device may not cause harmful interferences, and
(2) this device must accept any interference received, including interference that may cause undesired operation.”
The module is limited to installation in mobile or fixed applications. Separate approval is required for all other operating configurations, including portable configuration with respect to Part 2.1093 and different antenna configurations.
A module or modules can only be used without additional authorizations if they have been tested and granted under the same intended end-use operational conditions, including simultaneous transmission operations. When they have not been tested and granted in this manner, additional testing and/or FCC application filing may be required. The most straightforward approach to address additional testing conditions is to have the grantee responsible for the certification of at least one of the modules submit a permissive change application. When having a module grantee file a permissive change is not practical or feasible, the following guidance provides some additional options for host manufacturers. Integrations using modules where additional testing and/or FCC application filing(s) may be required are: (A) a module used in devices requiring additional RF exposure compliance information (e.g., MPE evaluation or SAR testing); (B) limited and/or split modules not meeting all of the module requirements; and (C) simultaneous transmissions for independent collocated transmitters not previously granted together.
This Module is full modular approval, it is limited to OEM installation ONLY.
Integration into devices that are directly or indirectly connected to AC lines must add with Class II Permissive Change. (OEM) Integrator has to assure compliance of the entire end product include the integrated Module. Additional measurements (15B) and/or equipment authorizations (e.g. Verification) may need to be addressed depending on co-location or simultaneous transmission issues if applicable. (OEM) Integrator is reminded to assure that these installation instructions will not be made available to the end user
LS10 – Data Sheet IC labeling requirement for the final end product:
The final end product must be labeled in a visible area with the following “Contains IC: 20276-LS10”
The Host Marketing Name (HMN) must be indicated at any location on the exterior of the host product or product packaging or product literature, which shall be available with the host product or online.
Unauthorized modifications could void the user’s authority to operate the equipment.
This radio transmitter [ lC: 20276-LS10] has been approved by Innovation, Science and Economic Development Canada to operate with the antenna types listed below, with the maximum permissible gain indicated. Antenna types not included in this list that have a gain greater than the maximum gain indicated for any type listed are strictly prohibited for use with this device.
LS10 – Data Sheet




















