RCM 201-ROGO Differential Current Monitoring Device

General information
Disclaimer
It is essential that the information products for the devices are observed to ensure safe operation and achieve the specified performance features and product features. Janitza electronics GmbH assumes no liability for personal injuries, property damage and financial losses resulting from the failure to observe the application information. Make sure that your information products are clearly legible and easily accessible. Additional usage information, such as the user manual, can be found on our web site www.janitza.de under Support > Downloads.
Copyright notice
© 2019 – Janitza electronics GmbH – Lahnau. All rights reserved. Any duplication, processing, distribution and any other kind of use, even in part, is prohibited.
Subject to technical changes
- Make sure that the installation instructions match your device.
- First, make sure you have read and understood the usage information belonging to the product.
- Keep the usage information accompanying the product accessible through its service life and hand it over to the subsequent owner where applicable.
- Please refer to www.janitza.de for information concerning device revisions and the associated adjustments to the usage information accompanying the product.
Disposal
Please observe the national regulations. Dispose of individual parts, where necessary, depending on the properties and existing country-specific regulations, e.g. as:
- Electronic waste
- Batteries and accumulators
- Plastics, metals or commission a certified disposal company with the scrapping.
Relevant laws, applied standards and directives
Please refer to the Declaration of Conformity on our web site (www.janitza.de) for the laws, standards and directives applied by Janitza electronics GmbH for the device.
Safety
Safety instructions
The installation instructions do not include a complete list of all safety measures necessary for operating the device. Special operating conditions may require additional measures. The installation instructions contain notes that must be observed for your personal safety and to prevent property damage.
Symbols used:
- The additional symbol indicates an electrical danger that can result in serious injuries or death.
- The general warning symbol calls attention to possible risks of injury. Observe all the instructions listed under this symbol in order to prevent injuries or even death.
Safety instructions in the installation instructions are highlighted with a warning triangle and are presented as follows depending on the level of risk:
- DANGER
Warns of an imminent danger that will result in serious or fatal injuries in the event of noncompliance. - WARNING
Warns of a potentially dangerous situation that can result in serious injuries or death in the event of noncompliance. - CAUTION
Warns of an imminently dangerous situation that can result in slight or minor injuries in the event of noncompliance.
ATTENTION
Warns of an imminently dangerous situation that can result in property damage or environmental damage in the event of noncompliance.
INFORMATION
Indicates a method that does not include a danger of injuries and property damage.
Safety measures
When operating electrical devices, specific parts of these devices inevitably carry dangerous voltage. As a result, serious injuries or property damage can occur if they are not handled correctly:
- Before connecting the device, ground it at the ground wire connection if available.
- Dangerous voltages may be present in all circuit parts connected to the power supply.
- There may still be dangerous voltages present in the device even after it is disconnected from the supply voltage (capacitor storage).
- Do not operate equipment with open current transformer circuits.
- Do not exceed the threshold values specified in the user manual and on the rating plate. This must also be observed during inspections and commissioning.
- Observe the safety instructions and warning notices in the usage information that accompanies the devices and their components!
- Opening or modifying the device is not permitted. Only the manufacturer may make any repairs.
WARNING
Danger due to noncompliance with warning and safety instructions. Noncompliance with warning and safety instructions on the device itself and in the information on using the device and its components can lead to injury or even death! Observe safety instructions and warning notices on the device itself and in the usage information associated with the devices and their components.
Qualified personnel
To prevent personal injuries and property damage, only qualified personnel with electrical engineering training may work on the base unit and its components. They must also have knowledge
- of the national accident prevention regulations.
- of safety technology standards.
- in the installation, commissioning and operation of the device and the components.
WARNING
Risk of injury due to electric voltage or electrical current!
When handling electrical currents or voltages, serious personal injuries or death can occur due to:
- Touching live exposed or stripped cores.
- Device inputs that are dangerous to touch.
- Before starting work on your system:
- Disconnect it from the power supply!
- Secure it against being switched back on!
- Verify disconnection from power!
- Ground and short circuit!
- Cover or block off neighboring parts that are under voltage!
Intended use
The device
- intended for installation in switching cabinets and small installation distributors. The device can be installed in any mounting position (please observe section 3 “Assembly”).
- not intended for installation in vehicles! Using the device in mobile equipment is considered an unusual environmental condition and is only permissible by special agreement.
- not intended for installation in areas exposed to harmful oils, acids, gases, vapors, dust and radiation, etc.
- designed as an indoor amplifier.
Incoming goods inspection
The prerequisites for trouble-free and safe operation of the devices and their components include proper transport, storage, setup and assembly, as well as careful operation and maintenance. Exercise caution when unpacking and packing the device, without using force and only using suitable tools.
Check:
- Devices and components by performing a visual inspection to ensure a flawless mechanical condition.
- The scope of delivery for completeness before beginning the installation of your devices and components.
If you assume that safe operation is no longer possible, shut down your device with the components immediately and secure it from being unintentionally started back up again.
It can be assumed that safe operation is no longer possible, when, for example, the device with its components:
- has visible damage,
- no longer functions despite an intact power supply,
- was subjected to extended periods of unfavorable conditions (e.g. storage outside of the permissible climate thresholds without adjustment to the room climate, condensation, etc.) or transport stress (e.g. falling from an elevated position, even without visible external damage, etc.). 3 Short device description and Installation The residual current amplifier RCM 201-ROGO is designed for use with coordinated current sensors (Janitza Rogowski coils) for universal measurement of residual currents.
Properties:
- Residual current amplifier for Rogowski coil
- Mounting on DIN rail
- Compact construction in plastic housing
- Standardized output signal of 0 … 40mA
- Measuring ranges 0.1… 125 A
- Power supply: 24 V DC
ATTENTION
Property damage due to noncompliance with the assembly instructions on compliance with the assembly instructions can damage or destroy your device.
- Ensure sufficient air circulation in your installation environment and, where applicable, sufficient cooling with high ambient temperatures.
- You can find more detailed information on the functions, data and assembly in the user manual. Mount the measurement device in switch cabinets or small distributor cabinets according to DIN 43880 (any installation position) on a 35 mm DIN rail as follows:
- Step A: Hang the device with the DIN rail device on the top of the DIN rail
- Step B: Press the device in the lower section to the DIN rail until it snaps in

General requirements
- Only connect to the amplifier unit designed to match the Rogowski coil by Janitza!
- There must be no indication of damage to the insulation on the Rogowski coil and on its supply line.
- A connection between the input or output signal and an external voltage is not permitted and may lead to the destruction of the device.
- The power pack must be sized sufficiently
- The supply voltage mass (-24 V) must be grounded (GND)
- The device should not be used in the vicinity of strong high-frequency fields (distortion of measured value)
Installation of the Janitza Rogowski coil
The Rogowski coil is preferably used for installation into existing systems (optionally on busbars lines/power cables). Subsequent installation is possible since the coil can be separated. For this purpose, the bayonet lock is opened on the current sensor with a left-hand turn, the coil wire is installed around the conductor to be measured and the bayonet lock is then closed again (right-hand turn) until the end of the measuring coil snaps in with an audible click). Then, the signal line of the Rogowski coil must be connected to the monitoring device (see connection diagram).
- Make sure that the current sensor is neither in contact with the busbar to be measured nor with an adjacent one, because the maximum permissible temperature of the signal line is +80 °C.
- Attach the current sensor to the primary conductor. For this purpose, use a cable tie that you lead through the fixture provided on the housing.
- If necessary, seal the bayonet lock to ensure it is tamper-proof.
INFORMATION
The supplied Rogowski coil ensures double insulation to the mains voltage.
Commissioning RCM 201-ROGO
The supply voltage level for your device can be found on the rating plate or in the technical data. Connect the supply voltage pursuant to the device label. After the supply voltage is connected, all LEDs briefly light up one by one (from top to bottom) and the device performs an initialization. During this time (approx. 15 sec.), the Red LED “ERROR” is illuminated continuously and the output is inactive. The device is ready for operation once the red LED goes out.
Programming of the measuring range (using the key)
- Start the programming mode by pressing the “PROG” key (for approx. 3 seconds). The yellow “PROG” LED lights up.
- Adjust the desired current measuring range by repeatedly pressing the “PROG” key. The corresponding green LED shows the corresponding active range.
- Around 5 seconds after pressing the key the last time, the yellow LED goes out and the measuring range is permanently stored.
- Factory setting of the measuring range: 125 A
TEST of the outputs (using the key)
If the “PROG” key is pressed for longer than 6 seconds, the transistor outputs (signal and alarm output) turn on for test purposes. Letting go of the key shuts them down again.
Alarm triggering
If the red ERROR LED is flashing, this signals that an active error. After a set delay time (10 seconds), the ERROR LED becomes a continuous light, while the alarm output is activated at the same time.
Error list (combined fault):
- Residual current level via a set value
- Rogowski measuring loop: Interruption
- Overtemperature
- Undervoltage (24V)
- Internal error
- The event can be exported via Modbus!
Warning output
- If the residual current level exceeds a set value, the warning output is activated after a delay time (5 seconds) has expired.
Programming via Modbus
- The following functions can be realized via the Modbus protocol:
| Function | Set up | Export |
| Measuring range | X | X |
| Signal output | X | X |
| Signal level | X | X |
| Signal delay | X | X |
| Alarm output | X | X |
| Alarm level | X | X |
| Alarm delay | X | X |
| Hysteresis | X | X |
| Modbus address | X | X |
| Baud rate | X | X |
| Key lock | X | |
| Hardware and software version | X | |
| Device ID | X |
Technical data
| Rogowski coil | Technical data |
| Diameter | 120, 200, 290, 390, 580 mm |
| Cable length connection line | 3.0 m |
| Lock | Bayonet |
| Operating temperature | -30 °C to +80 °C (-22 °F … 176 °F) |
| Storage temperature | -40°C to +80°C (-40 °F … 176 °F) |
| Secondary voltage | 100 mV/1kA @ 50 Hz |
| Overvoltage category | 1000 Veff CAT III 600 Veff CAT IV |
| Protection class | IP67 |
| Differential amplifier RCM 201-ROGO | Technical data | ||
| Dimensions | 22.5 x 100 x 110 mm ( W x H x D) 0.89 x 3.94 x 4.33 in (w x h x d) | ||
| Weight | Approx. 0.2 kg (0.44 lb) | ||
| Power supply | external, potential separated DC voltage 24 VDC / 0.1 A | ||
| Transport and storage – Storage temperature – Relative humidity | -40 °C to +80 °C (-40 °F … 176 °F) 0 to 90% RH (without condensing) | ||
| Ambient conditions during operation – Operating temperature – Relative humidity | -20 °C to +60 °C (-4 °F … 140 °F) 0 to 75% RH (without condensing) | ||
| Operating height | 0 .. 2000 m (1.24 mi) above sea level | ||
| Pollution degree | 2 | ||
| Protection class | IP30 | ||
| Connections | Screw terminal (max. 2.5 mm² ) | ||
| Rogowski loop connection | Mini-Din 4-pole | ||
| Rated response differential current measuring ranges | 2.5 A – 125 A 0.5 A – 25 A 0.2 A – 10 A 0.1 A – 5 A | ||
| Current measuring range setting | Manually using the key (> 3 sec) or Modbus (measuring range selection via micro-controller and PGA) | ||
| Signal and alarm output test | Manually using the key (> 6 sec) or Modbus | ||
| Operation and measuring range display | Measuring range display: Measuring range selection: Signal output: Alarm output: | LED green LED yellow LED yellow LED red | |
| Nominal input voltage | 100 µV / A | ||
| Current output | 0 – 40 mA ~ | ||
| max. current output for load = 0 Ω | 70 mA ~ | ||
| Overload current (duration) | 50 kA | ||
| Overload current (max. 1 sec) | 100 kA | ||
| Transmission error | 40 Hz … 60 Hz | < 2% | |
| 60 Hz … 5 kHz | < 5% | ||
| Rated frequency | 40 Hz – 5 kHz | ||
| Load (40 mA output) | 0 – 10 Ω | ||
| Operating lock | via Modbus | ||
| Alarm output potential-free (Opto) (Programming via MODBUS) | Transistor output 24 VDC / 100 mA | ||
| Output | Alarm normal (NO) Alarm inverted (NC), factory setting | ||
|
Alarm functions | Residual current level Measurement loop circuit Overtemperature Undervoltage (24 V) Internal error | ||
| Response differential current Alarm output | 100% (10% – 100% / 0.5% steps) | ||
| Hysteresis response differential current level | 5% (0 – 30%) |
| Response time alarm output | 10 sec (1 sec – 255 sec) |
| Alarm output potential-free (Opto) | Transistor output 24 VDC / 100 mA |
| Signal output functions | Residual current level normal (NO, factory setting) Residual current inverted (NC) |
| Response residual current Signal output | 100% (5% – 100% / 0.5% steps) |
| Signal output hysteresis | 5% (0 – 30%) |
| Signal output response time | 5 sec (1 sec – 255 sec) |
| Interface | RS485 (electrically isolated) |
| Communication protocol | MODBUS RTU |
| Baud rate | 9600 – 250000; programmable via Modbus; Default setting: 9600 bps (8 data bits/1 stop bit) |
| Address | 1 – 255; programmable via Modbus; Default setting: 1 |
Interfaces

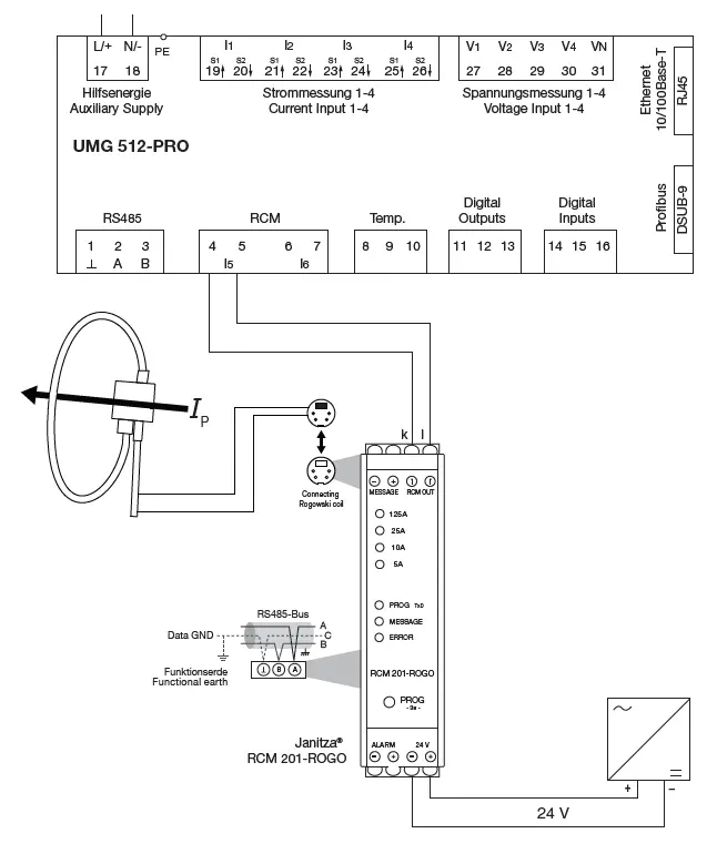
Connection examples to an UMG 512-PRO


Setting the Current transformer ratios on the measuring device
The following table shows the CT ratios to be set on the UMG, each in relation to the maximum output current (40 mA) that the RCM output of the RC201-Rogo outputs (e.g. to a UMG 512-PRO, see figure above):
| Measuring range | Setting the CT ratio on the measuring device |
| 5 A (5 : 0,04) | 125/1 |
| 10 A (10 : 0,04) | 250/1 |
| 25 A (25 : 0,04) | 625/1 |
| 125 A (125 : 0,04) | 3125/1 |
Please note:
The higher the measuring range, the less precise the measurements in lower ranges, e.g. in the 125 A measuring range, measurements function reliably from 2.5 A (in the 5 A measuring range – measurements from 100 mA)!
INFORMATION
A firmware update is possible starting from device firmware 2.5 via the GridVis software. Connect your device e.g. with a UMG (master) or an interface converter RS485-USB to a computer. Add the device in the GridVis software with the appropriate connection parameters, check the connection and install the firmware update. For more information, see the GridVis online help.















