MARTEC MRF134W Series Razor AC Ceiling Fan User Manual

Razor AC Series Installation Guide
Thanks for choosing our Razor AC Series ceiling fan.
We strongly recommend that you read this manual carefully before installation.
Models Parameters (Fan Only):-
MRF134W 1320mm 4 Blade Ceiling Fan White MRF134M 1320mm 4 Blade Ceiling Fan Matt Black
MRF134B 1320mm 4 Blade Ceiling Fan Brushed Nickel
Models Parameters (Fan and LED Light):-
MRF1343W 1320mm 4 Blade Ceiling Fan White with 28w LED Light
| Part List: | |||
| Qty 1x motor assembly | Qty 1x instruction manual | Qty 1x screw kit | Qty 1x balancing kit |
| Qty 1x hanging bracket | Qty 1x wall control kit | Qty 4x blades | |
Application
How to Assemble
Secure the hanger bracket to ceiling beam or a suitable piece of timber inserted between the ceiling beams using the two long screws supplied with the package.
Place fan into hanger bracket and align Ball Joint Slot with hanger bracket as illustrated.
After wiring is completed, attach the canopy to the hanger bracket by pushing upwards and twisting anti-clockwise. Tighten screws and ensure canopy is not
touching the ball joint.
WARNING Installation MUST carry out by a qualified and licensed electrician.
How to Install Blades
Remove the two screws from the covering plate.
Insert blade one at a time through four slots around the centre band and secure with three screws for each blade through the top opening. Replace this procedure for all blades.
Replace the cover plate and secure with two screws once all four blades have been firmly fitted.
NB: Ensure the blades do not get damaged or bent during the installation process while the fan maybe on the ground, this will affect the performance and balance of the fan and this is NOT covered under warranty
CCT (Colour Changeable Temperature)
Choose colour temperature by flicking the switch in the LED
WW = 3000K warm white
NW = 4000K neutral white
CW = 5000K cool white
How to Install / Remove the Cover
Turn anti-clockwise to remove and clockwise to tighten.
WARNING Installation MUST carry out by a qualified and licensed electrician.
Dimming
The Razor ceiling fan has a smart 3 step dimming LED light module which doesn’t require a dimmable remote control or a wall dimmer.
It only requires a normal on/off remote kit (MPREMS) or a normal light wall switch. (Supplied in remote control kit).
Turn the switch on and the light will turn on. Flick the switch on/off within 1 second and the light output will dim down to approx. 50%.
Flick the switch on/off again and the light output will dim down to approximately 15%. The light kit has no memory function, It will turn on 100% initially.
Installing Receiver Remote Control
Setting the code on transmitter
- Remove battery cover
- Slide code switches to your choice of ON/OFF position
- Install battery (supplied)
Setting code on receiver:-
- Slide code switches on the receiver in the same position set on the transmitter
Optional Accessories
Martec® remote control for AC Ceiling Fan illustrated below are sold separately
MPREMES
Premier Remote Control

MPLCDS
Premium LCD Remote Control
MWFBT
Smart Remote Control
WARNING Installation MUST carry out by a qualified and licensed electrician.
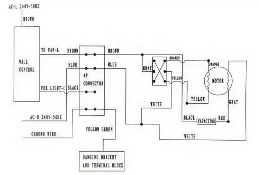
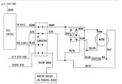
Wire Connections
6* Year Warranty
Visit our website for details https://www.martecaustralia.com.au/warranty-statement/
WARNING
- Installation of fans MUST follow SAA standards and meet local authority regulations.
- Installation MUST be carried out by a qualified and licensed electrician.
- Fan and light MUST be earthed.
- Bracket MUST be firmly attached to a flat solid structure or timber frame.
- DO NOT mix blades from one model to another, all blades MUST be replaced if damaged.
- The warranty is VOID if product is not installed according to this installation guide.
E: [email protected] | P: 02 8778 7500 www.martecaustralia.com.au


























