CADPXS LGR MAX 180PPD Commercial Dehumidifier with Pump & Drain Hose

The CADPXS LGR MAX is 6% smaller than the closest dehumidifier and yet it still has an integrated handle and wheels as well as on board storage for the power cord and condensate hose! The all-new LGR MAX Micro-Channel condenser allows us to pack so much performance into such a small dehumidifier.
CAUTIONARY WARNING
- The appliance is not being used above the elevation level of over 2000 m (6562 ft.)
- The appliance is only designed to be USED INDOORS.
- If being used in a wet area, plug it into a GROUND FAULT
INTERRUPTER. - DO NOT use the appliance as a bench or table.
- The appliance must always be used in a horizontal position.
WARNING
Read the operation and maintenance instructions carefully before using this unit. Proper adherence to these instructions is essential to obtain maximum benefit from your LGR MAX dehumidifier.
- It is designed to be used INDOORS ONLY.
- If used in a wet area, plug it into a GROUND FAULT INTERRUPTER.
- DO NOT use the LGR MAX as a bench or table.
- It must always be used in the upright position.
INTRODUCTION
LGR MAX is a highly power dehumidifier created by a company dedicated to achieving maximum humidity in an ultra-space-saving design. These machines deliver optimum results even in the toughest water restoration environments. With Low Energy input and is very lightweight. It excels in delivering high-performance results of 85 Pints per Day. CADPXS has brought quite an amazing set of Dehumidifiers, the LGR MAX, integrated with handle and wheels support and quipped with onboard storage and condensate hose. Although compact in size, these dehumidifiers deliver great humidity settings for any room with a top of the notch control panel that can instantly detect the room and provide instant feedback. With a superior stacking and a heavy-duty condensate pump. These stackable dehumidifiers are the best drying system.
ELECTRICAL SUPPLY
- Power Supply: 110-120 VAC, Grounded
- Outlet Requirement: 3-Prong
- Circuit protector: 15 Amp
SPECIFICATIONS
- Power: 5.82 amps
- Water Removal: 85 pints/day@ AHAM (80° F, 60%)
Water Removal 10.625 gal/day maximum @ AHAM - Blower: 210 CFM
- Functioning Humidity Range: 25-80%
- Operating Range: 35.6°F-105°F
- Filter: 9.5×10.6×0.4 in Pleated Media MERV-8
- Unit Size: 21×11.81×17.4 in
- Unit Weight: 62.8 lbs
Note: specifications subject to change without notice.
INSTALLATION AND OPERATION GUIDE
- Selecting the Location
- Place the Unit in an Upright Position.
- The location of the operation should be an enclosed area.
- The location should allow constant air circulation.
- The location should have power outlet at about 6 meters of the device as that is the length of the cord.
- Keep the Dehumidifier away from any moisture-laden air in the working area.
- Power cord Installation
Connect the plug of the connector of the power to the power outlet of the appliance. - Drain Hose Installation
- Attach the hose inlet to the drain outlet located on the graph appliance.

- .Allow the hose to be set off to a drain or a sink or even to a container that can collect the discharged water.
- Attach the hose inlet to the drain outlet located on the graph appliance.
OPERATION

Press the POWER button to turn the dehumidifier ON and OFF.
Press the PURGE button to purge the machine.
Press the MENU button to advance to the next screen or to enter a value.
Press the SET button to scroll through available values.
STARTUP
- When the unit is plugged in you will see the CADPXS LO GO.
- The display will inform the machine is in shutdown mode, press the “Power button” to turn on.
- When the machine is in dehumidification mode, the display will show:

In: Temperature, Humidity, GPP of the current inlet. GPP= Grains per pound (GR/LB).
Out: Temperature, Humidity, GPP of the current outlet. GPP= Grains per pound (GR/LB).
Set: The humidity value currently Set (the machine will stand by after the humidity reaches the Set value).
Job hours and Life hours display.
- Press the MENU button to enter the submenu. Device name displayed on the screen. Go to the APP to change only applicable to an app-controlled dehumidifier. Press the MENU button to confirm selection and advance to the next screen.
- Display the working hours of this time. Press the MENU button to confirm selection and advance to the next screen.
- The screen displays the Coil temp. Press the MENU button to confirm selection and advance to the next screen.

- Wifi Hotspot: Factory setting is “OF F”, press “set button” to enable Wifi hotspot and switch ON/OF F. The device can transmit data and receive APP commands. The icon flickers when connected to the main interface. After a successful connection , the icon displays normally. Only applicable to APP-controlled dehumidifier. Press the MENU button to confirm selection and advance to the next screen.(Note:Only applicable to the appcontrolled dehumidifiers.)
- Press the “power button” to turn off the dehumidifier, the dehumidifier will go through a shutdown cycle.
- The shutdown cycle can be adjusted according to “Settings”, and the shutdown cycle can be adjusted from 3 minutes to 20 minutes to better drain the water.

- Press the Set button to toggle the temperature units between °F and °C. Press the MENU button to confirm selection and advance to the next screen.
- Press the “Set button” to switch GPP units between gr/lb. or gr/kg. Press the “MENU button” to confirm the selection and advance to the next screen. GPP= Grains per pound (GR/LB).
- Press the “Set button” to adjust the set point RH% in 5% increments ranging from 25 to 80% RH. and then loop back to CO. Adjust to CO mode, dehumidifier always running. Press the “MENU button” to confirm selection and advance to the next screen.

- The display prompts the user that the defrost cycle is in progress.
- The defrosting status is displayed on the main interface as a flashing icon until the defrosting ends and the defrosting lamp disappears. In the meantime, please wait patiently for the machine to finish frosting.
- The compressor is in a protective condition. During this period, please be patient and wait for the countdown to end. The dehumidifier will automatically turn on after the countdown.

- When the purge button
is pressed the display will tell the user on the dashboard that the pump is draining and display a 30-second countdown timer. Until the machine finishes draining, the display will also prompt the user on the dashboard that the machine is draining automatically, and display a 30-second countdown .
- When the purge button
TROUBLESHOOTING
If the machine has an error and needs service, the onboard control system will display a diagnostic code. If El, E4, HI or LO is displayed on the vehicle control screen, please refer to the following:

- El: Humidity Sensor or Communication Error
Solution: Check to ensure that the sensor wire is connected at both ends, if no issues are visible, the sensor may be faulty. - E4: Problem with Pump
Solution: Verify that the pump is properly installed and functioning. If so, unplug the unit for two minutes, then restart. - LO: Room Temperature is below 35.6°F
Solution: Increase the room temperature so it is within operation range (above 35.6°F). If error is still displayed, check the sensor. - HI: Room Temperature is above 105°F
Solution: Decrease the room temperature so it is within operating range (below 105°F). If error is still displayed, check the sensor. - ES: Refrigerant Leak
Solution: Contact us for Assistance .
MAINTENANCE
Unit Maintenance
- Always clean the surface of the housing with a damp cloth. Do not clean with water directly.
- Always store the machine in a day and cool indoor place, away from sunlight as well as chemicals and out of children’s reach.
Filter Maintenance
- Unplug the unit.
- Slide-out the filter from the side.
- Check the filter for dirt and buildup.
- Clean the filter mesh by vacuuming it or washing with warm water (no soap or cleaners). Gently shake the filter dry then reinsert it.
There is dirt or buildup, replace the filter.
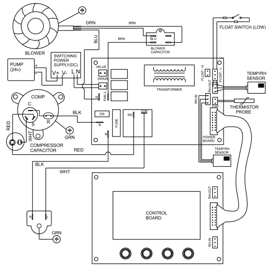
WIRING DIAGRAM

BUMPER TO BUMPER WARRANTY
By choosing CADPXS, you will be sure that you have a commercial grade dehumidifier that will perform the job it is designed for. These are state of the art dehumidifiers that are backed with a bumper to bumper warranty.
BENEFITS OF CADPXS WARRANTY
- A CADPXS bumper-to-bumper warranty covers the entire product and accessories, electrical parts and components, safety equipment and instruments.
- It does not cover parts of the product that wear and tear with time. It does not cover routine maintenance tasks. Parts damaged by you, an accident, or improper maintenance are also not covered.
- Coverage from dealerships can be more costly due to the fact that it may be rolled into your product payment plan and accrue interest. Third party extended warranty costs will vary depending on the make and model of your product, your product usage history, and other factors.
- If you want to avoid unexpected expensive repairs, a bumper-tobumper warranty can protect you financially and provide you with peace of mind that you’ll be taken care of. product service contracts also usually include added benefits such as technical assistance, repairs, and in some cases installation assistance.
WARRANTY REGISTRATION
CADPXS believes in the quality of its products. This is why it stands behind its products and gives a more extended warranty than what you can get elsewhere. To CADPXS, a longer warranty is an important aspect of our service. This is the reason why the company fully supports its bumper to bumper warranty. The warranty is valid if claimed by an original buyer and if bought from CADPXS, authorized reseller or dealer. The company covers the cost of the components, the cost of labor required to repair the unit. However, the cost of dissembling, transportation, and installing the product will be paid by the client.
- 2550 N LOOP FWY #108 HOUSTON TX 77092
- (888)928-1380 (Monday-Friday: 08:00AM – 5:00PM) UTC
- [email protected]
- www.cadpxs.com


























