GRUNDFOS MQ Series MQ3-45 Pressure Booster Pump Instruction Manual
Before beginning installation procedures, these installation and operating instructions should be studied carefully. The installation and operation should also be in accordance with local regulations and accepted codes of good practice.
General description
The MQ is a compact water supply system consisting of a pump, motor, pressure tank and controller combined in an integral unit.
The pump starts automatically when water is consumed in the installation and stops when the consumption ceases. The MQ is a low-noise pump which can be installed both indoors and outdoors.
The pump is self-priming and has a non-return valve incorporated in the suction port, see fig. 1. The pump features a user-friendly control panel.
The pressure tank incorporated in the pump reduces the number of starts and stops in case of leakage in the installation.
The MQ pump has built-in over temperature and dry running protection.
Applications
Typical applications:
- Water pressure boosting in storage tanks (maximum inlet pressure 3 bar) and
- water supply from wells (maximum suction lift 8 metres), e.g.
- in private homes,
- in summer houses and weekend cottages,
- on farms,
- in market gardens and other large gardens.
The pump can be used for rain water and has been approved for drinking water.
The maximum suction lift of the pump can be determined from the diagram on page 120.
Example:
If the suction lift is 2.5 metres, the length of the suction pipe must not exceed 24 metres.
Type key

MQ pump

Pumped liquids
Thin, clean, non-aggressive liquids, not containing solid particles or fibres.
Technical data
Operating conditions
| MQ 3-25 | MQ 3-35 | MQ 3-45 | |
| Maximum pressure [bar] | 2.5 | 3.5 | 4.5 |
| Maximum system pressure [bar] | 7.5 | ||
| Maximum suction lift [m], see page 120 | 8 | ||
| Minimum ambient temperature [°C] | 0 | ||
| Maximum ambient temperature [°C] | 45 | ||
| Minimum liquid temperature [°C] | 0 | ||
| Maximum liquid temperature [°C] | 35 | ||
| Net weight [kg] | 13.0 | ||
| Sound pressure level [dB(A)] | < 70 | ||
| Tank volume [l] | 0.16 | ||
| Air pressure in tank [bar] | 1.0 | 1.5 to 1.7 | |
| 50 Hz: | |||
| Maximum flow rate [m³/h] | 4.5 | ||
| G 1 | |||
| 60 Hz: | |||
| Maximum flow rate [m³/h] | 5 | ||
| Connections | 1″ NPT | ||
Electrical data
| MQ 3-25 | MQ 3-35 | MQ 3-45 | |||||
| Enclosure class | IP 54 | ||||||
| Insulation class | B | ||||||
| Supply cable | 2 m H07RN-F with/without plug | ||||||
| 50 Hz: | |||||||
| Voltage [VAC] | 1 x 220-240 V –10/+6% | ||||||
| Power consumption, P1 [W] | 600 | 850 | 1000 | ||||
| 60 Hz: | |||||||
| Voltage, | 1 x 110-120 V –10/+6% | – | 800 | 1000 | |||
| power consumption, P1 [W] | 1 x 220-240 V –10/+6% | 550 | 850 | 1050 | |||
Dimensions
See dimensions at the end of these instructions.
Approvals
Materials in contact with the pumped liquid have been approved by the British Water Regulations Advisory Scheme (WRAS) according to BS 6920 for use in drinking water.
Other approvals: See pump nameplate.
Functions
Control panel
The MQ pump is operated entirely by means of the control panel, see fig. 2. The control panel offers the possibility of starting/stopping the pump. The pump settings and operating condition are indicated by indicator lights.
The functions of the control panel are described in the following table:
| Illustration | Description | |
| 1 | ![]() | Indicator light (red): When the indicator light is on, the pump is on standby. |
| 2 | ![]() | On/off button: The pump is started/stopped by means of the on/off button. The on/off button can also be used for manual resetting in case of an alarm condition:
|
| 3 | ![]() | Indicator light (green): Indicates that the pump is ready for operation. When the indicator light is on, the pump will start automatically when water is consumed. The pump will stop a few seconds after the water consumption has ceased. |
| 4 | ![]() | Pump on (green): The indicator light is on when the pump is running. |
| 5 | ![]() | Auto-reset (green): As standard, this function is activated on delivery (does not apply to pump versions for Australia). When the indicator light is • on, the Auto-reset function is activated. The pump will automatically attempt to restart every 30 minutes after an alarm/ fault over a period of 24 hours. After this period, the pump will remain in the alarm condition. • off, the Auto-reset function is deactivated. The pump will not restart after an alarm/fault. The Auto-reset function can be activated/deactivated by pressing the on/off button for 5 seconds. Note: When water is consumed, the pump will start and stop automatically, whether the Auto-reset light is on or off. |
| 6 | ![]() | Alarm (red): The indicator light is on when the pump is in alarm condition. The alarm condition may have been caused by:
|
Note: The pump settings are stored. After supply failure, the pump will automatically revert to its operating condition when the electricity supply is connected again.
Pump stop
4.2 Pump stop
The pump incorporates an electronic protective function which will stop the pump in case of
- dry running,
- over temperature,
- overloaded motor,
- seized-up motor/pump,
- frequent starts/stops (the “Alarm” indicator light flashes) caused by
- leakage in suction pipe,
- dripping tap or
- running toilet.
The pump will restart automatically after 30 minutes (for 24 hours) in case of any type of fault if the Autoreset function is activated (the green indicator light on the control panel is on, see point 5 in the table in section 4.1 Control panel).
Mounting and connection
Mounting the pump
The pump is resistant to sunlight and can be installed both indoors and outdoors. When installed outdoors, it is recommended to protect the pump by means of a suitable cover.
Always mount the pump on the base plate with horizontal suction port and vertical discharge port.
The pump must be mounted horizontally.
Maximum permissible inclination angle: ±18°, see fig. 3.
The pump must be secured to a solid foundation by bolts through the holes in the base plate, see fig. 4.
The pump discharge is flexible, ±5°, to facilitate the connection. Never apply unnecessary force when connecting the pipes.
The pump is supplied with G 1 (50 Hz) or 1″ NPT (60 Hz) screwed connections to be fitted in the suction and discharge ports, see fig. 5.
The pump incorporates a non-return valve which prevents backflow during priming and operation.
Installations with long suction pipes: A non-return valve is supplied with the pump. It is recommended to fit this non-return valve in the pump suction port.
If the pump is installed in long pipes, the pipes must be adequately supported on either side of the pump in order not to strain the pump connections. If the pump draws water from a well, it is recommended also to fit a foot valve to the end of the suction pipe, see fig. 6.
If a hose is used for suction pipe, it must be of a non collapsible type.
As the pump is self-cooling, no space is required around the pump and no ventilation is required.
Electrical connection
The electrical connections and additional protection should be carried out by qualified persons in accordance with local regulations.
Never make any connections in the pump terminal box unless the electricity supply has been switched off for at least 5 minutes.
The pump must be earthed (PE).
Do not start the pump until it has been filled with water (primed).
The pump must be connected to the mains via a rubber-sheathed cable with a protective earth lead. It is possible to replace the mains supply cable, see fig. 7.
Connect the mains supply cable of the pump to the electricity supply. When the cable is connected, a red and a green indicator light on the control panel will be on, see fig. 8.
Does not apply to pump versions for Australia.
Generator or inverter
Note: The MQ can be powered by a generator or an inverter. However, the pump will only operate satisfactorily if the generator or inverter generates a true sinusoidal wave with the necessary power and voltage input.
Start-up
Before start-up, the pump must be filled with 4.5 to 5 litres of water to enable it to self-prime, see fig. 9.
The pump is self-priming with a maximum suction lift of 8 metres.
When the pump is started, it will start to self-prime.
When the pump has been primed, it will automatically change over to normal operation. If the priming has not been completed within 5 minutes, the pump will stop automatically and attempt to restart after 30 minutes. It is possible to reset the pump manually, see point 2 in the table in section 4.1 Control panel.
Maintenance
Under normal operating conditions, the pump is maintenance-free. However, it is recommended to keep the pump clean.
Do not remove the pressure tank from the pump unless it has been vented through the air escape valve.
Never touch the electronics unless the pump has been switched off for at least 5 minutes.
If there is any risk of frost damage, drain the pump through the drain hole and slacken the union nut on the discharge pipe, see fig. 10. The pump must be filled with liquid before it is started up again, see fig. 9.
Service kits
Service kits are available for the MQ pump. The service kits consist of the following replaceable parts:
- shaft seal,
- motor,
- electronic units,
- hydraulic components.
Start-up after a long time of inactivity
The end cover incorporates a plug which can be removed by means of a suitable tool. It is then possible to free the pump rotor if it has seized up as a result of inactivity. If the pump has been drained, it must be filled with liquid before start-up, see fig. 9.
Service
Note: If a pump has been used for a liquid which is injurious to health or toxic, the pump will be classified as contaminated.
If Grundfos is requested to service the pump, Grundfos must be contacted with details about the pumped liquid, etc. before the pump is returned for service.
Otherwise Grundfos can refuse to accept the pump for service.
Possible costs of returning the pump are paid by the customer.
However, any application for service (no matter to whom it may be made) must include details about the pumped liquid if the pump has been used for liquids which are injurious to health or toxic.
Disposal
Disposal of this product must be carried out according to the following guidelines:
- Use the local public or private waste collection service.
- In case such waste collection service does not exist or cannot handle the materials used in the product, please deliver the product or any hazardous materials from it to your nearest Grundfos company or service workshop
Fault finding chart
| Fault | Cause | Remedy |
| 1. The pump does not start. | a) Insufficient water | Check the water supply/suction pipe. |
| b) Overheating due to excessive liquid temperature (above +35°C). | Supply cold liquid to the pump. | |
| c) Overheating due to seized-up/ choked-up pump. | Contact your pump supplier. | |
| d) Too low or too high supply voltage. | Check the supply voltage and correct the fault, if possible. | |
| e) No electricity supply. | Connect the electricity supply. | |
| f) No water consumption. | Open a tap. Check that the height between the top point of the discharge pipe and the pump does not exceed 15 metres. | |
| g) The pump is in alarm condition. | Reset the pump by means of the on/off button. See point 2 in the table in section 4.1 Control panel. | |
| 2. The pump does not stop. | a) The existing pipework is leaking or defective. | Repair the pipework. |
| b) The non-return valve is blocked or missing. | Clean the valve or fit a new non-return valve. | |
| 3. The pump cuts out during operation. | a) Dry running. | Check the water supply/suction pipe. |
| b) Overheating due to excessive liquid temperature (above +35°C). | Supply cold liquid to the pump. | |
c) Overheating caused by:
| Contact your pump supplier. | |
| d) Too low supply voltage. | Check the supply voltage and correct the fault, if possible. | |
| 4. The pump cuts out during operation. The “Alarm” indicator light flashes. | a) Frequent starts/stops caused by
| Check the water supply/suction pipe. |
| 5. The pump starts and stops too frequently. | a) Leakage in suction pipe or air in the water. | Check the water supply/suction pipe. |
| b) Too low or too high pressure in pressure tank. | Check pressure in pressure tank, see section 3.1 Operating conditions. | |
| 6. The pump gives electric shocks. | a) Defective earth connection. | Connect the earth connection to the pump in accordance with local regulations. |
| 7. The pump starts when no water is consumed. | a) Defective non-return valve or the existing pipework is leaking or defective. | Clean the valve or fit a new non-return valve. |
If the pump does not start when the fault has been corrected, contact your pump supplier or Grundfos for further information.
Dimensions

Suction lift/suction pipe

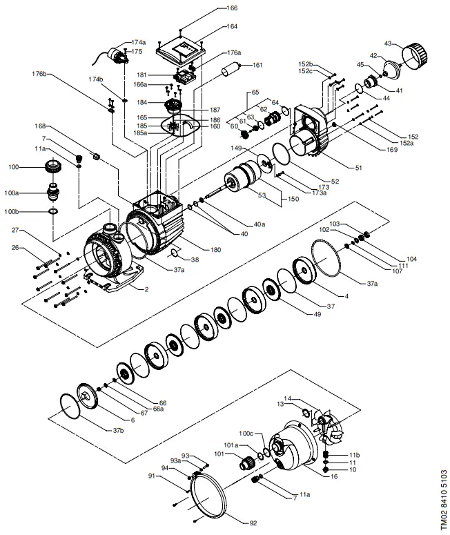
Exploded view

Declaration of Conformity
We GRUNDFOS declare under our sole responsibility that the products MQ, to which this declaration relates, are in conformity with the Council Directives on the approximation of the laws of the EC Member States relating to
- Machinery (98/37/EC).
Standard used: EN 292. - Electromagnetic compatibility (89/336/EEC).
Standards used: EN 61 000-6-2 and EN 61 000-6-3. - Electrical equipment designed for use within certain voltage limits (73/23/EEC) [95].
Standards used: EN 60 335-1 and EN 60 335-2-41.
Contact Us
Denmark
GRUNDFOS DK A/S
Poul Due Jensens Vej 7A
DK-8850 Bjerringbro
Tlf.: +45-87 50 50 50
Telefax: +45-87 50 51 51
Albania
COALB sh.p.k.
Rr.Dervish Hekali N.1
AL-Tirana
Phone: +355 42 22727
Telefax: +355 42 22727
Australia
GRUNDFOS Pumps Pty. Ltd.
P.O. Box 2040
Regency Park
South Australia 5942
Phone: +61-8-8461-4611
Telefax: +61-8-8346-7434
Austria
GRUNDFOS Pumpen Vertrieb Ges.m.b.H.
Grundfosstraße 2
A-5082 Grödig/Salzburg
Tel.: +43-6246-883-0
Telefax: +43-6246-883-60/
883-30
Belgium
N.V. GRUNDFOS Bellux S.A.
Boomsesteenweg 81-83
B-2630 Aartselaar
Tél.: +32-3-870 7300
Télécopie: +32-3-870 7301
Belorussia
Ïðåäñòàâèòåëüñòâî
ÃÐÓÍÄÔÎÑ â Ìèíñêå
220090 Ìèíñê óë.Îëåøåâà 14
Òåëåôîí: (8632) 62-40-49
Ôàêñ: (8632) 62-40-49
Bosnia/Herzegovina
GRUNDFOS Sarajevo
Paromlinska br. 16,
BiH-71000 Sarajevo
Phone: +387 33 713290
Telefax: +387 33 231795
Bulgaria
GRUNDFOS Bulgaria BG-1421 Sofia
105-107 Arsenalski blvd.
Òåë.: +359 2963 3820, 2963 5653
Ôàêñ: +359 2963 1305
Croatia
GRUNDFOS predstavništvo Zagreb
Radoslava Cimermana 64a
HR-10000 Zagreb
Phone: +385 1 6595 400
Telefax: +385 1 6595 499
Czech Republic
GRUNDFOS s.r.o.
Čajkovského 21
779 00 Olomouc
Phone: +420-585-716 111
Telefax: +420-585-438 906
Finland
OY GRUNDFOS Pumput AB
Mestarintie 11 Piispankylä
FIN-01730 Vantaa (Helsinki)
Phone: +358-9 878 9150
Telefax: +358-9 878 91550
France
Pompes GRUNDFOS Distribution S.A.
Parc d’Activités de Chesnes 57, rue de Malacombe
F-38290 St. Quentin Fallavier (Lyon)
Tél.: +33-4 74 82 15 15
Télécopie: +33-4 74 94 10 51
Germany
GRUNDFOS GMBH
Schlüterstr. 33 40699 Erkrath
Tel.: +49-(0) 211 929 69-0
Telefax: +49-(0) 211 929 69-3799
e-mail: [email protected]
Service in Deutschland:
e-mail: [email protected]
Greece
GRUNDFOS Hellas A.E.B.E.
20th km. Athinon-Markopoulou Av.
P.O. Box 71
GR-19002 Peania
Phone: +0030-210-66 83 400
Telefax: +0030-210-66 46 273
Hungary
GRUNDFOS Hungária Kft.
Park u. 8
H-2045 Törökbalint,
Phone: +36-34 520 100
Telefax: +36-34 520 200
Ireland
GRUNDFOS (Ireland) Ltd.
Unit 34, Stillorgan Industrial
Park
Blackrock
County Dublin
Phone: +353-1-2954926
Telefax: +353-1-2954739
Italy
GRUNDFOS Pompe Italia S.r.l.
Via Gran Sasso 4
I-20060 Truccazzano (Milano)
Tel.: +39-2-95838112
Telefax: +39-2-95309290/
95838461
Macedonia
MAKOTERM
Dame Gruev Street 7
MK-91000 Skoplje
Phone: +389 91 117733
Telefax: +389 91 220100
Netherlands
GRUNDFOS Nederland B.V.
Postbus 104
NL-1380 AC Weesp
Tel.: +31-294-492 211
Telefax: +31-294-492244/
492299
Norway
GRUNDFOS Pumper A/S
Strømsveien 344
Postboks 235, Leirdal
N-1011 Oslo
Tlf.: +47-22 90 47 00
Telefax: +47-22 32 21 50
Poland
GRUNDFOS Pompy Sp. z o.o.
ul. Klonowa 23
Baranowo k. Poznania
PL-62-081 Przeźmierowo
Phone: (+48-61) 650 13 00
Telefax: (+48-61) 650 13 50
Portugal
Bombas GRUNDFOS (Portugal) Lda.
Rua Calvet de Magalhães, 241
Apartado 1079
P-2780 Paço de Arcos
Tel.: +351-1-4407600
Telefax: +351-1-4407690
Republic of Moldova
MOLDOCON S.R.L.
Bd. Dacia 40/1
MD-277062 Chishinau
Phone: +373 2 542530
Telefax: +373 2 542531
România
GRUNDFOS Pompe România
SRL Sos. Panduri No. 81- 83, Sector 5
RO-050657 Bucharest
Phone: +40 21 4115460/
4115461
Telefax: +40 21 4115462
E-mail: [email protected]
Russia
ÎÎÎ Ãðóíäôîñ
Ðîññèÿ, 109544 Ìîñêâà,
Øêîëüíàÿ 39
Òåë. (+7) 095 737 30 00, 564
88 00
Ôàêñ (+7) 095 737 75 36, 564
88 11
E-mail [email protected]
Serbia and Montenegro
GRUNDFOS Predstavništvo
Beograd
Dr. Milutina Ivkovića 2a/29
YU-11000 Beograd
Phone: +381 11 2647 877, 11
2647 496
Telefax: +381 11 2648 340
Slovenia
GRUNDFOS Office
Cesta na Brod 22
SI-1231 Ljubljana-Crnuce
Phone: +386 1 563 2096
Telefax: +386 1 563 2098
Spain
Bombas GRUNDFOS España
S.A.
Camino de la Fuentecilla, s/n
E-28110 Algete (Madrid)
Tel.: +34-91-848 8800
Telefax: +34-91-628 0465
Sweden
GRUNDFOS AB
Box 63, Angeredsvinkeln 9
S-424 22 Angered
Tel.: +46-771-32 23 00
Telefax: +46-31-3 31 94 60
Switzerland
GRUNDFOS Pumpen AG
Bruggacherstrasse 10
CH-8117 Fällanden/ZH
Tel.: +41-1-806 8111
Telefax: +41-1-806 8115
Taiwan
GRUNDFOS Pumps (Taiwan) Ltd.
14, Min-Yu Road Tunglo Industrial Park Tunglo, Miao-Li County Taiwan, R.O.C.
Phone: +886-37-98 05 57
Telefax: +886-37-98 05 70
Ukraina
Ïðåäñòàâèòåëüñòâî
ÃÐÓÍÄÔÎÑ â Êèåâ
252033 Êèåâ óë.ÍèêîëüñêîÁîòàíè÷åñêàÿ 3 êâ.1
Òåëåôîí: (044) 563-55-55
Ôàêñ: (044) 234-8364
United Arab Emirates
GRUNDFOS Gulf Distribution
P.O. Box 16768
Jebel Ali Free Zone
Dubai
Phone: +971-4-8815166
Telefax: +971-4-8815136
United Kingdom
GRUNDFOS Pumps Ltd.
Grovebury Road
Leighton Buzzard/Beds. LU7
8TL
Phone: +44-1525-850000
Telefax: +44-1525-850011
U.S.A.
GRUNDFOS Pumps Corporation
17100 West 118th Terrace
Olathe, Kansas 66061
Phone: +1 913 227 3400
Telefax: +1 913 227 3500
Usbekistan
Ïðåäñòàâèòåëüñòâî
ÃÐÓÍÄÔÎÑ â Òàøêåíòå
700000 Òàøêåíò óë.Óñìàíà
Íîñèðà 1-é
òóïèê 5
Òåëåôîí: (3712) 55-68-15
Ôàêñ: (3712) 53-36-35























