POTTER EVD-S Electronic Vibration Detector System
Features
UL LISTED
Dimensions: 12 1/4″H x 8 3/8″W x 3 1/8″D 31,1cm H x 21,3cm W x 7,9 cm D
Weight: 8 lbs., 3,6 kg.
Enclosure: 18 Gauge – Cold Rolled Steel
Power Input: 12VAC, 20VA, 60Hz
Operating Voltage: 6VDC
Typical Current: 20mA
Alarm Current: 25mA
Contact Ratings: Alarm Relay and Tamper Switch 1.0 Amp at 28VDC 0.1 Amp at 130VDC
Optional Equipment: An APC, Accumulator Pulse Counter, is available for use in applications where extraneous signals may cause false alarms. Mounts in EVD-C housing. (See Bulletin No. 5400740.)
GENERAL INFORMATION
The EVD-S, Electronic Vibration Detector System, is listed by Underwriters Laboratories, Inc. for primary protection of Mercantile or Bank, safe or vault and supplementary protection of interior units such as file cabinets, display cases, walls and ceilings. The System must be used with an appropriate UL listed control unit.
EVD-C PROCESSOR UNIT
The amplifier unit, model EVD-C, provides SPDT alarm contacts for connection into the alarm protective circuit. The EVD-C is housed in a metal cabinet protected by a cover tamper and a housing vibration detector. The housing detector is provided with a housing sensitivity control.
A low voltage plug-in transformer and a regulated battery charging circuit maintain the standby battery at a fully charged state.
An auxiliary output is provided to power the APC-B (accumulator option) when required. The battery provides in excess of 80 hours standby operation even if the maximum 6VDC auxiliary output is utilized.
The EVD-C provides an AC on indicator (green LED), a test button, and an alarm indicator (red LED) for subscriber testing of the EVD-S System. Terminals are also provided for connection of a remote test unit, Model PTU-B, and/or connection of dry contacts from any Underwriters Laboratories Listed central station test unit.
From 2 to 15 pickup units may be connected to the EVD-C in a series supervised pickup loop. The supervision of the pickup loop is maintained by a factory adjusted DC differential circuit, which makes a compromise attempt of the pickup loop more difficult.
EVD-P PICKUP UNIT
Model EVD-P pickup units detect sound vibrations in the protected material. These signals are fed to the amplifier unit where the pickup loop sensitivity control determines the signal level necessary to create an alarm condition. A Model EOLR resistor assembly must be installed in the last EVDP.
The pickup units are housed in a 4 1/4″H x 3″W x 1 1/4″D metal enclosure with cover and back tampers and are to be mounted with the speaker opening against the protected material.
UL CERTIFICATED SAFE APPLICATIONS
The following conditions must be met to qualify for an Underwriters Laboratories complete safe certificate:
- A minimum of 2 EVD-P pickup units required for all applications (see exception).
- COMMERCIAL BURGLARY SAFES must be constructed of a minimum 1/4″ steel for the body of the safe and 1/2″ for the door. Burglary safes exceeding 20 cubic feet in size must have an additional EVD-P pickup for every additional 10 cubic feet.
- COMMERCIAL FIRE SAFES exceeding 44 cubic feet in size must have an additional EVD-P pickup for every additional 22 cubic feet.
- (EXCEPTION) UL LISTED TRTL and TXTL SAFES: One pickup may provide protection for a safe not exceeding 36 cubic feet. An additional pickup unit is required for each additional 36 cubic feet or portion there of.
EVD-P REQUIREMENTS 1 EVD-P
2 EVD-P
3 EVD-P
ADDITIONAL EVD-P BURGLARY SAFES Not Permitted 20 Cu Ft or less 30 Cu Ft or less 1 EVD-P for each additional 10 Cu Ft FIRE SAFES Not Permitted 44 Cu Ft or less 66 Cu Ft or less 1 EVD-P for each additional 22 Cu Ft TRTL/TXTL SAFES 36 Cu Ft or less 72 Cu Ft or less 108 Cu Ft or less
1 EVD-P for each additional 36 Cu Ft
INSTALLATION (SEE FIGS. 1, 2, 3, 4, 5, 6 and 7)
The device must be installed in accordance with all applicable local codes. Battery must be charged for 48 hours before putting unit into service.
- Mount EVD-C.
- Mount pickup units and wire according to installation drawing.
- See Figs. 2 and 4 for connection of remote test unit Model PTU-B and/or central station test unit, if applicable.
- Connect BLACK battery lead to NEGATIVE battery post and RED battery lead to POSITIVE battery post.
- Plug transformer to un-switched 110VAC outlet and apply 12VAC to terminals 1 and 2 of EVD-C.
NOTES: A. Maximum of 15 pickups on loop.
B. Pickup loop not to exceed 1,000 ft. of #22 AWG, two conductor shielded cable.
SENSITIVITY ADJUSTMENTS:
- Adjust the pickup loop sensitivity control to 1/2 scale (6 o’clock position).
- Perform simulated attack tests on all accessible surfaces, protected by EVD-P’s, utilizing a plastic mallet or the plastic handle of a large screwdriver. An alarm condition (as indicated by the red LED) must occur.
NOTE: Extreme care should be exercised so that the protected surfaces are not marred or damaged while performing attack test.
If necessary the pickup loop sensitivity may be adjusted to obtain reliable test results. The sensitivity control may not be adjusted to less than 1/2 scale for safe applications. - Perform attack test on EVD-C housing and adjust “housing” sensitivity control for desired protection.
CAUTION:
Housing sensitivity is adjustable to an “off” condition. Never leave the unit in this unprotected condition!
TESTING
Pressing Test button on front of EVD-C induces a test signal into the EVD-C amplifier. An alarm condition indicated by a Red LED adjacent to the test button must occur. If a Model APC-B Accumulator has been installed, the test button must be held in approximately 30 seconds before the unit will go into the alarm condition.
Operation of the system can be verified from a remote location by use of an optional PTU-B and/or a Central Station Test Unit.
The subscriber must be instructed to test the system each time the alarm is set per instructions on front of EVD-C.
TYPICAL UNDERWRITERS LABORATORIES COMPLETE SAFE INSTALLATION
- Install in accordance to Underwriters Laboratories Standard 681. (See Fig. 7 Suggested Wire Routing .)
- Wiring, EVD-P pickup units and BSC safe door contacts are installed on exterior of safe.
- The EVD-P pickup units shall be centered on each side of the safe unless the application requires more than 2 pickups. When more than 2 pickups are required, they shall be located and spaced to provide maximum coverage of accessible surfaces.
NOTE: Some safes may require a pickup unit on the door(s) due to poor sound transfer from the safe body to the door(s). - The EOLR – End of Line Resistor assembly must be installed in the last EVD-P pickup unit, on the circuit.

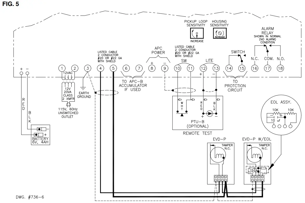
TYPICAL EVD-S SYSTEM SAFE WIRING

Ground terminal 3 to cold water pipe and use shielded cable for pickup loop and remote test unit to reduce RFI.
Central Station Test: Dry contact closure across terminals 10 and 11 will initiate test. Not applicable if a Model APC-B accumulator is used.
Remove jumper on terminals 12 and 13, if remote test unit Model PTU-B is used.
Battery – Design life 4 years. Mark date on battery and charge for 48 hours before putting unit into service. Only Elpower/Altus EP640, Power Sonic Corp. PS640 or PS642, Panasonic LCR6V4P and Eagle Picher CFM6V4.6 may be used on UL Listed installations.
Output terminals 8 and 9 for powering APC-B accumulator, if required. Terminal 8 is 6.9 VDC typical at 12 VAC input voltage.
Alarm Relay: 16 and 17 open on alarm 17 and 18 close on alarm
Tamper switch must be wired in series with protective circuit. (Preferably 24 hour circuit if available.)
Door contact required for safe applications. May be connected in pickup loop or in circuit from control unit.
EOLR installed in last EVD-P. Maximum number of EVD-P units is 15. Pickup loop not to exceed 1000 FT. of #22 AWG, two conductor shielded cable.
See Bulletin #5400740 for installation of APC-B accumulator.
Adjust the pickup loop sensitivity control to 1/2 scale. Minimum setting 6 o’clock position.
Reference voltage on terminal 5 is 5 VDC typical at 12 VAC input voltage.
Terminals 1 thru 13 “Class 2 Power-Limited”. Terminals 14 thru 18 “Class 1” and/or “Non Power-Limited”.
(See Fig. 7 Suggested Wire Routing .)
TYPICAL VAULT INSTALLATION

FIG. 3
PTU-B must be used if EVD-C is mounted inside vault.
EOLR resistor assembly installed in last pickup
TYPICAL EVD-S SYSTEM VAULT WIRING

Ground terminal 3 to cold water pipe and use shielded cable for pickup loop and remote test unit to reduce RFI.
Central Station Test: Dry contact closure across terminals 10 and 11 will initiate test. Not applicable if a Model APC-B accumulator is used.
Remove jumper on terminals 12 and 13, if remote test unit Model PTU-B is used.
Battery – Design life 4 years. Mark date on battery and charge for 48 hours before putting unit into service. Only Elpower/Altus EP640, Power Sonic Corp. PS640 or PS642, Panasonic LCR6V4P and Eagle Picher CFM6V4.6 may be used on UL Listed installations.
Output terminals 8 and 9 for powering APC-B accumulator, if required. Terminal 8 is 6.9 VDC typical at 12 VAC input voltage.
Alarm Relay: 16 and 17 open on alarm 17 and 18 close on alarm
Tamper switch must be wired in series with protective circuit. (Preferably 24 hour circuit if available.)
For complete Underwriters Laboratories certificated installation, see UL Standard 681 for door protection requirements.
EOLR installed in last EVD-P. Maximum number of EVD-P units is 15. Pickup Loop not to exceed 1000 ft. of #22 AWG, two conductor shielded cable.
See Bulletin #5400740 for installation of APC-B accumulator.
Adjust the pickup loop sensitivity control to 1/2 scale. Minimum setting 1/2 scale (6 o’clock position).
Reference voltage on terminal 5 is 5 VDC typical at 12 VAC input voltage.
Terminals 1 thru 13 “Class 2 Power-Limited”. Terminals 14 thru 18 “Class 1” and/or “Non Power-Limited”.
(See Fig. 7 Suggested Wire Routing .)
TYPICAL EVD-P SYSTEM WIRING FOR WALL PROTECTION

RECOMMENDED EVD-P SPACING FOR CONCRETE BLOCK WALL

RECOMMENDED EVD-P SPACING
WALL CONSTRUCTION TYPE FEET
POURED CONCRETE 10
PLASTERBOARD 20
CONCRETE BLOCK 20
BRICK 10
SUGGESTED WIRE ROUTING
- This device contains “Class 2 Power-Limited” conductors and may contain “Class 1” and/or “Non Power-Limited” conductors.
- All circuits powered by this unit are “Class 2 Power-Limited”.
- All field wiring connected to this panel must maintain a spacing of 1/4″ between all “Class 2 Power-Limited” conductors and “Class 1” and/or “Non Power-Limited” conductors.
- The enclosure is provided with multiple cable entry openings so that “Class 2 Power-Limited” conductors can be segregated from “Class 1” and/or “Non Power-Limited” conductors.
NOTE:
If “Class 2 Power-Limited” conductors are used for the relay terminals and/or the tamper circuit, the “Class 2 Power-Limited” conductors should use the cable entry openings on the left side of the enclosure. “Class 1” or “Non Power-Limited” conductors should use the cable entry openings on the right side of the enclosure.
ORDERING INFORMATION
EVD-S SYSTEM 2020200
CONSISTING OF:
1 EVD-C AMPLIFIER 2020127
2 EVD-P PICKUP UNIT 2020126
1 TRANSFORMER 12V 20VA 5270080
1 BATTERY 6V 4AH 5130080
1 EOL RESISTOR ASSEMBLY 2020129
OPTIONAL EQUIPMENT:
APC-B ACCUMULATOR PULSE COUNTER 2020128





















