POTTER EVD-2 Electronic Vibration Detector System

General Information
The EVD-2, Electronic Vibration Detector System, is listed by Underwriters Laboratories, Inc. and Underwriters Laboratories of Canada for primary protection of Mercantile or Bank, safe or vault and supplementary protection of interior units such as fi le cabinets, display cases, walls and ceilings. The System must be used with an appropriate UL-listed control unit. The standard EVD-2 system consists of a model EVD-M controller and a model EVD-R remote pickup.
Features
- Detects all common threats to safes, vaults and ATM’s
- Sophisticated signal processing provides unprecedented sensitivity without false alarms
- Expandable system allows up to 15 remote pickups, (Model EVD-R)
- Reliable, sensitive piezo sensor technology
- On board high security safe contact interface
- Integral, multi-color status LED
- Built in test circuit on both controller and remote pickups
- Remote test and annunciator capabilities
- Supervised microprocessor
- Independent tamper output
- On board test point facilitates installation and service
- Built-in accumulator
Specifications
- Dimensions: (EVD-M and EVD-R) 5.10″H x 3.26″W x 1.20″D (13,0cm H x 8,3cm W x 3,0cm D)
- Weight:
- EVD-M 0.64 lbs. (0,29 kg)
- EVD-R 0.62 lbs. (0,28 kg)
- Enclosure: Base: Die-cast aluminum
- Cover: Stamped Steel, 22 Gauge
- Power Input: 9.0 VDC to 16.0 VDC, 12 VDC Nominal Maximum 0.1 V ripple
- Typical Current: (Supply Voltage 12.0 VDC)
- Normal Standby Condition: 34 mA
- Alarm Condition: 33 mA
- Tamper Condition: 41 mA
- Each additional EVD-R Remote Pickup adds approx. 3 mA
With model RTA connected, add 10 mA in Tamper Condition and 10 mA in Alarm condition
- Maximum Current: (Supply Voltage 16.0 VDC)
- Normal Standby Condition: 36 mA
- Alarm Condition: 33 mA
- Tamper Condition: 43 mA
- With model RTA connected, add 14 mA in Tamper Condition and 14 mA in Alarm condition
- Contact Data: Alarm Relay: Form C, 2.0 Amps at 30 VDC
- Tamper Contact: Form A, 2.0 Amps at 30 VDC
- Optional Accessories: RTA Remote Test Annunciator UL Listed High Security Cable Required for UL safe complete installations
Ordering Information
- Description Stock No.
- EVD-2 System 2020300
- Consisting Of:
- 1 EVD-M Controller 2020250
- 1 EVD-R Remote Pickup 2020260
- EVD-2C Safe/Vault Pak 2020240
- Includes: 1 HSC-1 High Security Door Contact
- Optional Equipment:
- RTA Remote Test Annunciator 2000073
- High Security Cable (“B” Cable) 5210408
Note: If 12 VDC is not available from main burglar panel, the following power supply and transformer is recommended:
- 12 VDC Power Supply 2020310
- 16.5 VAC Transformer 2020320
WARNING If the main burglar panel has ground fault detection circuitry, it may be necessary to power the EVD from a separate power supply, not from the auxiliary power on the burglar panel. Alternately, the safe may be insulated from ground.
EVD-M Controller
The EVD-M controller is a microprocessor-controlled, vibration detector that incorporates advanced detection methods for identifying all common types of attacks. It detects short-duration, large-amplitude signals like those produced in attacks from explosions, hammering or chiseling. It also detects long duration, small-amplitude signals like those produced in attacks from torches, thermic lances, drills, grinders or cutting discs. As soon as the EVD-M detects a large amplitude alarm source it signals an alarm. Small amplitude alarm sources must persist for 15 seconds before the EVD-M signals an alarm. Alarm contacts operate for a minimum of 2 seconds.
The EVD-M contains two sensitivity adjustments: one for EVD-M’s internal pickup, another one for a network of remote pickups. The EVD-M controller supports up to 15 EVD-R remote pickups, (or may be used as a stand alone unit), and fully supervises EVD-R wiring. The EVD-M signals wiring faults as alarms. A cover tamper and a back tamper protect the EVD-M from cover removal or prying. If either tamper on the EVD-M activates or any remote pickup signals tamper, the EVD-M will signal a tamper alarm condition. Tamper alarm contacts operate for a minimum of 2 seconds. If more than fi ve remote pickups signal a tamper condition, the EVD-M will signal an alarm. The internal pickup of the EVD-M is always active, regardless of any tamper condition.
The model EVD-M controller provides a Form C, alarm contact for connection into the alarm protective circuit. Additionally, the EVD-M provides an independent, Form A, tamper alarm contact which can be wired as a separate 24 hour alarm circuit or wired in series with the alarm protective circuit. The EVD-M includes accessory terminals for an alarm condition remote annunciator, a tamper alarm remote annunciator, and a remote test input. The remote test input terminal permits the connection of dry contacts from any Underwriters Laboratories listed central station test unit. The remote test annunciator, model RTA, provides a normally open test switch and alarm and tamper alarm annunciators that interface directly to the accessory terminals of the EVD-M. In addition to its remote test capability, the EVD-M provides a magnetically activated test switch that permits testing of the installation. The EVD-M contains a multi-color LED to indicate system status. This status LED indicates several states:
| EVD-M Status | Status LED Color | Alarm Contacts | Tamper Alarm Contacts |
| Normal | Green | Inactive | Inactive |
| Tamper | Amber (1) | Inactive | Active |
| Alarm | Red (2) | Active | Inactive or active (1) |
| No power | Off | Active | Active |
Notes
- If both an alarm condition and a tamper condition exist, the status LED will indicate RED for the alarm. The remote annunciators and the alarm and tamper alarm contacts will indicate both alarm and tamper alarm conditions.
- If the microprocessor fails, the status LED will blink RED and both the alarm and tamper alarm contacts will be activated.
Accumulator Function
The EVD-M contains a rotary switch that controls the EVD-M’s accumulator setting. This accumulator, when activated, accumulates impact events. When the number of valid signals matches the setting on the rotary switch, the EVD-M signals an alarm. This feature can be useful for installing an EVD-2 system where some noise is normal. The accumulator is only active when the rotary switch setting is NOT zero. The threshold for valid signals is controlled by the sensitivity settings for the internal pickup and the remote pickups. If EVD-M has not detected enough valid signals for an alarm and fi ve minutes pass after the last valid signal, the EVD-M resets the accumulator count to zero. As an aid to installers, the EVD-M blinks its status LED for each valid accumulator signal that it detects. (This feature is only active while the EVD-M cover is off and if the accumulator is activated, i.e.. during installation.) An analog test point provides signal level information to simplify installations. Refer to Figure 1 for key component locations and terminal descriptions.
Connections
EVD-M Terminal Connections
| Terminal | Terminal | Description |
| No. | Name | |
| 1 | (+) | Power Supply Connection, +12 VDC, nominal (See note 1) |
| 2 | (-) | Power Supply Connection, 0 VDC (See note 1) |
| 3 | SPARE | Spare Terminal Block Position |
| 4 | SHIELD | Remote Pickup Cable Shield Connection or End of Line Resistor |
| (See note 2) | ||
| 5 | SIGNAL | Remote Pickup Sensor Signal or End of Line Resistor (See note 2) |
| 6 | REF | Remote Pickup Reference Signal or End of Line Resistor (See note 2) |
| 7 | RTN | Accessory Return Connection (See note 3) |
| 8 | TEST | Accessory Remote Test Input, Connect to RTN to Activate Test |
| (See note 3) | ||
| 9 | ALARM | Accessory Remote Annunciator, Alarm (See notes 3, 4) |
| 10 | TAMPER | Accessory Remote Annunciator, Tamper (See notes 3, 5) |
| 11 | COM | Tamper Alarm Contact, Common |
| 12 | NC | Tamper Alarm Contact, Normally Closed in NON-TAMPER STATE |
| 13 | NC | Alarm Relay Contact, Normally Closed in NON-ALARM STATE |
| 14 | COM | Alarm Relay Contact, Common |
| 15 | NO | Alarm Relay Contact, Normally Open in NON-ALARM STATE |
Notes
- Observe polarity of power supply connections. Application of voltages greater than 18 VDC may result in damage to unit.
- If EVD-R remote pickups are installed, remove the factory installed, 10K Ohm, 1% end of line resistors from pins 4-5 and pins 5-6. See Figures 2a and 4 for details.
- Connections to optional RTA, Remote Test Annunciator, or dry contacts from any UL listed central station test unit. See Figure 5 for details.
- Remote annunciator terminal provides power-limited +12 VDC when alarm contact is in its ALARM state. Limit current draw to 10mA.
- Remote annunciator terminal provides power-limited +12 VDC when tamper alarm contact is in its TAMPER state. Limit current draw to 10mA.
- Pins 1-15 are power limited.
EVD-R Remote Pickup
The EVD-R remote pickup detects attack vibrations with the same vibration-sensing components as the internal pickup on the EVD-M controller. The EVD-R amplifi es and transmits these vibrations to the EVD-M controller.
A cover tamper and a back tamper protect the EVD-R from cover removal or prying. If either of these tampers activate or the tamper from the safe contact interface activates, the EVD-R will signal a tamper condition to the EVD-M. During a tamper condition, the EVD-R network is fully capable of signaling alarm conditions to the EVD-M controller. If more than fi ve EVD-R remote pickups simultaneously signal tamper to the EVD-M controller, the EVD-M will signal an alarm.
The EVD-R contains a magnetically activated test switch that permits testing of each EVD-R in the remote pickup network. The EVD-R provides terminals for the connection of dry contacts from any Underwriters Laboratories listed safe contact. Refer to Figure 3 for key component locations and terminal descriptions.
Notes
- Be sure that end-of-line resistor leads do not make contact with other connections.
- If any EVD-R remote pickups are connected, remove end-of-line resistors. (Refer to Figure 4.)
- If the OUT terminals of another EVD-R are wired to the IN terminals of an EVD-R, remove the factory-installed end of line resistors on the EVD-R. (Refer to Figure 4.)

EVD-R Terminal Connections
| Terminal No. | Terminal Name | Description |
| 1 | SHIELD | Input Shield Connection from OUT SHIELD of Previous Pickup or End of Line Resistor (See note 1) |
| 2 | SIGNAL | Input Sensor Signal from OUT SIGNAL of Previous Pickup or End of Line Resistor (See note 1) |
| 3 | REF | Input Reference from OUT REF of Previous Pickup or End of Line Resistor (See note 1) |
| 4 | NC | Normally Closed Connection to Safe Contact (See notes 2,3) |
| 5 | COM | Common connection to Safe Contact (See notes 2,3) |
| 6 | NO | Normally Open Connection to Safe Contact (See notes 2,4) |
| 7 | TAMPER | Tamper Connection to Safe Contact (See notes 2,5) |
| 8 | TAMPER | Tamper Connection to Safe Contact (See notes 2,5) |
| 9 | SPARE | Spare Terminal Block Connection |
| 10 | SHIELD | Output Shield Connection to IN SHIELD of Next Pickup or EVD-M SHIELD Connection |
| 11 | SIGNAL | Output Sensor Signal to IN SIGNAL of Next Pickup or EVD-M SIGNAL Connection |
| 12 | REF | Output Reference to IN REF of Next Pickup or EVD-M REF Connection |
Notes
- Remove all factory installed 10K Ohm, 1% end-of-line resistors from pins 1-2 and pins 2-3 of all EVD-Rs except the last EVD-R remote pickup in the remote pickup network. See Figures 2b and 4 for details.
- Connections to optional dry contacts from any UL-listed safe contact. See Figure 4 for details.
- If a safe contact is connected, remove the factory-installed jumper from pins 4-5. Pins 4-5 must be NORMALLY CLOSED for the non-alarm state.
- Pins 5-6 must be NORMALLY OPEN for the non-alarm state.
- If safe contact tamper is connected, remove the factory-installed jumper from pins 7-8. Pins 7-8 must be NORMALLY CLOSED for the non-tamper state.
- Pins 1-12 are power limited.

Recommended Wiring
Figure 4 shows the recommended wiring for an EVD-2 system with two additional EVD-R remote pickups. (All wiring should be as specifi ed in Table 1 or with UL listed equivalents.)
- Cable clamp knockout locations are shaded. Be sure to remove clamp from base and to cleanly knock out cable openings in the cable clamp before feeding wire through the clamp.
- Without a safe contact, the EVD-M requires the standard, factory installed, cable clamp, (Potter #5280104) for the confi guration shown in Figure 4.
- If a safe contact is not connected, the factory installed jumpers on pins 4-5 and pins 7-8 of the EVD-R must not be removed.
- Wiring to or from remote pickups must be UL listed, shielded, twisted-pair cabling, (See Table 1). The EVD-R remote pickup network wiring must not exceed 2000 feet.
- Connections to UL listed control unit via UL listed, high security cable, or alternates (See Table 1). See Figure 5b & 5c for 4 or 6 wire installation wiring.
- Only the last EVD-R remote pickup requires the 10K Ohm, 1% end of line resistors. Remove the factory installed end of line resistors from all other EVD-R’s and the EVD-M.
- Connections to dry contacts from any UL listed safe contact. Last EVD-R is the preferred unit for connections to the safe contact. However, all EVD-R remote pickups accept safe contact wiring. Additional safe contacts can be wired into other EVD-R remote pickups, the EVD-M or a UL listed tampered junction box. If the safe contact is wired into the EVD-M, use the alternate cable clamp. (Potter #5280105)
- The EVD-M must be connected to a UL listed control unit or power supply capable of providing nominal 12 VDC and standby power. 72 hours of standby power is required for bank vault alarms. 4 hours of standby power is required for mercantile alarms.
- Connections to remote test annunciator or RTA and/or connection of dry contacts from any UL listed central station test unit. Refer to Figure 5 for detailed information on annunciator and remote test interconnections.
- Terminals 1-12 on EVD-R are power limited.
- Terminals 1-15 on EVD-M are power limited
Table 1 Recommended Wire Types
| Control Unit Connections | Remote Pickup Connections | Remote Test/Annunciator Connections |
| Potter #5210408 required for UL Safe Complete installations | Belden 8761 or Alpha 2401C | Belden 8444 or Alpha 1174C |
| 4-wire hookup Belden 9512 General Cable C0762 | ||
| 6-wire hookup Belden 9513 General Cable C0763 |
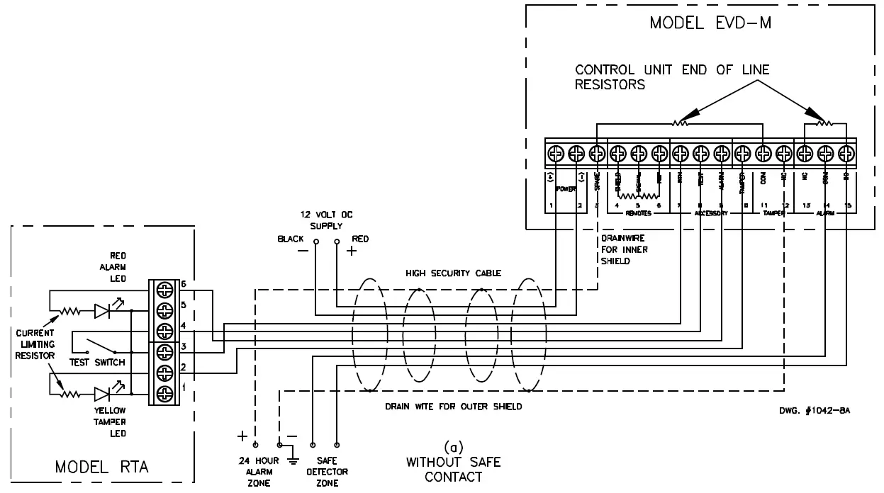
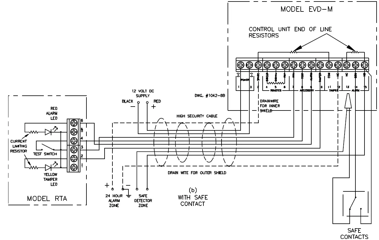
Recommended Control Panel Wiring and Remote Test and Annunciator Connections


Installation
The EVD-2 System must be installed in accordance with all applicable local codes.
- Mount EVD-M controller and any EVD-R remote pickups and wire according to Figures 4 and 5a. Remove end of line resistors from the EVD-M and all EVD-R’s except the last EVD-R in the remote pickup network. If no remote pickups are installed do not remove the end of line resistors on the EVD-M.
- Refer to Figure 5a for connection of a remote test annunciator, RTA, and/or a UL listed central station test unit, if applicable.
- Refer to Figure 4 for the connection of UL listed dry contacts, if applicable.
- Verify proper installation of the end of line resistors. Refer to Figures 2b and 4 for systems with remote pickups.
- Wire control unit connections and apply 12 VDC to the EVD-2 system. Refer to Figure 5a.
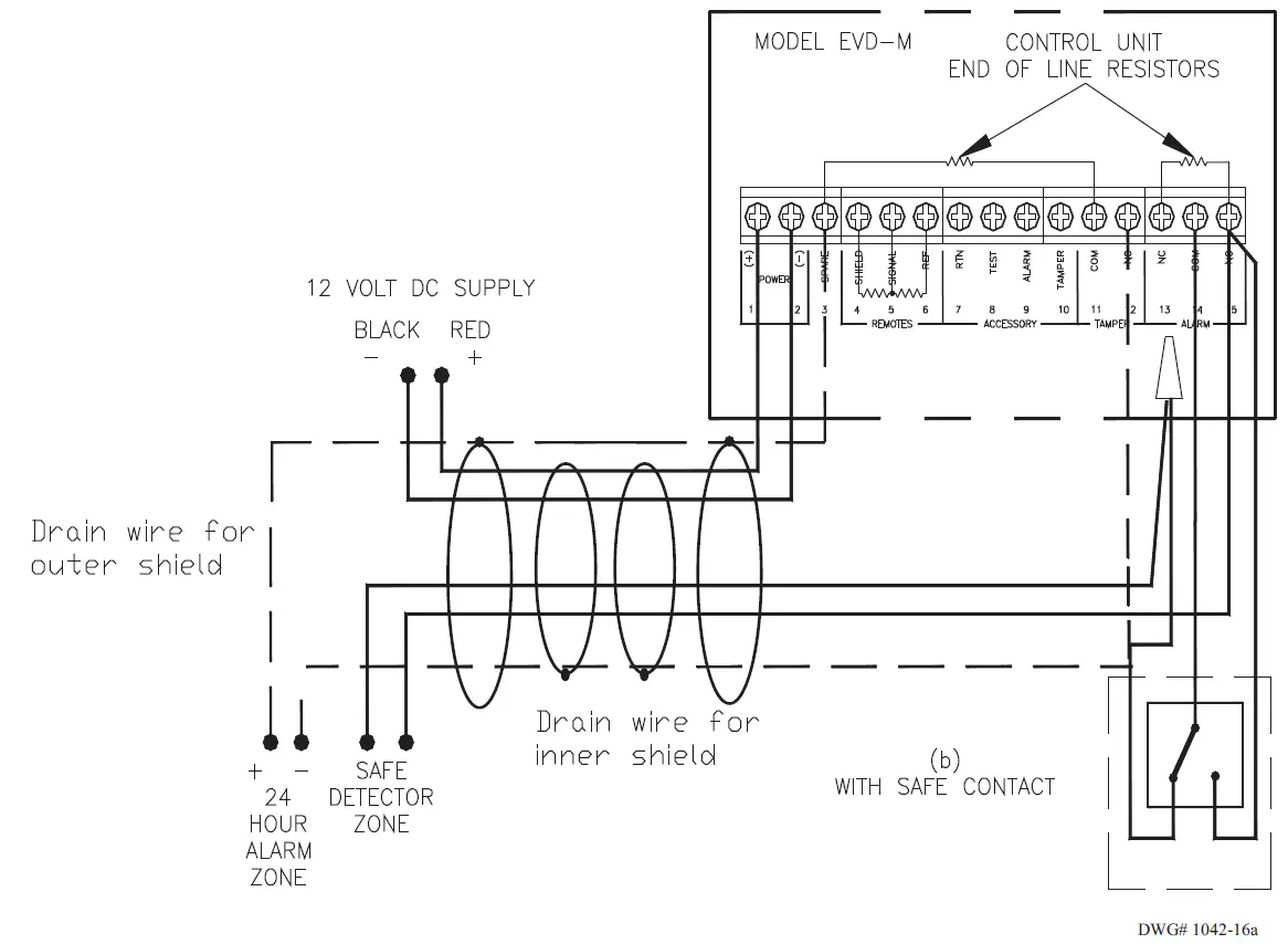
- See Figure 5b & 5c for 4 or 6 wire installation wiring.
- High Security “B” cable and connectors to 24 hr alarm zone as shown are UL requirements for UL safe complete installation.
Recommended Control Panel Wiring With Safe Detector Zone and 24 Hour Alarm Zone


Recommended Control Panel Wiring With Safe Detector Zone Only (4 Conductor Shielded Cable Required)


Sensitivity Adjustments
- Adjust the EVD-M’s internal pickup sensitivity control, RV1, to 1/2 scale (12 o’clock position). Refer to Figure 1 for adjustment location.
- If remote pickups are installed, adjust the EVD-M’s remote pickup network sensitivity control, RV2, to the minimum setting listed in Table
- If no EVD-R’s are installed, adjust RV2 to the minimum setting, fully counter-clockwise. Refer to Figure 1 for adjustment location.
Number of Remote Pickups 1 2 3 4 5 6 7 8 9 10 11 12 13 14 15 Minimum Remote Network Sensitivity Settting 0 0 0 1/4 1/4 1/4 1/4 1/4 1/2 1/2 1/2 1/2 1/2 3/4 3/4
- If no EVD-R’s are installed, adjust RV2 to the minimum setting, fully counter-clockwise. Refer to Figure 1 for adjustment location.
- Adjust accumulator rotary switch, S1, to desired setting. A setting of zero disables the accumulator function. Refer to Figure 1 for
adjustment location. - Perform simulated attack tests on all accessible surfaces that are protected by the EVD-M and EVD-R’s. Strike the protected surfaces using a plastic mallet or the plastic handle of a large screwdriver. An alarm condition (as indicated by the status LED turning RED) must occur. Lightly scrape the blade of a screwdriver next to the EVD-M and each EVD-R. After 15 seconds of continuous scraping, an alarm condition (as indicated by the status LED turning RED) must occur. Be sure the scraping generates a test point voltage greater than the minimum constant noise level shown in Table 3. Adjust sensitivity settings to the minimum needed to achieve desired level of response.
Note Extreme care should be exercised so that the protected surfaces are not marred or damaged while performing simulated attack tests. A voltmeter can be connected to the analog test point and pin 2 of the fi eld wiring terminal block to aid the installer in adjusting the sensitivity controls. Refer to Figure 1 for analog test point location.
Table 3 Analog Test Point LevelsSignal Description Analog Test Point Level Maximum constant noise level 0.20 VDC Minimum constant noise for alarm (except drilling) (min. 15 sec. duration) 0.25 VDC Minimum single noise for alarm (accumulator on) 0.70 VDC Minimum single noise for alarm (accumulator off) 1.25 VDC - With the system operating in a non-alarm state, verify the operation of all tampers. A tamper condition is indicated by the status LED turning AMBER. If the system is in alarm when a tamper condition occurs, the status LED will remain RED, identifying the alarm condition. The tamper alarm remote annunciator and the tamper alarm contact always identify a tamper condition.
Testing
Applying a magnet to the side of the EVD-M controller, (see Figure 1), actuates a magnetic switch and generates a test signal. Similarly, applying a magnet to the side of an EVD-R remote pickup , (see Figure 3), actuates a magnetic switch and causes the EVD-R to transmit a test signal to the EVD-M controller. In both cases, the EVD-M: detects these alarm conditions, activates the alarm contacts, activates the alarm remote annunciator, and illuminates the status LED in RED.
Note: Most ordinary door contact magnets will activate the test feature on the EVD-M and the EVD-R. System operation can also be verifi ed from a remote location by use of an optional RTA and/or a UL listed central station test unit. Operating a normally open test switch generates a test signal which causes the EVD-M to signal an alarm condition.
Note: Always test unit prior to placing unit into service. Unit must be tested at least once a year.
Safe Construction Requirements
Table 4 Maximum Linear Distances from Detector to Any Point on the Protected Surface
| Safe Construction | Maximum Linear Distance from any Detector to Any Point | Local Pickup Minimum Sensitivity Setting, RV1 | Remote Pickup Minimum Sensitivity Setting, RV2 |
| Steel Safes Body minimum 1/4″ Door minimum 1/2″ | 96 inches | Fully counterclockwise | Refer to Table 2 |
| Composite safes Body minimum 16 gauge steel over 3″ composite material Door minimum 1/4″ steel over 3″ composite material | 110 inches | Fully counterclockwise | Refer to Table 2 |
Recommended Detector Locations
Single Detector Applications
All safe applications must have at least an EVD-M or an EVD-R on the body of the safe. When only one detector is required on a safe, mount the detector on the exterior of the safe on the door hinge side, near the front edge and centered within the height of the safe. (Ideally, mount the detector’s sensor center point 2 inches in from the front edge of the safe on the centerline of the safe’s height, refer to Figure 11).
Figure 6. shows the recommended detector location of a safe application requiring one detector. Safes with double doors require a minimum of two detectors, even if the dimensions of the safe conform to the requirements for the use of a single detector.
Two-Detector Applications
When two detectors are required on a safe, mount the fi rst detector as recommended for a single detector installation. Mount the second detector on the opposite side of the safe, at the same height and with the same front edge offset as the fi rst detector. Safes with double doors that conform to the dimensional requirements for the use of one or two detectors should be protected in this fashion. Figure 7. shows the recommended detector locations of a safe application requiring two detectors. Figure 8. shows the recommended detector location(s) of a safe application with double doors.
Multiple Detector Applications
When more than two detectors are required on a safe, mount the fi rst two detectors as recommended for a two-detector application. Mount the remaining detectors on the remaining surfaces, centered and spaced evenly to ensure complete detector coverage. Alternately, mount a detector centrally on the safe door and the remaining detectors centrally on the remaining surfaces, evenly spaced.
Determining The Number Of Detectors For A Safe Application
Refer to column one in Table 4 for the type of the safe in the application. In column two fi nd the maximum linear distance from a detector to any point on the protected surface. This distance is the detector range. Next, refer to column one, (for steel safes), or column two, (for composite safes), in Table 5. Find the range of distances based upon the detector range that corresponds to the safe in the application. Using the row of this range of distances, determine the number of detectors from column three, (if safe has a single door), or from column four, (if safe has double doors). In some single detector applications, the EVD-2 system may be used to protect multiple safes via a combination of an EVD-M and multiple EVD-R remote pickups. For applications with a larger distance than that shown in Table 5, consult Potter’s technical support for assistance.
Note: If any recommended detector location is not physically accessible, contact Potter’s technical support for assistance.
| Max. Linear Distance from Detector to Any Point on Protected Surfaces of Steel Safes* | Maximum Linear Distance from Detector to Any Point on Protected Surfaces of Composit Safes* | Number of Detectors Required for Complete Coverage of Single Door Safes | Number of Detectors Required for Complete Coverage of Double Door Safes |
| D<=96″ | D<=110″ | 1 | 2 |
| 96″<D<=192″ | 110″<D<=220″ | 2 | 2 |
| 192″<D<=288″ | 220″<D<=330″ | 3 | 3 |
| 288″<D<=384″ | 330″<D<=440″ | 4 | 4 |
| 384″<D<=480″ | 440″<D<=550″ | 5 | 5 |
Note: D=Maximum Linear Distance
*Steel Safe Construction:
- Body: Minimum 1/4″ Steel
- Door: Minimum 1/2″ Steel
**Composite Safe Construction:
- Body: Minimum 16 Gauge Steel over 3″ Composite Material
- Door: Minimum 1/4″ Steel over 3″ Composite Material
Determinimg the Maximum Linear Distance on a Safe
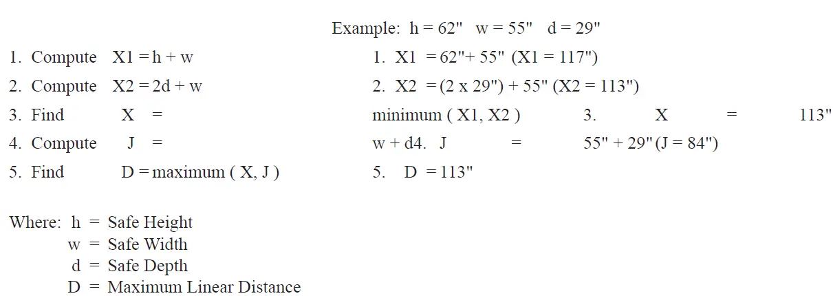
A rule of thumb for estimating the maximum linear distance from the recommended detector location to any point on the protected surface is:

This rule of thumb is valid for most available safe sizes. However, if any one dimension is very large or very small when compared to the other two dimensions, the safe may not follow this rule. In those cases, contact Potter’s technical support for assistance. Table 6 lists some common safe dimensions and their maximum linear distances when detectors are installed in recommended locations.
Table 6 Typical Safe Exterior Dimensions and Maximum Linear Distances
| Height (inches) | Width (inches) | Depth (inches) | Volume (cu. ft.) | Maximum Linear Distance (inches) |
| 25.00 | 21.00 | 21.00 | 6.38 | 46.00 |
| 32.00 | 25.00 | 25.00 | 11.57 | 57.00 |
| 42.00 | 31.00 | 29.00 | 21.85 | 73.00 |
| 52.00 | 31.00 | 29.00 | 27.05 | 83.00 |
| 62.00 | 31.00 | 29.00 | 32.26 | 89.00 |
| 62.00 | 55.00 | 29.00 | 57.23 | 113.00 |
| 64.00 | 31.00 | 29.00 | 33.30 | 89.00 |
| 72.00 | 35.00 | 29.00 | 42.29 | 93.00 |
| 79.00 | 43.00 | 33.00 | 64.87 | 109.00 |
Detector on safe door:
If necessary, the detector can be mounted on the safe door (single door only). Mount the detector 1.75″ from the edge of the hinge side of the door, centered on equal distance between both hinges. Fig. 9 shows the recommended detector location when mounting the detector on the door.
Note: When the detector is mounted on the safe door, the maximum linear distance decreases to 73.5″ from the sensor location, through the hinges, to all points on the safe body.
EVD-2 Mounting on Safe Door
Typical UL Complete Safe Installations
- Install in accordance with Underwriter Laboratories’ standard UL 681.
- Install EVD-M and EVD-R detectors in recommended locations at recommended spacings.
- Install UL listed, high security contacts on the exterior of the safe or UL listed, ordinary use contacts on the inside of the safe.
- Wire detectors and safe door contacts as shown in Figures 4 and 5a.
- Listed power supply or control unit must provide at least 4 hours of standby power for mercantile alarms and 72 hours of standby power for bank vault alarms.
Typical UL Complete Vault Installations
- Install in accordance with Underwriter Laboratories’ standard UL 681.
- Install EVD-M and EVD-R detectors on interior walls, ceilings, and fl oors, spaced as shown in fi gure 9. Refer to Table 7 for maximum spacing on various materials.
- A detector must be installed on the vault door if the net steel thickness is less than 1 1/2 inches.
- Wire detectors and door contacts as shown in Figures 4 and 5a.
- Listed power supply or control unit must provide at least 4 hours of standby power for mercantile alarms and 72 hours of standby power for bank vault alarms.
EVD-2 Wall Protection
Figure 9 shows the rectangular areas of 100% coverage when detectors are installed adjacent to one another. The detector spacing is the sensor center point distance between adjacent detectors. The detector spacing is the same as the width of the rectangular area of 100% coverage. Table 7 lists the dimensions of the rectangular areas of 100% coverage on continuous surfaces for several materials and sensitivity settings. When a surface extends around a corner via a solid connection, detector coverage extends into that surface, but the coverage is reduced to 3/4 of the remaining detector range. All joints, cracks, and corners dampen structure borne vibrations. Vibration transfer across these imperfections must be tested to ensure complete coverage within the detector’s range. Modular constructions require one detector per panel and must be constructed of the materials listed in Tables 4 and 7.
Table 7 Recommended Safe Sizes When Mounting Detector on the Safe Door
| Height (inches) | Depth (inches) | Width (inches) |
| 12 | 12 | 12 |
| 12 | 18 | 18 |
| 12 | 24 | 18 |
| 12 | 24 | 24 |
| 18 | 12 | 12 |
| 18 | 18 | 18 |
| 18 | 24 | 18 |
| 18 | 24 | 24 |
| 24 | 12 | 12 |
| 24 | 18 | 18 |
| 24 | 24 | 18 |
| 24 | 24 | 24 |
| 24 | 12 | 12 |
| 24 | 18 | 18 |
| 24 | 24 | 18 |
| 24 | 24 | 24 |
| 30 | 30 | 30 |
| 30 | 24 | 30 |
| 30 | 30 | 24 |
| 30 | 36 | 24 |
| 30 | 24 | 36 |
| 36 | 12 | 12 |
| 36 | 18 | 18 |
| 36 | 24 | 18 |
| 36 | 24 | 24 |
| 36 | 24 | 24 |
| 36 | 24 | 28 |
| 36 | 28 | 24 |

Table 8 Recommended Maximum EVD-M/EVD-R Spacing for Wall Protection
| Material | Sensitivity Setting | Detector Range | Rectangular Area of 100% Coverage | ||||
| Steel plate at least 1/4″ thick | Minimum | 8.0′ | 11.3′ x 11.3′ | 8′ x 13.9′ | 10′ x 12.5′ | 15′ x 5.6′ | – |
| Half | 15.0′ | 21.2′ x 21.2′ | 8′ x 28.9′ | 10′ x 28.3′ | 15′ x 26′ | 20′ x 22.4′ | |
| Maximum | 20.0′ | 28.3′ x 28.3′ | 8′ x 39.2′ | 10′ x 38.7′ | 15′ x 37.1′ | 20′ x 34.6′ | |
| Monolithic concrete at least 6″ thick | Minimum | 16.0′ | 22.6′ x 22.6′ | 8′ x 31.0′ | 10′ x 30.4′ | 15′ x 28.3′ | 20′ x 25.0′ |
| Concrete block at least 6″ thick | Minimum | 16.0′ | 22.6′ x 22.6′ | 8′ x 31.0′ | 10′ x 30.4′ | 15′ x 28.3” | 20′ x 25.0′ |
WARRANTY INFORMATION
The essential purpose of any sale or contract for sale of any of the products listed in the POTTER catalog or price list is the furnishing of that product. It is expressly understood that in furnishing said product, POTTER does not agree to insure the Purchaser against any losses the Purchaser may incur, even if resulting from the malfunction of said product.
POTTER warrants that the equipment herein shall conform to said descriptions as to all affi rmation of fact and shall be free from defects of manufacture, labeling and packaging for a period of one (1), three (3), or five (5) year'(s), depending on the product, from the invoice date to the original purchaser, provided that representative samples are returned to POTTER for inspection. The product warranty period is stated on the exterior of the product package. Upon a determination by POTTER that a product is not as warranted, POTTER shall, at its exclusive option, replace or repair said defective product or parts thereof at its own expense except that Purchaser shall pay all shipping, insurance and similar charges incurred in connection with the replacement of the defective product or parts thereof. This Warranty is void in the case of abuse, misuse, abnormal usage, faulty installation or repair by unauthorized persons, or if for any other reason POTTER determines that said product is not operating properly as a result of causes other than defective manufacture, labeling or packaging.
The Aforesaid Warranty Is Expressly Made In Lieu Of Any Other Warranties, Expressed Or Implied, It Being Understood That All Such Other Warranties, Expressed Or Implied, Including The Warranties Of Merchantability And Fitness For Particular Purpose Are Hereby Expressly Excluded. In No Event Shall Potter Be Liable To Purchaser For Any Direct, Collateral, Incidental Or Consequential Damages In Connection With Purchaser’s Use Of Any Of The Products Listed Herein, Or For Any Other Cause Whatsoever Relating To The Said Products. Neither Potter Nor Its Representatives Shall Be Liable To The Purchaser Or Anyone Else For Any Liability, Claim, Loss, Damage Or Expense Of Any Kind, Or Direct Collateral, Incidental Or Consequential Damages Relative To Or Arising From Or Caused Directly Or Indirectly By Said Products Or The Use Thereof Or Any Defi ciency, Defect Or Inadequacy Of The Said Products. It Is Expressly Agreed That Purchaser’s Exclusive Remedy For Any Cause Of Action Relating To The Purchase And/or Use Of Any Of The Products Listed Herein From Potter Shall Be For Damages, And Potter’s Liability For Any And All Losses Or Damages Resulting From Any Cause Whatsoever, Including Negligence, Or Other Fault, Shall In No Event Exceed The Purchase Price Of The Product In Respect To Which The Claim Is Made, Or At The Election Of Potter, The Restoration Or Replacement Or Repair Of Such Product.
POTTER ELECTRIC SIGNAL COMPANY, LLC St. Louis, MO
(866) 956-1211 • (314) 595-6900
FAX (314) 595-6999
www.pottersignal.com




















