Quest 50Hz 706 Dehumidifier

Features
- Industry-efficiency
- Patented, refrigeration system
- High-efficiency, long-life impeller fan
- Quiet operation
- Superior air filtration (MERV-13 standard)
- Auto-restart after power outages
- Environmentally friendly R410A refrigerant
- Low voltage control
Safety Precautions
Read the installation, operation and maintenance instructions carefully before installing and operating this device. Proper adherence to these instructions is essential to obtain maximum benefit from your 50Hz Quest 706 Dehumidifier.
READ AND SAVE THESE INSTRUCTIONS
- The device is designed to be installed INDOORS IN A SPACE THAT IS PROTECTED FROM RAIN AND FLOODING.
- Install the unit with space to access side panels for maintenance and service. DO NOT INSTALL UNIT WITH THE SERVICE PANELS INACCESSIBLE.
- Avoid directing the discharge air at people, or over the water in pool areas.
- If used near a pool, spa or water; be certain there is NO chance the unit could fall into the water, be splashed and that it is plugged into an outlet that is a GROUND FAULT INTERRUPT protected circuit.
- DO NOT use the device as a bench or table.
- DO NOT place the device directly on structural members. Provide vibration isolation in order to minimize operational vibration and/or noise.
- A drain pan MUST be placed under the unit if installed above a living area or above an area where water leakage could cause damage
- Make all electrical connections in accordance with the current edition of the NEC ANSI/NFPA 70 and any national and local codes or ordinances that may apply.
- Do not obstruct the air intake and exhaust. Maintain a 1 meter clearance around the air intake and exhaust.
- This appliance is not intended for use by persons (including children) with reduced physical, sensory or mental capabilities, or lack of experience and knowledge, unless they have been given supervision or instruction concerning use of the appliance by a person responsible for their safety. Children should be supervised to ensure that they do not play with the appliance.
- Not intended for use at altitudes over 2000m.
Intended Application for 50Hz Quest 706 Dehumidifier
The 50Hz Quest 706 Dehumidifier is designed to operate in temperatures between 56° and 110°F. In order to efficiently control humidity levels, the area in which the dehumidifier is to be operated must be free of water intrusion or excessive fresh (outside) air infiltration. Before installing the 50Hz Quest 706 Dehumidifier, water intrusion and air infiltration problems should be addressed or noted in calculations.
Registrations
The Quest 706 conforms to CE and UKCA Standards
Patent: thermastor.com/patents
Specifications
| Unit: | 50Hz Quest 706 4041800 |
| Blower: | 2380 m3/hr (1400 |
| Power (Watts): | 4150 |
| Supply voltage: | 220-240 VAC – 1 Phase – 50 Hz. |
| Current Draw (Amps): | 18.6 |
| Rated Current Draw (Amps): (40°C 36%) | 25.1 |
| Minimum Circuit Ampacity (MCA): | 28.7A |
| Maximum Overcurrent Protection (MOP): | 45A |
| Efficiency (Liters/kWh): | 3.4 |
| Operating Temp: | 13°C – 43°C |
| Water Removal (Liters/Day): | 335 |
| Air Filter (MERV-13): (2) | Size: 18″ x 20″ x 2″ |
| Power Cord: | Cord not provided – Direct wired only |
| Electrical Knockout Size | 3/4” (1.094” opening) |
| Drain Connection: | 3/4 Threaded NPT |
| Refrigerant Type: Refrigerant Amount: | R410A 6lbs 4oz |
| Warranty: (years) | 3 |
| Dimensions: | Unit | Shipping |
| Width: | 28.9” | 36” |
| Height: | 33.8” | 40” |
| Length: | 44.7” | 48” |
| Weight: | 340 lbs | 420 lbs |
| Dimensions: | Unit Shipping |
| Width: cm | 73.5 92 |
| Height: cm | 85.9 102 |
| Length: cm | 113.5 122 |
| Weight: kg | 155 190 |
Installation
Location
The 50Hz Quest 706 Dehumidifier can be installed in a variety of locations to meet the owner’s needs as listed below. In all cases keep the following cautions in mind:
- It is designed to be installed INDOORS IN A SPACE THAT IS PROTECTED FROM RAIN AND FLOODING.
- Install the unit with space to access side panel for maintenance and service. DO NOT INSTALL UNIT WITH ACCESS PANEL INACCESSIBLE.
- Avoid discharging the air directly at people, or over the water in pool areas.
- Be certain there is NO chance the unit could fall into water.
- DO NOT use the 50Hz Quest 706 Dehumidifier as a bench or table.
- DO NOT place the 50Hz Quest 706 Dehumidifier directly on structural members. Provide vibration isolation in order to minimize operational vibration and/or noise.
- A drain pan MUST be placed under the unit if installed above an area where water leakage could cause damage.
- Do not obstruct the air intake and exhaust. Maintain a 1 meter clearance around the air intake and exhaust.
Electrical Requirements
- High Voltage Connections
- The 50Hz Quest 706 Dehumidifier must be wired directly to the electrical service. The current draw under normal operating conditions is listed in section 3.
- Information required for proper electrical service installation and overcurrent protection may be found on the Dehumidifier nameplate. The unit power switch is a disconnect switch. Route power and ground wires through the electrical knockout hole. Electrical input power wiring must comply with all national, state, and local electrical codes
- Make electrical connections according to the wiring diagram provided in this manual and inside the access panel of the
- Dehumidifier. A ground fault interrupter protected circuit is recommended.
- Low Voltage Connections
- Install the external control in a central area of the structure where it will sense the relative humidity accurately. Avoid installing the sensor near HVAC supply registers, near exterior doors, or near pool or spa. The installer must supply the wiring between the Dehumidifier and the control panel. Be sure to safely route the control wiring to prevent damage during installaion. Be careful not to cross the wires when connecting the Dehumidifier and the Control.
- The controls of the Dehumidifier are powered by a low voltage circuit (24VAC) and must NEVER contact or be connected to a high voltage circuit. The control terminals are labeled to prevent confusion.
- For more information on controls, see section 5
Condensate Water Removal
Condensate drains by gravity via the drain port. Use 3/4” male NPT PVC pipe. An optional condensate pump kit may be installed if a lift is required to dispose of the condensate. Optional parts list for information on the kit.
Follow Diagram
Level unit within 2°

Hanging Diagram

WARNING:
- Hanging installation must meet all state and local codes.
- Installation should be done by a qualified agency in accordance with these instructions. The qualified service agency installing this high-efficiency refrigeration system is responsible for the installation.
- Check the supporting structure to be used to verify that it has the sufficient load-carrying capacity to support the weight of the unit. Suspend the unit only from the threaded nut retainers. Do NOT suspend from the cabinet.
- Recommended maximum hanger rod is 6 feet (1.8m)
Control Options
The 50Hz Quest 706 Dehumidifier is controlled by an external remote humidistat through a 24V terminal block. External control NOT provided.
Humidity Control
A 24VAC signal is sent by the remote humidistat signals the fan or fan and compressor to actuate.
Quest Control Options:
- Cloud Control
- DEH 3000R
- Honeywell Humidistat
- Any 24V signal to Dehumidify
24VAC Wiring
The terminal block, low-voltage circuit breaker, and power switch are located on the intake side of the unit. Turn the power switch to the off position while wiring the unit.

- FLOAT: {External normally closed dry contact float switch.} No voltage may be applied to the float switch.
- FLOAT: Applying voltage may damage the control and void the warranty. {If no float is used in the system, leave the jumper connected to the terminal block.}
- DEHU: Dehumidification (compressor and fan operation).
- R: 24VAC output
- FAN: Fan operation only.
- C: 24VAC neutral (common)
Note: External devices can be powered between 24V/COM (10VA max). 24V circuit is protected by circuit breaker.

Maintenance
Standard Air Filter
The 50Hz Quest 706 Dehumidifier ships with two standard MERV 13 efficient pleated fabric filters. This filter should be checked every six months. Operating the unit with a dirty filter will reduce dehumidifier capacity and efficiency. To access the air filter, the filter should be readily visible and can be removed by pulling it straight out of the 50Hz Quest 706 Dehumidifier. For agriculture, we recommend changing the filter with every grow cycle.
Service
WARNING: Servicing the 50Hz Quest 706 with its high-pressure refrigerant system and high voltage circuitry presents a health hazard that could result in death, serious bodily injury, and/or property damage. Only qualified service personnel should service this unit.
Warranty
A warranty certificate has been enclosed with this unit; read it before any repair is initiated. If a warranty repair is required, call the factory first at 1-877-420-1330 for warranty claim authorization and technical assistance.
Technical Description (Nonstandard patented)
The 50Hz Quest 706 Dehumidifier uses a refrigeration system to remove moisture from incoming air, and add heat to the air that is discharged. Hot, high-pressure refrigerant gas is routed from the compressor to the condenser coil. The refrigerant is cooled and condensed by giving up its heat to the air that is about to be discharged from the unit. The refrigerant liquid then passes through a filter/drier and expansion drier which causes the refrigerant pressure and temperature to drop. It next enters the evaporator coil where the cool refrigerant absorbs heat from the incoming air and evaporates. The compressor evacuates the cool refrigerant vapor from the evaporator and compresses it to a high pressure and temperature to repeat the process.
Ducting Guidelines
CAUTION: 50Hz Quest 706 is intended for use in statics under .5”WG.
- Ducting either the intake or exhaust uses custom Therma-Stor Intake and Exhaust Duct Kits.
- Grills or diffusers on the duct ends must not excessively restrict airflow.
- Effective dehumidification may require ducting to be branched to isolated or stagnant flow areas. Be sure to use appropriate size duct branches to maintain proper feed throughout the ducting system.
- System control should be placed remotely from the dehumidifier in a central location.
- Intake and exhaust ducting should have a minimum of 1 meter from the unit before any turns and maximum of 8m for total run.
Optional duct kits are available from the factory; Exhaust Kit 4039868 and Intake Kit 4038642. See figures below for plenum dimensions and duct diameters. Alternatively, licensed contractors can fabricate duct plenums and reference figures below for safe fastener mounting points.

Display
User Interface

The main status screen is shown:
Left side buttons (top to bottom):
- Alarm – press at any time to check active alarms.
- Prg/Bullseye – press at any time to access settings and menus.
- Escape – press at any time to move to the previous menu.
Right side buttons (top to bottom)
- Up
- On a menu selection screen – moves cursor up.
- On an editable value – increases the value. Press and hold to change the value faster.
- If cursor is in upper left corner of a screen – moves to previous screen.
- Enter
- On a menu selection screen – enters the highlighted menu.
- On an editable value – saves the current value and moves to the next editable item on the screen.
- Down
- On a menu selection screen – moves cursor down.
- On an editable value – decreases the value. Press and hold to change the value faster.
- If cursor is in upper left corner of screen – moves to next screen.
Settings Change Example: Changing Date Display Format
- From any screen, press the Prg/Bullseye key. This will prompt for a password.

- Press Enter four times to access the menu. Then, press Up/Down keys until Settings is highlighted.

- Press Enter to enter Settings menu. Then, press Up/Down until Date/Time is highlighted.

- Press Enter to select Date/Time. Then, press Enter again to move the cursor to the Format field.

- Press the Up/Down keys to cycle through the options. Once MM/DD/YY is displayed, press Enter. This will save the new value, and will move the cursor down to the date field.

- Press Escape three times to get back to the main status screen.
Viewing Active Alarms/Alarm Logs
- From any screen, press the Alarm key. If there are active alarms, this will display a screen like this.

- Press Up/Down to cycle through all active alarms. The alarms are arranged in order of their alarm code (lowest to highest). One screen beyond last active alarm, the following screen will be displayed.
- Note that if a fault condition is still present, resetting an alarm will have no effect. Active alarms will automatically be removed from the list when the fault condition is resolved.

- Note that if a fault condition is still present, resetting an alarm will have no effect. Active alarms will automatically be removed from the list when the fault condition is resolved.
- Press Enter to access the Alarm Log. This allows you to cycle through the 50 most recent alarms, whether they are active or if they’ve been resolved. These are arranged from newest to oldest. The Alarm Log screen is similar to the Active Alarm screen, except for a few differences:
- The Alarm Log screen does not display the current operating mode
- The Alarm Log screen shows both when the alarm was first triggered (Event: Start) and when the fault condition was resolved (Event: Stop).

Viewing Unit Run Hours
- From any screen, press Escape several times to return to the main status screen. Press Up/Down until the clock icon is displayed in the lower-right of the screen.

- Press Enter to display the operating hours for the entire unit (compressor or fan), for the blower, and for the compressor.

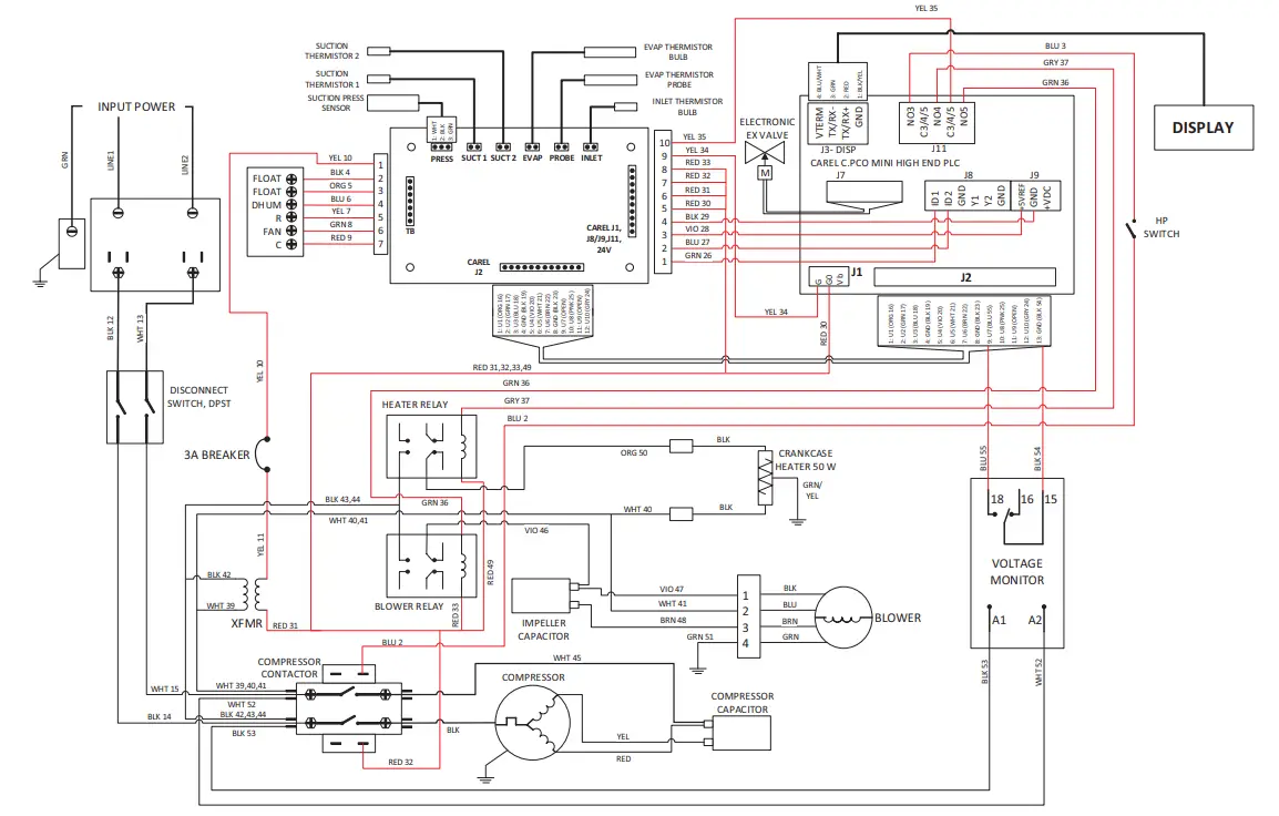
Wiring Diagram of the 50Hz Quest 706 Dehumidifier

Service Parts List
Item Part No Description
- 4029507 CONTROL,HIGH PRESSURE
- 4029575 RELAY (QTY. 2)
- 4039724 CONTACTOR
- 4031406 TRANSFORMER
- 4035949-07 CAPACITOR, COMP.
- 4036559 CIRCUIT BREAKER
- 4039729 CLAMP,CAPACITOR (QTY. 2)
- 4041557-01 CAPACITOR, IMPELLER
- 4039667 THERMISTOR W/CLAMP (QTY. 2) (NOT SHOWN)
- 4041719 CPRSR
- 4037702 FILTER,DRIER
- 4039604-04 COIL, EVAP
- 4037699 THERMISTOR BULB (QTY. 2) (NOT SHOWN)
- 4039605-02 COIL, MICRO (QTY. 4)
- 4039661 EEV
- 4039606 FAN,MOTORIZED IMPELLER
- 4038135 HANDLE,POCKET (QTY. 4)
- 4038136 BEZEL,HANDLE (QTY. 4)
- 4041821 WIRE HARNESS (NOT SHOWN)
- 4038079 LUG,GROUND
- 4038219 FOOT,RUBBER,1.25” DIA (QTY. 4)
- 4038225-01 BRACKET,FOOT,RIGHT
- 4038226-01 BRACKET,FOOT LEFT
- 4038215 BLOCK, WIRING
- 4039875 PLC
- 4038233 FILTER 18x20x2 (QTY. 2)
- 4039862 PRESSURE TRANSDUCER
- 4039932 CPRSR WIRE HARNESS (NOT SHOWN)
- 4039863 CRANKCASE HEATER
- 4041558 PLC DISPLAY
- 4041559 DISPLAY CABLE ASSEMBLY (NOT SHOWN)
- 4039875 PCB
- 4041614 SWITCH
- 4034716-08 THERMISTOR PROBE

Optional Parts List
PART NO. QTY. DESCRIPTION
- 4020175 1 Controller, Humidity
- 4028531 1 DEH 3000R Control, Remote
- 4041550 1 Cloud Control
- 4041560 1 Cloud Control Plus
- 4022220 1 Kit, Pump
- 4038642 1 Kit, Intake Duct
- 4039868 1 Kit, Exhaust Duct
- 4038644 1 Drain Trap Kit
Limited Warranty
WARRANTOR:
- Therma-Stor LLC
- 4201 Lien Rd
- Madison, WI 53704
- Telephone: 1-800-533-7533
WHO IS COVERED: This warranty extends only to the original end-user of the 50Hz Quest 706 Dehumidifier dehumidifier, and may not be assigned or transferred.
FIRST YEAR WARRANTY: Therma-Stor LLC warrants that, for one (1) year the 50Hz Quest 706 Dehumidifier dehumidifier will operate free from any defects in materials and workmanship, or Therma-Stor LLC will, at its option, repair or replace the defective part(s), free of any charge.
SECOND THROUGH THIRD YEAR WARRANTY: Therma-Stor LLC further warrants that for a period of five (5) years, the condenser, evaporator, and compressor of the 50Hz Quest 706 Dehumidifier dehumidifier will operate free of any defects in material or workmanship, or Therma-Stor LLC, at its option, will repair or replace the defective part(s), provided that all labor and transportation charges for the part(s) shall be borne by the end-user.
END-USER RESPONSIBILITIES: Warranty service must be performed by a Servicer authorized by Therma-Stor LLC. If the end-user is unable to locate or obtain warranty service from an authorized Servicer, he should call Therma-Stor LLC at the above number and ask for the Therma-Stor LLC Service Department, which will then arrange for covered warranty service. Warranty service will be performed during normal working hours. The End-user must present proof of purchase (lease) upon request, by use of the warranty card or other reasonable and reliable means. The end-user is responsible for normal care. This warranty does not cover any defect, malfunction, etc. resulting from misuse, abuse, lack of normal care, corrosion, freezing, tampering, modification, unauthorized or improper repair or installation, accident, acts of nature or any other cause beyond Therma-Stor LLC’s reasonable control.
LIMITATIONS AND EXCLUSIONS: If any 50Hz Quest 706 Dehumidifier Dehumidifier part is repaired or replaced, the new part shall be warranted for only the remainder of the original warranty period applicable thereto (but all warranty periods will be extended by the period of time, if any, that the 50Hz Quest 706 Dehumidifier Dehumidifier is out of service while awaiting covered warranty service).
UPON THE EXPIRATION OF THE WRITTEN WARRANTY APPLICABLE TO THE 50Hz Quest 706 Dehumidifier DEHUMIDIFIER OR ANY PART THEREOF, ALL OTHER WARRANTIES IMPLIED BY LAW, INCLUDING MERCHANTABILITY AND FITNESS FOR A PARTICULAR PURPOSE, SHALL ALSO EXPIRE. ALL WARRANTIES MADE BY THERMA-STOR LLC ARE SET FORTH HEREIN, AND NO CLAIM MAY BE MADE AGAINST THERMA-STOR LLC BASED ON ANY ORAL WARRANTY. IN NO EVENT SHALL THERMA-STOR LLC, IN CONNECTION WITH THE SALE, INSTALLATION, USE, REPAIR OR REPLACEMENT OF ANY 50Hz Quest 706 Dehumidifier DEHUMIDIFIER OR PART THEREOF BE LIABLE UNDER ANY LEGAL THEORY FOR ANY SPECIAL, INDIRECT OR CONSEQUENTIAL DAMAGES INCLUDING WITHOUT LIMITATION WATER DAMAGE (THE END-USER SHOULD TAKE PRECAUTIONS AGAINST SAME), LOST PROFITS, DELAY, OR LOSS OF USE OR DAMAGE TO ANY REAL OR PERSONAL PROPERTY.
Some states do not allow limitations on how long an implied warranty lasts, and some do not allow the exclusion or limitation of incidental or consequential damages, so one or both of these limitation may not apply to you.
LEGAL RIGHTS: This warranty gives you specific legal rights, and you may also have other rights which vary from state to state.
4201 Lien Rd
- Madison, WI 53704 Toll-Free 1-877-420-1330
- www.QuestClimate.com
- [email protected]






























