
INSTALLATION, OPERATION, AND MAINTENANCE INSTRUCTIONS
QUEST 506

- Quiet operation
- 230V & 277V units
- Long-life impeller
- Industry-leading efficiency
- Superior MERV-13 air filtration
- Environmentally friendly refrigerant
- Auto-restart after power outages
Serial Number……………………………………………………………….
Install Date……………………………………………………………………
Sold By………………………………………………………………………….
![]()
Patents: thermastor.com/patents
SAFETY PRECAUTIONS
Read the installation, operation and maintenance instructions carefully before installing and operating this device. Proper adherence to these instructions is essential to obtain maximum benefit from your Quest Dehumidifier.
READ AND SAVE THESE INSTRUCTIONS
- The device is designed to be installed INDOORS IN A SPACE THAT IS PROTECTED FROM RAIN AND FLOODING.
- Install the unit with space to access the back or side panels for maintenance and service. DO NOT INSTALL UNIT WITH THE SERVICE PANELS INACCESSIBLE.
- Avoid directing the discharge air at people, or over the water in pool areas.
- If used near a pool, spa or water; be certain there is NO chance the unit could fall into the water, be splashed and that it is plugged into an outlet that is a GROUND FAULT INTERRUPT protected circuit.
- DO NOT use the device as a bench or table.
- DO NOT place the device directly on structural members. Provide vibration isolation in order to minimize operational vibration and/or noise.
- A drain pan MUST be placed under the unit if installed above a living area or above an area where water leakage could cause damage
- Never operate a unit with a damaged power cord. If the power cord is damaged it must be replaced by the manufacturer, its service agent, or similarly qualified person in order to avoid a hazard.
- Make all electrical connections in accordance with the current edition of the NEC ANSI/NFPA 70 and any national and local codes or ordinances that may apply.
- Maintain a minimum 3ft. (1m) clearance to avoid obstructing the air return and supply.
- This appliance is not intended for use by persons (including children) with reduced physical, sensory or mental capabilities, or lack of experience and knowledge, unless they have been given supervision or instruction concerning use of the appliance by a person responsible for their safety. Children should be supervised to ensure that they do not play with the appliance.
- Not intended for use at altitudes over 2000M.
INTENDED APPLICATION FOR QUEST 506
The Quest 506 Dehumidifier is designed to operate in temperatures between 56 F and 95 F.
In order to efficiently control humidity levels, the area in which the dehumidifier is to be operated must be free of water intrusion or excessive fresh (outside) air infiltration. Before installing the Quest 506 Dehumidifier, water intrusion and air infiltration problems should be addressed or noted in calculations.
REGISTRATIONS
The Quest 506 Dehumidifier units conform to unified standards: UL 60335-2-40, CSA 22.2 # 60335-240:2012 Ed. 1+4. Patent: thermastor.com/patents
SPECIFICATIONS @ 80°F / 60% RH
| UNIT | QUEST 506 4036600 | QUEST 506 277V 4036610 | ||||||||||||||||||||
| CFM: | 1350 @ 0.0” WG | 1350 @ 0.0” WG | ||||||||||||||||||||
| POWER: | 2700 Watts | 2700 Watts | ||||||||||||||||||||
| SUPPLY VOLTAGE: | 220–240 VAC 1 Phase – 60 Hz | 277 VAC 1 Phase – 60 Hz | ||||||||||||||||||||
| CURRENT DRAW: | 11.0A | 10.0A | ||||||||||||||||||||
| RATED CURRENT DRAW AMPS : 104 F 36% | 13.6A | 12.2A | ||||||||||||||||||||
| ENERGY FACTOR: | 3.8 L/kWh | 3.8 L/kWh | ||||||||||||||||||||
| OPERATING TEMP: | 56 F Min – 95 F Max | 56 F Min – 95 F Max | ||||||||||||||||||||
| WATER REMOVAL: EFFICIENCY: | 506 Pints/Day 8.1 Pints/kWh | 506 Pints/Day 8.1 Pints/kWh | ||||||||||||||||||||
| AIR FILTER MERV 13 : QTY 2 | Size: 18” x 20” x 2” | Size: 18” x 20” x 2” | ||||||||||||||||||||
| POWER CORD: | 12ga 10’, NEMA 6-20P | 12ga 10’, NEMA L7-20P | ||||||||||||||||||||
| DRAIN CONNECTION: | 3/4” Threaded NPT | 3/4” Threaded NPT | ||||||||||||||||||||
| REFRIGERANT TYPE: REFRIGERANT AMOUNT: | R410A 4 lb 8 oz | R410A 4 lb 8 oz | ||||||||||||||||||||
| DIMENSIONS: WIDTH: HEIGHT: LENGTH: WEIGHT: |
|
|
* Unit 4036600 requires buck/boost transformer to run on 208V or 277V.
* Both units require external control, not provided.
INSTALLATION
LOCATION
The Quest 506 Dehumidifier can be installed in a variety of locations to meet the owner’s needs as listed below. In all cases keep the following cautions in mind:
- It is designed to be installed INDOORS IN A SPACE THAT IS PROTECTED FROM RAIN AND FLOODING.
- Install the unit with space to access side panel for maintenance and service. DO NOT INSTALL UNIT WITH ACCESS PANEL INACCESSIBLE.
- Avoid discharging the air directly at people, or over the water in pool areas.
- Be certain there is NO chance the unit could fall into water or be splashed and that it is plugged into a GROUND FAULT INTERRUPTER.
- DO NOT use the Quest 506 Dehumidifier as a bench or table.
- DO NOT place the Quest 506 Dehumidifier directly on structural members. Provide vibration isolation in order to minimize operational vibration and/or noise.
- A drain pan MUST be placed under the unit if installed above an area where water leakage could cause damage.
- DO NOT obstruct the supply or return air. Maintain a minimum 3’ clearance around supply and return air.
ELECTRICAL REQUIREMENTS
WARNING! Electrical shock hazard: Electrical power must be present for some test. These test should be performed by a qualified service person.
The Quest 506 dehumidifier plugs into NEMA 6-20R rated receptacle. The Quest 506 277v dehumidifier plugs into a NEMA L7-20P-rated receptacle. The amp draws are listed on page 4 of this manual. Connecting to electrical power must comply with all national, state, and local electrical codes. A ground fault interrupter-protected circuit is recommended. This unit shall not be used with an extension cord.
WARNING! The On/Off switch above the 24VAC control reset only turns off the 24VAC circuit. It does not disconnect the main power.
Low Voltage Connections
Install the external control in a central area of the structure where it will sense the relative humidity accurately. Do not install the control sensor where it may not accurately measure the relative humidity such as near HVAC supply registers, near exterior doors, or near pool or spas. The installer must supply the wiring between the dehumidifier and the external control. Be sure to safely route the control wiring to prevent damage during installation. Be careful not to cross the wires when connecting the dehumidifier and the external control. The controls of the dehumidifier are powered by a low voltage circuit (24VAC) and must NEVER contact or be connected to a high voltage circuit. The control terminals are labeled to prevent confusion.
WARNING! Damaged power cords can only be replaced with one by the unit manufacturer.
CONDENSATE WATER REMOVAL
Condensate drains by gravity via the drain port. Use 3/4” male NPT PVC pipe. An optional condensate pump kit may be installed if a lift is required to dispose of the condensate. Optional parts list for information on the kit.
FOLLOW DIAGRAM:
- Level within 2°
Vent:
- Place vent after the trap.
- Vent should be open.
- Height of vent should be higher than drain outlet.
Cap:
- A clean out can be placed before trap but must be sealed with a cap.
Drain Line:
- Drain line should go in a downward slope to the drain.
- 1/4” drop per foot.

HANGING DIAGRAM

PARTS NEEDED:
4 pieces 3/8” threaded rod (not included)
4 – 3/8” threaded jam nuts (not included)
WARNING! Hanging installation must meet all state and local codes.
WARNING! Installation should be done by a qualified agency in accordance with these instructions. The qualified service agency installing this high-efficiency refrigeration system is responsible for the installation.
WARNING! Check the supporting structure to be used to verify that it has sufficient load-carrying capacity to support the weight of the unit. Suspend the unit only from the threaded nut retainers. Do NOT suspend from the cabinet.
CAUTION! Recommended maximum hanger rod is 6 feet (1.8m).
CONTROL OPTIONS
The Quest 506 Dehumidifier is controlled by an external remote humidistat through a 24V terminal block. External control NOT provided.
HUMIDITY CONTROL
A 24VAC signal is sent by the remote humidistat signals the fan or fan and compressor to actuate.
QUEST CONTROL OPTIONS:
- Cloud Control
- Quest DEH3000R
- Honeywell Humidipro
- Any 24V signal to Dehumidify
CAUTION! Low Voltage Hazard. Can cause equipment damage. Disconnect power before beginning installation.
24VAC WIRING
The terminal block, low voltage circuit breaker, and power switch are located on the intake side of the unit. Turn the power switch to the off position while wiring the unit.![]()
FLOAT: {External normally closed dry contact float switch.} No voltage may be applied to the float switch.
FLOAT: Applying voltage may damage the control and void the warranty. {If no float is used in the system, leave the jumper connected to the terminal block.}
DEHU: Dehumidification (compressor and fan operation).
R: 24VAC output
FAN: Fan operation only.
C: 24VAC neutral (common)
Note:
External devices can be powered between 24V/COM (10VA max).
24V circuit is protected by circuit breaker.
| 5.2A CLOUD CONTROL | 5.2A DEH 3000R CONTROL |
| QUEST CLOUD CONTROL WIRING DIAGRAM ![]() | QUEST DEH 3000R CONTROL WIRING DIAGRAM ![]() |
| 5.2B HONEYWELL REMOTE HUMIDISTAT | 5.2C DAISY CHAIN |
| HONEYWELL REMOTE HUMIDISTAT WIRING DIAGRAM ![]() | QUEST DEH 3000R CONTROLER![]() |
MAINTENANCE
WARNING! Do not operate the unit without the filter or with a less effective filter. The heat exchange coils inside the unit could become clogged and require disassembly to clean. Filter non-compliance invalidates the product warranty.
STANDARD AIR FILTER
The Quest 506 Dehumidifier ships with a standard MERV 13 efficient pleated fabric filter. This filter should be checked every six months. Operating the unit with a dirty filter will reduce dehumidifier capacity and efficiency and may cause the compressor to cycle off and on unnecessarily on the defrost control.
To access the air filter, the filter should be readily visible and can be removed by pulling it straight out of the Quest 506 Dehumidifier.
We recommend changing the filter at least with every grow cycle.
SERVICE
WARNING! Servicing the Quest 506 with its high-pressure refrigerant system and high voltage circuitry presents a health hazard which could result in death, serious bodily injury, and/or property damage. Only qualified service people should service this unit.
WARRANTY
A warranty certificate has been enclosed with this unit; read it before any repair is initiated. If a warranty repair is required, call the factory first at 1-877-420-1330 for warranty claim authorization and technical assistance.
TECHNICAL DESCRIPTION (NON-STANDARD PATENTED)
The Quest 506 Dehumidifier uses a refrigeration system similar to an air conditioner’s to remove heat and moisture from incoming air, and add heat to the air that is discharged.
Hot, high-pressure refrigerant gas is routed from the compressor to the condenser coil. The refrigerant is cooled and condensed by giving up its heat to the air that is about to be discharged from the unit. The refrigerant liquid then passes through a filter/drier and expansion drier which causes the refrigerant pressure and temperature to drop. It next enters the evaporator coil where the cool refrigerant absorbs heat from the incoming air and evaporates.
The compressor evacuates the cool refrigerant vapor from the evaporator and compresses it to a high pressure and temperature to repeat the process.
TROUBLESHOOTING
Neither fan nor compressor running. Dehumidification is being called for. No fan call.
- Unit unplugged or no power to outlet.
- Humidity control set too high.
- Loose connection in internal or control wiring.
- Defective Compressor relay.
- Defective control transformer.
Compressor is not running. Dehumidification is being called for. No fan call.
- Defective compressor run capacitor.
- Loose connection in compressor circuit.
- Defective compressor overload.
- Defective compressor.
- Defrost thermostat open.
Compressor cycles on and off. Dehumidification is being called for. Fan is running.
- Low ambient temperature and/or humidity causing unit to cycle through defrost mode.
- Defective compressor overload.
- Defective compressor.
- Defrost thermostat defective.
- Dirty air filter(s) or air flow restricted.
Fan is not running. Dehumidification or fan is being called for.
- Loose connection in fan circuit.
- Obstruction prevents fan impeller rotation.
- Defective fan.
- Defective fan relay.
Low dehumidification capacity (evaporator is frosted continuously). Dehumidification is being called for.
- Defrost sensor loose or defective.
- Low refrigerant charge
- Dirty air filter(s) or air flow restricted.
- Excessively restrictive ducting connected to unit.
Unit removes some water, but not as much as expected.
- Air temperature and/or humidity have dropped.
- Humidity meter and or thermometer used are out of calibration.
- Unit has entered defrost cycle.
- Air filter dirty.
- Defective defrost sensor.
- Low refrigerant charge.
- Air leak such as loose cover or ducting leaks.
- Defective compressor.
- Restrictive ducting.
- Optional Condensate Pump Safety Switch open.
Test to determine if the problem is with the unit or control:
- Detach field control wiring connections from unit.
- Connect the 24V and FAN together; only the impeller fan should run. Disconnect the wires.
- Connect the 24V and DEHU together; fan should run, Compressor should come on after a short delay.
- Run the unit for 1 hour in an environment that is greater than a 50 F dew point. The unit should produce water from the drain port.
- If these tests pass, the unit is working properly. You should check the control and field wiring for problems if the unit is not activating. Check for air restrictions, low temperature, low humidity, and refrigerant charge if the unit is not producing water.
DUCTING GUIDELINES
CAUTION! Quest 506 is intended for use in statics under .25”WG.
- Ducting either the intake or exhaust use a minimum of two 12” diameter round ducts minimum.
- Grills or diffusers on the duct ends must not excessively restrict airflow.
- Effective dehumidification may require ducting to be branched to isolated or stagnant flow areas.
Be sure to use appropriate size duct branches to maintain proper feed throughout the ducting system. - System control should be placed remotely from the dehumidifier in a central location.
- Intake and exhaust ducting should have a minimum of 4 feet from the unit before any turns.
CAUTION! Do not connect with a static pressure greater than +.25”wg. Contact technical support for additional details. - Optional duct kits are available from the factory: Exhaust Kit 4038641 and Intake Kit 4038642. See figures below for plenum dimensions and duct diameters. Alternatively, licensed contractors can fabricate duct plenums and reference figures below for safe fastener mounting points.

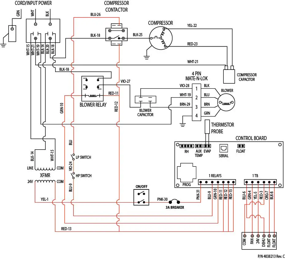
WIRING DIAGRAM OF THE QUEST 506 DEHUMIDIFIER

SERVICE PARTS LIST
| Item | Part No | Description |
| 1 | 4029507 | CONTROL, HIGH PRESSURE |
| 2 | 4029508 | CONTROL, LOW PRESSURE |
| 3 | 4029575 | RELAY |
| 4 | 4031101 | CONTACTOR |
| 5 | 4031406 (4042945) | TRANSFORMER TRANSFORMER (277V) |
| 6 | 4035949-06 (4035949-12) | CAPACITOR, COMP. CAPACITOR,COMP. (277V) |
| 7 | 4036164-20 | TUBE,CU, CPLRY |
| 8 | 4036559 | CIRCUIT BREAKER |
| 9 | 4039729 | CLAMP, CAPACITOR |
| 10 | 4037221-06 (4042209-04) | CAPACITOR CAPACITOR (277V) |
| 11 | 4037699 | THERMISTOR |
| 12 | 4039607 (4042942) | CPRSR CPRSR (277V) |
| 13 | 4037702 | FILTER, DRIER |
| 14 | 4037703-04 | COIL, EVAP |
| 15 | 4037704-02 | COIL, CONDENSER |
| 16 | 4037707 | TXV,3 TON |
| 17 | 4037708 (4042941) | FAN, MOTORIZED IMPELLER FAN, MOTORIZED IMPELLER (277V) |
| 18 | 4037728 (4042899) | CORD CORD (277V) |
| 19 | 4038135 | HANDLE, POCKET |
| 20 | 4038136 | BEZEL, HANDLE |
| 21 | 4038178 | WIRE HARNESS |
| 22 | 4038079 | LUG, GROUND |
| 23 | 4038219 | FOOT,RUBBER,1.25″ DIA |
| 24 | 4038225-01 | BRACKET,FOOT,RIGHT |
| 25 | 4038226-01 | BRACKET, FOOT LEFT |
| 26 | 4038215 | BLOCK, WIRING |
| 27 | 4039691 | CONTROL ASSY |
| 28 | 4038233 | FILTER (QTY 2) |

OPTIONAL PARTS LIST
| Part No | Qty | Description |
| 4020175 | 1 | Controller, Humidity |
| 4028531 | 1 | DEH 3000R Control, Remote |
| 4041550 | 1 | Cloud Control |
| 4041560 | 1 | Cloud Control Plus |
| 4032220 | 1 | Kit, Pump |
| 4038642 | 1 | Kit, Intake Duct |
| 4038641 | 1 | Kit, Exhaust Duct |
| 4038644 | 1 | Drain Trap Kit |
QUEST 506 DEHUMIDIFIER LIMITED WARRANTY
WARRANTOR:
Therma-Stor LLC
4201 Lien Rd Madison, WI 53704
Telephone: 1-800-533-7533
WHO IS COVERED: This warranty extends only to the original end-user of the Quest 506 Dehumidifier dehumidifier, and may not be assigned or transferred.
FIRST YEAR WARRANTY: Therma-Stor LLC warrants that, for one (1) year the Quest 506 Dehumidifier dehumidifier will operate free from any defects in materials and workmanship, or Therma-Stor LLC will, at its option, repair or replace the defective part(s), free of any charge.
SECOND THROUGH FIFTH YEAR WARRANTY: Therma-Stor LLC further warrants that for a period of five (5) years, the condenser, evaporator, and compressor of the Quest 506 Dehumidifier dehumidifier will operate free of any defects in material or workmanship, or Therma-Stor LLC, at its option, will repair or replace the defective part(s), provided that all labor and transportation charges for the part(s) shall be borne by the end-user.
END-USER RESPONSIBILITIES: Warranty service must be performed by a Servicer authorized by Therma-Stor LLC. If the end-user is unable to locate or obtain warranty service from an authorized Servicer, he should call Therma-Stor LLC at the above number and ask for the Therma-Stor LLC Service Department, which will then arrange for covered warranty service. Warranty service will be performed during normal working hours.
The End-user must present proof of purchase (lease) upon request, by use of the warranty card or other reasonable and reliable means. The end-user is responsible for normal care. This warranty does not cover any defect, malfunction, etc. resulting from misuse, abuse, lack of normal care, corrosion, freezing, tampering, modification, unauthorized or improper repair or installation, accident, acts of nature or any other cause beyond Therma-Stor LLC’s reasonable control.
LIMITATIONS AND EXCLUSIONS: If any Quest 506 Dehumidifier part is repaired or replaced, the new part shall be warranted for only the remainder of the original warranty period applicable thereto (but all warranty periods will be extended by the period of time, if any, that the Quest 506 Dehumidifier is out of service while awaiting covered warranty service).
UPON THE EXPIRATION OF THE WRITTEN WARRANTY APPLICABLE TO THE Quest Dual EHUMIDIFIER OR ANY PART THEREOF, ALL OTHER WARRANTIES IMPLIED BY LAW, INCLUDING MERCHANTABILITY AND FITNESS FOR A PARTICULAR PURPOSE, SHALL ALSO EXPIRE. ALL WARRANTIES MADE BY THERMA-STOR LLC ARE SET FORTH HEREIN, AND NO CLAIM MAY BE MADE AGAINST THERMA-STOR LLC BASED ON ANY ORAL WARRANTY. IN NO EVENT SHALL THERMA-STOR LLC, IN CONNECTION WITH THE SALE, INSTALLATION, USE, REPAIR OR REPLACEMENT OF ANY Quest Dual DEHUMIDIFIER OR PART THEREOF BE LIABLE UNDER ANY LEGAL THEORY FOR ANY SPECIAL, INDIRECT OR CONSEQUENTIAL DAMAGES INCLUDING WITHOUT LIMITATION WATER DAMAGE (THE END-USER SHOULD TAKE PRECAUTIONS AGAINST SAME), LOST PROFITS, DELAY, OR LOSS OF USE OR DAMAGE TO ANY REAL OR PERSONAL PROPERTY.
Some states do not allow limitations on how long an implied warranty lasts, and some do not allow the exclusion or limitation of incidental or consequential damages, so one or both of these limitation may not apply to you.
LEGAL RIGHTS: This warranty gives you specific legal rights, and you may also have other rights which vary from state to state.
(877) 420-1330
QUESTCLIMATE.COM
![]()
4201 Lien Rd. Madison, WI 53704 1-800-533-7533
Thermastor.com | QuestClimate.com
© 2016 Therma-Stor LLC























