antaira IMC-C100-XX Series 10/100TX to 100FX Industrial Media Converter with SC/ST Connector User Manual
Overview
Antaira Technologies’ IMC-C100-XX series is a compact IP30 rated Ethernet-to fiber media converter featuring a 10/100TX Ethernet port and a fixed fiber interface supporting ST or SC connectors depending on the model. There are Multi-Mode and Single-Mode models to supportapplications with a variety of fiber distances and types. It is designed to fulfill industrial applications that require fiber optic distance extension while using minimal space.
The IMC-C100-XX series has a built-in “Link Fault Pass Through” (LFP) and “Far End Fault” (FEF) function with 12~48VDC redundant power inputs with reverse polarity and overload current protection. This product series supports DIN-Rail as well as wall mountable orientations and provides operatingtemperature range models in STD: -10°C to 70°C and EOT: -40°C to 80°C.
Key Features
- System Interface/Performance
- RJ-45 ports support the auto MDI function
- Embedded 1*10/100Tx and 1*100x SC/ST fixed fiber port with multi/single mode
- Store-and-forward switching architecture
- 128kbits memory buffer◼
- Power Input
- DC 12~48V redundant power with a 6-pin removal terminal block
- Max. current 0.16A
- The power input specification is compliant with the requirements of SELV (Safety Extra Low Voltage), and the power supply should be compliant with
- UL 61010-1 & UL 61010-2-201.
- Operating Temperature
- Standard operating temperature model: -10°C ~ 70°C
- Extended operating temperature model (–T): -40°C ~ 80°C
- Case/Installation
- IP-30 protection
- Installation in a Pollution Degree 2 industrial environment
- DIN-Rail and wall mount design
Package Contents
- 1 – Quick Installation Guide
- 1 – IMC-C100-XX series Industrial Media Converter
- 1 – Wall mounting bracket set with screws
- 1 – DC cable – 18 AWG & DC jack 5.5×2.1mm
Safety Precaution
Attention
If the DC voltage is supplied by an external circuit, please use a protection device on the power supply input. Supply by UL Listed industrial use power. The industrial media converter’s hardware specs, ports, cabling information, and wiring installation will be described within this user manual.
Warning Labels
The caution label means that you should check the certain information on user manual when working with the device. (Shown in Figure 1).
Hardware Description
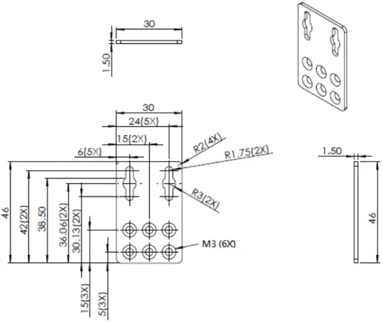
Physical Dimensions
Figure 2.1, below, shows the physical dimensions of Antaira Technologies’ IMC C100-XX series: 10/100Tx to 1000FX compact industrial Ethernet media converter.
Front Panel
The front panel of the IMC-C100-XX series can be seen below
Figure 2.2 Front Panel
Top View
Figure 2.3, below, shows the top panel of the IMC-C100-XX series media converter that is equipped with one 6-pin removal terminal block connector for dual DC power inputs (12~48VDC).
Figure 2.3 Top Panel View
LED Indicators
There are LED light indicators located on the front panel of the industrial Ethernet media converter that displays the power and network status. Each LED indicator has a different color and has its own specific meaning, see below in Table 2.1.
LED | Color | Description | |
P1 |
| On | Power input 1 is active |
Off | Power input 1 is inactive | ||
P2 |
| On | Power input 2 is active |
Off | Power input 2 is inactive | ||
Fault | Red | On | Power input 1 or 2 is inactive or port link failed |
Off | Power input 1 and 2 are functional and port link is correct | ||
| RJ45 Port (Upper LED) | Green | On | Linked to network at 10/100Mbps |
Flashing | Networking is active | ||
Off | Not connected to network | ||
| RJ45 Port (Lower LED) | Green | On | Linked to network at 100Mbps |
Off | Linked to network at 10Mbps | ||
| 100FX Fiber Port (L/A) | Green | On | Connected to network at 100Mbps |
Flashing | Networking is active | ||
Off | Not connected to network | ||
Table 2.1 LED Indicators
NOTE: “P1/P2” is the abbreviation for “Power 1/Power 2”, and “L/A” is for “Link/Activity”.
DIP-Switch Setting
Default setting:
There are 6 pins on the DIP-switch on the front panel for setting LFP (Link Fault Pass) and transmission control setup. The default setting for all DIP switches is “OFF”. See Table 2.2 below for more details.
| DIP- Switch | 1 | 2 | Fiber Port Setting | Copper Port Settings | ||
3 | 4 | 5 | 6 | |||
| ON | LFP Enable | Converter Mode | Half-Duplex Mode | Auto negotiation Disable | 10Mbps | Half- Duplex Mode |
| OFF | LFP Disable | Switch Mode | Full-Duplex Mode | Auto- negotiation Enable | 100Mbps | Full-Duplex Mode |
Table 2.2 DIP-switch settings
- DIP Switch 1
ON: Enable Link Fault Pass Through
OFF: Disable Link Fault Pass Through (default) - DIP Switch 2
ON: Enable “Converter mode” to forward a frame immediately without storing in memory. When enabling this mode, please make sure both the Ethernet copper port and the optic fiber port work at 100Mbps and Full-Duplex.
OFF: Enable “Store-and-Forward switch mode” (default) - DIP Switch 3
ON: Set fiber port at Half-Duplex
OFF: Set fiber port at Full-Duplex (default) - DIP Switch 4
ON: Disable Auto-negotiation on the copper port
OFF: Enable Auto-negotiation on the copper port (default) - DIP Switch 5
ON: Set the copper port transmission speed at 10Mbps
OFF: Set the copper port transmission speed at 100Mbps (default) - DIP Switch 6
ON: Set the copper port transmission speed at Half-Duplex
OFF: Set the copper port transmission speed at Full-Duplex (default)
Caution: If changing the current DIP-switch setting, the device should be powered off and then powered on again to make the setting effective.
Ethernet Ports
RJ-45 Ports
RJ-45 Ports (Auto MDI/MDIX): The RJ-45 port is auto-sensing for 10/100Base Tx or 1000BaseTx device connections. Auto MDI/MDIX means that the media converter can connect to another switch or workstation without changing the straight-through or crossover cabling. See the figures shown below for the straight-through and crossover cabling schematics.
Figure 2.4: RJ-45 Ethernet Port Pin

Figure 2.5 Figure 2.6
Straight-Through Cables Schematic Crossover Cables Schematic
Cabling
- Twisted-pair segments can be connected with an Unshielded Twisted Pair (UTP) or Shielded Twisted Pair (STP) cable. The cable between the equipment and the link partner (media converter, switch, hub, workstation, etc.) must be less than 100 meters (328 ft.) long.
- Fiber with single-mode connector types have to use 9/125μm single-mode fiber cable, multimode connector types have to use 62.5/125μm multi-mode fiber cable The fiber port of SC type connector can work in multi-mode or single-mode. When connecting the fiber port to another one, please follow the figure below to connect accordingly. Wrong connections will cause the port to work abnormally.
Figure 2.7 SC Connector
Caution: This is a Class 1 Laser/LED product that complies with IEC 60825 1. Don’t stare into the Laser/LED Beam.
Wiring the Power Inputs
Please follow the steps below to insert the power wire.
- Insert the positive and negative wires into the PWR1 (V1+, V1-) and PWR2 (V2+, V2-) contacts on the terminal block connector as shown below in Figure 2.8.

Figure 2.8 Power Terminal Block - Tighten the wire-clamp screws to prevent the wires from loosening, as shown below in Figure 2.9.

Figure 2.9 Power Terminal Block
Caution: Only use copper conductors, 70/80°C, tighten to 5 in-lbs (0.56 Nm). The wire gauge for the terminal block should range between 18~20 AWG.
Wiring the Fault Alarm Contact
The fault alarm contact is in the middle of the terminal block connector as the picture shows below in Figure 2.10. By inserting the wires, it will detect the fault status including power failure or port link failure (managed industrial switch only) and form a normal open circuit.
Figure 2.10: Wiring the Fault Alarm Contact
Caution: The wire gauge for the terminal block should range between 12 ~ 24 AWG. If only using one power source, jumper Pin 1 to Pin 5 and Pin 2 to Pin 6 to eliminate power fault alarm.
Grounding Note
Grounding and wire routing help limit the effects of noise due to electromagnetic interference (EMI). Run the ground connection from the ground screw to the grounding surface prior to connecting devices. The grounding screw symbol is shown blow in Figure 2.11.
Figure 2.11 Grounding screw
Caution: Using a shielded cable achieves better electromagnetic compatibility.
Mounting Installation
DIN-Rail Mounting
The DIN-Rail is pre-installed on the industrial Ethernet media converter from the factory. If the DIN-Rail is not on the industrial Ethernet media converter, please refer to Figure 3.1 to learn how to install the DIN-Rail on the media converter.
Figure 3.1 The Rear Side of the Media Converter and DIN-Rail Bracket
Follow the steps below to learn how to hang the industrial Ethernet media converter.
- Use the screws to install the DIN-Rail bracket on the rear side of the industrial Ethernet media converter.
Caution: The torque for tightening the screws on the device is 3.5 in-lbs - To remove the DIN-Rail bracket, do the opposite from step 1.
- After the DIN-Rail bracket is installed on the rear side of the media converter, insert the top of the DIN-Rail on to the track as shown below in Figure 3.2.

Figure 3.2 Insert on the DIN-Rail - Lightly pull down the bracket on to the rail as shown below in Figure 3.3.

- Check if the bracket is mounted tightly on the rail.
- To remove the industrial Ethernet media converter from the rail, do the opposite from the above steps.
Wall Mounting
Follow the steps below to mount the industrial Ethernet media converter using the wall mounting bracket as shown below in Figure 3.4.
Figure 3.4 Remove DIN-Rail Bracket
Caution: “Wall” means industrial control panel wall.
- Remove the DIN-Rail bracket from the industrial media converter by loosening the screws.
- Place the wall mounting brackets on the top and bottom of the industrial media converter.
- Use the screws to screw the wall mounting bracket on the industrial media converter.
Caution: The torque for tightening the screws on the device is 3.5 in-lbs. - Use the hook holes at the corners of the wall mounting bracket to hang the industrial Ethernet media converter on the wall.
- To remove the wall mount bracket, do the opposite from the steps above.
Below, in Figure 3.5 are the dimensions of the wall mounting bracket.
Figure 3.5 Wall Mounting Bracket Dimensions
Hardware Installation
Installation Steps
This section will explain how to install Antaira Technologies’ IMC-C100-XX series.
Caution
- This device is intended for indoor use and at altitudes up to 2000 meters.
- This device is intended to be installed in an industrial control enclosure and panel.
Installation Steps
- Unpack the industrial media converter from the original packing box.
- Check if the DIN‐Rail bracket is screwed on the industrial media converter.
- If the DIN‐Rail is not screwed on the industrial media converter, please refer to the DIN‐Rail Mounting section for DIN‐Rail installation.
- For wall mounting, please refer to the Wall Mounting section for wall mounting installation.
- For DIN‐Rail or wall mounting, please refer to the Mounting Installation section.
- Power on the industrial media converter, then the power LED light will turn on.
- For wiring power, please refer to the Wiring the Power Inputs section.
- Please refer to the LED Indicators section for LED light indication.
- Prepare the twisted‐pair, straight‐through category 5 cable for Ethernet connection.
- Insert one side of the RJ‐45 cable into the media converter’s Ethernet port and on the other side into the networking device’s Ethernet port, e.g. switch, PC, or server. The Ethernet port’s (RJ‐45) LED on the industrial media converter will turn on when the cable is connected to the networking device.
- Please refer to the LED Indicators section for LED light indication information.
- Insert one side of the fiber cable into the media converter’s fiber port and on the other side into the networking device’s fiber port, e.g. switch or server. The fiber port’s LED on the industrial media converter will turn on when the cable is connected to the networking device.
- Please refer to the LED Indicators section for LED light indication information.
- When all connections are set and the LED lights all show normal, the installation process is complete.
Maintenance and Service
- If the device requires servicing of any kind, the user is required to disconnect and remove it from its mounting. The initial installation should be done in a way that makes this as convenient as possible.
- Voltage/power lines should be properly insulated as well as other cables. Be careful when handling them so as to not trip over.
- Do not under any circumstance insert foreign objects of any kind into the heat dissipation holes located in the different faces of the device. This may not only harm the internal layout, but might cause harm to user as well.
- Do not under any circumstance open the device for any reason. Please contact your dealer for any repair needed or follow the instructions within the manual.
- Clean the device with dry soft cloth.
Network Application
This segment provides an example of an industrial Ethernet media converter application (Figure 5.1).
Figure 5.1 Industrial Media Converter Application Example
Trouble Shooting
- Always verify the right power cord or adapter is being used. Never use a power supply or adapter with a non-compliant DC output voltage or it will burn the equipment.
- Select the proper UTP or STP cable in order to construct the network. Use an Unshielded Twisted-Pair (UTP) or Shield Twisted-Pair (STP) cable for RJ-45 connections: 100Ω Category 5e for 10/100/1000Mbps. Also be sure that the length of any twisted-pair connection does not exceed 100 meters (328 feet).
- Diagnosing LED Indicators: To assist in identifying problems, the media converter can be easily monitored with the LED indicators which help to identity if any problems exist.
- Please refer to the LED Indicators section for LED light indication information.
- If the power indicator LED does not turn on when the power cord is plugged in, the user may have a problem with the power cord. Check for loose power connections, power losses, or surges at the power outlet.
- Please contact Antaira for technical support if the problem cannot be resolved.
- If the industrial media converter LED indicators are normal and the connected cables are correct but the packets still cannot transmit, please check the system’s Ethernet devices’ configuration or status.
Technical Specifications
Table 7.1 has the technical specifications for Antaira Technologies’ IMC-C100-XX series:
| Standards | IEEE 802.3 | 10Base-T 10Mbit/s Ethernet |
| IEEE 802.3u | 100Base-TX, Fast Ethernet | |
| Technology | Protocol | CSMA/CD |
| Data Process | Store and Forward | |
| Flow Control | IEEE 802.3x back pressure flow control | |
| Switch Properties | Memory Buffer | 128k bits |
| Port Interface | Ethernet (RJ45) Port | 1*10/100Tx auto negotiation speed, full/half duplex mode, and auto MDI/MDI-X connection |
| Fiber Port | 1*100Fx SC/ST type connector Multi-mode: 50/125um or 62.5/125um Single-mode: 9/125um or 10/125um | |
| Fiber Wavelength | Depends on fixed fiber modules | |
| LED Indicator | Power 1, Power 2, Fault:: On / Off Fiber Port: Link / Act Ethernet Port: Link / Act | |
| Mechanical Characteristics | Housing | Metal IP30 protection |
| Dimension | 26 x 95 x 75 mm | |
| Weight | Unit Weight: 0.551 lbs. Shipping Weight: 0.815 lbs. | |
| Mounting | DIN-Rail Mounting, wall-mounting | |
| Power Requirement | Input Voltage | 12~48VDC Redundant Input |
| Power Connection | 1 removable 6-contact terminal block | |
| Power Consumption | 2 Watts | |
| Environmental Limits | Operating Temperature | Standard: -10 to 70˚C (14 to 158°F) EOT: -40 to 80˚C (-40 to 176°F) |
| Operating Humidity | 5% to 95% (Non-Condensing) | |
| Storage Temperature | -40 to 85˚C (-40 ~ 185°F) | |
| Regulatory Approvals | EMI / EMS | FCC Part 15 Subpart B Class A, CE EN 55032 Class A, EN 61000-6-4 Class A, CE EN 55024 Class A, EN 61000-6-2 Class A, IEC61000-4-2 (ESD), IEC61000-4-3 (RS), IEC61000-4-4 (EFT), IEC61000-4-5 (Surge), IEC61000-4-6 (CS), IEC61000-4-8 (Magnetic Field) |
| Stability Testing | IEC60068-2-32 (Free Fall), 27 (Shock), 6 (Vibration) | |
| Safety | FCC, CE, UL 61010-1 (Pending), UL 61010-2-201 (Pending) |
Table 7.1 Technical Specifications
© Copyright 2018 Antaira Technologies, LLC.
All Rights Reserved
This document contains information, which is protected by copyright. Reproduction, adaptation or translation without prior permission is prohibited, except as allowed under the copyright laws.
Trademark Information
Antaira is a registered trademark of Antaira Technologies, LLC., Microsoft Windows and the Windows logo are the trademarks of Microsoft Corp. All other brand and product names are trademarks or registered trademarks of their respective owners.
Disclaimer
Antaira Technologies, LLC. provides this manual without warranty of any kind, expressed or implied, including but not limited to the implied warranties of merchantability and fitness for a particular purpose. Antaira Technologies, LLC. may make improvements and/or changes to the product and/or specifications of the product described in this manual, without prior notice. Antaira Technologies, LLC. will not be liable for any technical inaccuracies or typographical errors found in this guide. Changes are periodically made to the information contained herein and will be incorporated into later versions of the manual. The information contained is subject to change without prior notice.
FCC Notice
This equipment has been tested and found to comply with the limits for a Class-A digital device, pursuant to Part 15 of the FCC rules. These limits are designed to provide reasonable protection against harmful interference in a residential installation. This equipment generates, uses, and can radiate radio frequency energy. It may cause harmful interference to radio communications if the equipment is not installed and used in accordance with the instructions. However, there is no guarantee that interference will not occur in a particular installation. If this equipment does cause harmful interference to radio or television reception, which can be determined by turning the equipment off and on, the user is encouraged to try to correct the interference by one or more of the following measures:
- Reorient or relocate the receiving antenna.
- Increase the separation between the equipment and receiver.
- Connect the equipment into an outlet on a circuit different from that to which the receiver is connected.
- Consult the dealer or an experienced radio/TV technician for help.
Caution: Any changes or modifications not expressly approved by the grantee of this device could void the user’s authority to operate the equipment.
CE Mark Warning
This is a Class-A product. In a domestic environment this product may cause radio interference in which case the user may be required to take adequate measures.
Industrial Ethernet Media Converters
User Manual
This manual supports the following models:
- IMC-C100-XX
- IMC-C100-XX-T
Please check our website (www.antaira.com) for any updated manual or contact us by e-mail ([email protected]).
Customer Support
Antaira Customer Service and Support
(Antaira US Headquarter) + 844-268-2472
(Antaira Europe Office) + 48-22-862-88-81
(Antaira Asia Office) + 886-2-2218-9733
Please report any problems to Antaira:
www.antaira.com / [email protected]
www.antaira.eu / [email protected]
www.antaira.com.tw / [email protected]
Any changes to this material will be announced on the Antaira website.

References
📧[email protected]
📧[email protected]
📧[email protected]
Antaira Technologies | Industrial Networking Solutions
Antaira Technologies Asia | Industrial Networking Product Solutions
Antaira Technologies Asia | Industrial Networking Product Solutions
Antaira Technologies | Industrial Networking Solutions
Antaira Technologies PoE Switches, converters and modules, Bluetooth adapters, servers - Antaira Technologies
Antaira Technologies PoE Switches, converters and modules, Bluetooth adapters, servers - Antaira Technologies


Figure 2.7 SC Connector






















