IPSWP08N100A
SWITCH 8 POE PORTS + 2 UPLINK 10/100
Instruction Manual

Please read this manual thoroughly before use and keep it for future reference
Package Contents
Check the following contents of your package:
- PoE Switch x 1
- User Guide x1
- Power Cord x1
- Accessories(Rubber Feet*4)
Hardware Description
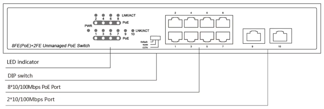
Front Panel

DIP Switch
Default: the factory default mode, can normal communication between ports 1~10.
VLAN: 1-8 ports can be isolated from each other but 1-8 ports can connect to 9/10 ports after opening VLAN to stop the broadcast
Storm to increase forwarding rate of frame.
CCTV Up to 250m PoE distance allows you to expand your network via Ethernet cable to where there is no power Line or outlet but where you want to fix devices such as IP Cameras.
LED indicator
| LED | Color | Function |
| PWR | Green | Off: No Power supply. Light: Indicates the switch has power. |
| LNK/ACT | Green | Off: No device is connected to the corresponding port. Light: Indicates the link through that port is successfully Established at 10/100Mbps. Blink: Indicates that the Switch is actively sending or Receiving data over that port. |
| PoE | Orange | Off: No PoE-powered device (PD) connected. Light: There is a PoE PD connected to be port, which Supplies power successfully. Blink: Indicates port abnormal power supply. |
Rear Panel
The rear panel of the PoE Switch indicates an AC inlet power socket, which accepts input power from 100 to 240V AC, 50/60HZ.

Power socket
Connect the female connector of the power cord here, and the male connector to the AC(Alternating Current) power outlet. Please make sure the voltage of the power supply meets the requirement of the input voltage.
Grounding column
The switch already comes with a lightning protection mechanism. You can also ground the switch through the PE (Protecting Earth) the cable of the AC cord or with Ground Cable.
Installation the Switch
This part describes how to install your Ethernet Switch and make connections to it. Please follow the following instructions in avoid of incorrect installation causing device damage and security threat.
- Before cleaning the switch, unplug the power plug of the switch first. Do not clean the switch with wet cloth or liquid;
- Do not place the switch near water or any damp area. Prevent water or moisture from entering the switch chassis;
- Do not place the switch on an unstable case or desk. The switch might be damaged severely in case of a fall;
- Ensure proper ventilation of the equipment room and keep the ventilation vents of the switch free of obstruction;
- Make sure that the operating voltage is the same one labeled on the switch;
- Do not open the chassis while the switch is operating or when electrical hazards are present to avoid electrical shocks.
Desktop Installation
Install the Switch on a desktop, please attach these cushioning rubber feet provided on the bottom at each corner of the Switch in case of external vibration. Allow adequate space for ventilation between the device and the objects around it.

Wall-mounted installation
In the first two fixed screws on the wall as shown in the figure below Aim at the two fixed hole switches, and the machine smoothly on the screw

Turn on the switch
Connect the AC power cord to the rear of the switch and to an electrical outlet (preferably one that is grounded ). When the switch is powered on, the LED indicators flash for one second, which represents a resetting of the system.
The Power LED indicator turns on green.
Note: Please confirm the voltage is correct before powering on, otherwise the switch will be damaged. (The power input is:100V-240Vac, 50/60Hz.)
Specifications
| Model | 8FE(PoE)+2FE |
| Standard | IEEE802.3, IEEE802.3u ,IEEE802.3az, IEEE802.3x, IEEE802.3af, IEEE802.3at |
| Network Media | 10BASE-T: UTP category 3,4,5 cable (≤100m) 100BASE-TX: UTP category 5 cable (≤100m) |
| MAC Address Table | 8K, Auto-learning, Auto-aging |
| Transfer mode | Store-and-Forward |
| Frame Forward Rate | 10Base-T: 14881pps/Port 100Base-TX: 148810pps/Port |
| Switching Capacity | 2G |
| Dimensions (L*W*H) | 220 *150*44mm |
| Fan | 1*Fan |
| Power Input | AC: 100~240V, 50/60Hz |
| PoE Port | Port1~8 |
| PoE Power on RJ45 PoE Power | Mode A 1/2(+),3/6(-) |
| Output | Voltage: 55V DC Power: 32W(Max) |
| PoE Power Budget | 120W |
| Temperature | Operating Temperature: 0°C ~ 40 °C (32 °F ~104°F ) Storage Temperature: -40 °C ~ 70 °C (-40 °F ~158°F ) |
| Humidity | Operating Humidity: 10% ~ 90% non-condensing Storage Humidity: 5% ~ 90% non-condensing |
Via Don Arrigoni, 5 24020 Rovetta (BG)-Italy
www.comelitgroup.com
















