CHAMPION 100868 Load Management Module Installation Guide
![]()
SAVE THESE INSTRUCTIONS. This manual contains important safety precautions which should be read and understood before operating the product. Failure to do so could result in serious injury. This manual should remain with the product.
Specifications, descriptions and illustrations in this manual are as accurate as known at the time of publication, but are subject to change without notice.
INTRODUCTION
Congratulations on your purchase of a Champion Power Equipment (CPE) product. CPE designs, builds, and supports all of our products to strict specifications and guidelines. With proper product knowledge, safe use, and regular maintenance, this product should bring years of satisfying service.
Every effort has been made to ensure the accuracy and completeness of the information in this manual at the time of publication, and we reserve the right to change, alter and/or improve the product and this document at any time without prior notice.
CPE highly values how our products are designed, manufactured, operated, and serviced as well as providing safety to the operator and those around the generator. Therefore, it is IMPORTANT to review this product manual and other product materials thoroughly and be fully aware and knowledgeable of the assembly, operation, dangers and maintenance of the product before use. Fully familiarize yourself, and make sure others who plan on operating the product fully familiarize themselves too, with the proper safety and operation procedures before each use. Please always exercise common sense and always err on the side of caution when operating the product to ensure no accident, property damage, or injury occurs. We want you to continue to use and be satisfied with your CPE product for years to come.
When contacting CPE about parts and/or service, you will need to supply the complete model and serial numbers of your product. Transcribe the information found on your product’s nameplate label to the table below
CPE TECHNICAL SUPPORT TEAM
1-877-338-0999
MODEL NUMBER: 100868
SERIAL NUMBER
DATE OF PURCHASE
PURCHASE LOCATION
SAFETY DEFINITIONS
The purpose of safety symbols is to attract your attention to possible dangers. The safety symbols, and their explanations, deserve your careful attention and understanding. The safety warnings do not by themselves eliminate any danger. The instructions or warnings they give are not substitutes for proper accident prevention measures.
DANGER
DANGER indicates a hazardous situation which, if not avoided, will result in death or serious injury.
WARNING
WARNING indicates a hazardous situation which, if not avoided, could result in death or serious injury.
CAUTION
CAUTION indicates a hazardous situation which, if not avoided, could result in minor or moderate injury.
NOTICE
NOTICE indicates information considered important, but not hazard-related (e.g., messages relating to property damage).
IMPORTANT SAFETY INSTRUCTIONS
WARNING
Cancer and Reproductive Harm – www.P65Warnings.ca.gov
DANGER
Electrical shock hazard. May cause injury or death. Disconnect all sources of supply before servicing.The Load Management Module (LMM) IS NOT FOR “DO-IT-YOURSELF” INSTALLATION. It must be installed by a qualified electrician thoroughly familiar with all applicable electrical and building codes. The Load Management Module is an Power Line Carrier (PLC) controlled switch purpose-designed to provide a safe and simple method of powering a Load on and off during standby generator operation. The PLC control prevents electrical overload of standby generator by removing large loads in a controlled fashion. The LMM controls the attached load on/off using information from the aXistm Automatic Transfer Switch via PLC.
This manual has been prepared for familiarizing servicing dealer/installer with the design, application, installation and servicing of the equipment. Read the manual carefully and comply with all instructions.
This manual or a copy of this manual should remain with the switch. Every effort has been taken to make sure that the contents of this manual are accurate and current.
The manufacturer reserves the right to change, alter or otherwise improve this literature and the product at any time without prior notice and without any obligation or liability whatsoever.
The manufacturer cannot anticipate every possible circumstance that might involve a hazard. The warnings in this manual, tags and decals affixed to the unit are, therefore, not all-inclusive. If using a procedure, work method or operating technique the manufacturer does not specifically recommend follow all codes to ensure safety for personnel.
Many accidents are caused by failing to follow simple and fundamental rules, codes and precautions. Before installing, operating or servicing this equipment, read the SAFETY RULES carefully.
The publications that cover the safe use of ATS and installation are the following NFPA 70, NFPA 70E, UL 1008 and UL 67. It is important to refer to the latest version of any standard/code to ensure correct and current information. All installations must comply with local municipal, state and national codes.
WARNING
Unauthorized or improper installation, operation, application or repair of this equipment is extremely dangerous.
Only qualified electricians should attempt installation of this equipment, which must strictly comply with all applicable codes, standards and regulations.
When connecting a generator system to an electrical system that is normally supplied by an electric utility company, always comply with regulations of the National Electrical Code (NEC) (Article 701 Legally Required Standby Systems or Article 702 Optional Standby Systems, as applicable), and Occupational Safety and Health Administration (OSHA), as applicable.
It is essential to use the latest version of any standard to ensure all current information is applied.
WARNING
Be certain that the power from the utility is turned off and all backup sources are locked out before starting this procedure. Failure to do so could result in serious injury or death. Remember, automatic start generators will start upon loss of utility mains power unless locked in the “off” position. Consult the generator operator manual section to locate aXis ENGINE CONTROL module lock-out procedure.
CAUTION
Consult with your Local municipal, State and National electrical codes for proper mandatory wiring methods.
NOTICE
Improper treatment of equipment can damage it
and shorten its life.
- Use equipment only for intended uses.
- Do not expose equipment to excessive moisture, dust, dirt or corrosive vapors.
- Remain alert at all times while working on this equipment. Never work on the equipment when you are physically or mentally fatigued.
- If connected devices overheat, turn them off and turn off their circuit breaker or fuse.
Safety and Dataplate Labels
These labels warn you of potential hazards that can cause serious injury. Read them carefully.
If a label comes off or becomes hard to read, contact Technical Support Team for possible replacement
LABEL
DANGER
Electrical shock hazard. May cause injury or death. Disconnect all sources of supply before servicing.
DESCRIPTION
Danger. Electrocution shock hazard.
Safety Symbols
Some of the following symbols may be used on this product. Please study them and learn their meaning.
Proper interpretation of these symbols will allow you to more safely operate the product.
SYMBOL | MEANING |
![]() | Read Operator’s Manual. To reduce the risk of injury, user must read and understand operator’s manual before using this product. |
| Ground. Consult with local electrician to determine grounding requirements before operation. |
![]() | Electric Shock. Improper connections can create an electrocution hazard. |
CONTROLS AND FEATURES
Read this installation manual before installing your LMM. Familiarize yourself with the location and function of the controls and features. Save this manual for future reference.
The remote LMM turns power on and off to the load by using a Power Line Carrier (PLC) signal. The unit is capable of controlling resistive loads up to 50 Amps when wired into the load circuit. The load should be derated per NEC code for the accompanying circuit breaker used on the load circuit.

- Contactor
- Control Board
- Ground Lug
- Neutral Bar – not used, but available for 120V requirements.
- NEMA 3R Aluminum Enclosure
- Mounting Locations (2)
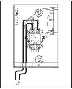
Electrical Installation Diagram

INSTALLATION
Unpacking
Carefully unpack the LMM. Inspect closely for any damage that might have occurred during shipment. Check
that all packing material is completely removed from the LMM prior to installation. Handle LMM carefully when installing. Do not drop. Always protect the LMM against impacts and against construction grit and metal chips. Never install an LMM that is damaged.
Tools Required | Not Included |
3/16 in. Flat Screwdriver | Mounting Hardware |
| P2 Phillips Screwdriver | Line Voltage Wire |
1/4″ Blade Screwdriver | Conduit |
| Pliers | Fittings |
| Wire stripper | Twist on wire connectors – as needed |
Installing the Load Management
Module (LMM)
The enclosure is NEMA type 3R rated and is suitable for indoor/outdoor installations.
General guidelines:
- Mount to a surface that can support the 2.3 lb. (1050 g) weight of the module that adheres to all local codes
- The enclosure must be installed with NEMA type 3R hardware and connections when mounted outdoors
- Level and plumb the module enclosure to prevent deformation.
- Never install the module where any corrosive substance may come in contact with the enclosure.
- Protect the module at all times against excessive moisture, dust, dirt, lint, construction grit and corrosive vapors.
- Remove the cover

- Break the lead to the load using code compliant wire.
- Connect the L1 and L2 Line to the top of the contactor relay (LINE connections).

- Connect the L1 and L2 lines to the bottom of the contactor relay (LOAD connections).

- Connect the ground to the ground terminal.

- Max. Torque Line, Load Terminals and Ground Terminal to 25 in. lbs. (2.8 N-m).

- Replace the cover.

Connecting the LMM to the ATS
DANGER
Electrical shock hazard. May cause injury or death. Disconnect all sources of supply before servicing.
NOTICE
The control loads will be shut off one at a time starting with the lowest priority until Power Management determines the generator can handle the house load. If a controlled load is being turned off before a lower priority load, rearrange the order of the loads until satisfactory performance is achieve.
Setting DIP Switches
The DIP Switches set parameters of the controller.
There are only 3 DIP switches on the LMM. These are the designated “ON” or “OFF” position settings for the DIP switches;
DIP Switches 1-3 on LMM circuit board are used to communicate with the ATS circuit board and create a hierarchy.
Switches 1-2 are used to set hierarchy. Switch 3 is reserved for future use.

LMM DIP Switch 1 | LMM DIP Switch 2 | LMM DIP Switch 3 | Priority | Corresponding ATS DIP Switch |
| On | On | Not Used | Highest | DIP Switch 4 |
Off | On | DIP Switch 3 | ||
| On | Off | DIP Switch 2 | ||
Off | Off | Lowest | DIP Switch 1 |
DIP Switches 1-4 on ATS circuit board control lockout of LMM during standby generator operation. DIP Switch 4 corresponds to the highest priority load and DIP switch 1 corresponds to the lowest priority load.
Set individually to OFF if the desired load should not function during generator operation. Set to ON the attached load will be controlled by load management
protocol.
TEACHING SYSTEM
After installation and wiring are complete teach the ATS which loads are attached by the following procedure.
- Turn Champion aXis™ ATS UTILITY circuit breaker to the OFF position. Generator will start and run automatically.
- Confirm managed loads are all operating.
- Press and hold the button marked “LEARN” for 8 seconds. ATS will shutoff managed
loads one at a time until all are OFF. ATS will flash LED’s indicating function in process. A green flashing light indicates learning was successful. A red flashing light indicates an overload has occurred. - After ATS has learned all loads the LMM units will be returned to normal operation.
- Installation configuration is now held in memory and will not be affected by power outage.
- Return UTILITY circuit breaker to the ON position. ATS will transfer load back to utility and generator will cool down and shut off.
MAINTENANCE
The LMM is designed to be maintenance free under normal use. However, inspection and maintenance checks should be made on a regular basis. Maintenance will consist mainly of keeping the module clean. Visual inspection should be done at least once a month. Access to the module must not be obstructed, follow NEC or local code requirements for clearance around a distribution box. Check for an accumulation of dirt, moisture and/ or corrosion on and around the enclosure, loose parts/hardware cracks and/or discoloration to insulation, and damaged or discolored components.
Exercise the module as part of the transfer switch test at least once every three months Functional Testing unless a power outage occurs, and the home generator has gone through an automatic sequence
SPECIFICATIONS
Unit
Enclosure type: NEMA 3R indoor/outdoor
Amperage: 50A resistive
Nominal Voltage: 240VAC
Height: 8.2 in. (208 mm)
Width: 5.2 in. (133 mm)
Depth.: 3.8 in. (97 mm)
Torque
Neutral Bar:
18-10 AWG (Cu9Al): 35 in. lb.
14-6 AWG (Cu9Al): 45 in. lb
SolenoidLugs
18-8AWG (Cu only): . 25 in. lb.
WARRANTY*
CHAMPION POWER EQUIPMENT 2 YEAR LIMITED WARRANTY
Warranty Qualifications
To register your product for warranty and FREE lifetime call center technical support please visit: https://www.championpowerequipment.com/register
To complete registration you will need to include a copy of the purchase receipt as proof of original purchase. Proof of purchase is required for warranty service.
Please register within ten (10) days from date of purchase.
Repair/Replacement Warranty
CPE warrants to the original purchaser that the mechanical and electrical components will be free of defects in material and workmanship for a period of two years (parts and labor) from the original date of purchase and 180 days (parts and labor) for commercial and industrial use. Transportation charges on product submitted for repair or replacement under this warranty are the sole responsibility of the purchaser. This warranty only applies to the original purchaser and is not transferable.
Do Not Return The Unit To The Place Of Purchase
Contact CPE’s Technical Service and CPE will troubleshoot any issue via phone or e-mail. If the problem is not corrected by this method, CPE will, at its option, authorize evaluation, repair or replacement of the defective part or component at a CPE Service Center. CPE will provide you with a case number for warranty service. Please keep it for future reference.
Repairs or replacements without prior authorization, or at an unauthorized repair facility, will not be covered by this warranty.
Warranty Exclusions
This warranty does not cover the following repairs and equipment:
Normal Wear
Products with mechanical and electrical components need periodic parts and service to perform well. This warranty does not cover repair when normal use has exhausted the life of a part or the equipment as a whole.
Installation, Use and Maintenance
This warranty will not apply to parts and/or labor if the product is deemed to have been misused, neglected, involved in an accident, abused, loaded beyond the product’s limits, modified, installed improperly or connected incorrectly to any electrical component.
Normal maintenance is not covered by this warranty and is not required to be performed at a facility or by a person authorized by CPE.
Other Exclusions
This warranty excludes:
- Cosmetic defects such as paint, decals, etc.
- Wear items such as filter elements, o-rings, etc.
- Accessory parts such as storage covers.
- Failures due to acts of God and other force majeure events beyond the manufacturer’s control.
- Problems caused by parts that are not original Champion Power Equipment parts.
Limits of Implied Warranty and Consequential Damage
Champion Power Equipment disclaims any obligation
to cover any loss of time, use of this product, freight, or any incidental or consequential claim by anyone from using this product. THIS WARRANTY IS IN LIEU OF ALL OTHER WARRANTIES, EXPRESS OR IMPLIED, INCLUDING WARRANTIES OF MERCHANTABILITY OR FITNESS FOR A PARTICULAR PURPOSE.
A unit provided as an exchange will be subject to the warranty of the original unit. The length of the warranty governing the exchanged unit will remain calculated by reference to the purchase date of the original unit. This warranty gives you certain legal rights which may change from state to state or province to province. Your state or province may also have other rights you may be entitled to that are not listed within this warranty
Contact Information
Address
Champion Power Equipment, Inc.
12039 Smith Ave.
Santa Fe Springs, CA 90670 USA
www.championpowerequipment.com
Customer Service
Toll Free: 1-877-338-0999
[email protected]
Fax no.: 1-562-236-9429
Technical Service
Toll Free: 1-877-338-0999
[email protected]
24/7 Tech Support: 1-562-204-118
![]()
![]()



























