Vacuum Pump
NP4DP NP7DP
User Manual
pro series
FART to ‘cum wernr9S Cab rinAt in de” C, S.:+10us iolory
SAVE THIS MANUAL FOR FUTURE REFERENCE

Empowering you to work smarter
INTRODUCTION AND TECHNICAL INFORMATION
In order to make it easier to understand the components of the vacuum pump, please see the picture below.

AC MOTOR-DRIVEN VACUUM PUMPS
| Model | NP4DP | NP7DP |
| Power Supply | 115V/60Hz | 115V/60Hz, 230V/60Hz |
| Flow Rate ( CFM ) | 4 CFM | 7 CFM |
| Ultimate Vacuum | 15 Micron | 15 Micron |
| Pump Design | Dual-Stage, AC Motor | Dual-Stage, AC Motor |
| Motor Power ( HP) | 3/4 | 3/4 |
| Oil Capacity ( oz ) | 17 | 15 |
| Dimensions ( in ) | 14″x5″x11.3″ | 14″x5″x11.3″ |
| Weight ( lbs ) | 24. | 26 |
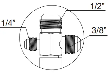
| Inlet Port | 1/4″, 3/8″, 1/2″ Flare | 1/4″, 3/8″, 1/2″ Flare |
APPLICATION
NAVAC dual-stage rotary vane vacuum pumps are used to remove air, moisture, and other noncondensable from sealed HVACR systems. The products can be used for evacuation ofHVACR repair and new installations, with refrigerants, such as R-12, R-22, R-410A, R-404A, R-134A, etc.
SPECIAL FEATURES
– Integrated pump structure, high precision, for deep ultimate vacuum level.
– Forced oil lubrication ensures vane sealing, cooling, and high reliability.
– Large and easy-to-see oil-level window design help prevent oil supply shortage.
PREPARATION PRIOR TO USING VACUUM PUMP
GROUNDING INSTRUCTIONS
This product must be grounded. In the event of an electrical short circuit, grounding reduces the risk of electric shock by providing an escape wire for the electric current. This product is equipped with a cord having a grounding wire with an appropriate grounding plug. The plug must be plugged into an outlet that is properly installed and grounded in accordance with all local codes and ordinances.
WARNING:
Improper installation of the grounding plug is able to result in a risk of electric shock. When repair or replacement of the cord or plug is required, do not connect the grounding wire to either flat blade terminal. The wire with insulation having an outer surface that is green with or without yellow stripes is the grounding wire.
Check with a qualified electrician or serviceman when the grounding instructions are not completely understood, or when in doubt as to whether the product is properly grounded. Do not modify the plug provided; if it does not fit the outlet, have the proper outlet installed by a qualified electrician.

- Verify the power supply being used to match the voltage on the nameplate.
- Ensure that the pump is switched off prior to connecting to the power source.
- Check for proper oil level, or change if needed.
- Remove the oil fill cap, filling oil to the level in between the two oil sight glass lines, as shown in the drawing below. For specific pump oil volume, please see the technical specification table.
Note: In order to prevent pump oil from spilling out, please add oil slowly.
Switch on the power and the pump will begin to operate. After running for approximately one minute, check the oil level. If the oil level is too low, switch off the machine and add the required extra oil. Reinstall the oil fill cap.
Note: While the pump is operating, the oil level should be in between the two oil position lines. If the oil level is too low, it will reduce the performance and could damage the pump vanes. If the oil level is too high, it could cause oil to discharge through the pump exhaust.
SAFETY WARNINGS
WARNING:
This machine should only be used for evacuation of refrigerant systems after refrigerant has been removed from the system and the system has been opened to the atmosphere. This machine is not to be used as a transfer pump for liquids or any other media; doing so can damage the product. Note: In order to avoid personal injury, please carefully read and follow the instructions in this user manual and the user guide of the pump.
NAVAC VACUUM PUMPS ARE NOT ALLOWED TO BE USED FOR A3 OR FLAMMABLE REFRIGERANTS.
- NEVER CONNECT A VACUUM PUMP TO A PRESSURIZED SYSTEM. Always check to make sure that system and piping pressure is NOT ABOVE ATMOSPHERIC PRESSURE.
- When handling refrigerants, please wear an eye-protection such as safety glasses or goggles.
- Avoid direct physical contact with refrigerants, you will get burned.
- When connecting the power source, all equipment must be grounded in order to prevent electrical hazards.
- When the pump is in operation, the enclosure surfaces will be hot. Do not touch the oil box or the motor case. Allow adequate ventilation space for heat dissipation.
- Not applicable to R-32, 1234yf, or other flammable refrigerants.
- Keep the pump dry and away from water, mud, and dirt at all times.
- Operating pump with intake fittings open to the atmosphere must not exceed 3 minutes.
- The ambient temperature range for pump use is 30 to 104°F (-1°C~40°C). The pump can be used in lower ambient conditions if warmed up inside first and run for no more than 1 minute to warm the oil prior to system evacuation.
- The power outlet must be grounded.
- Prior to connecting the vacuum pump to an A/C-R system, please use proper methods to remove refrigerant from a pressurized system. Note that pumping refrigerants under high-pressure conditions will damage the pump, and refrigerants must be removed using a recovery machine designed for that purpose.
USE GUIDE
CAUTION
-To reduce the risk of electric shock, do not expose to rain. Store indoors.
– When the product is reconnected for use on a nominal rating of 230V,the reconnection shall be made by qualified service personnel and the plug shall be changed to NEMA 6-15P grounded type.
EXTENSION CORDS
If an extension cord must be used, be sure it is:
- A 3-wire extension cord that has a 3-blade grounding plug, and a 3-slot receptacle that will accept the plug on the product
- In good condition
- No longer than 50’ (15.2m)
- 16 gauge (AWG) or larger. (Wire size increases as gauge number decreases. 14 AWG and 12AWG may also be used. DO NOT USE 18 AWG )
NOTICE: Risk of Property Damage. The use of an undersized extension cord will cause voltage to drop resulting in power loss to the motor and overheating.
- When using the vacuum pump, remove the inlet protection cap from the desired (1/4”, 3/8”, or 1/2”) connecting port, as shown in the diagram above, and connect the pump to the system or piping to be evacuated. Use shortest hoses possible for faster and more thorough evacuation.
- Inspect the hose inlet connection, as well as all connecting hoses for proper seal. There must be no leakage or it will be impossible to draw the required deep vacuum level.
- At the beginning of the evacuation process, open the GAS BALLAST, and once the vacuum gauge reaches 2000 microns, retighten to achieve desired vacuum level.
- After evacuation is completed, shut down the pump and close the system access valves.
- Turn off the power switch on the pump and disconnect the power.
- Remove the evacuation hoses.
- Close the air entry cap and the air exhaust cap tightly (with the exception of models without air exhaust cap), to prevent dirt or particulates from entering the pump.
Note:
- Always evacuate systems in conjunction with a micron vacuum gauge, such as the NAVAC NMV1, giving you a comprehensive view of the sealed system’s internal evacuation condition.
- Please pay attention to any changes in the oil level during pump operation. If the oil level falls below the centerline, immediately add more vacuum pump oil to avoid damage to the pump.
- The vacuum pump and oil must be above 30℉.
MAINTENANCE
- Vacuum pump oil has three major functions: pump lubricant, pump cooling, and pump sealant. During the evacuation process, the pump oil will absorb moisture being pulled from the system, causing it to be less effective as a lubricant and pump vane seal, extending evacuation time and possibly allowing the pump to overheat. We recommend that the oil be changed just before evacuating each A/C-R system to ensure the pump oil is in a clean condition as this is the key factor in determining if the pump can achieve the required vacuum levels. In order to maintain the optimum operation of the pump, we recommend that you use NAVAC vacuum pump oil. This oil is made using a unique process and can maintain proper viscosity during normal operation and temperatures, and it’s also helpful for cold starts. Should the NAVAC oil not be available, reputable brands of special-purpose vacuum pump oil may be used.
Note: Should the pump oil become opaque, dirty, or full of moisture, promptly change oil. This will greatly speed up evacuation, especially when there is a lot of moisture in system piping from having been left open to the atmosphere for an extended period of time.
Oil change procedure:
- To ensure that the pump and oil are warm, run pump for approximately one minute prior to changing oil. Do not run longer than this, as it may be possible to damage the pump.
- While the pump is running, open one inlet port and allow oil to drain out of the pump. After turning off-pump, open the oil drain plug, and drain used oil into an appropriate vessel and dispose of it properly.
- As oil stops draining, tip the pump to drain any remaining oil in the bottom of the pump.
- Close oil drain valve.
- Remove oil fill cap, pour in new oil until the oil is at the proper level in the sight glass (the same procedure prior to using the pump above).
REQUIREMENTS FOR WARRANTY COVERAGE
Product warranty is provided for product quality problems for one year from the date of sale. For
the warranty to be valid, the following conditions must be met:
- Products issues due to manufacturing defects confirmed by qualified agents.
- Products that have not been maintained or dismantled by unauthorized parties.
- Products that have been used in accordance with the User Manual. All maintenance services shall be performed during the warranty period. Statement: Other than repairing the product defective, the manufacturer of this product will not be liable for any other costs, such as time spent in fixing the issue, refrigerant consumption, refrigerant disposal costs, as well as unauthorized transportation and labor costs.
TROUBLESHOOTING
| Malfunction | Possible Cause | Remedy |
| Low Vacuum | 1. Secondary air inlet connection cap lose on the air inlet port. | Tighten the cap. |
| 2. Damaged rubber ring inside the secondary air inlet connection cap. | Replace the rubber ring. | |
| 3. The volume of oil is insufficient. | Add oil to the centerline of the oil display. | |
| 4. Pump oil becomes opaque or absorbed too many impurities. | Replace with new oil. | |
| 5. The pump’s oil entry hole is dogged or the oil supply is insufficient. | Clean the oil entry hole, clean the oil filter. | |
| 6. The pump connecting hoses, manifold or system has a leak. | Inspect the connecting hose gaskets and system, repair leaks. | |
| 7. The pump selection is wrong. | Check the size of the container to be evacuated, recalculate and select an appropriate pump model. | |
| 8. The pump has been used for too long, damage and wear to components caused increased gaps between parts. | Inspect and repair, or replace the pump. | |
| Oil leak | 1. Damaged oil seal. | Replace the oil seal. |
| 2. Loose or damaged oil box connections. | Tighten the connecting screws, replace 0-rings. | |
| Oil spray | 1. Excessive oil volume. | Remove oil until the oil position line is reached. |
| 2. Inlet port pressure is excessively high for a long period. | Select an appropriate pump, increase the pumping speed. | |
| Start-up problems | 1. Oil temperature is too low. | Place the vacuum pump in an over 77°F ambient environment for an hour, or replace in the 77°F oil. |
| 2. Motor, power source, or circuit board malfunctions. | Inspect and repair. | |
| 3. Foreign objects entered the pump. | Inspect and remove. | |
| 4. Voltage supply is excessively low or high. | Inspect the power source voltage. | |
| 5. Overload trips. | After an overload trip occurs, turn off the switch. Remove the power plug. Examine and solve the issue. |
Notes:
- The pump has over-current / overload protection, please troubleshoot after overload resets.
- If the above methods cannot resolve your problems, please contact your nearest distributor or take the pump to a repair center. We will do our best to provide you with a quick turnaround to keep you working.
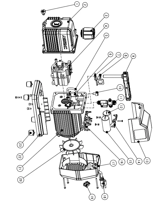
EXPLODED VIEW

REPAIR PARTS LIST
| Ref No. | Part No. | Part Name |
| 1 | PO40001 | Oil Drain |
| 2 | PO40002 | Oil Housing |
| 3 | PO40003 | Exhaust Filter and Noise Reducer |
| 4 | PO40004 | Pump Body |
| 5 | PO40005 | Rubber Tube |
| 6 | PO40006 | Jump Ring |
| 7 | PO40007 | Hook |
| 8 | PO40008 | Nut |
| 9 | PO40009 | Handle |
| 10 | PO40010 | Gas Ballast |
| 11 | PO40011 | Inlet Port |
| 12 | PO40012 | Running Capacitor |
| 13 | PO40013 | Top Cover |
| 14 | PO40014 | Plate |
| 15 | PO40015 | Start Capacitor |
| 16 | PO40016 | Pedestal |
| 17 | PO40017 | Rear Cover |
| 18 | PO40018 | Power Cord |
| 19 | PO40019 | Switch |
| 20 | PO40020 | Fan |
| 21 | PO40021 | Motor |
| 22 | PO40022 | Plate |
| 23 | PO40023 | Rubber Feet |
DIMENSION

Unit: inch
| Model | A | Al | A2 | B | B1 | H | H1 |
| NP4DP | 14 | 8. | 3. | 5 | 4. | 11. | 72 |
| NP7DP | 14 | 8. | 3. | 5 | 4. | 11. | 72 |
NAVAC Inc.
www.NevacGlobal.corn
TetFax: +1 877 MY-NAVAC
877 696 2822
MADE IN CHINA

















