Self-Propelled Multi-Vac Operator’s Manual
MV601SPE, MV650SPH, and MV650SPHDS
Beginning Serial: 061519001
Accessories
| CASTER KIT | HOSE KIT | BAG LINER KIT | FELT BAG KIT | LINER KIT |
| Use on a hard surface for maneuverability. | For vacuuming hard-to-reach areas. | To collect leaves, thatch, and grass. | Use in all dusty conditions. | Interior housing liner to decrease housing wear. |
| P/N 840129 | P/N 840116 | P/N 840134 | P/N 840194 | P/N 840201 |
Original Instructions
IMPORTANT– READ CAREFULLY BEFORE USE AND KEEP FOR FUTURE REFERENCE.
Go to http://www.billygoat.com for French-Canadian translations of the product manuals.
Visitez http://www.billygoat.com pour la version canadienne-française des manuels de produits
SPECIFICATIONS
| MV650SPH | MV601SPE | MV650SPHDS | |
| Engine Type | Honda GSV190LN1L | Briggs and Stratton Professional Series 121S02-0110-F1 | Honda GSV190LN1L |
| Horsepower | 6.5 (4.85 kW) | 5.0 (3.73 kW) | 6.5 (4.85 kW), |
| Fuel Capacity | 1.6 qt (1.5 L) | 1.2 qt. (1.14 L) | 1.6 qt (1.5 L) |
| Oil Capacity | 0.58 qt (0.54L) | 0.56 qt. (0.53 L) | 0.58 qt (0.54L) |
| Unit Weight | 179 lbs (81.2 kg) | 204 lbs (92.5 kg) | 179 lbs (81.2 kg) |
| Overall Dimensions | 28″ Wide x 62.5″ Long x 45.5″ High | 28″ Wide x 64″ Long x 47.5″ High t | 28” Wide x 62.5” Long x 45.5” High |
| Maximum Operating Slope | 20° | 20° | 20° |
SAFETY
WARNING![]()
This product can expose you to chemicals including gasoline engine exhaust, which is known to the State of California to cause cancer, and carbon monoxide, which is known to the State of California to cause birth defects or other reproductive harm. For more information go to www.P65Warnings.ca.gov.
INSTRUCTION LABELS
The labels shown below were installed on your BILLY GOAT ® MV Vacuum. If any labels are damaged or missing, replace them before operating this equipment. For your convenience in ordering replacement labels, part numbers are included in the Illustrated Parts List. The correct position for each label may be determined by referring to the Figure and Item numbers shown.
![]() | ![]() | ![]() | ![]() |
| LABEL FUEL WARNING ITEM 55 P/N 400268 | LABEL EAR EYE BREATHE READ ITEM 162 P/N 100346 | LABEL HEIGHT ADJUST ITEM 34 P/N 840054 | LABEL CLUTCH EM 120 P/N500176 |
![]() | ![]() | ![]() | ![]() |
| LABEL DANGER ITEM 11 P/N 400424 | LABEL DANGER ITEM 11 P/N 400424 | LABEL DOOR OPENING ITEM 175 P/N 840080 | LABEL GUARDS ITEM 118 P/N 900327 |
ENGINE LABELS
WARNING — GASOLINE IS FLAMMABLE WARNING-1 SHUT OFF THE ENGINE, AVOID HEAT, SPARKS, AND OPEN FLAME WHEN REFUELING
CONTROLS
![]() | ![]() |
ASSEMBLY INSTRUCTIONS
Your BILLY GOAT® MV Vacuum was shipped in one carton, completely assembled except for the Hood/Upper Handle Assembly.
Mounting hardware for the Hood/Upper Handle Assembly is temporarily installed on the lower handle and the Housing Assembly.
READ all safety instructions before assembling the unit.
TAKE CAUTION when removing the unit from the box. The Hood/Upper Handle Assembly is attached to the unit by cables.
PARTS BAG & LITERATURE ASSY
Warranty card P/N- 80102772, Owner’s Manual P/N-840245, General Safety, and Warnings Manual P/N-100294, Declaration of Conformity P/N-100506
PARTS BAG HARDWARE
| ITEM NO. | PART NO. | DESCRIPTION | QUALITY |
| 139 | 840061 | ROD LIFT NOZZLE DOOR | 1 |
| 150 | 900407 | TY- WR AP | 2 |
| 152 | 8171003 | WASHER 5/16″ FLAT ZP | 4 |
| 153 | 8160002 | NUT LOCK 5/16″-18 | 2 |
| 158 | 8041006 | SCREWCAP 1/4″-20 X 1″ ZP | 2 |
| 159 | 8041031 | SCREWCAP 5/16″ X 1 3/4″ ZP | 2 |
| 160 | 8171004 | WASHER 3/8 FLAT | 4 |
| 161 | 8172007 | WASHER 1/4″ SAE ZP | 5 |
| 164 | 400886 | ROD END BALL JOINT 3/8″ NF | 2 |
| 165 | 8041052 | SCREWCAP 3/8″-16 X 1 1/2″ ZP | 1 |
| 166 | 8160003 | NUT LOCK 3/8″-16 | 2 |
| 167 | 8041056 | SCREWCAP 3/8″-16 X 2 1/2″ ZP | 1 |
| 170 | 8041004 | SCREWCAP 1/4″-20 X 3/4″ HCS ZP | 1 |
| 171 | 8172019 | WASHER FENDER 1/4″ ZP | 2 |
| 173 | 840071 | NUT ACORN 1/4″-20 | 2 |
DISCONNECT spark plug wire before assembling the unit.
- Attach the hood assembly to the housing then hold it in place during step 2.
NOTE: be sure all cables are routed on the underside of the hood and housing. (See Fig. 1) - Install (item 170) the center bolt first when aligned with a nut on the housing. (See Fig. 2)
- Attach rest of the hood assembly to the housing using the corresponding hardware. NOTE: You will have to insert the bolt/washer from the inside by reaching through the hood. (See Fig. 2)
- Attach the upper handle brace to the lower handle using the corresponding hardware.
Then repeat this step on the other side. (See Fig. 3 on next page) - Attach the rod end (item 164) to the nozzle door rod then secure it in place by tightening the jam nut. (See Fig. 4 on next page)
- Attach the nozzle door rod to the nozzle door using the corresponding hardware.
NOTE: It is easier to do this with the nozzle door closed. - Attach the rod end to the rod (See Fig. 5 next page).
- Attach the nozzle door rod to the lever with the nozzle door closed and the lever in the hose kit position. NOTE: Check to see that the nozzle door opens and closes all the way (see page 15). Tighten or loosen the rod end (item 164)for any adjustments. (See Fig. 4 and 5 next page)
- Install cable ty wraps.
- Reconnect the spark plug wire.
- Attach the bag. (See Fig. 7)
Boxing Parts Checklist
- Honda 6.5 Engine
- B&S 6 Engine
- Parts bag P/N-840187
- Ty-wraps (2 ea)
![]() | ![]() |
![]() | ![]() |
![]() | ![]() |
![]() | |
OPERATION
This vacuum is designed for picking up trash, organic material, and other similar debris. It should not be used for other purposes than what is intended.
OPERATOR CONTROLS
The operator’s position is at the rear of the machine between the handlebars. The operator should STAND in a position to allow both handlebars to be grasped firmly, which allows sufficient leverage to steer the machine. The operator’s controls are shown below.
| 1. Drive Clutch Lever 2 Bag Latch 3 Pull Starter | 4 Throttle Control 5 Drive Shifter Control 6 Nozzle Door Adjuster |
STARTING
CHECK engine oil level before operating the machine.
DO NOT START equipment without the debris bag in place.
- Place equipment on a level, firm surface that is free of rocks or other debris.
- Place the throttle in the START position.
- Secure the unit with the left hand at the handle then pull the starter rope with the right hand to start the engine. NOTE: Pull the starter cord slowly until resistance is felt.
Then pull the cord rapidly to avoid kickback. - Move the throttle control back to the FAST position and allow the engine to reach the correct operating speed.
- For Electric models: Set the throttle to the fast position, then pull up and push forward on the start switch. Choke if needed.

SHUT DOWN
- Release the drive clutch lever to disengage the drive.
- Pull the throttle control all the way back to the STOP position.

VACUUM NOZZLE HEIGHT ADJUSTMENT
For maximum pickup: Adjust nozzle height as close to debris as possible, but without blocking airflow into the nozzle. NOTE: Never bury the nozzle into debris. The vacuum nozzle is raised and lowered by turning the crank handle clockwise and counter-clockwise. (See Fig. 10)
VACUUM NOZZLE DOOR ADJUSTMENT
The vacuum nozzle door adjusts for maximum performance under various applications.
- • With the handle fully back the nozzle is fully opened. This is ideal for turf application. (See Fig. 11) Fig. 10
- For hard surface applications, set the handle midway. (See Fig. 12)
- Close the nozzle for use with the Optional Hose Kit (P/N 840116). This adjustment is ideal to use with the Hose Kit. (See Fig. 13)

VACUUMING OPERATION
This machine is designed for vacuuming leaves, grass clippings, and other types of organic litter.
Debris mixed with cans, bottles, and small amounts of sand can be vacuumed; however, it is not this machine’s primary purpose.
Vacuuming cans, bottles, and sand will affect the longevity of your machine. In dusty conditions, it may be necessary to purchase Felt Bag Kit (P/N 840022).
Do not operate if excessive vibration occurs. If excessive vibration occurs, shut the engine off immediately and check for damaged or worn impeller, loose impeller bolt, loose impeller key, loose engine, or lodged foreign objects. Note: See the parts list for proper impeller bolt torque specifications. (See page 13 Impeller removal).
- Move the shift lever (right side) to the correct position (1, 2, or 3) for desired gear. (See Fig. 14)

- Squeeze the drive clutch lever against the handle to engage the drive. (See Fig. 15)
CLEARING A CLOGGED NOZZLE
DISCONNECT spark plug wire before servicing the unit.
- Shut the engine off and wait for the impeller to stop completely.
- Disconnect the spark plug wire.
- Wear durable gloves, and remove clogs. Caution: clog may contain sharp materials.
- Reconnect the spark plug wire.

DEBRIS BAG
Debris bags are normal replaceable wear items.
Bag liners are available for use in various conditions where debris will be vacuumed. (See Bag Liner Accessories shown on pg 1).
MV650SPHDS Only – The dust sock provided will trap dust when vacuuming up dry debris only. The dust sock will need to be removed periodically and the dust will need to be dumped out as it will accumulate over time. The dust sock can be easily removed and reattached by separating it from the Velcro strip on the bag underneath.
DO NOT place bag on or near a hot surface, such as the engine.
Be sure the engine has come to a complete stop before removing or emptying the bag!
*****TIPS*****
Frequently empty debris to prevent the bag from overloading with more weight than you can lift.
Many vacuums are used where dust is mixed with trash. Your unit can intermittently vacuum in dusty areas. However, following these rules will help maintain your machine’s ability to vacuum in dusty conditions:
- Run the machine at idle to quarter throttle.
- Machine or pressure-wash debris bag if normal cleaning does not fully clean the bag. The bag should be thoroughly dry before use.
Having one or more spare bags (P/N 840189) is a good way to reduce downtime while dirty bags are being cleaned.
Felt Bag (P/N 840194) accessory is great when used in dusty conditions.
DUST SOCK CARE AND MAINTENANCE (MV650SPHDS only)
Purpose: The dust sock acts as a secondary filter lowering the amount of dust that escapes the bag.
Dust socks are to be used in dry and dusty conditions ONLY. Using the dust sock in damp or wet conditions may damage the dust sock and decrease the effectiveness of the filter.
The dust sock may be installed by simply attaching the mating Velcro strips between the bag and the dust sock. Over time the dust sock will begin to fill with dust during use. Periodically remove the dust sock, empty the loose dust out and clean the sock.
For a light clean, simply shake the sock, for a deep clean, see below. To remove the sock, simply separate the Velcro.
Dust Sock Care Information:

MAINTENANCE
PERIODIC MAINTENANCE
Periodic maintenance should be performed at the following intervals:
| Maintenance Operation | Every Use | Daily or Every 5 Hours | Every 50 Hours | very 100150 Hours |
| Inspect for worn or damaged parts | • | |||
| Check for excessive vibration | • | |||
| Inspect for loose parts | • | |||
| Clean debris bag | • | |||
| Lubricate clutch control lever. NOTE: Use white lithium grease or equivalent. (See Fig. 16) | • | |||
| Lubricate height adjuster. (See Fig. 17) | • | |||
| Check drive clutch cable tension | • | |||
| Replace drive belts | • |
![]() | ![]() |
COMMON REPLACEMENT PARTS
- Bag; P/N 840189 Original Equipment Replacement Bag.
- (MV650SPHDS) Bag P/N 840260
- (MV650SPHDS) Dust sock P/N 840261
- Skid; P/N 840041 Nozzle Wear Guard Skid.
- Drive Belt; P/N 840066 Original Equipment Replacement Belt.
IMPELLER REMOVAL
READ all safety instructions before servicing the unit.
DISCONNECT spark plug wire before servicing the unit.
- Wait for the engine to cool and disconnect the spark plug.
- Drain fuel and oil from the engine.
- Remove the belt cover by removing 5 screws.
- Detach the drive belt from the transmission pulley by rotating the transmission assembly to relieve belt tension.
- Remove the engine, impeller, and mounting plate by removing bolts around the outside of the housing.
- Leaving the engine fastened to the plate, remove the impeller bolt and lock the washer and slide the impeller off the crankshaft ( A puller may
be required).
CAUTION: Do not drop the impeller. - If the impeller does not slide off the crankshaft, place two crowbars between the impeller and housing on opposite sides. Pry the impeller away from the engine until it loosens. Using a penetrating oil can help loosen a stuck impeller.
- If the impeller cannot be loosened, obtain a 1” (25.4mm) longer bolt of the same diameter and thread type as the impeller bolt. Invert engine and impeller and support the engine above ground to prevent recoil damage. Thread longer bolt by hand into the crankshaft until the bolt bottoms. Using a suitable gear or wheel puller against the bolt head and the impeller backplate (near the blades), remove the impeller from the shaft.
- To reinstall the impeller, use a new impeller bolt and lockwasher
- Tighten the impeller bolt. Torque impeller bolt to 33-38 Ft. Lbs. (45-52 N.m).
- Reinstall engine, impeller, and mounting plate onto housing in reverse order of removal.
- Before connecting the spark plug wire, slowly pull the engine starting rope to insure that the impeller rotates freely.
- Reconnect the spark plug wire.
DRIVE CLUTCH CABLE ADJUSTMENT
READ all safety instructions before servicing the unit.
DISCONNECT spark plug wire before servicing the unit.
- Wait for the engine to cool and disconnect the spark plug.
- Engage the clutch lever then pull the unit back until it stops freewheeling. The clutch lever should engage around 2 5/16” of travel or 4 inches from the tip of the lever to the handle.
- Tighten or loosen the cable adjuster nut next to the clutch lever until the drive engages at 4” from the handle. (See Fig. 19 on next page)
- Holding the adjuster nut in place with one wrench tightens the cable lock nut firmly.
- Readjust as needed.
- Reconnect the spark plug.
- Test run unit to insure proper operation after this or any other maintenance procedure.
- If the clutch still will not engage at 4” from the handle, remove the guard retaining screws and guard.
- Measure the amount of spring stretch. Spring should measure 1 1/8” when engaged (Lever 4” from handle). (See Fig. 18 next page.)
- Release clutch lever and then move it to the engagement position again and hold it, check the spring length to assure it stayed in adjustment.
- Re-install guard and fasteners.


DRIVE BELT REMOVAL AND REPLACEMENT
READ all safety instructions before servicing the unit.
DISCONNECT spark plug wire before servicing the unit.
- Wait for the engine to cool completely and disconnect the spark plug.
- Remove guard fasteners and guard.
- Remove the throttle control cable from the engine.
- Unplug the wiring harness wire at the engine.
- Tilt the transmission input pulley toward the engine and remove the belt by pulling it upward.
- Remove all six screws fastening the engine base plate to the housing.
- Lift engine assembly from the housing.
- Slide the belt inward under the engine and off downward around the impeller.
- Install new belt in reverse order of belt removal.
NOTE: Before placing the new belt on the transmission pulley look under the engine to insure the belt is properly in the groove of the engine pulley. - Install engine assembly in reverse order of removal.
Reconnect the spark plug
INSTALLING NEW DRIVE CHAIN/ALIGNMENT/TENSION
READ all safety instructions before servicing the unit.
DISCONNECT spark plug wire before servicing the unit.
Allow the engine to cool completely and disconnect the spark plug.
- Unfasten and remove the guard.
- Rotate left rear wheel to bring the chain “master link” into view on the axle sprocket.
- Using the needle nose pliers carefully remove the master link retaining spring clip.
- Slide the master link from the chain and remove the chain.
- Thread the new chain onto the sprockets, and place the ends of the chain on the axle sprocket, this makes it easier to hold the chain in place when you slide the new master link in place.
- Install the new master link and CAREFULLY install the retaining clip.
- Rotate the left rear wheel to find the location where the chain is tightest (there are always slight variations in the sprockets that make the chain tighter at places in its rotation).

- rotate the axle several times and listen for “popping” or “clacking”. This indicates too much tension on the chain or misalignment of the chain. Skip to Step 12 if no “popping” or “crackling” occurs.
Improper Chain Tension - At the point where the chain is tightest, check the chain for ¼” to ½” total slack halfway between the axle sprocket and the transmission sprocket. Skip to Step 11 if the deflection is correct.
- Loosen 4 nuts holding the bearing bracket (see Fig. 20, previous page) and slide it very slightly forward to tighten the chain or slide it backward to loosen. Tighten 4 nuts back then check the chain deflection. Repeat this step if necessary.
Improper Chain Alignment - Loosen 5 bolts securing the drive system (see Fig 21, previous page). Slide it left or right then check the alignment using a straight edge. Tighten 5 bolts then repeat Step 8.
- Reinstall the guard and all of its fasteners.
- Reconnect the spark plug.
WIRING DIAGRAMS
Battery Care (For Electric-Starting Models)
Proper care can extend the life of a battery. Follow these recommendations to ensure your battery’s best performance and long life:
- Do not allow the battery charge to get too low. If the machine is not used, charge the battery every 4 – 6 weeks. Operate the engine for at least 45 minutes to maintain proper battery charge.
- Store an unused battery in a dry area that does not freeze.
- Do not charge an already charged battery. In theory, you cannot overcharge our battery with a trickle charger; however, when a battery is fully charged and the charger is still on, it generates heat that could be harmful to the battery. A fully charged battery will read 12V-13.2V with a voltmeter.
- Do not continue to crank your engine when the battery charge is low.
Charging the Battery
Operate the engine for at least 45 minutes to maintain proper battery charge. If the battery loses its charge, you will need to use a trickle charger to recharge it. Caution: The charger should have an output of 12 volts at no more than 2 amps. Using a charger with higher amps will cause significant damage to the battery. - At 1 amp, the battery may need charging for as long as 48 hours.
- At 2 amps, the battery may need charging for as long as 24 hours.
NOTE: Using the Recoil Starter and then running the engine will not recharge a dead or significantly discharged battery.
When you are finished charging the battery, disconnect the charger from the outlet first, and then disconnect the battery charger wires from the battery. If you leave the battery charger wires connected to the battery, the battery will discharge itself back into the charger.
TROUBLESHOOTING
| Will not vacuum or has poor vacuum performance | Dirty or full debris bag or filter. Nozzle height set too high or too low. The Hose kit cap missing. Clogged nozzle or exhaust. An excessive quantity of debris. | Clean debris bag and filter. Shake the bag clean or wash. Adjust nozzle height (see page 8). Check for the hose kit cap. Unclog the nozzle or exhaust (see page 8). Allow air to feed with debris. |
| Abnormal vibration | Loose or out-of-balance impeller. Loose engine. | Check the impeller and replace if required. Check engine. |
| The engine will not start | Throttle in off position. The engine is not in the full choke position. Out of gasoline or bad, old gasoline. The Spark Plug wire disconnected. Gas valve is off. Dirty air cleaner. Safety Interlock disengaged on bag plate. | Check throttle control (see page 7). Check throttle, and choke position (see page 7). Check gasoline. Connect spark plug wire. Turn on the gas valve. Clean or replace air cleaner. Contact a qualified service person. Latch the bag properly or check the bag rod to see if it is bent. |
| Engine is locked, will not pull over | Impeller plugged or clogged. Engine problem. | Remove debris (see page 8). Contact an engine servicing dealer for engine problems. |
| No self-propelling | Drive clutch not engaged. Transmission not in gear. Drive belt worn or broken. Drive clutch cable out of adjustment or broken. Spring tension is too loose. Drive the chain off the sprocket. | Engage the drive clutch lever. Check transmission shift control (see page 8). Check the drive belt. Check the drive clutch cable (see page 11). Check spring length (see page 11). Check the drive chain (see page 13). |
| The self-propelled drive will not release | Improper drive clutch cable adjustment or cable is kinked. | Check the drive clutch cable (see page 20). |
| Noisy or broken chain | No chain lubrication. Chain misalignment or tension. | Lubricate chain. Check the drive chain (see page 22). |
MAINTENANCE RECORD
Date…………
Service Performed………
MVSP NOZZLE PARTS DRAWING

MVSP NOZZLE PARTS LIST
| ITEM NO. | PART NUMBER | DESCRIPTION | MV650SPH QTY. | MV601SPE QTY. | MV650SPHDS QTY. |
| 1 | 350127 | YOKE 1/2 – 20 | 1 | 1 | 1 |
| 2 | 350128 | PIN YOKE 1/2″ | 1 | 1 | 1 |
| 3 | 840243 | SCREWCAP BUTTON HEAD 3/8″-16 X 1 1/4″ PL | 2 | 2 | 2 |
| 4 | 8172009 | WASHER 3/8″ SAE ZP | 2 | 2 | 2 |
| 5 | 8161042 | NUT LOCK 3/8-16 LT WT THIN ZP | 2 | 2 | 2 |
| 6 | 8041038 | SCREWCAP 5/16 -18 x 3 1/2 | 1 | 1 | 1 |
| 7 | 8160002 | NYLON INSERT LOCKNUT 5/16-18 UNC | 3 | 3 | 3 |
| 8 | 8172020 | WASHER FLAT FENDER 5/16 | 1 | 1 | 1 |
| 9 | 8161044 | NYLON INSERT LOCKNUT 1/2-13 UNC THIN | 2 | 2 | 2 |
| 10 | 8171002 | WASHER 1/4″ FC ZP | 3 | 3 | 3 |
| 11 | 400424 | LABEL WARNING OPEI | 1 | 1 | 1 |
| 12 | 8024050 | BOLTCARRIAGE 5\16-18X3 1\2 | 2 | 2 | 2 |
| 13 | 520156 | ROLL PIN 1/4 X 1 LONG | 2 | 2 | 2 |
| 14 | 8172011 | WASHER 1/2″ SAE ZP | 2 | 2 | 2 |
| 15 | 840118 | NOZZLE MV VAC ASSEMBLY | 1 | 1 | 1 |
| 16 | 840019 | CAP 5 IN HOSE VAC | 1 | 1 | 1 |
| 17 | 840024 | HANDLE LOWER MV VAC | 1 | 1 | 1 |
| 18 | 840101 | WHEEL 14″ ASSEMBLY WITH BEARING AND TIRE | 2 | 2 | 2 |
| 19 | 840104 | AXLE FRONT WA MV VAC | 1 | 1 | 1 |
| 20 | 840155 | BRACKET HGT ADJ WA W/LABEL MV VAC | 1 | 1 | 1 |
| 21 | 8041004 | SCREWCAP 1/4 – 20 x 0.75 HWH | 1 | 3 | 1 |
| 22 | 840034 | LINK HGT ADJ MV VAC | 1 | 1 | 1 |
| 23 | 840041 | BRACKET NOZZLE WEAR GUARD MV VAC | 2 | 2 | 2 |
| 24 | 840029 | ROD CONNECT HGT ADJ | 1 | 1 | 1 |
| 25 | 840073 | BUSHING 0.5″ ID 0.625 OD X X 0.250 | 1 | 1 | 1 |
| 26 | 840119 | ROD HANDLE CRANK ASSEMBLY | 1 | 1 | 1 |
| 27 | 840057 | HANDLE CRANK 0.5 ID X 3.72 LONG | 1 | 1 | 1 |
| 28 | 840078 | BUSHING 3/8″ ID 1/2″ OD X 3/8″ LONG | 2 | 2 | 2 |
| 29 | 840158 | WASHER LOCK 1/4″ TWISTED TOOTH | 1 | 1 | 1 |
| 30 | 840207 | NUT PAL 0.5″ ID x 0.75 OD | 2 | 2 | 2 |
| 31 | 840135 | NOZZLE COVER MV VAC | 1 | 1 | 1 |
| 32 | 840259 | LABEL MV BADGING | 1 | 1 | 1 |
| 33 | 840035 | SCREW PLASTIC 5/8 | 8 | 8 | 8 |
| 34 | 840054 | LABEL HGT ADJ MV VAC | 1 | 1 | 1 |
| 35 | 8122082 | SCREW SELF-TAP 5/16 NC X 3/4 HEX | – | 4 | – |
| 36 | 840088 | BRACKET NOZZLE COVER REINFORCEMENT MV | 1 | 1 | 1 |
| 37 | 8024021 | BOLT CARRIAGE 1/4-20X0.75 | 3 | 3 | 3 |
| 38 | 900455 | NUT FLANGE 1/4-20 | 3 | 3 | 3 |
| 100 | 8172007 | WASHER 1/4″ SAE ZP | – | 4 | – |
| 195 | 840017 | MV WHEEL BEARING | 2 | 2 | 2 |
| 201 | 840117 | SOLENOID ELEC START | – | 1 | – |
| 202 | 840198 | BRACKET SOLENOID MOUNT MV | – | 1 | – |
| 209 | 8181007 | WASHER LOCK 1/4″ EXT TOOTH | – | 2 | – |
| 211 | 8142001 | NUT 1/4″ FIN HEX ZP | – | 2 | – |
| 221 | 840082 | SCREW PLASTIC 1/4″-10 X 3/4″ | 2 | 2 | 2 |
| 222 | 840271 | EXTRUSION SEAL DOOR | 1 | 1 | 1 |
MVSP TRANS PARTS DRAWING

MVSP TRANS PARTS LIST
| ITEM NO. | PART NUMBER | DESCRIPTION | MV650SPH QTY. | MV601SPE QTY. | MV650SPHDS QTY. |
| 80 | 840110 | BRACKET TRANS MOUNT WA MV VAC | 1 | 1 | 1 |
| 81 | 350133 | BEARING 3/4″ W/PILLOW BLOCK | 2 | 2 | 2 |
| 82 | 840009 | DIFFERENTIAL 54-TOOTH D-CUT | 1 | 1 | 1 |
| 83 | 840086 | BRACKET TRANS ANTI-ROTATION MV | 1 | 1 | 1 |
| 84 | 840010 | GUARD DRIVE SP VAC | 1 | 1 | 1 |
| 85 | 840085 | TRANSMISSION 3 SPD GENERAL TRANS. | 1 | 1 | 1 |
| 86 | 510126 | SPROCKET 8 TOOTH | 1 | 1 | 1 |
| 87 | 840066 | BELT 3L34 | 1 | 1 | 1 |
| 88 | 510125 | BEARING 1/2″ CLIP | 2 | 2 | 2 |
| 89 | 840011 | PLATE TRANS BEARING MOUNT MV VAC | 2 | 2 | 2 |
| 90 | 520025 | WASHER LOCK INTERNAL TOOTH 1/2″ | 1 | 1 | 1 |
| 91 | 8041004 | 1/4 – 20 x 0.75 HWH | 1 | 1 | 1 |
| 92 | 430298 | WASHER 5/16 LOCK TWISTED TOOTH | 2 | 2 | 2 |
| 93 | 840102 | WHEEL 14″ ASSEMBLY DRIVE MV VAC | 2 | 2 | 2 |
| 94 | 8024021 | BOLT CARRIAGE 1/4-20X0.75 | 4 | 4 | 4 |
| 95 | 840028 | BRACKET TRANS REINFORCES MV VAC | 1 | 1 | 1 |
| 96 | 8024060 | CARRIAGE BOLT 3/8 – 16 X 1 1/2 | 1 | 1 | 1 |
| 97 | 840087 | PULLEY IDLER 2″ OD X 3/8″ ID | 1 | 1 | 1 |
| 98 | 840027 | TUBE 0.75 ID WHEEL SPACER SP MV VAC | 1 | 1 | 1 |
| 99 | 840158 | WASHER LOCK 1/4 TWISTED TOOTH | 1 | 1 | 1 |
| 100 | 8172007 | WASHER 1/4″ SAE ZP | 14 | 14 | 14 |
| 101 | 8160001 | NYLON INSERT LOCKNUT 1/4-20 UNC | 6 | 6 | 6 |
| 102 | 8041036 | SCREWCAP 5/16″-18X3″ HCS ZP | 4 | 4 | 4 |
| 103 | 8160002 | NYLON INSERT LOCKNUT 5/16-18 UNC | 4 | 4 | 4 |
| 104 | 8041026 | SCREWCAP 5/16″-18 X 3/4″ LONG ZP | 2 | 2 | 2 |
| 105 | 8172009 | WASHER 3/8″ SAE ZP | 2 | 2 | 2 |
| 106 | 890359 | 1/4 – 20 x 5/8 HWH | 2 | 2 | 2 |
| 107 | 8122082 | SCREW SELF-TAP 5/16 NC X 3/4 HEX | 2 | 2 | 2 |
| 108 | 840072 | CHAIN #41 X 42 PITCH | 1 | 1 | 1 |
| 109 | 800242 | SPRING TENSION | 1 | 1 | 1 |
| 110 | 8171002 | WASHER 1/4″ FC ZP | 8 | 8 | 8 |
| 111 | 8172015 | WASHER 3/4″ SAE ZP | 2-6 | 2-6 | 2-6 |
| 112 | 510180 | WOODRUFF KEY 1/8 X 1/2 | 1 | 1 | 1 |
| 113 | 350146 | CLIP 1/2″ | 3 | 3 | 3 |
| 114 | 840213 | SCREWCAP 1/4-20 X 5/8 GR. 5 | 4 | 4 | 4 |
| 116 | 8171006 | WASHER 1/2″ FLAT CUT | 3 | 3 | 3 |
| 118 | 900327 | LABEL DANGER GUARD | 1 | 1 | 1 |
| 119 | 8161042 | NUT LOCK 3/8-16 LT WT THIN ZP | 1 | 1 | 1 |
| 121 | 840188 | BRACKET BEARING FIX | 2 | 2 | 2 |
| 123 | 8024022 | CARRIAGE BOLT 1/4 – 20 X 1 ZP | 2 | 2 | 2 |
| 124 | 8172020 | WASHER FENDER 5/16 | 2 | 2 | 2 |
| 125 | 8177010 | SPLIT LOCK WASHER 1/4″ | 4 | 4 | 4 |
| 158 | 8041006 | SCREWCAP 1/4″-20 X 1″ HCS ZP | – | 2 | – |
| 195 | 840017 | MV WHEEL BEARING | 2 | 2 | 2 |
| 203 | 840170 | BATTERY 12 V | – | 1 | – |
| 204 | 840095 | BATTER HOLD DOWN | – | 1 | – |
| 205 | 840228 | CABLE HARNESS ELECTRIC STARTS ONE PIECE | – | 1 | – |
MVSP ENGINE PARTS DRAWING

MVSP ENGINE PARTS LIST
| ITEMNO. | PART NUMBER | DESCRIPTION | MV650SPH QTY. | MV601SPE TY. | MV650SPHDS QTY. |
| 50 | 840069 | ENGINE HONDA 6.5 VERTICAL GSV190 | 1 | – | 1 |
| 840277 | ENGINE B&S PRO SERIES 875 ELEC START | – | 1 | – | |
| 51 | 840100 | IMPELLER 12.75 WA SP VAC | 1 | 1 | 1 |
| 52 | 840107 | PLATE TOP WA SP MV VAC | 1 | 1 | 1 |
| 53 | 840205 | HOUSING PLASTIC VAC | 1 | 1 | 1 |
| 54 | 440153 | WASHER 1.5 OD X .453 ID X .25 THK | 1 | 1 | 1 |
| 56 | 9201087 | SQ KEY 2.125 X .187 | 1 | 1 | 1 |
| 57 | 8177012 | WASHER LOCK 3/8″ ST MED | 1 | 1 | 1 |
| 59 | 8172007 | WASHER 1/4″ SAE ZP | 6 | 6 | 6 |
| 60 | 8172019 | WASHER FENDER 1/4 ZP | 6 | 6 | 6 |
| 61 | 8041004 | SCREWCAP 1/4 – 20 x 0.75 HWH | 6 | 6 | 6 |
| 62 | 790167 | SCREWCAP 3/8-24X2 3/4″ W/PATCH LOCK | 1 | 1 | 1 |
| 63 | 900564 | SCREWCAP 3/8″-16X2 1/2″ TAPTITE | 3 | 3 | 3 |
| 64 | 8177010 | WASHER SPLIT LOCK 1/4″ | 6 | 6 | 6 |
| 67 | 840083 | SPACER 1.50OD X .890ID X .5 THK | 1 | 1 | 1 |
| 80 | 840215 | TERMINAL 18-14 BLUE T-TAP | 1 | 1 | 1 |
| 81 | 840213 | SCREWCAP 1/4-20X5/8 GR. 5 | 6 | 6 | 6 |
| 205 | 840228 | CABLE HARNESS ELECT START | – | 1 | – |
| 210 | 100261 | LABEL WARNING FUEL EN/SP | – | 1 | – |
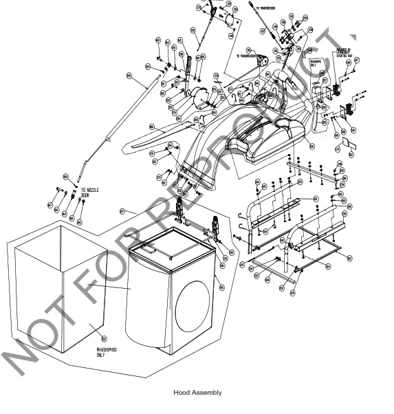
MVSP HOOD PARTS DRAWING

| ITEM NO. | PART NUMBER | DESCRIPTION | MV650SPH QTY. | MV601SPE QTY. | MV650SPHDS QTY. |
| 57 | 440013 | CONTROL THROTTLE | 1 | 1 | 1 |
| 114 | 840023 | CONTROL SHIFT WESCON MV VAC | 1 | 1 | 1 |
| 115 | 840265 | HANDLE MV CLUTCH CABLE | 1 | 1 | 1 |
| 120 | 500176 | LABEL CLUTCH DRIVE | 1 | 1 | 1 |
| 130 | 840141 | HOOD ASSY W/ LABEL MV VAC | 1 | 1 | 1 |
| 131 | 840153 | BRACKET BAG CHANNEL RH W/SEAL MV VAC | 1 | 1 | 1 |
| 132 | 840196 | SEAL BAG MV VAC | 1 | 1 | 1 |
| 133 | 840037 | TUBE HANDLE BRACE RH MV VAC | 1 | 1 | 1 |
| 134 | 840038 | TUBE HANDLE BRACE LH MV VAC | 1 | 1 | 1 |
| 135 | 840274 | BRACKET BAG CHANNEL LH | 1 | 1 | 1 |
| 136 | 840152 | BRACKET NOZZLE DOOR ADJ W/LABEL MV VAC | 1 | 1 | 1 |
| 137 | 840258 | BAG ROD ASSY MV VAC s/DUST SOCK | 1 | 1 | 1 |
| 138 | 840138 | BAR LIFT NOZZLE DOOR W/ GRIP MV VAC | 1 | 1 | 1 |
| 139 | 840061 | ROD LIFT NOZZLE DOOR SP VAC | 1 | 1 | 1 |
| 140 | 840292 | PLATE, BAG LATCH MOUNT | 2 | 2 | 2 |
| 141 | 840191 | GRIP LEVER LIFT | 1 | 1 | 1 |
| 142 | 840058 | SWITCH INTERLOCK VAC | 1 | 1 | 1 |
| 143 | 840276 | HARNESS WIRE ASSY MV VAC BAG SWITCH | 1 | – | 1 |
| 840275 | WIRING HARNESS ELEC START MV | – | 1 | – | |
| 144 | 8024025 | BOLT CARRIAGE 1/4-20 X 1.75 | 7 | 7 | 7 |
| 145 | 8171002 | WASHER 1/4″ FC ZP | 12 | 12 | 12 |
| 146 | 8160001 | NYLON INSERT LOCKNUT 1/4-20 UNC | 14 | 14 | 14 |
| 147 | 520018 | SCREW HEX HEAD #10-24 X 1″ | 4 | 4 | 4 |
| 148 | 8172005 | WASHER #10 SAE ZP | 8 | 8 | 8 |
| 149 | 8164005 | NYLON INSERT LOCKNUT 10-24 UNC | 4 | 4 | 4 |
| 150 | 900407 | Ty-Wrap | 6 | 6 | 6 |
| 151 | 610347 | PIN SCREW 1/4-28 | 1 | 1 | 1 |
| 152 | 8171003 | WASHER 5/16 FLATWASHER Z/P | 7 | 7 | 7 |
| 153 | 8160002 | NYLON INSERT LOCKNUT 5/16-18 UNC | 3 | 3 | 3 |
| 154 | 610429 | SPRING LEVER GZ | 1 | 1 | 1 |
| 155 | 610348 | FIBRE WASHER | 1 | 1 | 1 |
| 156 | 8041032 | SCREWCAP 1/4-20X2″ | 1 | 1 | 1 |
| 157 | 8041011 | SCREWCAP 1/4″-20X2 1/4″ ZP | 1 | 1 | 1 |
| 158 | 8041006 | SCREWCAP 1/4-20X1″ ZP | 2 | 2 | 2 |
| 159 | 8041031 | SCREWCAP 5/16-18 X 1.75 ZP | 2 | 2 | 2 |
| 160 | 8171004 | WASHER 3/8 FC | 4 | 4 | 4 |
| 161 | 8172007 | WASHER 1/4″ SAE ZP | 12 | 12 | 12 |
| 162 | 100346 | LABEL SAFETY PROTECT READ MANUAL | 1 | 1 | 1 |
| 164 | 400886 | ROD END BALL JOINT 3/8 NF | 2 | 2 | 2 |
| 165 | 8041052 | SCREW CAP 3/8-16X1 1/2 ZP | 1 | 1 | 1 |
| 166 | 8160003 | NYLON INSERT LOCKNUT 3/8-16 UNC | 2 | 2 | 2 |
| 167 | 8041056 | SCREWCAP 3/8″-16X2 1/2″ ZP | 1 | 1 | 1 |
| 168 | 840197 | SEAL BAG FRONT HOOD 20.5 LONG | 1 | 1 | 1 |
| 169 | 8149003 | NUT REG 3/8-24 NF | 2 | 2 | 2 |
| 170 | 8041004 | SCREWCAP 1/4″-20X3/4″ HCS ZP | 1 | 1 | 1 |
| 171 | 8172019 | WASHER FENDER 1/4 ZP | 2 | 2 | 2 |
| 172 | 830514 | SCREW MACH FLAT HD PHIL #10-24 HEX | 2 | 2 | 2 |
| 173 | 840071 | NUT ACORN 1/4-20 | 2 | 2 | 2 |
| 174 | 810736 | LABEL DANGER FLYING DEBRIS | 1 | 1 | 1 |
| 175 | 840080 | LABEL NOZZLE DOOR MV VAC | 1 | 1 | 1 |
| 178 | 8024021 | BOLT CARRIAGE 1/4-20 X 3/4″ | 5 | 5 | 5 |
| 180 | 840214 | BRACKET HOOD FRONT STRAIGHTENER | 1 | 1 | 1 |
| 184 | 840180 | PLATE SHIFT CONTROL ANTI-ROT | 1 | 1 | 1 |
| 185 | 8059140 | SCREWCAP #10-24X1 1/4″ | 1 | 1 | 1 |
| 186 | 840179 | LABEL HOOD DECAL | 1 | 1 | 1 |
| ITEM NO. | PART NUMBER | DESCRIPTION | MV650SPH QTY. | MV601SPE QTY. | MV650SPHDS QTY. |
| 190 | 840040 | ROD BAG WA MV VAC | 1 | 1 | 1 |
| 191 | 840139 | LATCH RUBBER ASSEMBLY MV VAC | 2 | 2 | – |
| 840016 | LATCH RUBBER MV VAC | – | – | 2 | |
| 192 | 360203 | PAL NUT 0.312 | 2 | 2 | 2 |
| 193 | 840189 | BAG DEBRIS MV VAC | 1 | 1 | – |
| 840260 | BAG DEBRIS GRAY KNIT MV VAC | – | – | 1 | |
| 194 | 840206 | GROMMET RUBBER 5/8″ OD X 3/8″ ID | 2 | 2 | 2 |
| 200 | 520116 | LABEL MADE IN U.S.A. | 1 | 1 | 1 |
| 205 | 840228 | CABLE HARNESS ELECT START | – | 1 | – |
| 206 | 500307 | SWITCH | – | 1 | – |
| 207 | 840293 | BRACKET, HOOD, START SWITCH | – | 1 | – |
| 208 | 100262 | LABEL START STOP EN/SP | – | 1 | – |
| 212 | 840261 | DUST SOCK MV | – | – | 1 |
| 213 | 501314 | LABEL THROTTLE BC | 1 | 1 | 1 |
| 214 | 840267 | PLATE MV THROTTLE CONTROL | 1 | 1 | 1 |
| 215 | 840268 | CABLE THROTTLE CONTROL 52″ | 1 | – | 1 |
| 840272 | CABLE THROTTLE CONTROL 72″ | – | 1 | – | |
| 216 | 840264 | BRACKET MV CABLE MOUNT WA | 1 | 1 | 1 |
| 217 | 840266-S | CABLE DRIVE MV CLUTCH | 1 | 1 | 1 |
| 218 | 350178 | BOLT SHOULDER 1/4″ X 1 3/4″ | 1 | 1 | 1 |
| 219 | 8155007 | NUT LOCK #10-24 HEX | 1 | 1 | 1 |
| 220 | 8041009 | SCREWCAP 1/4-20 1 3/4 HCS ZP | 2 | 2 | 2 |
| 221 | 840082 | SCREW PLASTITE 1/4″-10 X 3/4″ HWH ZP | 2 | 2 | 2 |









































