
Altronix 6062 Multi-Purpose Timer

Overview:
Model 6062 programmable timer is suitable for many functions that require a timed operation e.g. Access Control Applications, Siren/Bell Cut Off Module, Dialer Delay, Guard Tour Supervisory Timer, etc. Some optional functions include: One Shot, Delayed Release, Delayed Operate, Delayed Pulse and Pulser/Flasher. A new feature has been added which provides a momentary relay acti-vation at the end of a desired timing cycle. This feature eliminates the need for having to use two (2) timers to achieve this function.
Specifications:
- Input: 12VDC or 24VDC operation is selectable.
- Current Draw: Stand-by: 3mA, Relay energized: 40mA.
- Relay:
- Selectable relay activation at the start or end of the timing cycle.
- One (1) second momentary relay activation at the end of the timing cycle (eliminates the need to use two (2) timers for this function).
- Visual Indicators: LED indicates relay is energized.
- Electrical:
Operating temperature: -20º C to 49º C ambient.
Features:
- Triggers via positive DC (+) voltage, dry contact closure, or removal of contact closure.
- Quick and extremely accurate time range adjustment from 1 second to 60 minutes.
- Built-in reset feature that cancels timing cycle.
- Repeat (flasher/pulse) mode.
Mechanical:
- Snap Trac compatible (order Altronix model #ST3).
- Board Dimensions (L x W x H approx.): 3” x 2.5” x 0.75” (76.2mm x 63.5mm x 19.05mm).
- Product weight (approx.): 0.1 lb. (0.05 kg).
- Shipping weight (approx.): 0.15 lb. (0.07 kg).
Installation Instructions:
- Mount 6062 in desired location/enclosure.
- Set proper DC Input Voltage DIP Switch 3: 12VDC ON, 24VDC OFF.
- Refer to DIP Switch Selection and Jumper Selection Tables for desired functions (e.g.: Timing, Trigger, Pulse)
- Measure DC input voltage before powering device to ensure proper operation.
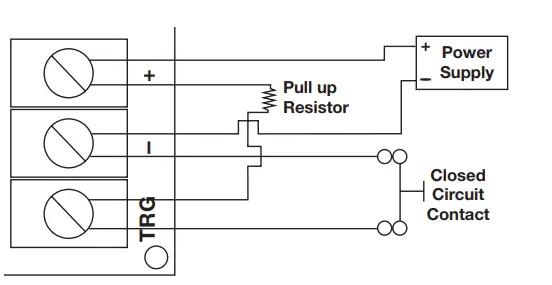
- Refer to Terminal Identification Table and Typical Applications fig. 1 through fig. 8. for desired wiring connections. Note: When triggering via a N.O. (normally open), momentary or maintained trigger, connect the dry contact trigger to Pos (+) and TRG terminals. When triggering via a N.C. (normally closed), momentary or maintained trigger, connect the trigger to Neg. (–) and TRG terminals and install a resistor [for 12VDC – 2K (2,000 ohm) or for 24VDC – 4.7K (4,700 ohm)] between the Pos (+) and TRG terminals (Fig. 8).
- Enable the reset features:
Cut J3 when power is removed the timer will reset and not re-trigger when power is restored unless a new trigger is applied. Note: The closed trigger and delayed pulse options will not operate if the reset feature is desired.
DIP Switch Selection Table:
| DIP # | Off | On |
| 1 | Relay energizes at the start of timing cycle.* | Relay energizes at the end of timing cycle.* |
| 2 | 1-60 Minutes timing range (trimpot adjustable). | 1-60 Seconds timing range (trimpot adjustable). |
| 3 | 24VDC operating voltage. | 12VDC operating voltage. |
| 4 | Timing begins immediately upon trigger input. | Timing starts after removal of trigger input. |
Jumper Selection Table:
| Number | Function/Description |
| J1 | Cutting J1 selects the pulser/flasher mode. Relay will flip ON and OFF continuously in equally set timed intervals when timer is powered up. |
| J2 | Cutting J2 puts timer in delayed output mode. Relay will pulse for 1 second at the end of a preset timing cycle. *DIP Switch 1 must be ON for this function. |
| J3 | 6062 will go through an initial timing cycle when first powered up unless J3 is cut. If J3 is cut, timing can only be initiated via TRG terminal. |
Terminal Identification:
| Terminal Legend | Function/Description |
| TRG | Applying a positive voltage will activate timing cycle. Trigger voltage range: 7-12VDC at 12 volt setting, 15-24VDC at 24 volt setting. |
| – , + | Connect 12 or 24VDC filtered and regulated voltage. Refer to DIP Switch Selection Table for voltage setting. |
| N.O., C, N.C. | Dry form “C” relay contacts are rated 8A at 120VAC/28VDC. |
6062 Typical Applications:
Fig. 1 – Timed Door Annunciator: 
For this application Switch #1 and Switch #4 should be in the OFF position.
Fig. 2 – Guard Tour Supervisory Timer:
For this application Switch #1 and Switch #4 should be in the OFF position.
Fig. 3 – Swinger Eliminator: 
For this application Switch #1 should be in the OFF position and Switch #4 should be in the ON position.
Fig. 4 – Delay Timer:
Use for Door Ajar Alarm, Delayed Activation of Digital Dialer, Defrost Cycle Timer, etc…
For this application Switch #1 should be in the ON position and Switch #4 is not used in this application.
Altronix is not responsible for any typographical errors.
Fig. 5 – Timed Door Strike:
For this application Switch #1 should be in the OFF position and Switch #4 should be in the ON position.
Fig. 6 – Timed Shunt for a Door: Use to bypass alarm contacts.
For this application Switch #1 should be in the OFF position and Switch #4 should be in the ON position.
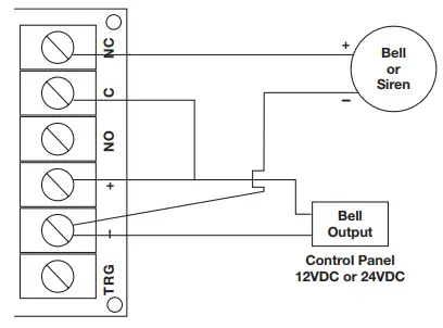
Fig. 7 – Bell Cut Off Timer:
For this application Switch #1 should be in the ON position and Switch #4 is not used in this application.
Fig. 8 – Closed Circuit Trigger Option:
For this application a resistor [for 12VDC – 2K (2,000 Ohm) or for 24VDC – 4.7K (4,700 Ohm)] must be installed as shown (resistor not supplied).
Contact US
140 58th Street, Brooklyn, New York 11220 USA
phone: 718-567-8181
fax: 718-567-9056
website: www.altronix.com
e-mail: [email protected]
Lifetime Warranty
II6062 – Rev. 032211



















