72248 Steamlocomotive Class
Instruction Manual
72248 Steamlocomotive Class
Operating Manual
H0-model:
Steamlocomotive class 18.4, DB
Maintenance of the model
To enjoy your model for a long time, it is necesary to service it regulary (i.e. after it has been in operation for approximately 30 hours). Uncouple locomotive and tender first (fig. 3).
- Cleaning of wheel contacts: Wheel contacts easily get dirty on tracks which are not entirely clean. Use a small brush to remove dirt from spots marked in fig. 9.
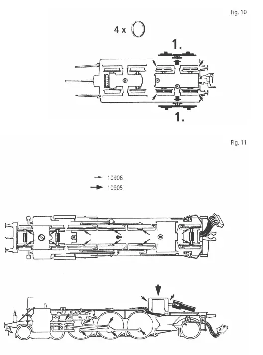
- Lubrication: Apply tiny oil drops to spots marked in fig. 11/11a. Prior to lubrication dismantle the loco body or the tender body (fig. 4, fig. 5). We recommend using item no. 10906, Roco oiler. For lubrication the gearparts (e.g. cogwheels, worm) we would recommended our Roco special grease (item no. 10905). Attention: Please do not oil these parts when using our grease.
- Change of lights: First remove loco body and the tender body (fig. 4, fig. 5) and then change lights (fig. 8, fig. 8).
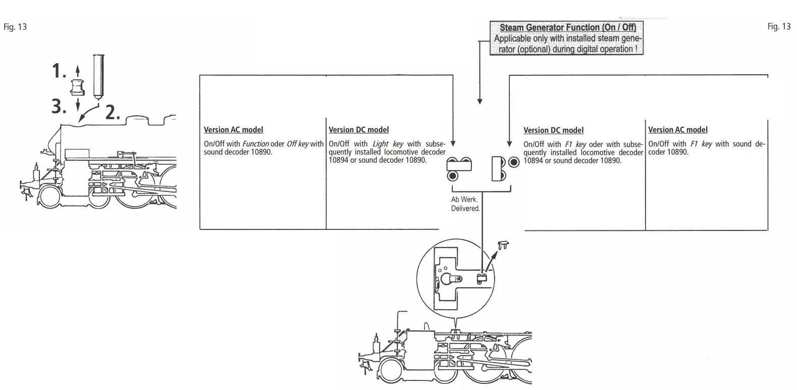
- Steam generator application (fig. 5): First remove the loco body (fig. 4) and then push in the Seuthe steam generator no. 10 (running in digital mode: use no.11).
- Change of traction tyre: Remove bogie blind. Take out the wheel set and remove the traction tyre using a pin or a fine screwdriver (fig. 10). When pressing on the new traction tyre please avoid twisting it.
- Carbon Brush Changing: First remove tender body (fig. 5), and then the motor (fig. 12).
Assembly: During assembly please take care of correct position of contacts (fig. 7).
![]() | ![]() |
![]() | ![]() |
![]() | ![]() |
![]() | ![]() |
Starting locomotive operation
Unwrap model: Take the loco carefully out of the packing with the help of the foil (fig. 1).
Very important!
Before taking into service your model these bearings of the coupling rods must be oiled as otherwise there would be the risk of bad running qualities of dramage on he locomotive (see fig. 11).
Operating instructions: Before use is advisable to let the loco go around about 30 minutes forwards an 30 minutes backwards without load, to obtain an optomal circuit and best tractive power.
The smallest radius this model should run is R3 (419,6 mm).
Your locomotive will run smoothly on clean tracks only. For this purpose we recommend using item no. 46400, ROCO track cleaning van, or item no. 10002, ROCO track cleaning rubber, for removing heavy dirt.
Fittings: Operation is possible with different couplings (fig. 2). We recommend using the ROCO close coupling.
In the enclosed accessory bag you will find small kits to be fitted on your locomotive. Please mount them cautiously. Attention! Use glue only if indicated (fig. 2).
Running in digital mode:
First remove Tender body (fig. 5). Then remove the jumper from the interface. Finally put the plug of the chip into the interface as shown in fig. 7.
A.C. operation: see fig. 6
More information about the sound decoder can be found here
http://www.zimo.at/web2010/documents/handbuch.htm
Don‘t throw your box in the dustbin. If your model is not in use this box will keep it safe. If kits are mounted on a wagon it will be slightly tight when placing it in the original box. This guarantees safe transport. It is therefore recommanded to cut out certain parts of the original box. To keep the model like the original, smaller parts (e.g. buffers) had been manufactured separately from the body and are not tightly fixed on it. Therefore theyprobably can get lost. In this case you certainly may reorder them but a complaint would not be acceptable.
Please retain these instructions for further reference!
Safety instructions: This product may only be used in closed rooms.
Do not expose the model to direct sunlight, severe temperature fluctuations or high air humidity.
Attention!
At an incorrect use there exists danger of hurting because of cutting edgesand tips
We reserve the right to change the construction and design!
Modelleisenbahn GmbH
A-5101 Bergheim
Plainbachstraße 4
Email: [email protected]
Tel.: 00800 5762 6000![]()
(kostenlos/ free of charge/ gratuit)
International: +43 820 200 668 chargeable
local tariff for landline
Mobile max. 0,42€/min. incl. VAT)
https://www.roco.cc/de/aboutus/imprint/index.html![]()


























