
Installation and Operation Manual
FIT® 70E
Fresh Air Appliance (FAA/ERV)


FIT 70E Fresh Air Appliance
PARTS IN THE BOX
Energy Recovery Ventilator Fit70E, 1 pc
Ceiling bracket, 1 pc
Angle brackets, 2 pcs
Operation and Installation Manual, 1 pc
Your ventilation system should be installed in conformance with the appropriate provincial requirements or, in the absence of such requirements, with the current edition of the National Building Code, and/or ASHRAE’s “Good Engineering Practices”.
United States
10048 Industrial Blvd., Lenexa, KS, 66215
Tel.: 800.747.1762 • Fax: 800.487.9915
Canada
50 Kanalflakt Way, Bouctouche, NB, E4S 3M5
Tel.: 800.565.3548 • Fax: 877.747.8116
Fantech reserves the right to modify, at any time and without notice, any or all of its product features, designs, components, and specifications to maintain its technological leadership position. Please visit our website www.fantech.net for more detailed technical information.

PLEASE READ AND SAVE THESE INSTRUCTIONS
For residential use only
Before installation, careful consideration must be given to how this system will operate if connected to any other piece of mechanical equipment, i.e. a forced air furnace or air handler operating at higher static pressure. After installation, the compatibility of the two pieces of equipment must be confirmed by measuring the airflow of the Energy Recovery Ventilator (ERV) using the balancing procedure found in this manual. It is always important to assess how the operation of any ERV may interact with vented combustion equipment (i.e. Gas Furnaces, Oil Furnaces, Wood Stoves, etc.)
Residential ERV ventilation systems are not suitable for pool or spa applications.
Products are designed and manufactured to provide reliable performance, but they are not guaranteed to be 100% free of defects. Even reliable products will experience occasional failures, and this possibility should be recognized by the user. If these products are used in a life support ventilation system where failure could result in loss or injury,
the user should provide adequate backup ventilation, supplementary natural ventilation or a failure alarm system, or acknowledge willingness to accept the risk of such loss or injury.
Your ventilation system should be installed in accordance with the local building code that is in effect, in absence of such requirements, it is recommended to check with local authorities having jurisdiction in your area prior to installing this product.
DETERMINING YOUR AIRFLOW REQUIREMENT
Room Count Method
| Room classification | Number of rooms | CFM (L/s) | CFM Required |
| Master bedroom | x 10 L/s (20 CFM) | = | |
| Basement | yes or no | if yes add 10 L/s (20 CFM) if no = 0 | = |
| Bedrooms | x 5 L/s (10 CFM) | = | |
| Living room | x 5 L/s (10 CFM) | = | |
| Others | x 5 L/s (10 CFM) | = | |
| Kitchen | x 5 L/s (10 CFM) | = | |
| Bathroom | x 5 L/s (10 CFM) | = | |
| Laundry room | x 5 L/s (10 CFM) | = | |
| Utility room | x 5 L/s (10 CFM) | = |
Total Ventilation Requirements (add last column )
1 CFM = 0.47 L/s
1 L/s = 2.13 CFM
ASHRAE method
Ventilation Air requirements

Bathroom: If the ERV is going to provide the required local exhaust ventilation for each bathroom with a continuous 20 CFM (10 L/s), this ventilation rate can be considered as part of the whole-building ventilation rate.
Installation examples
FULLY DEDICATED SYSTEM
BEST FOR NEW CONSTRUCTION
Stale air is drawn from key areas of the home (bathroom, kitchen, laundry) Fresh air is supplied to main living areas
Suggested installation for:
- Hydronic baseboard
- In-floor heating
- Electric baseboard
- Mini split heat pump
Benefits: Provides the best fresh air distribution in the house; lowest operation cost since the furnace/air handler unit is not needed.
- Stale air is drawn from key areas of the home requiring local exhaust (bathroom, kitchen, laundry room).
- Fresh air is distributed directly to habitable rooms in the house (bedrooms, living room)
- The ERV’s airflow must be balanced after installation using the procedure found in the section “AIRFLOW BALANCING”
* Ductwork layout may differ depending on model

DIRECT CONNECTION of the FRESH air to the living area to the RETURN PLENUM of the AIR HANDLER (Stale air drawn from key areas of the home)
PARTIALLY DEDICATED SYSTEM (BETTER)
- The furnace blower must operate when ventilation from ERV is required. The furnace should be set to run continuously or interlocked with ERV. See furnace electrical connection on page 19.
- Stale air is drawn from key areas of the home (bathroom, kitchen, laundry room).
- Fresh air is supplied to the return air plenum of the furnace.
- Due to the difference in pressure between the ERV and the equipment, it is being connected to the ERV’s airflow must be balanced on-site, using the procedure found in the section “AIRFLOW BALANCING”
* In the case of a multi-zone system, please contact Fantech customer service prior to installing any installation type requiring the use of the furnace interlock”
ERV/Furnace ducting for Partially Dedicated System
* Ductwork layout may differ depending on model

Fantech Energy Recovery Ventilators (ERV) that use a supply fan shutdown for frost prevention do not include an outdoor air motorized damper. If you are using a simplified installation, i.e. connecting the ERV supply air duct to a furnace’s return air duct, the ERV must operate continuously. When the ERV is turned off, no warm exhaust air will flow through the ERV but the furnace’s fan will continue to draw in outdoor air directly into the furnace.
If it’s cold outside, cold air will be introduced, without re-heating, directly into the furnace.

*Transformer and Damper motor not included
DIRECT CONNECTION of both the ERV SUPPLY AIR STREAM and EXHAUST AIR STREAM to the FURNACE COLD AIR RETURN
SIMPLIFIED INSTALLATION (GOOD)
(RETURN/RETURN METHOD) – OPTION 1
- The furnace blower must operate when ventilation from ERV is required. The furnace should be set to run continuously or interlocked with ERV. See furnace electrical connection on page 19.
- A minimum separation of 1m (3`3’’) is recommended between the two direct connections.
- In order to prevent exhausting any fresh air, the ERV’s exhaust air connection should be upstream of the ERV’s supply air connection when ducting to the furnace’s cold air returns.
- Due to the difference in pressure between the ERV and the equipment, it is being connected to the ERV’s airflow must be balanced on-site, using the procedure found in the section “AIRFLOW BALANCING”
* In the case of a multi-zone system, please contact Fantech customer service prior to installing any installation type requiring the use of the furnace interlock”
Suggested installation for:
- When the bathroom and kitchen already have a local exhaust system
- It May be suitable for retrofitting
Benefits: Least expensive installation type
ERV/Furnace ducting for Simplified Installation – Option 1

Fantech Energy Recovery Ventilators (ERV) that use a supply fan shutdown for frost prevention do not include an outdoor air motorized damper. If you are using a simplified installation, i.e. connecting the ERV supply air duct to a furnace’s return air duct, the ERV must operate continuously. When the ERV is turned off, no warm exhaust air will flow through the ERV but the furnace’s fan will continue to draw in outdoor air directly into the furnace. If it’s cold outside, cold air will be introduced, without re-heating, directly into the furnace.
If the ERV is installed such that the homeowner may turn off the ERV during the winter, we recommend installing a motorized damper between the ERV’s supply air and the furnace’s return air duct that closes when the ERV is not operating. See the wiring diagram (figure 1).

*Transformer and Damper motor not included
DIRECT CONNECTION of the ERV SUPPLY AIR STREAM to the SUPPLY AIR SIDE on the FURNACE & EXHAUST AIR STREAM to the FURNACE COLD AIR RETURN
SIMPLIFIED INSTALLATION (GOOD) OPTION 2
- The furnace blower must operate when ventilation from ERV is required. The furnace should be set to run continuously or interlocked with ERV. See furnace electrical connection on page 19.
- Due to the differences in pressure between the ERV and the equipment, it is being connected to, the ERV‘s airflow must be balanced on-site, using the procedure found in the section “AIRFLOW BALANCING”.
* In the case of a multi-zone system, please contact Fantech customer service prior to installing any installation type requiring the use of the furnace interlock”
Suggested installation for:
- When the bathroom and kitchen already have a local exhaust system
- It May be suitable for retrofitting
Benefits: Least expensive installation type
In the case of a simplified installation, Option 1 is recommended.
ERV/Furnace ducting for Simplified Installation – Option 2

Fantech Energy Recovery Ventilators (ERV) that use a supply fan shutdown for frost prevention do not include an outdoor air motorized damper. If you are using a simplified installation, i.e. connecting the ERV supply air duct to a furnace’s return air duct, the ERV must operate continuously. When the ERV is turned off, no warm exhaust air will flow through the ERV but the furnace’s fan will continue to draw in outdoor air directly into the furnace. If it’s cold outside, cold air will be introduced, without re-heating, directly into the furnace.
If the ERV is installed such that the homeowner may turn off the ERV during the winter, we recommend installing a motorized damper between the ERV’s supply air and the furnace’s return air duct that closes when the ERV is not operating. See the wiring diagram (figure 1).

*Transformer and Damper motor not included
EXTERIOR DUCTING INSTALLATION
WEATHER HOOD LOCATION
- Decide where your intake and exhaust hoods will be located.
Locating the Intake Weather hood
- Should be located upstream (if there are prevailing winds) from the exhaust outlet.
- At a minimum distance to 900 mm (3′) away from dryer vents and furnace exhaust (medium or high-efficiency furnaces), driveways, oil fill pipes, gas meters, or garbage containers.
- At a minimum height of 460mm (18’’) above the ground, or above the level of expected snow accumulation.
- Ideally, keep weather hoods 1m (3′) from corners.
- Do not locate in the garage, attic, crawl space, or underneath the deck.

Locating the Exhaust Weather hood
- At least 460mm (18″) above ground or above the depth of expected snow accumulation
- Ideally, keep weather hoods 1m (3′) from corners.
- Not near a gas meter, electric meter or a walkway where fog or ice could create a hazard
- Do not locate in a garage, workshop or other unheated space
INSTALLING THE DUCTING TO THE WEATHER HOLDS
A well-designed and installed ducting system will allow the ERV to operate at its maximum efficiency. The inner liner of the flexible insulated duct must be secured to the sleeve of the weather hood (as close to the outside as possible) and to the appropriate duct connection on the ERV. The insulation should remain full and not be crushed. The outer liner, which acts as a vapor barrier, must be completely sealed to the outer wall and the ERV using tape and/or caulking. A good bead of high-quality caulking (preferably acoustical sealant) will seal the inner flexible duct to both the ERV duct connection and the weather hood prior to securing them.

To minimize airflow restriction, the flexible insulated duct that connects the two outside weather hoods to the ERV should be stretched tightly and be as short as possible. Twisting or folding the duct will severely restrict airflow.
See “Installation Diagram Examples” for installation examples.
STEPS FOR HOOD INSTALLATION:

- Using the duct connection of the outside hood, outline the intake & exhaust holes to be cut. The holes should be slightly larger than the duct connection to allow for the thickness of the insulated flexible duct. Cut a hole for both the intake and exhaust hoods.
- Pull the insulated flexible duct through the opening until it is well extended and straight. Slide the duct’s inner vinyl sleeve over the hood duct connection and secure it. Pull the insulation over the duct and pull the vapor barrier over the sleeve. Secure with appropriate tape or sealant.
- Push the hood into the opening and then attach the hood to the outside wall with mounting screws. Repeat the installation procedure for both the supply and exhaust hoods.
- Using a caulking gun, seal around both hoods to prevent any leaks.
Interior ducting installation
- To maximize airflow through the ductwork system, all ducts should be kept short and have as few bends or elbows as possible.
- 45º elbows are preferable to 90º.
- Use “Y“ ducts instead of “T” ducts whenever possible.
- All duct joints must be fastened with screws or duct sealant and wrapped with aluminum foil duct tape to prevent leakage.
- Galvanized ducting from the ERV to the living areas in the house is recommended whenever possible, although flexible ducting can be used in moderation when necessary.
- To avoid possible noise transfer through the ductwork system, a short length (approximately 300 mm, 12’’) of the nonmetallic flexible insulated duct should be connected between the ERV and the supply/exhaust ductwork system.
- The main supply and return line to/from the ERV must have the same diameter as the duct connection or larger.
- Branch lines to the individual rooms may be as small as 100 mm (4’’).
Installing ducting to ERV
For flexible duct installation, slide flexible ducting onto the duct connection. Then install a cable tie over the flexible duct to prevent leakage between the ducting and the duct connection.

In the case of solid ducting, slide duct over duct connection, screw in place and seal.
Supply air grilles location
In homes without a forced air furnace, fresh air should be supplied to all habitable rooms, including bedrooms and living areas. It should be supplied from the high wall or ceiling locations. Grilles that diffuse the air comfortably are recommended. In homes with a forced air furnace, you may want to connect the ERV to the furnace ductwork (see information below).
Exhaust air grilles location
The stale air exhaust system is used to draw air from the points in the house where the worst air quality problems occur. It is recommended that return air ducts be installed in the bathroom, kitchen, and laundry room. Additional return air ducts from strategic locations may be installed. The furnace return duct may also be used to exhaust from. In this method, the exhaust air is not ducted back from bathrooms, kitchens, etc to the ERV with “dedicated lines”.
As per building codes and installation requirements for combustion appliances:
Air return ducts, or openings for air return, should not be placed in enclosed spaces containing combustion appliances that are subject to spillage.
ERV installation
- Have a nearby power supply(120 volts, 60Hz)
- Choose a location that allows the possibility of mounting the unit to supporting beams.
- To minimize noise, do not install the unit in the living area
LOCATION
The ERV must be located in a conditioned space where it will be possible to conveniently service the unit. Typically the ERV would be located in the mechanical room or an area close to the outside wall where the weatherhoods will be mounted. If a basement area is not convenient or does not exist, a utility room may be used.
Attic installation must meet the following conditions:
- Attic temperature must be above freezing conditions at all times and for best performance should be 12°C (54 °F).
- The condensate drain (if included) must be installed so that the condensate drains and is protected from freezing.
- The attic is easily accessible for equipment maintenance and inspection.
Connecting appliances to the ERV is not recommended. These include:
- Clothes dryer
- Range top
- Stovetop fan
- Central vacuum system
- Bathroom exhaust fans unless they are specifically designed for this purpose
These appliances may cause lint, dust or grease to collect in the ERV, damaging the unit.
Connecting any of these types of appliances to the ERV will void your warranty.
Mounting
CEILING INSTALLATION

- Using the screw with the washer mount the mounting bracket through the rubber insulator. Ensure the bracket is straight.
- Using the screw with the washer mount the brackets at the bottom of the unit.

- Slide the unit into the bracket as shown above.
- Secure both sides of the unit using the same method as step 1.
We recommend placing the duct on the unit at this stage of the unit’s installation.
WALL INSTALLATION

- Using the screw with the washer mount the mounting bracket through the rubber insulator. Ensure the bracket is straight.
- Using the screw with the washer mount the brackets at the bottom of the unit.

- Slide the unit in the bracket and secure it with a setting screw.
Airflow adjustment & balancing
BALANCING THE AIRFLOWS IS CRUCIAL TO ENSURE OPTIMAL OPERATION OF THE UNIT. IF THE AIRFLOW IS NOT PROPERLY BALANCED, THE THE FOLLOWING ISSUES MAY OCCUR:
- SIGNIFICANT POSITIVE OR NEGATIVE PRESSURE INSIDE THE HOUSE
- THE UNIT’S EFFICIENCY MAY BE NEGATIVELY AFFECTED
- THE UNIT’S DEFROST MAY NOT WORK EFFECTIVELY
- CAN LEAD TO AIR LEAKS OR BACK DRAFTING OF ANY COMBUSTION APPLIANCES.
The airflow adjustment and balancing procedure consist of adjusting the fresh airflow to make sure it meets the requirements for the building and then balancing the system to make sure there is an equal amount of stale air being exhausted. In the case that the airflow is not exactly the same, it is recommended to have a higher stale airflow of up to 10% in colder climates to ensure that the temperature of the fresh airflow coming from the outside is as close to the room temperature as possible.
GENERAL PREPARATION:
Before performing the adjustment and balancing for the unit, make sure to check the following:
- Seal all the ductwork
- Fully open all dampers (if present)
- Turn off all other exhaust appliances such as range hoods, dryers, bathroom fans, etc.
- If performing balancing during cold weather, make sure the unit is not operating in defrost mode.
- If the installation type is Simplified or Partially Dedicated, make sure that the furnace/air handler blower is operating at normal speed during the balancing sequence.
- When reading with a mechanical type manometer (Magnehelic), make sure the manometer is placed on a level surface
For optimal performance, ERV unit should be re-balanced after a major renovation or after the installation of extra grilles or registers.
- In cold climates, continuous excessive positive pressure inside the house may drive moisture inside the external walls of the house. Moisture present inside the external wall may condense if the outside temperature is cold enough and can cause damage to structural components. A symptom of excessive positive pressure inside a house is frozen door locks.
- Continuous excessive negative pressure can have undesirable effects. In some geographic locations, negative pressure can increase the infiltration of soil gases such as methane and radon. Negative pressure is also undesirable where combustion equipment is present and may cause back drafting of the combustion gases.
Measuring the airflow using station (grid) method

- Cut a hole in the duct and insert a flow measuring station. Make sure that the flow measuring station’s air direction arrow points in the direction of the airflow. Secure the flow measuring station with aluminum foil tape.
- Before taking the reading, make sure that the Magnehelic gauge is level and at 0. Refer to the flow measuring station’s chart to determine your unit’s airflow velocity.
- Adjust the “Supply Air Out” damper until you reach the desired velocity. Follow steps 1-3 to adjust the “Exhaust Air Out” damper, if needed.

- To avoid airflow turbulence and incorrect readings, the airflow velocity should be measured on a section of steel ducting. Reading should also be taken at a minimum distance of 457 mm (18″) from the unit or elbow. Measurement should also be made prior to any transition in the ductwork so entire airflow is measured.
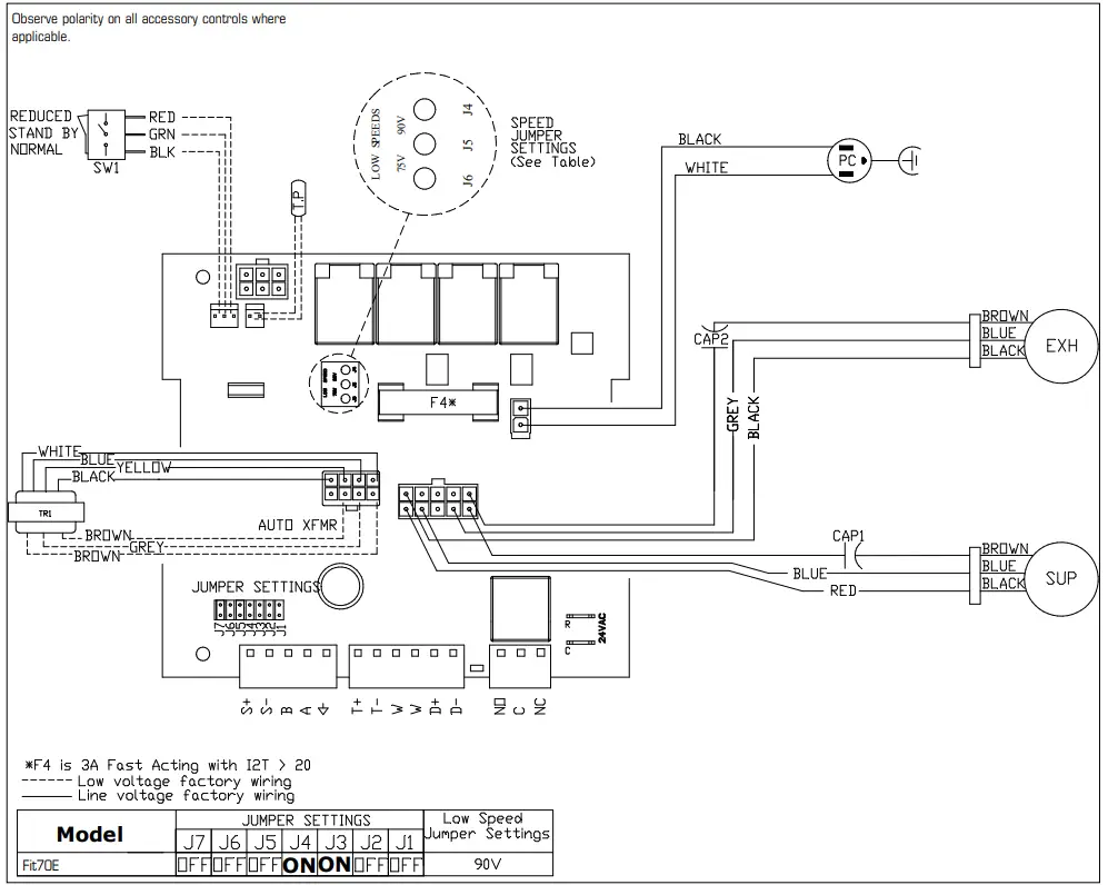
WALL CONTROLS
* Please see instruction manuals for individual controls for proper wiring and set up of control systems.
Ensure that unit is not plugged when connecting to the control- Recirculation mode is only available with the Flex100H ES, HERO series, and the models with the “R” suffix at the end of the model number.

The wiring connectors can be removed for easier connection.
CENTRAL CONTROLS
These cannot be used with another central control
*Maintain polarity between control and HRV (+ → + ; – → -)
| ECO SERIES* | FEATURES | CONNECT TO |
ECO-Touch®![]() | • Our most complete, yet easy-to-use control system • Sleek design with backlight touchscreen LCD • ECO mode selects the best operating mode and speed for the season, minimizing energy use associated with ventilation • Set preferred indoor relative humidity range and ventilation mode for day and night conditions • No battery to replace, all programmed settings are retained during power outages • Maintenance reminder indicator • Error code messages reduce troubleshooting time | ![]() |
ECO-Touch® IAQ![]() | • Integrated VOC Sensor • Our most complete, yet easy-to-use control system • Sleek design with backlight touchscreen LCD • ECO mode selects the best operating mode and speed for the season, minimizing energy use associated with ventilation • Set preferred indoor relative humidity range and ventilation mode for day and night conditions • No battery to replace, all programmed settings are retained during power outages • Maintenance reminder indicator • Error code messages reduce troubleshooting time | |
ECO-Feel™![]() | • ECO mode selects the best operating mode and speed for the season, minimizing energy use associated with ventilation • Integrated VOC Sensor • No battery to replace, all programmed settings are retained during power outages | |
EDF7![]() | • MODE button provides 3 modes of operations: Ventilation, Recirculation, and Standby • User selected fan speed: Reduced, Medium, Normal, and 20 minutes per hour • AUTO setting allows the homeowner to deactivate the dehumidistat • When the humidity exceeds the desired setpoint, the ventilation system operates at a normal speed • Once the desired humidity level is achieved, your ventilation system resumes to its previous mode of operation. | |
![]() | • Press the button once for continuous Reduced speed • Press the button twice and the unit will cycle 20 minutes ON/ 40 minutes OFF and repeat • EDF1 – Press the button a third time and the system will run continuously on HIGH speed • EDF1R – Press the button a third time and the system will run recirculation on HIGH speed | ![]() |
AUXILIARY CONTROL –These controls can be paired with central controls or combined together.
*Maintain polarity between control and HRV (+ → + ; – → -)
| RTS SERIES | FEATURES | CONNECTS TO |
![]() | • Wireless timer • Can only be paired with the ECO-Touch IAQ • 20/40/60 minute timer with LED light • Boosts system to high speed with the touch of a button • Up to 5 can be used in one system • Use in bathroom, kitchen, laundry room | Connects wirelessly to the![]() |
![]() | • 20- minute timer with LED light • Boosts system to high speed with the touch of a button • Up to 5 can be used in one system • Use in bathroom, kitchen, laundry room | ![]() |
![]() | • 20/40/60 minute timer with LED light • Boosts system to high speed with the touch of a button • Up to 5 can be used in one system • Use in bathroom, kitchen, laundry room |
| MDEH SERIES | FEATURES | CONNECT TO |
![]() | • Rotary dial Dehumidistat • Multiple units can be used • We recommend setting the relative humidity above 80% during the summer | ![]() |
Wiring diagram

WIRING DIAGRAM TO FURNACE
FOR A FURNACE CONNECTION TO A COOLING SYSTEM:
On some newer furnaces and older thermostats, energizing the R and G terminal at the furnace has the effect of energizing the Y at the thermostat and thereby turning on the cooling system. If you identify this type of the thermostat, you must use the “Alternate Furnace Interlock Wiring”

As per building codes and installation requirements for combustion appliances:
Air return ducts, or openings for air return, should not be placed in enclosed spaces containing combustion appliances that are subject to spillage.
Troubleshooting
| Problem | Causes | Solutions |
| Ar is too dry | Dehumchstat control is set too ON | Increase the desired level of humidity Change ventilation mode from anti our mode to standby. |
| ERV out of balance | Have contractor balance ERV sears | |
| At is too humid | Dehumidistat control is set too high | Reduce die the desired level of humidity. Combine this with the use of continuous exchange mode. |
| Sudden orange in temperature | Wert Ind outside temperature stabilizes Winter). Heating will also improve the situation. | |
| Storage too much wood for heating | Store a majority of your wood outside. Even tried, a cord of wood contains more than 20 gallons of water. | |
| Dryer vent exhaust is inside the home | Make are the dryer vent is exhausting outside. | |
| Poor air circulation rear windows | Open curtains or blinds. | |
| ERV out of balance | Have contractor balance ERV airflows | |
| Well sealed basement door is closed | Open the door or install a will on the door. | |
| Persistent condensation on windy/ | Improper adjustment of dehumichstat contra | Reduce the desired level of humidity. Combine this step with the use of continuous exchange mode. |
| ERV out of balance | Have contractor balsa ERV | |
| Poor air circulation rear windows | Open mortar or blinds. | |
| Poor At Flows | 114.16mml mesh on the outside hoods is plugged | Clean exterior hoods or vents |
| Filters plugged | Remove and clean the filter | |
| Core obstructed | Remove and clean CON | |
| Indoor wiles closed a blocked | Chock and open grilles | |
| Inadequate paver supply at the site | Have an electrician check simply voltage | |
| Ductwork is restricting airflow | Check duct installation | |
| Improper speed control setting | increase the axed of the ERV 6.e. DNA ut mod frcrnRECUCED to NORMAL %eat | |
| ERV air law improperly balanced | Have contractor balsa ERV airflows | |
| During has Wien Caw a been aspected tom ERV | Have contractor reconnect [FAIN | |
| Supply air feels cold | Poor location of stooy grilles, the Bear may estate the occupant | Locate the grilles NM on the walls a wider the baseboards, retail ceiling matted diffuser wiles so as not to drecdy spill the supply or on the occupant feg. Over a sofa) Turn down the ERV supply speed. A small duct heater Illiwil could be used to temper the supply air Placement of furniture a dosed doors is restricting the movement of Sr in the home |
| The outdoor temperature is extremely cold | If supply air dines into furnace return, the furnace fan may need to 0n continuously to distribute ventilation or comfortably | |
| ERV and/or Ducts hosting up | ERV air flows are improperly balanced | Have HVAC contractor Mace the ERV rows |
| Malfunction of the ERV defrost system | Note: minimal fret build-up is expected m cores before the unit initiates defrost cycle for | |
| Condensation he Builds Up I insulated pot to the Outside | Incomplete vapor barrier amid insulated duct | Tape end seal all joints |
| A hot a tear n outer duct cowering | Tape any holes or tears made in the outer duct covering Ensure that the van barrier is completely sealed. | |
| LED is flashing | Everything is in good operation | |
| No power is being transmitted to the Control Board | Make sure the unit is plugged in. | |
| The transformer may need replacing |
Filters and ERV core washing instructions
For proper maintenance of your energy recovery core please follow these instructions

- To remove the door, remove the locking screw and washer on the side of the unit.
- Remove both filters. Wash filters in warm soapy water then rinse and let dry.
- Rotate the metal plate holding the ERV core in place.
- Remove the core from the unit.
- With one of your core’s air inlets facing down, place it in a large sink, bathtub, or shower.
- Pour clean tap water through the face of the core facing upwards until it runs clear. Ensure the entire surface is rinsed.
- Rotate the core so that its other air inlet is facing down and repeat step 5.
- With plates still oriented vertically allow the core to dry, normally 2-3 hours.
- Slide back the core into the system making sure that the arrow points to the motors. Rotate the metal plate holding the ERV Core in place.
- Replace the filter.
- Close door and secure with locking screw and washer.
ERV maintenance chart
| Maintenance Required | I Recommended Frequency | Date Maintenance Performed | |||||
| Check and Clean Filters | • Every 3 months or if 4 dirty | ||||||
| Check Energy Recovery Core | Every 6 months | ||||||
| Check Drain Pan and Lines | Every 3 months | ||||||
| Vacuum the Inside of the Unit | Annually | ||||||
| Clean and Un-block Outside Hoods | Annually | ||||||
| Clean and Inspect Duct Work | Annually | ||||||
| General Servicing by a Qualified Contractor | Annually | ||||||
* Schedule may be altered to meet your own needs. More frequent servicing may be required depending on the severity of your home’s indoor and outdoor environments.
| Contractor | Telephone Number | Date Serviced |
Limited Warranty
- The Energy recovery Enthaply core has a limited 5-year warranty.
- The warranty is limited to 5 years on parts and 7 years on fans from the date of purchase, including parts replaced during this time period. If there is no proof of purchase available, the date associated with the serial number will be used for the beginning of the warranty period.
- The fans found in all Fantech FAAs require no lubrication and are factory balanced to prevent vibration and promote silent operation.
- The limited warranty covers normal use. It does not apply to any defects, malfunctions, or failures as a result of improper installation, abuse, mishandling, misapplication, fortuitous occurrence or any other circumstances outside Fantech’s control.
- Inappropriate installation or maintenance may result in the cancellation of the warranty.
- Any unauthorized work will result in the cancellation of the warranty.
- Fantech is not responsible for any incidental or consequential damages incurred in the use of the ventilation system.
- Fantech is not responsible for providing an authorized service center near the purchaser or in the general area.
- Fantech reserves the right to supply refurbished parts as replacements.
- Transportation, removal, and installation fees are the responsibility of the purchaser.
- The purchaser is responsible for adhering to all codes in effect in his area.
* This warranty is the exclusive and only warranty in effect relative to the ventilation system and all other warranties either expressed or implied are invalid.
Item #: 445421
Rev Date: 2022-03-29
No. d’article #: 445421 Date
de révision: 2022-03-29































