Fantech 463913 Fresh Air Appliance (FAA)
PARTS IN THE BOX
- Fresh Air Appliance, 1 pc
- Hanging Chain Kit, 1 pc
- Hardware Kit, 1 pc
- Drain Hose Kit, 1 pc
- Operation and Installation Manual, 1 pc
Your ventilation system should be installed in conformance with the appropriate provincial requirements or, in the absence of such requirements, with the current edition of the National Building Code, and / or ASHRAE’s “Good Engineering Practices”.
Customer Service
United States
10048 Industrial Blvd., Lenexa, KS, 66215
Tel.: 800.747.1762 • Fax: 800.487.9915
Canada
50 Kanalflakt Way, Bouctouche, NB, E4S 3M5
Tel.: 800.565.3548 • Fax: 877.747.8116
Fantech reserves the right to modify, at any time and without notice, any or all of its products’ features, designs, components and specifications to maintain their technological leadership position.
Please visit our website www.fantech.net for more detailed technical information.
SAFETY SYMBOLS

PLEASE READ AND SAVE THESE INSTRUCTIONS
Before installation careful consideration must be given to how this system will operate if connected to any other piece of mechanical equipment, i.e. a forced air furnace or air handler operating at a higher static pressure. After installation, the compatibility of the two pieces of equipment must be confirmed by measuring the airflow of the Fresh Air Applliance using the balancing procedure found in this manual.
It is always important to assess how the operation of any FAA may interact with vented combustion equipment (i.e. Gas Furnaces, Oil Furnaces, Wood Stoves, etc.)
Products are designed and manufactured to provide reliable performance, but they are not guaranteed to be 100% free of defects. Even reliable products will experience occasional failures, and this possibility should be recognized by the user. If these products are used in a life support ventilation system where failure could result in loss or injury, the user should provide adequate back-up ventilation, supplementary natural ventilation or failure alarm system, or acknowledge willingness to accept the risk of such loss or injury.
Your ventilation system should be installed in accordance with the local building code that is in effect, in absence of such requirements, it is recommenced to check with local authorities having jurisdiction in your area prior to installing this product.
DETERMINING YOUR AIRFLOW REQUIREMENT
Room Count Method
| Room classification | Number of rooms | CFM (L/s) | CFM Required |
| Master bedroom | x 10 L/s (20 CFM) | = | |
| Basement | yes or no | if yes add 10 L/s (20 CFM) if no = 0 | = |
| Bedrooms | x 5 L/s (10 CFM) | = | |
| Living room | x 5 L/s (10 CFM) | = | |
| Others | x 5 L/s (10 CFM) | = | |
| Kitchen | x 5 L/s (10 CFM) | = | |
| Bathroom | x 5 L/s (10 CFM) | = | |
| Laundry room | x 5 L/s (10 CFM) | = | |
| Utility room | x 5 L/s (10 CFM) | = |
Total Ventilation Requirements (add last column ) =
- 1 CFM = 0.47 L/s
- 1 L/s = 2.13 CFM
ASHRAE method
Ventilation Air requirements
| Floor area | Bedrooms | ||||||||||||||
| 1 | 2 | 3 | 4 | 5 | |||||||||||
| Ft2 | m2 | CFM | L/s | CFM | L/s | CFM | L/s | CFM | L/s | CFM | L/s | ||||
| <500 | <47 | 30 | 128 | 38 | 18 | 45 | 21 | 53 | 25 | 60 | 28 | ||||
| 501-1000 | 47-93 | 45 | 21 | 53 | 24 | 60 | 28 | 68 | 31 | 75 | 35 | ||||
| 1001-1500 | 94-139 | 60 | 28 | 68 | 31 | 75 | 35 | 83 | 38 | 90 | 42 | ||||
| 1501-2000 | 140-186 | 75 | 35 | 83 | 38 | 90 | 42 | 98 | 45 | 105 | 49 | ||||
| 2001-2500 | 187-232 | 90 | 42 | 98 | 45 | 105 | 49 | 113 | 52 | 120 | 56 | ||||
| 2501-3000 | 233-279 | 105 | 49 | 113 | 52 | 120 | 56 | 128 | 59 | 135 | 63 | ||||
| 3001-3500 | 280-325 | 120 | 56 | 128 | 59 | 135 | 63 | 143 | 66 | 150 | 70 | ||||
| 3501-4000 | 326-372 | 135 | 63 | 143 | 66 | 150 | 70 | 158 | 73 | 165 | 77 | ||||
| 4001-4500 | 373-418 | 150 | 70 | 158 | 73 | 165 | 77 | 173 | 80 | 180 | 84 | ||||
| 4501-5000 | 419-465 | 165 | 77 | 173 | 80 | 180 | 84 | 188 | 87 | 195 | 91 | ||||
* ASHRAE 62.2-2016 Table 4.1, Ventilation and Acceptable Indoor Air Quality in Low-Rise Residential Buildings.
Bathroom: If the FAA is going to provide the required local exhaust ventilation for each bathroom with each a continuous 20 CFM (10 L/s), this ventilation rate can be considered as part of the whole-building ventilation rate.
INSTALLATION EXAMPLES
The way your heat/energy-recovery ventilator is installed can make a significant difference to the electrical energy you use. To minimize the electricity use of the heat/energy-recovery ventilator, a stand-alone fully ducted installation is recommended. If you choose a simplified installation that operates your furnace air handler for room-to-room ventilation, an electrically efficient furnace that has an electronically commutated (EC) variable speed blower motor will minimize your electrical energy consumption and operating cost.
Example only – duct configuration may differ depending on the model
Suggested installation for:
- Hydronic baseboard
- Infloor heating
- Electric baseboard
- Mini split heat pump
Benefits: Provides the best fresh air distribution in the house; lowest operation cost since the furnace/air handler unit is not needed.
FULLY DEDICATED SYSTEM BEST FOR NEW CONSTRUCTION
- Stale air is drawn from key areas of the home requiring local exhaust (bathroom, kitchen, laundry room).
- Fresh air is distributed directly to habitable rooms in the house (bedrooms, living room)
- The FAA’s airflow must be balanced after installation using the procedure found in the section “AIRFLOW
FAA ducting for fully Dedicated System

* Unit air flow should be balanced while FAA is on “Normal” speed and furnace blower is running.
DIRECT CONNECTION of the FRESH air to living area to the RETURN PLENUM of the AIR HANDLER (Stale air drawn from key areas of home)
Suggested installation for:
- Central furnace (air handling unit or central air conditioners)
- When ducting fresh air to living area is not possible or practical, i.e. expensive or when the central AHU will operate year-round.
Benefits: Conditions the fresh air prior to distributing it throughout the house
PARTIALLY DEDICATED SYSTEM (BETTER)
- In order to provide proper distribution of the fresh air, it is recommended that the furnace blower be set to run continuously or interconnected with FAA. See furnace electrical connection on page 16.
- Stale air is drawn from key areas of the home (bathroom, kitchen, laundry room).
- Fresh air is supplied to the return air plenum of the furnace.
- Due to the difference in pressure between the FAA and the equipment it is being connected to the FAA’s airflow must be balanced on site, using the procedure found in the section “AIRFLOW BALANCING”
* In the case of a multi-zone system, please contact Fantech customer service prior to installing any installation type requiring the use of the furnace interlock”
Make sure the FAA is capable of meeting the required airflow rate.
FAA/Furnace ducting for Partially Dedicated System


Fantech fresh air applicance (FAA or HRV/ERV) that use a supply fan shutdown for frost prevention do not include an outdoor air motorized damper. If you are using a simplified installation, i.e. connecting the FAA supply air duct to a furnace’s return air duct, the FAA must operate continuously. When the FAA is turned off, no warm exhaust air will flow through the FAA but the furnace’s fan will continue to draw in outdoor air directly into the furnace. If it’s cold outside, cold air will be introduced, without re-heating, directly into the furnace.
If the FAA is installed such that the homeowner may turn off the FAA during the winter, we recommend installing a motorized damper between the FAA’s supply air and the furnace’s return air duct that closes when the FAA is not operating. See wiring diagram (figure 1).
You may also choose to use a Fantech FAA that uses a recirculation defrost that incorporates an outdoor air damper
DIRECT CONNECTION of both the FAA SUPPLY AIR STREAM and EXHAUST AIR STREAM to the FURNACE COLD AIR RETURN
Suggested installation for:
- When bathroom and kitchen already have local exhaust system
- May be suitable for retrofitting
Benefits: Least expensive installation type
SIMPLIFIED INSTALLATION
(GOOD)
(RETURN/RETURN METHOD)
- Furnace blower must operate when ventilation from FAA is required. The furnace should be set to run continuously or interlocked with FAA. See furnace electrical connection on page 16.
- A minimum separation of 1m (39’’) is recommended between the two direct connections.
- In order to prevent exhausting any fresh air, the FAA’s exhaust air connection should be upstream of the FAA’s supply air connection when ducting to the furnace’s cold air return.
- Due to the difference in pressure between the FAA and the equipment it is being connected to the FAA’s airflow must be balanced on site, using the procedure found in the section “AIRFLOW BALANCING”
* In the case of a multi-zone system, please contact Fantech customer service prior to installing any installation type requiring the use of the furnace interlock”
FAA/Furnace ducting for Simplified Installation – Option 1


Fantech fresh air appliances (FAA) that use a supply fan shutdown for frost prevention do not include an outdoor air motorized damper. If you are using a simplified installation, i.e. connecting the FAA supply air duct to a furnace’s return air duct, the FAA must operate continuously. When the FAA is turned off, no warm exhaust air will flow through the FAA but the furnace’s fan will continue to draw in outdoor air directly into the furnace. If it’s cold outside, cold air will be introduced, without re-heating, directly into the furnace.
If the FAA is installed such that the homeowner may turn off the FAA during the winter, we recommend installing a motorized damper between the FAA’s supply air and the furnace’s return air duct that closes when the FAA is not operating. See wiring diagram (figure 1).
You may also choose to use a Fantech FAA that uses a recirculation defrost that incorporates an outdoor air damper.
EXTERIOR DUCTING INSTALLATION
WEATHERHOOD LOCATION
- Decide where your intake and exhaust hoods will be located.
Locating the Intake Weatherhood
- Should be located upstream (if there are prevailing winds) from the exhaust outlet.
- At a minimum distance to 900 mm (3′) away from dryer vents and furnace exhaust (medium or high efficiency furnaces), driveways, oil fill pipes, gas meters, or garbage containers.
- At a minimum height of 460mm (18’’) above the ground, or above the level of expected snow accumulation.
- Ideally, keep weatherhoods 1m (3′) from corners.
- Do not locate in the garage, attic, crawl space, or underneath deck
REQUIRES A WEATHERHOOD WITH A BACKDRAFT DAMPER ON THE EXHAUST SIDE.
Locating the Exhaust Weatherhood
- At least 460mm (18″) above ground or above the depth of expected snow accumulation
- Ideally, keep weatherhoods 1m (3′) from corners.
- Not near a gas meter, electric meter or a walkway where fog or ice could create a hazard
- Do not locate in a garage, workshop or other unheated space
INSTALLING THE DUCTING TO THE WEATHERHOODS
A well designed and installed ducting system will allow the FAA to operate at its maximum efficiency. The inner liner of the flexible insulated duct must be secured to the sleeve of the weatherhood (as close to the outside as possible) and to the appropriate duct connection on the FAA. The insulation should remain full and not crushed. The outer liner, which acts as a vapor barrier, must be completely sealed to the outer wall and the FAA using tape and/or caulking. A good bead of high quality caulking (preferably acoustical sealant) will seal the inner flexible duct to both the FAA duct connection and the
weatherhood prior to securing them.
To minimize airflow restriction, the flexible insulated duct that connects the two outside weatherhoods to the FAA should be stretched tightly and be as short as possible.
Twisting or folding the duct will severely restrict airflow.
See “Installation Diagram Examples” for installation examples.
STEPS FOR HOOD INSTALLATION:
- Using the duct connection of the outside hood, outline the intake & exhaust holes to be cut. The holes should be slightly larger than the duct connection to allow for the thickness of the insulated flexible duct. Cut a hole for both the intake and exhaust hoods.

- Pull the insulated flexible duct through the opening until it is well extended and straight.
Slide the duct’s inner vinyl sleeve over the hood duct connection and secure. Pull the insulation over the duct and pull the vapor barrier over the sleeve. Secure with appropriate tape or sealant.
- Push the hood into the opening and then attach the hood to the outside wall with mounting screws.
Repeat the installation procedure for both the supply and exhaust hoods.
- Using a caulking gun, seal around both hoods to prevent any leaks.

INTERIOR DUCTING INSTALLATION
- To maximize airflow through the ductwork system, all ducts should be kept short and have as few bends or elbows as possible.
- 45º elbows are preferable to 90º.
- Use “Y“ ducts instead of “T” ducts whenever possible.
- All duct joints must be fastened with screws or duct sealant and wrapped with aluminum foil duct tape to prevent leakage.
- Galvanized ducting from the FAA to the living areas in the house is recommended whenever possible, although flexible ducting can be used in moderation when necessary.
- To avoid possible noise transfer through the ductwork system, a short length (approximately 300 mm, 12’’) of nonmetallic flexible insulated duct should be connected between the FAA and the supply/exhaust ductwork system.
- The main supply and return line to/from the FAA must have the same diameter as the duct connection or larger.
- Branch lines to the individual rooms may be as small as 100 mm (4’’).
Installing ducting to FAA
Warning: Always fix and secure the 6″ collars with the screws supplied. Avoiding this critical step the unit will accumulate condensation.
Tip to Installer: To ensure a better installation and to avoid an undesired bend in the duct, align the duct with the collar before securing over the four hooks.
The fresh air from outside and the Exhaust air to outside from the termination ducts to the FAA must be fully insulated of thermal insulation ducts to minimize heat loss and gain. All tapes, mastics, and nonmetallic clamps used for field installation of flexible ducts shall be listed and labeled to Standard UL 181B – Closure Systems for Use With Flexible Air Ducts and Air Connectors.
Air Connector A category of flexible duct not meeting the requirements of an Air Duct per UL 181 Standard (not tested for flame penetration, puncture and impact) and having limitations on use, length and location as defined by NFPA 90A and 90B. Air Connectors are identified by a “round shape” listing label of the listing agency.
Air Duct A category of flexible duct tested and classified as to the Surface Burning Characteristics in accordance with the UL 181 Standard. Air Ducts are identified by a “rectangular shape” listing label of the listing agency.
To ensure quiet operation of ENERGY STAR qualified FAA, each product should be installed using sound attenuation techniques appropriate for the installation. Once insulated flex is attached to the collar, slide collar in keeper section, fixed collar to the unit with four screws supplied in installation kit to insure a proper seal.

Warning: To reduce air leakage in the final installation always seal the joint between all collars and keepers with aluminum tape or mastic.
Supply air grilles location
In homes without a forced air furnace, fresh air should be supplied to all habitable rooms, including bedrooms and living areas. It should be supplied from high wall or ceiling locations. Grilles that diffuse the air comfortably are recommended. In homes with a forced air furnace, you may want to connect the FAA to the furnace ductwork (see information below).
Exhaust air grilles location
The stale air exhaust system is used to draw air from the points in the house where the worst air quality problems occur. It is recommended that return air ducts be installed in the bathroom, kitchen, and laundry room. Additional return air ducts from strategic locations may be installed. The furnace return duct may also be used to exhaust from. In this method, the exhaust air is not ducted back from bathrooms, kitchens, etc to the HRV with “dedicated lines”.
As per building codes and installation requirements for combustion appliances:
Air return ducts, or openings for air return, should not be placed in enclosed spaces containing combustion appliances that are subject to spillage.
FAA INSTALLATION
LOCATION
The FAA must be located in a conditioned space where it will be possible to conveniently service the unit. Typically the FAA would be located in the mechanical room or an area close to the outside wall where the weatherhoods will be mounted. If a basement area is not convenient or does not exist, a utility room may be used.
Have a nearby power supply (120 volts, 60Hz)- Choose a location which allows the possibility of mounting the unit to supporting beams.
- The unit should be level in order to allow proper condensate drainage
- To minimize noise, do not install unit in living area
- Ensure proper drainage
Attic installation must meet the following conditions:
- Attic temperature must be above freezing conditions at all times and for best performance should be 12°C (54 °F).
- The condensate drain (if included) must be installed so that the condensate drains and is protected from freezing.
- The attic is easily accessible for equipment maintenance and inspection.
Connecting appliances to the FAA is not recommended. These include:
- Clothes dryer
- Range top
- Stovetop fan
- Central vacuum system
- Bathroom exhaust fans unless they are specifically designed for this purpose
These appliances may cause lint, dust or grease to collect in the FAA, damaging the unit
Connecting any of these types of appliances to the FAA will void your warranty.
Mounting- Chain mount
- Place fastening hooks on the strapping board or the floor joists.

- Take flat screwdriver and slightly pull on punched out tab. Put chain link under hook.

- Hang the unit by slipping a link onto the hanging hooks, making sure the unit is level.

- Install a spring on each chain. Hook the spring in the links so a loop is created in the chain. The spring will then support the unit’s weight and absorb vibrations.

INSTALLING DRAIN LINE
Insert the threaded drain adapter thru the bottom of the FAA and hand tighten the plastic nut, and with a wrench tighten the nut another half turn to assure a better seal.
Install the condensate line (included in drain kit). Insert condensate tubing by pushing clear plastic line over drain adapter. Make condensate trap by looping the clear plastic tubing. This procedure is to avoid foul odor to enter the FAA.
The drain nipple is placed upside down in the unit to prevent it being damaged during shipping or the installation of the unit.
- Make a loop in condensate line, not be subject to freezing temperatures.

- Use a condensate pump if you don’t have access to a drain.

If outdoor air temperature is above 32°F (0°C) at the extract air (30% RH/72°F, 30% RH /22°C), no drain line installation is required.
If this is the case keep the drain spout as shipped from factory with the cap.
The Switch on the electrical box is used to toggle between STANDBY, REDUCED speed and NORMAL speed modes.
Place the unit in NORMAL speed to perform the balancing.
Airflow balancing
Balancing must be completed using the Fantech ECO-Touch® Programmable Touch Screen Wall Control
ENTERING BALANCING MODE
In the options menu during the initial 5 second countdown sequence, long press on “ECO” area for 5 seconds to enter basic balancing mode. The supply and exhaust fans are adjusted on high speed only and the offsets are proportionally applied to the medium and low speed automatically.
STAGE 1 (ADJUST LEVEL OF EXHAUST FAN IN HIGH SPEED):
- In this step, balance exhaust fan and measure airflow on the exhaust air side
- Pressing on “up” or “down” will adjust the fan speed in increments of 1%.
- Once the desired exhaust airflow is reached, press on “next” and move on to the next stage.


STAGE 2 (BALANCE SUPPLY FAN ONLY IN HIGH SPEED):
- In this step, balance supply fan and measure airflow on the supply air side
- Pressing on “up” or “down” will adjust the fan speed in increments of 1%.
- Once happy with the outcome, press on “next” to complete balancing
- The supply and exhaust offset values will be proportionally applied to low and medium speed as well.


WALL CONTROLS
* Please see instruction manuals for individual controls for proper wiring and set up of control systems.
Installation of a user-accessible control with your product model will improve comfort and may significantly reduce the product model’s energy use
Ensure that unit is not plugged when connecting the control- Recirculation mode is only available with the Flex100H ES, HERO series and the models with the “R” suffix at the end of the model number
The wiring connectors can be removed for easier connection.
CENTRAL CONTROLS
These cannot be used with another central control
*Maintain polarity between control and FAA (+ → + ; – → -)
| ECO SERIES* | FEATURES | CONNECT TO |
ECO-Touch®![]() |
| ![]() |
ECO-TouchIAQ![]() |
| |
ECO-Feel![]() |
|
| EDF SERIES | FEATURES | CONNECTS TO |
EDF7![]() |
| ![]() |
EDF1![]() |
|
AUXILIARY CONTROL –These controls can be paired with central controls or combined together.
*Maintain polarity between control and FAA (+ → + ; – → -)
| RTS SERIES | FEATURES | CONNECTS TO |
![]() |
| Connects wireleslly to the![]() |
RTS2*![]() |
| ![]() |
RTS5*![]() |
|
| MDEH SERIES | FEATURES | CONNECT TO |
MDEH1![]() |
| ![]() |
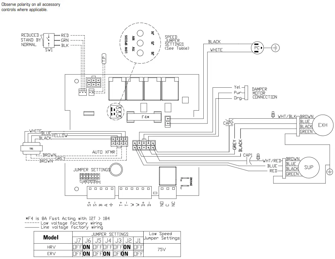
WIRING DIAGRAM – ATMO PRODUCT LINE
Observe polarity on all accessory controls where applicable.
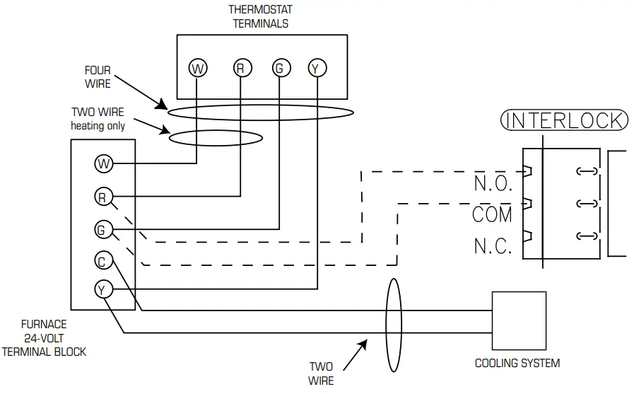
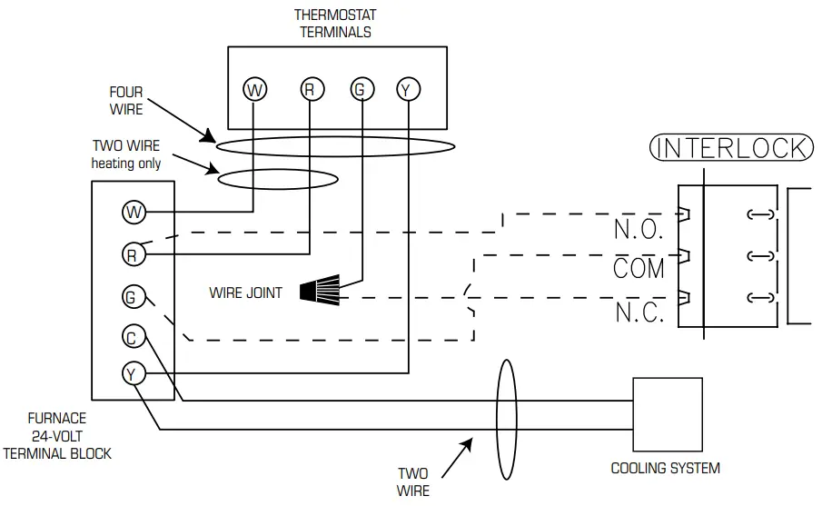
WIRING DIAGRAM TO FURNACE
FOR A FURNACE CONNECTION TO A COOLING SYSTEM:
On some newer furnaces and older thermostats, energizing the R and G terminal at the furnace has the effect of energizing the Y at the thermostat and thereby turning on the cooling system. If you identify this type of thermostat, you must use the “Alternate Furnace Interlock Wiring
Standard Accessory Control Contact
Alternate Furnace Interlock Wiring
As per building codes and installation requirements for combustion appliances:
Air return ducts, or openings for air return, should not be placed in enclosed spaces containing combustion appliances that are subject to spillage.
| Problem | Causes | Solutions |
| Air is too dry | Dehumidistat control is set too low | Increase the desired level of humidity. Change ventilation mode from continuous mode to standby. |
| FAA out of balance | Have contractor balance FAA airflows | |
| Air is too humid | Dehumidistat control is set too high | Reduce the desired level of humidity. Combine this with the use of continuous exchange mode. |
| Sudden change in temperature | Wait until outside temperature stabilizes (winter). Heating will also improve situation. | |
| Storing too much wood for heating | Store a majority of your wood outside. Even dried, a cord of wood contains more than 20 gallons of water. | |
| Dryer vent exhaust is inside home | Make sure the dryer vent is exhausting outside. | |
| Poor air circulation near windows | Open curtains or blinds. | |
| FAA out of balance | Have contractor balance FAA airflows | |
| Well sealed basement door is closed | Open the door or install a grill on the door. | |
| Failed damper system may be stuck in recirculation mode | Check defrost damper. If damper is always blocking incoming fresh air, have contractor verify damper system. | |
| Persistent condensation on window | Improper adjustment of dehumidistat control | Reduce the desired level of humidity. Combine this step with use of continuous exchange mode. |
| FAA out of balance | Have contractor balance FAA | |
| Poor air circulation near windows | Open curtains or blinds. | |
| Poor Air Flows | 1/4″ (6mm) mesh on the outside hoods is plugged | Clean exterior hoods or vents |
| Filters plugged | Remove and clean filter | |
| Core obstructed | Remove and clean core | |
| Indoor grilles closed or blocked | Check and open grilles | |
| Inadequate power supply at site | Have electrician check supply voltage | |
| Ductwork is restricting airflow | Check duct installation | |
| Improper speed control setting | Increase the speed of the FAA (i.e. change unit control from REDUCED to NORMAL speed) | |
| FAA airflow improperly balanced | Have contractor balance FAA airflows | |
| Ducting has fallen down or been disconnected from FAA | Have contractor reconnect ducting | |
| Supply air feels cold | Poor location of supply grilles, the airflow may irritate the occupant | Locate the grilles high on the walls or under the baseboards, install ceiling mounted diffuser or grilles so as not to directly spill the supply air on the occupant (eg. Over a sofa) Turn down the FAA supply speed. A small duct heater (1kw) could be used to temper the supply air Placement of furniture or closed doors is restricting the movement of air in the home |
| Outdoor temperature extremely cold | If supply air is ducted into furnace return, the furnace fan may need to run continuously to distribute ventilation air comfortably | |
| FAA and/or Ducts frosting up | FAA air flows are improperly balanced | Have HVAC contractor balance the FAA airflows |
| Malfunction of the FAA defrost system | Note: minimal frost build-up is expected on the core before unit initiates defrost cycle functions | |
| Condensation or Ice Build Up in Insulated Duct to the Outside | Incomplete vapor barrier around insulated duct | Tape and seal all joints |
| A hole or tear in outer duct covering | Tape any holes or tears made in the outer duct covering Ensure that the vapor barrier is completely sealed. | |
| LED is flashing LED is not flashing | Everything is in good operations | |
| No Power is being transmitted to the Control Board | Make sure unit is plugged. Transformer may need replacing. |
Note: It is best to get the unit checked by a certified HVAC Contractor/Technician.
FAA MAINTENANCE CHART
| Maintenance Required | Recommended Frequency | Date | Maintenance | Performed | |||
| Check and Clean Filters | Every 3 months or if dirty | ||||||
| Check Heat Recovery Core | Every 6 months | ||||||
| Check Drain Pan and Lines | Every 3 months | ||||||
| Vacuum the Inside of the Unit | Annually | ||||||
| Clean and Un-block Outside Hoods | Annually | ||||||
| Clean and Inspect Duct Work | Annually | ||||||
| General Servicing by a Qualified Contractor | Annually | ||||||
* Schedule may be altered to meet your own needs. More frequent servicing may be required depending on the severity of your home’s indoor and outdoor environments.
| Contractor | Telephone Number | Date Serviced |
Limited Warranty
- The Heat recovery aluminum core has a Limited Lifetime Warranty.
- The warranty is limited to 5 years on parts and 7 years on fans from the date of purchase, including parts replaced during this time period. If there is no proof of purchase available, the date associated with the serial number will be used for the beginning of the warranty period.
- The fans found in all Fantech FAAs require no lubrication, and are factory balanced to prevent vibration and promote silent operation.
- The limited warranty covers normal use. It does not apply to any defects, malfunctions or failures as a result of improper installation, abuse, mishandling, misapplication, fortuitous occurrence or any other circumstances outside Fantech’s control.
- Inappropriate installation or maintenance may result in the cancellation of the warranty.
- Any unauthorized work will result in the cancellation of the warranty.
- Fantech is not responsible for any incidental or consequential damages incurred in the use of the ventilation system.
- Fantech is not responsible for providing an authorized service centre near the purchaser or in the general area.
- Fantech reserves the right to supply refurbished parts as replacements.
- Transportation, removal and installation fees are the responsibility of the purchaser.
- The purchaser is responsible to adhering to all codes in effect in his area.
* This warranty is the exclusive and only warranty in effect relative to the ventilation system and all other warranties either expressed or implied are invalid.
SERVICE MANUAL

| BOM # | Description | ATMO 150H (463888) | ATMO 200H (463889) | ATMO 150E (463890) | ATMO 200E (463891) |
| 1 | Motor | 428515 | 428515 | 428515 | 428515 |
| 2 | MERV3, Electrostatic Filter Kit | 463939 | 463940 | 463939 | 463940 |
| 3 | Heat or Energy Exchanger Cell | 463098 | 463097 | 463937 | 463938 |
| 4 | Capacitor 6uF | 411222 | 411222 | 411222 | 411222 |
| 5 | PC Board | 428252 | 428252 | 428252 | 428252 |
| 6 | Speed Switch | 410213 | 410213 | 410213 | 410213 |
| 7 | Transformer | 411963 | 411963 | 411963 | 411963 |
| 8 | Drain Fitting Kit | 463088 | 463088 | 463088 | 463088 |
| 9 | 6” Dia. Plastic Collar | 463102 | 463102 | 463102 | 463102 |
| 10 | 6” Dia. Plastic Keeper | 463103 | 463103 | 463103 | 463103 |
| 11 | Door Kit, ATMO Series | 463941 | 463948 | 463948 | 463948 |
| Fuse, 8A, 250 VAC 3AB 3AG | 414736 | 414736 | 414736 | 414736 | |
| Temp Probe | 461102 | 461102 | 461102 | 461102 | |
| Kit, Chain | 404261 | 404261 | 404261 | 404261 | |
| Kit, Wall Bracket | 463942 | 463942 | 463942 | 463942 | |
| Wiring Diagram | 463927 | 463927 | 463927 | 463927 | |
| Installation Manual | 463913 | 463913 | 463913 | 463913 | |
| Filter MERV 8 (Pack of 2) | 463943 | 463945 | 463943 | 463945 | |
| Filter MERV 13 (Pack of 2) | 463944 | 463946 | 463944 | 463946 | |
| Kit, AUX. 24V Damper | 463947 | 463947 | 463947 | 463947 |
















































