
AH2-CF-1900
Air Handler 2 – Cabinet Fan
Installation and Operation Manual
Thank you for your purchase!
SAFETY INFORMATION
Some of the principles of this product’s safe installation and operation are not immediately obvious. Read the following safety information before continuing further:
- This fan is meant for general ventilation. It has NOT been designed to ventilate particle laden and/or explosive mixtures of air.
- This fan is not for use in kitchens.
- Never force open the damper door(s), this could severely damage the actuator (If Purchased).
Always depress the actuator’s yellow clutch release before manually opening or closing the damper door(s). - Before installing or servicing this fan, switch power off at the home’s electrical panel to reduce the risk of damaging circuit boards, fire, electrical shock, or injury.
SUPPLIES INCLUDED
Prior to beginning installation, please verify all of the following items were received:
- Cabinet Fan Assembly, check, note serial. (see Specifications for identification of the main parts)
- Digital Touch Controller package—including one Digital Touch controller, one wall mounting bracket, mounting screws and 30 feet of red shielded CAT5 cable.
Once all received parts are verified, perform an operational test BEFORE installing it in the attic. See “Installing the Controller” and “Start-up and Operation” for connections to be made. This is a good time to write down the serial number(s) on this IOM, which will save you a trip to the attic if you require Tech Support.
REQUIRED TOOL & SUPPLIES NOT INCLUDED
In addition to the included items listed above, the following tools and supplies are required to install the Cabinet Fan:
- Safety Glasses, Gloves
- Receptacle tester
- At least 8 wood screws (1½” min. length) and washers sized to fit. (to hang the Fan)
- Cordless screwdriver with Phillips head and miscellaneous drill bits
- High quality caulk and Butyl Tape to seal all duct to fan, duct to duct connections.
- Fishing tape or similar tool (to pull control cable through the wall)
ELECTRICAL REQUIREMENTS
The AH2-CF model Cabinet Fan requires a 120 volt, Single Phase, 60 Hz, 15A uninterrupted power supply.
These specifications must be taken into account when allocating power from existing circuits. We strongly recommend providing a dedicated circuit. All wiring and connections must be made according to this manual and acceptable wiring standards. All local codes must be followed. Consult an electrician if necessary.
This Circuit MUST be Ground Tested. This can be done easily using a receptacle tester available at most hardware stores. This fan has a factory-installed, 20 ft. power cord. Consider this length when choosing a location for this fan. Depending on the location of existing outlets in the attic, the installation of an additional outlet may be required. NOTE: if a GFCI is used it MUST be a Motor Rated GFC.
SYSTEM INSTALL GUIDE
The AirScape Cabinet Fan is going to be, placed in a mechanical room or a crawl space or the attic, residing in an area not easily accessed. It is wise to “plan” and document your Fan Installation.
If you have purchased additional modules with your Cabinet Fan, they will arrive attached to each other on a palette. We advise creating a system assembly drawing documenting your actual installation after you planned out the installation space chosen on the same document.
Pay particular attention to fitting the entire Air Handler it’s ducting, wiring and mounting in an as accessable way as possible. Determine where there is an existing power socket within reach of the fan’s 20 foot power cord is there enough clearance for the fan to exhaust properly. It would be great if you did not need an electrician to install Your Fan. (All dimension can be taken from the units as shipped to you, or see Specifications)
Determine where there is space to access the fan or filter modules leaving enough room to service and change filters (if you purchased that). All these decisions in your installation will influence the installation cost. Make sure the Air Handler 2 and duct work FIT in the space you selected. You may want to connect to an existing duct system. Think routing and parts and sizes. You may want to pay attention to the aesthetics and reach of the 30 feet red control cable of the Digital Touch Controller.
All Air Handler 2 modules come with corner mounting screws which will facilitate secureing the entire unit in multiple places. We strongly urge you to use butyl tape on all unit to duct connections to properly seal these connections.
NOTE: DO NOT INSTALL THE DTC CONTROLLER NEXT TO HOME AUTOMATION DEVICES (nest etc.)!
IF YOU PURCHASED A REMOTE MAKE SURE YOU MOUNT THE RECEIVER!
INSTALLATION OF THE DUCTS
The Cabinet Fan as shown here comes without duct adapters on the inllet and exhaust of the fan.
These can be purchased, please call us 1.866.448.4187 for your custom size.
INSTALLATION OF WIRING AND CONTROL
The Digital Touch Controller provided with this fan is necessary for operating it, and must be connected to it regardless of whether the controller will be installed in a wall.
This fan will not function if not connected to a digital touch controller!
First, locate the desired location for the Digital Touch controller.
Install the mounting bracket according to figures A–C below.
Return to the attic and connect the red CAT5 cable to the RJ45 port on the control box labeled W/S (red).
Run this cable from the control box to the location of the controller. NOTE: this is a low-voltage cable, DO
NOT RUN IT PARALLEL TO HIGH-VOLTAGE WIRING; building codes generally require low-voltage cable to be run through shielded conduit.
NOTE: Carefully unwind and run the CAT5 Cable down the wall, AVOID kinks as this can damage the Cable conductors!
Connect the CAT5 cable to the RJ45 port on the back of the Digital Touch controller. Mount the controller to the mounting bracket with the provided white screws, DO NOT over-tighten (figure D).

All wiring connections to the fan assembly are made at the fan-mounted electrical box.
These are a 20 ft, black, factory-installed power cord, a 10 foot actuator power harness and three RJ45 (“Ethernet”) ports for connecting the fan controls and accessories (see below) Color Match Cable and Jack Identification
Note: The “WEB” port is not available yet but can be upgraded at a later time.
PURCHASE OPTIONS
A wireless remote is an available accessory option for this fan. The wireless remote is NOT included as part of this fan’s standard control package. The yellow manual included with these accessories provides specific instructions for the installation and operation of the remote. If purchased, the wireless remote receiver is connected to the fan-mounted electrical box at the blue RMT RJ45 port. (see above) A Web Node is another option not included in the standard WHF package. This will allow you to control your fan using your mobile phone or tablet or home automation device through a web page or an app. The Web Node comes with a white cable and connects the Web Node to the WEB port. (see above) The yellow manual included with these accessories provides specific instructions for the installation and operation of the Web Node. Note: The “WEB” port is not available yet but can be upgraded at a later time.
Furthermore several modules are available, specifically designed for the Air Handler 2 Series Cabinet Fan (call for details 1.866.448.4187 ):
- a V-Bank Filter Box Module (AH2-FB)
- an Air Inlet Selector (AH2-AIS)
- a Hot Water Coil Box (AH2-CB)
- Air Handler Duct Adapters for Intake and Exhaust
START-UP AND OPERATION
Before starting this Fan for the first time, verify that:
- All wiring and connections have been made according to this manual and acceptable wiring standards, and that this manual and all local codes and standards have been followed in this fan’s installation.
- No tools or construction debris have been left in, on, or around the fan.
- The fan’s power cord has been plugged into a ground tested, 120-volt outlet with uninterrupted power.
When running this fan for the first time, make sure to observe it turning on, running at all of its speed settings, and turning off. Observe it with the access panel open (to observe the fan itself) and observe its damper door(s) (if purchased), also verify Timer works at 1 Hour Setting.
As shown, there are four buttons on your fan’s control interface:
The AirScape WHF has ten speed settings. Turn on the Fan by touching FAN UP or TIMER UP. Its door(s) will open and there will be a 10 second delay before the fan begins to operate (PAL’s / Lift-Lock Only). The fan will start at minimum speed. Green LED’s will illuminate to indicate the speed setting.
Note: there is no delay on a unit with gravity doors.
If the Fan was turned on by TIMER UP, the timer will be set to one hour and blue LED’s will illuminate to indicate the timer setting. Press or hold FAN UP to increase the fan’s speed to maximum. Press or hold TIMER UP to increase the length of time the Fan stays on in one hour increments until the desired time, or the maximum time of 12 hours, is achieved.
If the fan is already operating at minimum speed, touch FAN DOWN/OFF to turn off the fan; any time remaining on the timer will be canceled. If the fan is at maximum speed, press or hold FAN DOWN/OFF to decrease the speed to minimum and once again to turn the fan off.
Press or hold TIMER DOWN/CANCEL to reduce the time on the timer by one hour increments until the desired time is achieved or the timer is canceled. When the timer expires, the fan will turn off automatically. If the timer is canceled, the fan will remain on at its current speed.
Whenever the fan is turned off, its damper door(s) will close tightly within about 60 seconds.
* Note: If untouched after a moment the selection LED’s will dim.
DIGITAL TOUCH CONTROLLER – DTC
Although your DTC should arrive with all the proper settings for the system you purchased we include this information.
The function of the Digital Touch Controller is dependent on the configuration of the DIP switches and pin jumper located on the back of the PCB. The jumper pins are located to the left of the RJ45 port, and the DIP switches are immediately below it.
The jumper is configured by placing it to connect two of the three pins, as shown (pin 1-2). *
The DIP switches are configured by switching them to the ON or OFF position, depending on the switch number. A DIP switch in the ON position is set away from its number, and towards the side labeled ON, as shown.![]()
| MODEL | JUMPER SETTING | DIP SWITCH SETTING |
| AH2 – Air Handler 2 with AIS (Air Inlet Selector) Any unit with actuated doors requires a delayed fan start. (time delay) | Pin 1-2* (24VDC PWM) Pin 2-3* (0-10VDC) | (time delay**) |
| AH2-CF-1600 / 1900 AirScape Fan without an AIS (Air Inlet Selector) Units without doors can be started immediately (no time delay / direct start) | Pin 1-2* (24VDC PWM) Pin 2-3* (0-10VDC) | (direct start) |
* Pin 1-2 = 24VDC PWM Motor speed control/ Pin 2-3 = 0 – 10 VDC Motor speed control.
Most fans have a PWM controlled motor, but newer CF’s can be 0-10VDC controlled.
** Time delay allows the door(s) to open before the fan starts
FAN BOX BOARD

There is quite a bit of white text on the board, labeling these connections.
The Actuator Relay (door) has 24VDC on the COM terminals (JP1=shunted). This provides power to the actuator(s) of your AH2-AIS (Air Inlet Selector) if you purchased it.
Fan speed control signals can be put out in both formats and are chosen on the DTC (JP1, see DTC above).
On this fan board (SCAB) the motor control wiring is connected to two spade connectors. The negative =“Ground” spade and the positive = “Fan Cntl” Spade.
The Red LED D4 comes on with power to the board and the Red LED D2 comes on when the controller calls for a fan start and activates the doors (fan will start after a 10 second delay if selected)
Interlock:
This allows you to disable operation of the unit while other appliances are active, such as heating or cooling systems. While triggered, this interlock disables the fan and sets the damper doors to the Off position, but does not reset the current fan speed as displayed on the Digital Touch controller. Removal of the interlock allows the unit to resume the previously set fan speed. The Timer function will continue to operate normally while the interlock is active.
It is important that no voltage be sent to the board from external sources when choosing how to wire this interlock. It is designed to operate only as a closed loop circuit. This interlock is controlled with the INT and GND contacts on terminal block P4, on the SCAB. This board is found inside the junction box mounted on the fan unit.
This interlock is triggered by closing the circuit between two contacts on the board. The exact method of closing this circuit will depend on the particular installation and equipment the controller is interfacing with. One possible way of doing so is with a double-pole wall switch, in which it it wired so that one pole is used to control power to the appliance and the other pole closes the interlock contacts. Another way would be to use a relay or current switch that is activated when the appliance is turned on. An Fire Alarm may call for the ”InterLock” as well
MAINTENANCE
There is no routine maintenance required for the Fan other than making sure the Fan and its damper door(s) remain clear of dust or debris, and that the duct connection remian sealed.
We however advise that you check the operation of the doors and fan at the start of each season.
A re-settable circuit breaker is located on the Fan-mounted electrical box to protect circuit boards from power surges. In the case of a power surge, this breaker can be reset by simply pushing the button back in.
GLOSSARY
AD: Air-Door, a gravity door made to seal well and open with little effort includes framing (latest versions), requires a grille
CEC: California Energy Commision.
CFM: Cubic Feet per Minute.
dBA: Decibels A is a noise level measured in decibels (dB) 60dBA is considered conversation level noise.
DTC: Digital Touch Controller
DVS: Direct Venting System.
GFCI: Ground Fault Circuit Interrupter, for systems using a motor use a Motor Rated GFCI.
Hz: Hertz equals the number of cycles per second (alternating currents)
LL: Lift-Lock
Actuated insulated door installed from the living space (no grille)
O/C: On Center, indication of framing distance between beams measured in the center of the beam.
PAL: Powered Air-Lock™
Actuated Door(s) usually insulated, requires a grille
PSU: Power Supply Unit.
PWM: Pulse Width Modulation is used for controlling the amplitude of digital signals in order to control motor speed or other devices.
SCAB: Simple Controller Attic Board or Fan Box Board (located on the fan)
VA: Volt-ampere (VA) is a measurement of power in a direct current (DC) electrical circuit 1 VA = 1W
VAC: Volts Alternating Current.
VDC: Volts Direct Current.
WHF: Whole House Fan a ventilation system intended for cooling the entire house.
TROUBLE SHOOTING
Before servicing your cabinet fan, turn off power to it at your home’s electrical panel to reduce the risk of electrical shock, injury, fire, and/or circuit board damage.
Your AirScape Fan has been factory tested. If you encounter problems with the unit, please take a few minutes to run through the following troubleshooting procedures before calling for technical support.
NOTE:
A “kinked” CAT5E Cable may cause all of the listed symptoms. Use a second short cable and plug the wall switch (controller) directly into the W/S port on the fan to rule out a cable issue before proceeding.
A re-settable circuit breaker is located on the Fan-mounted electrical box to protect circuit boards from power surges. In the case of a power surge, this breaker can be reset by simply pushing the button back in.
Symptom: Unit does not start
Possible causes: No power to unit or kinked Ethernet Cable
Suggestion 1: Open Fan Box, is the power LED on the SCAB* on?
Reset main Power (unplug, wait 10 sec., plug in).
Suggestion 2: Check the re-settable circuit breaker on fan’s electrical box.
Suggestion 3: Take DTC** into the attic and connect it to the W/S port using another CAT5 Cable.
Suggestion 4: Check power (115VAC) at the electrical outlet, inside the fan’s electrical box wiring at both the power supply (115VAC) and the SCAB* (24VDC inside the fan’s electrical box).
** D TC= Digital Touch Controller
* SCAB = Simple Controller Attic Board / Fan Box Mounted Board
Symptom: Door(s) does not open, but Fan starts ((AIS /PAL / LiftLock) actuated units only).
Possible causes: No power to damper actuator, or damper shaft loose.
Suggestion 1: Operate door(s) manually using the Actuator Clutch. Verify that the Actuator rotates with the door shaft and that the shaft rotates with the door.
Suggestion 2: Check for 24VDC at the actuator(s) harness and at the SCAB* (fan’s electrical box, see schematic)
Symptom: Door(s) open but Fan does not start ((AIS /PAL / LiftLock) actuated units only).
Possible causes: Wiring issue between SCAB* and Fan
Suggestion 1: Open Fan’s electrical box and check for power (115VAC) at the fan’s power wires.
Suggestion 2: Check for pwm (control 0-24VDC, 80Hz PWM) signal at fan’s control wire connections on the SCAB* this can be done using a volt meter set to dc but gives approximate values.
Symptom: Wireless remote does not Operate.
Possible causes: Battery, RF interference.
Suggestion 1: Check transmitter’s battery for power. Replace if necessary, NOTE: POLARITY.
Suggestion 2: Check to see if LED on the remote receiver is lit. Open the cover and see if the internal LED’s respond by pressing a button on the remote.
Suggestion 3: Temporarily replace the CAT5 Ethernet cable with another cable.
Suggestion 4: Check for red LED response on DTC (stand alone only) when pressing the remote buttons.
DTC trouble shooting
When the Digital Touch Controller (DTC) is connected to the fan, and the fan to power, a red LED will illuminate on the face plate. If the Power Indicator is not illuminated; double-check the connections between the fan and the controller, between the fan and the power outlet and power at the outlet.
If problems are encountered, please take a few moments to run through the troubleshooting procedures described on the blue Warranty Card. If these suggestions do not work, contact AirScape technical support at 1.866.448.4187 or by email at [email protected] for further assistance.
NOTE: You will be asked for the serial numbers of the Fan and PAL.
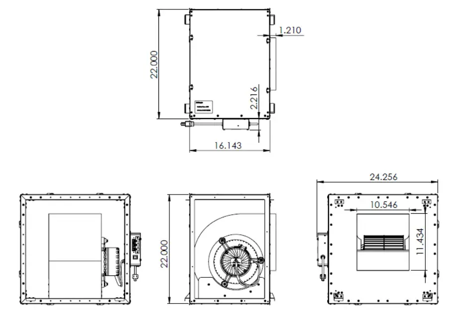
SPECIFICATIONS
| Dimensions Fan: | 22” H x 22” W x 16” L |
| Fan Duct Adapter: | No (call us) |
| Weight Fan: | 43 lbs |
| Motor: | 1/3 HP – 1/2 HP |
| Electrical: | 120 VAC, 60 Hz, 15 A |
| Installation: | Mounting Screws |
| Controls: | Low Voltage, Digital Touch Controller optional wireless remote |
| Speed Settings: | 10 |
| Warranty: | 3 years parts, 1 years controls |

* Actual performance will vary from installation to installation.
Due to continual product improvement, performance ratings and specifications are subject to change without notice.

AIRSCAPE 101 – RESOURSE
NOTES:
ELECTRICAL SCHEMATIC

© AirScape CF1900 Cabinet Fan IOM, January 2023, All Rights Reserved.


















