DAN DRYER 346 Turbo Low Noise Hand Dryer
USER MANUAL
TURBO LOW-NOISE HAND DRYER
Model: 346-347-348 / 250-251-254
IMPORTANT!
This product falls within the scope of the WEEE directive on recycling and recovery of waste electrical and electronic equipment.
- This product should not be disposed of with general household waste.
- This product must be reused if possible.
- Contact your local authority for further details.
- This product may also be returned to the manufacturer/retailer for proper treatment, recovery, and recycling.
![]()
DIMENSIONS AND TECHNICAL SPECIFICATIONS
Dimensions
Unit of measurement: mm
TECNICAL SPECIFICATIONS
| Description | DATA |
| Operating voltage | 11 OV-1 20V, 50/60Hz, 10.8-11.7A, 1.19-1.4kW 220V-240V, 50/60Hz, 5.4-5.8A, 1.19-1.4kW |
| Air temperature | 55°C — ambient temperature 25°C |
| Airspeed | 65-95 m/s (adjustable) |
| Motor type | 350-700W (adjustable) carbon brush with double ball bearings, 12000-18000 rpm. The lifespan of carbon brushes: Approx. 580K activations |
| Motor thermal protection | Auto resetting, the thermostat turns off at 135°C |
| Heating element | 350 – 700W (adjustable) |
| Heating element protection | Auto resetting, the thermostat turns the circuit off at: 85°C, thermal fuse turns off at 142°C |
| Drying time | 5 15 seconds |
| Stand-by power | 0.3-0.4W |
| Sensor type | Infrared, self-adjusting |
| Sensor range | 100-230 mm adjustable. Standard 170mm± 20mm |
| Protection timer | 60 seconds auto shut off |
| IP Class | IP31 or IP33 (option) |
| Insulation class | Class 1 |
| Net weight | 5.5 kg |
| gross weight | 6.1 kg |
PRODUCT TYPE / MODEL
346 / 250 White enamel coated steel, Turbo Low Noise hand dryer, 230V/110V
347 / 251 Stainless steel, brushed, Turbo Low Noise hand dryer, 230V/110V
348 / 254 Black powder coated stainless steel, Turbo Low Noise hand dryer, 230V/110V
GENERAL SAFETY INFORMATION
WARNING
- All units must be equipped with a 3-wire service. Connect the ground wire according to the instructions.
- This product must be installed only by qualified persons. Use 2.0mm 2 (AWG) NO.14 wiring.
- Turn off the power to the unit before servicing or cleaning. All wires must be disconnected.
- Incorrect installation, defective power cords, or failure to properly ground the unit could result in electrical shock or life-threatening injuries.
NOTE
We do not recommend to install this product above a washbasin. Installation above reflective surfaces will cause the hand dryer to start on its own. This product is suitable for indoor use only.
Type Y connection: If the power supply cord is damaged, it must be replaced immediately.
Only qualified persons shall be permitted to replace the cord to avoid a hazard. Disconnect the electricity supply cord according to instructions.
This product is not intended for use by persons (inclusive children) with reduced physical, sensory or mental capabilities, or lack of experience and knowledge unless they are supervised or have been given instruction concerning the use of the product by a person responsible for their safety.
Children should be supervised to ensure this product is used correctly.
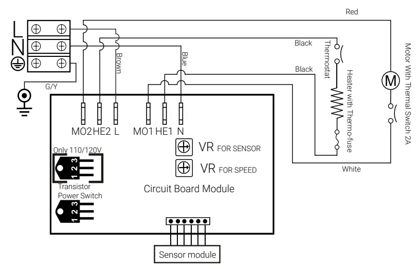
CIRCUIT DIAGRAM
INSTALLATION
Make sure the main breaker is turned off. Installation must be carried out by a qualified person in accordance with standards applicable in the country where the equipment is to be installed.
Place the template against the wall at the desired height (see mounting height recommendations) and mark location of (4) mounting holes and the wire service entry.
Note: If several products are installed in close proximity to each other, the minimum distance between the products should be 610 mm from the centerline of each product.
- Remove the two screws in the lower area of the unit and remove the casing from its base.

- Insert the power cord through the inlet hole.

- Connect supply wires to the terminal block
Connections:
A. Connect LIVE to terminal “L”
B. Connect NEUTRAL to terminal “N”
C. Connect GROUND to terminal “ “
- Attach the mounting plate securely with four screws

- Replace the casing and fasten it with two screws in the lower area

USER GUIDE
- No-touch operation.
- Shake excess water from hands.
- Place hands under the outlet to start the operation.
- Rub your hands lightly and rapidly.
- Stops automatically after hands are removed.
RECOMMENDED INSTALLATION HEIGHT
From the bottom edge of the hand dryer above the finished floor.
| Men | 1270 mm | (50”) |
| Women | 1194 mm | (47”) |
| Children, 4-7 years | 889 mm | (35”) |
| Children, 8-10 years | 991 mm | (39”) |
| Children, 11-13 years | 1092 mm | (43”) |
| Children, 14-16 years | 1194 mm | (47”) |
| Wheelchair users | 1016 mm | (40”) |
CLEANING AND MAINTENANCE
Routine cleaning and maintenance is recommended every 12 months to ensure your hand dryer is running at optimal performance.
- Disconnect the electrical supply.
- Remove the two cover-mounting screws.
- Remove the casing.
- Clean the interior of the dryer and remove any dust.
- Check carbon brushes. If carbon brushes are worn, they must be replaced.
The estimated lifespan for carbon brushes is 580K activations. - Do not soak.
- Use a damp cloth and mild cleaning solution. Never use cleaning detergents with an abrasive effect.
- Replace the cover. Do not overtighten the screws.

WARM AIR SPEED ADJUSTMENT
- Switch off the power and remove the cover.
- Use Phillips screwdriver or flat notch.
The air speed is adjusted on the VR potentiometer.
Clockwise to increase air speed(+).
Counterclockwise to decrease air speed(-)..

SENSOR RANGE ADJUSTMENT
- The sensor range adjustable between 100mm and 230mm.
Standard range: 170mm ± 20mm - Clockwise: To increase sensor activation range (+)
- Counterclockwise: To decrease sensor activation range (-)
- The sensor activation range should be adjusted to its environments, e.g. light and distance to the bottom of the sink.
Note: Do not overturn the sensivity adjustment.
TROUBLESHOOTING AND CORRECTIVE ACTIONS
| SYMPTOM | CORRECTIVE ACTION: FIRST-TIME INSTALLED HAND DRYERS |
| The dryer does not run | First, ensure that the breaker supplying the dryer is operational. If it is, disconnect the power and remove the cover. Taking suitable precautions to avoid shock hazards, reconnect the power and check for voltage on the terminal block. Verify that connections are made correctly. |
| The dryer cycles by itself and runs constantly | Ensure that there is no obstruction on or in front of the IR sensor. Clean any dirt off the sensor lens. If the problem per- sists, replace the sensor. |
| The dryer is very loud and does not run for a complete cycle | Ensure that the supply voltage is correct. The dryer will make a loud humming noise if the input voltage is too high. Verify voltage requirement on the unit rating label and correct accordingly. If PCB is damaged, replace unit as well as the IR sensor. |
| The dryer runs, but the `airspeed is low | Ensure that the supply voltage is correct. The dryer will run slowly if the input voltage is too low. |
| SYMPTOM | CORRECTIVE ACTION: USED HAND DRYERS |
| The dryer does not run | First, ensure that the breaker supplying the dryer is operational. If it is, disconnect the power and remove the cover. Replace PCB and IR sensor. Taking suitable precautions to avoid shock hazards, reconnect the power and check for voltage on the terminal block. |
| The IR-sensor detects only close-range objects | Ensure that there is no obstruction on or in front of the IR sensor. Clean any dirt off the sensor lens. If the problem per- sits, disconnect the power and remove the cover. Taking suitable precautions to avoid shock hazards, try carefully adjusting the sensitivity range (see the section regarding this). Reconnect the power. If the problem persists, replace IR sensor. |
| The dryer gets hot, but there is no air stream | Disconnect the power. Remove the cover and disassemble the blower/fan unit. Replace motor. |
| The dryer blows only cold air during a full cycle | Disconnect the power. Remove the cover and disassemble the blower/fan unit. Test the thermostat for an open circuit. Check the heating element for defects. Replace defect heating element. |
| The air pressure is low | Check the output nozzle for obstructions. If none, discon- nect the power and remove the cover. Remove any dirt from the inlet. Disassemble the blower/fan unit, check if motor brushes are worn (s 10 mm graphite remains), and replace them, if necessary. |
PARTS LIST
| no | Description |
| 1 | Casing, black, white, or brushed steel |
| 2 | Security hex screw, (2 reqd.) |
| 3 | Security hex wrench |
| 4 | Blower housing, upper |
| 5 | Motor rubber, large |
| 6 | Motor |
| 7 | Motor rubber, small |
| 8 | Blower housing, lower |
| 9 | Heating element |
| 10 | Air outlet |
| 11 | LED panel |
| 12 | Air outlet bracket |
| 13 | Timer, with IR sensor |
| 14 | Sensor bracket |
| 15 | Rubber bushing (4 reqd.) |
| 16 | Base plate |
| 17 | Grounding screw |
| 18 | HEPA filter (optional) |
| 19 | Bracket for HEPA filter (optional) |
| 20 | P-clips |
| 21 | Insulation mylar |
| 22 | Terminal block |
| 23 | Sensor module |


DAN DRYER A/S
Alsikevej 8
DK – 8920 Randers NV
T: +45 8641 5711
E: [email protected]
W: dandryer.com
























