ZUMTOBEL Helissa D450 Ceiling Light Instruction Manual
INDUCTION



Installation and commissioning may only be carried out by authorized specialists.
The luminaire is used exclusively for lighting and is to be installed in accordance withthe national installation regulations. Any other use or installation is regarded as “not according to instructions”.
Use only allowed cable diameters.

The control gear of this luminaire is a non-replaceable component; when the control gear reaches its end of life the whole luminaire shall be replaced.
The light source of this luminaire is not replaceable; when the light source reaches ist end of life the whole luminaire shall be replaced.
INSTRUCTION







LUMINAIRE VERSION E3D
For 1 or 3 hours of emergency lighting depending on the model.
Equipment designation
Emergency units with self-test for 1 or 3 hours of emergency lighting.
Notes on battery
Type: Rechargeable, high-temperature battery.Temperature NMH range: 0°C to 50°C. Do not store battery longer than 6 months without charging. Initial charging time 20 hours
Emergency lighting level
The emergency lighting level depends on the respective lamp type and wattage.
LEDfunction
The purpose of the is not only to check that the battery is charging LED pursuant to 598-2-22 clause 22.6.7, but also to display the test result for IEC the system test and function check (see table).
Emergency lighting function check
EN ICEL FC 50172 and require a weekly function check ( ) and an annual system test ( ).The emergency unit performs these tests fully automatically ST and displays the result by means of different statuse
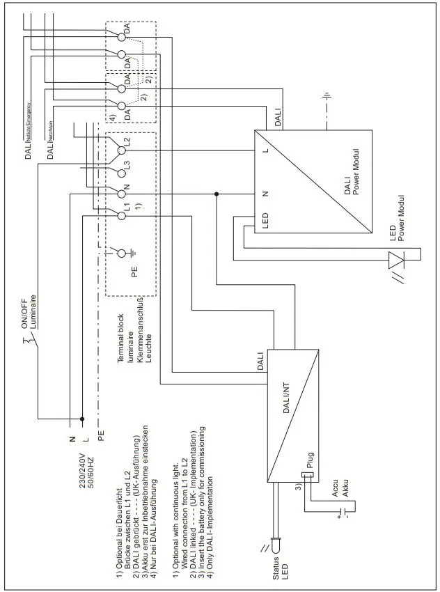
Notes on installation
Emergency luminaire in maintained mode ( ) or switched MM maintained mode: Luminaire where the lamp for emergency lighting is operated continuously both in normal and in emergency mode ( = maintained mode). Luminaire where the lamp for emergency lighting MM is switched together with the general lighting. In emergency mode the lamp is always in operation! (Switched maintained mode).
Commissioning –
after the building phase, if the mains voltage is continually available !
Write the date and sign in the space on the battery marked“Installation”. After checking that the wiring has been performed correctly, connect the emergency unit to the battery.Then switch on the power supply from the mains. Please stick the red self-adhesive label stating onto the luminaire. The electric circuits can then be marked. 50172 and require EN ICEL the emergency luminaire to be given a red mark and the electric circuits to be marked
Note:
An ongoing review of the safety luminaire is required by the building operator.Aconsultation of the system documentation of 3 years is required here. Potential breakdowns in the electronic system, batteries or s are LED possible here.Any variances must be logged.
| Condition | Commentary | Commentary |
| Status all O.K. | AC-mode | Green on LED |
| FunctionTest | During test | Green LED blinking 5Hz (0,1s on, 0,1s off) |
| Duration test | During test | Green LED blinking 0,5Hz 1s on, 1s off) |
| Load failure | Open circuit / short circuit / failure LED | Red LED on or flash sequence to be defined in eDALI |
| Battery failure | Battery failed the duration test or function test. Battery defect. Incorrect battery voltage. | Red LED blinking 5Hz (0,1s on, 0,1s off) |
| Charger failure | Charging current too high (>450mA) | Double beat green as Exit Sign 0,5Hz/5Hz LED |
| Blocking mode | Switching into blocking mode via controller | Green on LED |
| Address ident. | During address mode only | Binary transmission of address via red/greenLED |
| DC-mode | DC.mode (Emergency) | Green and red off LED |
Postfach 760 * D-32637 Lemgo *
Tel. + 49/(0)5261/212-0 *
Fax +49/(0)5261/212 9000 *
Internet: http://www.Zumtobel.com

















