SP-EJBOX Water Heat Pump
Instructions

SP-EJBOX Water Heat Pump
EVO J-Box
SAVING TIME, ENERGY & MONEY
The Evo J-Box allows your heat pump to turn th main water pump on outside of your filtration times
SAVING YOU TIME, ENERGY AND MONEY!
BENEFITS
- Simple to install
- Easy to use
- Save on running costs
- Set and forget
- No water balance issues
- Only require one water pump

EASY INSTALLATION
– ELECTRICAL CONNECTION

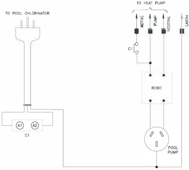
Connecting to Heat Pump Terminal Block:
Connect JBox Active to Heat Pump Active (Brown Cable)
ConnectJBox Neutral to Heat Pump Neutral (Blue Cable)
ConnectJBox Earth to Heat Pump Earth (Green/Yellow Cable)
Connect JBox Pump Active to Heat Pump Termi 1 or Water Pump L – depending on model (White Cable)
NOTES:
- The heat pump, J-Box & water pump are all on the same circuit.
- The electrical connection of the J-Box is separate to the electric connection of the Heat Pump.
- The J-Box is supplied power via the chlorinator, whereas the Heat Pump requires an independent power supply.
- Please refer to the Heat Pump owner’s manual for power supply requirements and details on electrical connection.



















