VPA 160RKTG-DP (ECO) c/w UC8
Air Cooled Packaged Unit – Reverse Cycle – R410A
Installation & Maintenance
GENERAL
Temperzone VPA Outdoor Air Cooled Packaged units.
Follow these instructions to ensure the optimum performance, reliability and durability.
Units must be installed in accordance with all national and regional regulations and bylaws. National Health and Safety egulations must be followed to avoid personal injuries.
The appropriate local permits must be acquired and adhered to.
Local regulations on maximum boundary noise need to be considered when positioning the unit.
INSTALLATION
Refer to diagram below and in supplied Specifications sheet for minimum clearances. If multiple units are to be placed side-by-side then allow at least 2m between coil faces.
* 600 min. with optional Vertical Discharge Grille
2.1 Mounting
The unit should be fastened to a firm flat horizontal base using the holes supplied in the mounting channels.
When the unit is being installed on a roof it is recommended that the unit is installed on a substantial structure with vibration isolating mounts or pads.
Flexible duct connections are recommended between the supply and return ducts and the unit.
2.2 Supply/Return Options
The unit is supplied with a top discharge supply air spigot that is sized to faciliate ease of alternative manufacturer’s unit replacement. A second spigot is supplied that matches the Return Air spigot dimensions, for optional use.
Standard configuration is vertical supply and return air.
Supply/Return air direction and alternative inlet/outlet positions are changeable on site.
Refer Appendix III for instructions on how to change the handing of the indoor air plug fan on site, if required.
2.3 Condensate Drain
The condensate drain is ‘U’ trapped inside the unit.
Direct the drain outlet to a suitable disposal site.
2.4 Vertical Discharge Grille (option) (p/n 526-000-023)
Secure the grille in place using the screws supplied and the pre-drilled holes in the unit.
REFRIGERATION SYSTEM
3.1 General
The VPA 160 model has a single digital compressor to provide the flexibility and economy of variable speed operation.
Each refrigeration system has been charged with HFC-410A (R410A) refrigerant; refer Specification document or unit label for amount.
3.2 Compressor
The compressor is an digital scroll type. The compressor lubricant is polyolester oil (POE). Note, this oil absorbs moisture quickly if exposed to open air.
WIRING
4.1 Electrical Requirements
Electrical work must be done by a qualified electrician.
DANGER LIVE ELECTRICAL CONNECTIONS. REMOVE MAINS POWER BEFORE WORKING ON UNIT. ONLY QUALIFIED PERSONS WHO ARE COMPETENTLY TRAINED SHOULD PERFORM SERVICE AND MAINTENANCE TASKS.
The unit must be wired directly from a distribution board by means of a circuit breaker and a mains isolator provided – preferably close to the unit.
Note: DO NOT USE REWIRABLE FUSES.
The control transformer primary connection is for countries with 230-240V power supply.
A 24 hour power supply to the compressor crank case heaters is required, otherwise the warranty is void.
4.2 Control options
The VPA unit can be controlled using any of the following options:
- TZT-100 wall thermostat (supplied)
- 24V AC and 0-10V signals from an external controller or thermostat
- Remote on/off switch and/or time clock
- Modbus RTU serial communications over RS485 connection
- BACnet-IP serial communications over Ethernet connection (with optional gateway module)
The VPA unit is suitable for use with thermostats and controls with manual heating/cooling selection or automatic change-over.
A unit wiring diagram is supplied alongside the electrical board and in the Specifications document.
4.3 Remote on/off
The UC8 has an input for a remote on/off function on terminal ‘On’, signal return is terminal ‘0V’. When used the remote on/off terminals should connect to a voltagefree relay contact.
When not used the remote on/off terminals should be shorted (‘looped’).
4.4 Capacity control
The VPA unit offers the following capacity control options:
- Automatic control when the unit connects to the TZT-100.
- 0-10V control signal via terminal ‘VC’ on the UC8 circuit board, signal return is terminal ‘0V’.
- Control by a building management system via Modbus RTU or BACnet-IP serial communications (with optional gateway module).
4.5 Unit Controller (UC8)
The UC8 controller receives requests such as ‘Unit On/Off’, ‘Start compressors’, ‘Activate HEAT (Reverse Cycle)’ and transfer the requests to the outputs after enforcing safety timers.
The Unit Controller provides several system protection functions. These are covered in Appendix I (p.9).
For additional information, refer to the UC8 Controller label on the unit or www.temperzone.biz for operation & fault diagnostics information; model search ‘UC8 Controller’.
References available:
UC8 Operation Manual : Air-to-Air Units
UC8 Fault & Display Messages (as per unit label)
UC8 Quick Reference and Operation Fault Diagnosis
UC8 Troubleshooting Guide
UC8 Modbus Communications
UC8 BACnet Communications
START-UP PROCEDURE
5.1 Before starting the compressor
- Before working on the unit remove mains power from the unit by opening the mains isolating switch.
- Check that the compressor is securely mounted.
- Check the thermostat and/or other controls are correctly wired to the unit.
- Check tightness of electrical connections.
- Check the air filters have been correctly installed, if present.
- Check that the indoor fan motor can freely rotate.
- Apply mains power to the unit by closing the mains isolating switch.
- Check the supply voltage between each phase and neutral.
- Check air diffusers are open.
- Check the chosen electrical coverplate in the unit’s base is replaced to prevent vermin getting under the unit.
- Before starting the compressor a four hour delay period is required to allow the crankcase heater to drive any liquid refrigerant out of the compressor oil. Mains power must be switched on during this four hour delay period.
5.2 Commissioning
After the four hour delay period has expired (see step 11 in section 5.1) complete the following procedure. You can use the Commissioning Sheet (supplied with the unit) to help you.
- Place the UC8 Controller in commissioning mode holding down the push button on the circuit board (refer Section 4.5). Release the button when the display shows a small (lower case) letter ‘c’. Safety time delays are now reduced and remain so for the next half hour, or until the controller is reset by removing power.

- Start compressor in cooling mode.
Note: Compressor is directional. If a compressor rotates incorrectly it will not pump, be noisy and draw minimal current. If this is the case switch the unit off and check for correct mains phase connections at the main power terminals and recheck. - Check the outdoor fan motors run smoothly.
Note: Outdoor fan does not necessarily start rotating immediately after the compressor is started. The fans may run-on for a short period after the compressor stops.
Outdoor fan stops during outdoor coil de-ice cycles. - Measure the current draw on each phase to the compressor motor and to each fan motor. Check the readings against the specified values in the wiring diagram or specification sheet.
- The display and pushbutton on the UC8 can be used to check temperatures and pressures. Short presses on the pushbutton cycles through the available options. Table 1 on page 8 shows, in sequence, what information is available – with examples.
Alternatively use a set of pressure gauges suitable for R410A refrigerant. - Test operation of the unit when operating in heating mode.
- Check for desired supply air flow rate at each outlet.
- Touch up any outdoor unit paintwork damage to prevent corrosion.
5.3 Commissioning of variable speed (EC) indoor plug fan
The unit is equipped with a variable speed (EC) indoor plug fan which permits adjustment of the fan speeds to obtain the desired indoor supply airflows.
Using TZT-100 option
If the unit is controlled with a temperzone TZT-100 wall thermostat then adjustments are made as follows:
- Stop the compressor. The UC8 display should show a flashing dot (●).
- Hold down the pushbutton and release as soon as the display shows letter ‘H’.
- The indoor fan will start and run at high speed. The display shows the fan control voltage
for the high speed setting, factory default value is 8V. - Each following button press increases the control voltage in steps of 0.5V. The maximum is 10V.
Pressing the button when the maximum of 10V is reached causes the control voltage to step down to the minimum of 3V, where-after subsequent presses once again raise the control voltage in steps of 0.5V. - When the desired ‘high’ airflow is achieved wait 30 seconds without any more button presses. At the end of the 30 second period the controller saves the setting in memory and the fan stops.
- Hold down the pushbutton and release as soon as the display shows letter ‘L’. The indoor fan will start and run at the low speed setting.
- Repeat steps 3 to 5 to adjust the fan low speed setting. The factory default control voltage for low speed is 5V. The minimum control voltage for low speed is 1V and the maximum control voltage for low speed is 8V. (Note: A ‘low’ control voltage of less than 2V is not recommended.) If ‘low’ is set higher than ‘high’, the ‘high’ is made equal to ‘low’.
Using Alternative Thermostats
Follow same procedure as for TZT-100.
Note:
It is allowed to make the control voltages for low and high fan speed equal. This makes the indoor fan act as a fixed speed fan.
It is allowed to control the indoor fan speed by an external source, independent of the UC8 controller.
It is then the responsibility of the system-designer and installer to ensure proper and safe operation of the indoor fan, and the system as a whole, under all operating conditions.
Setting the indoor fan speed too low can bring risk of frost forming on the indoor coil with potential nuisance frost protection trips on cooling, possibly even unit lockout, and/or HP trips on heating.
Setting the indoor fan speed too high can bring a risk of blowing moisture off the fins of the indoor coil and into the supply air duct. Water could then start leaking from the supply air vents and diffusers and corrosion of ducting may occur.
Setting the indoor fan speed too high can also bring a risk of ‘over-condensing’ (when the unit is heating) which in turn could cause the unit to perform more outdoor coil de-ice cycles than necessary.
OPERATION
6.1 Safety timers
The UC8 receives control signals and transfers the signals to the outputs after enforcing safety timers and other protection functions. If the compressor is held off, or held on, by a safety timer then the display shows message ‘H-O-L-d’.![]()
Normal durations of safety timers are:
- Minimum off time 3 minutes
- Minimum run time 1.5 minutes
- Min. cycle time 6 minutes (up to 10 compressor starts per hour)
- Min. mode change-over time 10 minutes (cooling to heating or vice-versa)
6.2 Variable Capacity
The VPA unit is equipped with a single variable capacity compressor – digital scroll type. DIP switch 14 on the UC8 circuit board can be used to select one of two operating modes:
| DIP switch 14 | Capacity control mode |
| OFF | Standard capacity control |
| ON | Close capacity control |
Compressor operating capacities and 0-10V control voltages are:
| Compressor type | Minimum | Nominal | |
| Close control | Standard control | ||
| Fixed duty | 100% | ||
| Digital scroll | 16% (1.6V) | 40% (4V) | 100% (10V) |
Note:
At any time, when operating conditions dictate, safety functions can restrict unit operating capacity. Unless the application requires close temperature control it is recommended the unit be operated in standard capacity control mode.
When a capacity signal is presented that is lower than the minimum capacity (for example 0V on input ‘VC’) then the compressor operates on minimum duty.
If a unit operates on low capacity for extended periods then the unit may periodically perform oil flush cycles.
Under such operating conditions compressor lubricating oil may slowly settle in parts of the refrigeration system other than the compressor; oil flush cycles help to return the lubricating oil to the compressor. During an oil flush cycle compressor capacity is increased to a certain minimum. The duration of an oil flush cycle is 1 minute.
CONTROLS
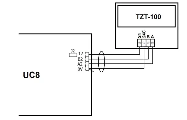
7.1 TZT-100 Option
To connect the thermostat to the unit it is recommended to use shielded twisted pair type cable, suitable for RS485 communications. Signals A and B should form one twisted pair.
Note: The cable shield should connect to terminal ‘0V’ on the UC8 controller only. Do not connnect at both ends.
Connect the thermostat as follows:
TZT-100 Connection:
Note: Capacity Staging. A TZT-100 must be configured for single-stage operation, the default setting.
TZT-100 has a set of DIP switches that must be set as follows:
| DIP switch 2 | ON | Equipment type = Heat Pump |
| DIP switch 3 | OFF | Equipment stages = One |
| DIP switch 4 | ON | Reverse cycle valve = Heating |
Fault code 36 will appear on the UC8 if the DIP switch settings are incorrrect.
Communications format must be set as per recommmended Modbus RTU:
- Baud rate (bd or br) 19200
- Data bits 8
- Parity Even
- Stop bits (Pa) 1
- TZT-100 address (Ad) 7
- SAT-3 address (Ad) 8
TZT-100: The procedure to check and adjust these settings is:
- Press and hold the O/RIDE button until the display shows the PIN
- Use the UP & DOWN buttons to select PIN code 88:21, then press O/RIDE in installer mode.
- Use the O/RIDE and PROG buttons to cycle through the various installer settings.
If necessary, refer TZT-100 User Manual for more detail.
7.2 Control using switched and 0-10V signals
An external controller that provides 24V AC switched signals or has a set of voltage-free relay contacts should be connected as per the diagram below. UC8 input ‘VC’ will accept a 0-10V capacity control signal. If no capacity control signal is available then link UC8 terminals ‘VC’ and ‘12’. It is necessary to configure the UC8 controllers in the unit as master and slave; refere Section 7.1 and follow steps 1, 2 & 4.
7.3 Control via Modbus RTU communications
Single or multiple VPA units can be fully monitored and controlled via Modbus RTU serial communications. The following is typical for most installations:
- Set DIP switches 11 and 12 OFF on all UC8 controllers.
- Connect BMS terminal A / TX+ to terminal A1 on all UC8 controllers.
- Connect BMS terminal B / TX- to terminal B1 on all UC8 controllers.
- It is recommended to ‘daisy-chain’ the A&B connections using shielded twisted pair type cable, suitable for RS485 communications. Signals A and B should form one twisted pair. The cable shield should connect to terminal ‘0V’ on the UC8 controller.
Multiple VPA units: To avoid collisions of messages on the RS485 serial communications cable it is necessary to ensure each connected UC8 controller has a unique Modbus device address. Refer to section 7.4 for the procedure.
Example:
For detailed information about monitoring and control via Modbus RTU refer to document “UC8 Modbus communications”, available free on the temperzone internet website.
7.4 Setting the UC8 Modbus device address
To view or change the Modbus device address of a UC8 follow these steps:
- Power up the unit but leave the compressor off.
- Hold down the pushbutton on the UC8, release the button as soon as the display shows the letter ‘A’.
- The display will show the current Modbus device address. The factory default address is 44. Press the button to select higher numbers, for example press once to change the address to 45, press twice for address 46 and so forth. After
address 99 the number returns back to 1. - When the desired address is selected wait for 30 seconds. The controller will save the selected address in memory.
7.5 Fault monitoring
UC8 includes a non-specific Fault monitoring output signal (FRB on wiring diagram). An indoor fan motor fault relay is part of the protection system. Refer Troubleshooting (9.7) regarding fault identification.
MAINTENANCE
WARNING! HAZARDOUS VOLTAGE. ENSURE ALL POWER SUPPLIES ARE ISOLATED BEFORE PERFORMING MAINTENANCE. FAILURE TO ISOLATE POWER CAN LEAD TO SERIOUS INJURY.
8.1 Monthly
- Check air filter and vacuum or wash clean as necessary.
- Check condensate drain for free drainage.
- Check compressor compartment for oil stains indicating refrigerant leaks.
- Check system operating pressures via the UC8 (refer Section 5.2.5).
8.2 Six Monthly
- Check the tightness of electrical connections.
- Check for signs of corrosion on electrical connections in high salt atmospheres; replace where necessary.
- Check the tightness of all fans, motor mountings
- Check system operating pressures via the UC8 (refer Section 5.2.5).
- Check and/or replace indoor air filter.
- Check condensate drain for free drainage.
8.3 Yearly
- Check all refrigerant piping for chafing and vibration.
- Check the operation of electric heaters, if fitted
- Check air supply at all diffusers
- Check for excessive noise and vibration and correct as necessary.
- Check for insulation and duct damage and repair as necessary.
- Check system operating pressures via the UC8 (refer Section 5.2.5).
- Remove lint and dust accumulation from outdoor coil fins with soft brush or low pressure water spray.
- Touch up any paintwork damage to prevent corrosion.
TROUBLESHOOTING
9.1 Room temperature varies significantly from its setting
- Unit may have been incorrectly sized for the building.
- Drafts from wrongly placed supply air diffusers or from the back of the wall plaque could be affecting the temperature sensor built into the wall plaque.
- Poor air circulation in the room can cause incorrect temperature readings.
9.2 Air conditioner does not seem to deliver the heating when most needed
- Heating capacity at design conditions may be incorrect. As the outside temperature falls, heat losses through the walls, floor and ceiling increase.
- Check the unit’s brochure for information on the minimum/ maximum operating temperatures.
9.3 When heating, units have de-icing cycles built in to remove ice on the outdoor coil.
- This usually means reversing the cycle for a few minutes during which time there is no heating and in fact a little cooling can occur.
9.4 In a new building, why does it take some days before the air conditioning heat hump unit seems to work properly
- Many new buildings, especially a commercial buildings, have a large amount of concrete and other structural materials that are generally cold and full of moisture.
This is most evident in the winter when trying to heat the building from scratch.
9.1 Room temperature varies significantly from its setting
- Unit may have been incorrectly sized for the building.
- Drafts from wrongly placed supply air diffusers or from the back of the wall plaque could be affecting the temperature sensor built into the wall plaque.
- Poor air circulation in the room can cause incorrect temperature readings.
9.2 Air conditioner does not seem to deliver the heating when most needed
- Heating capacity at design conditions may be incorrect. As the outside temperature falls, heat losses through the walls, floor and ceiling increase.
- Check the unit’s brochure for information on the minimum/ maximum operating temperatures.
9.3 When heating, units have de-icing cycles built in to remove ice on the outdoor coil.
- This usually means reversing the cycle for a few minutes during which time there is no heating and in fact a little cooling can occur.
9.4 In a new building, why does it take some days before the air conditioning heat hump unit seems to work properly
- Many new buildings, especially a commercial buildings, have a large amount of concrete and other structural materials that are generally cold and full of moisture.
This is most evident in the winter when trying to heat the building from scratch.
WARRANTY
Please refer to the separate warranty document supplied with the unit, or visit www.temperzone.biz for details.
Australia:
[email protected]
[email protected]
Telephone: 1800 21 1800
New Zealand:
[email protected]
Telephone: 0800 TZWARRANTY (899 2777)
Table 1, Information available on the UC8 display.
| Item | Unit | Abbreviation | Examples |
| Compressor suction line pressure | kPa | SLP | Suction line pressure 1034 kPa |
| Evaporating temperature | °C | Et | Evaporating temperature 12°C |
| Compressor suction line temperature | °C | SLt | Suction line temperature 18°C |
| Compressor suction side superheat | K | SSH | Suction side superheat 6K |
| Compressor discharge line pressure | kPa | dLP | Discharge line pressure 2447 kPa |
| Condensing temperature | °C | Ct | Condensing temperature 42 °C |
| Compressor discharge line temperature | °C | dLt | Discharge line temperature 70°C |
| Compressor discharge side superheat | K | dSH | Discharge side superheat 28K |
| De-ice sensor temperature (located on fins of the outdoor coil) | °C | ICEt | De-ice sensor temperature 39°C |
| Capacity | % | CAP | Capacity 100% |
| Expansion valve 1 opening | % | EE1 | Expansion valve 1 75% open |
| Expansion valve 2 opening | % | EE2 | Expansion valve 2 75% open |
APPENDIX I
PROTECTION FUNCTIONS
The UC8 implements system protection functions such as indoor coil frost, extreme high and low pressures, rapid on-off cycling of the compressors, loss of refrigerant and more.
The following applies to all protection functions except where otherwise indicated:
Unit operating capacity may automatically be reduced before a protection function is activated. Such a reduction may be sufficient to prevent an actual trip from occurring.
When a compressor is stopped by a protection function it is held off for a period of 3 minutes, after which it is allowed to restart (provided the cause of the trip has cleared).
When a protection function is active and when a unit is locked out the alarm relay output “FLT” is active.
More detailed information about protection functions and troubleshooting refer to document “UC8 troubleshooting information”, available for free download from the temperzone internet website.
High pressure protection (HP)
VPA unit is fitted with high pressure switches. These switches connect to UC8 inputs IN#1. When a high pressure switch activates (the electrical circuit opens) then the compressor is stopped.
VPA unit is fitted with high pressure transducers connected to UC8 input HPT. The compressor is switched off when the discharge line pressure reading exceeds 4238 kPa.
The display shows the letters ‘HP’ when protection is active.
Low pressure protection (LP)
VPA unit is fitted with low pressure switches. These switches connect to UC8 inputs IN#2. When a low pressure switch activates (the electrical circuit opens) then the compressor is stopped.
VPA unit is fitted with low pressure transducers connected to UC8 input LPT. The compressor is switched off when the suction line pressure reading falls below 228 kPa.
The display shows the letters ‘LP’ when protection is active.
Indoor coil frost protection
When the unit is cooling the evaporating temperature in the indoor coil should remain above -8°C. If this temperature falls below -8°C then ice (frost) likely will form on the indoor coil. If the low temperature persists for longer than 6 minutes then the protection function activates.
When indoor coil frost protection is activated the compressor is stopped for 6 minutes, after which it is allowed to restart.
High discharge line temperature protection
The controller monitors the compressor discharge line temperature via a sensor connected to input ‘DL’ (red wires). The compressor is stopped when:
- The temperature rises above 110°C for longer than 30 minutes.
- The temperature rises above 120°C (immediate action).
The display shows the message ‘Hi-t’ when protection is active.
High discharge superheat protection
Discharge superheat is defined as the difference between the compressor discharge gas temperature and the condensing temperature. When this temperature differential becomes very high it is an indication that the compressor is being starved of refrigerant gas.
Common reasons for this could be a lack of refrigerant (under-charged or loss-of-charge) or a problem with the expansion device (for example a stuck accurator or loose wiring to an EEV).
The protection is activated when discharge superheat exceeds 45K for longer than 30 minutes.
The display shows the message
‘Hi-dSH’ when protection is active.
Low discharge superheat protection
Discharge superheat is defined as the difference between the compressor discharge gas temperature and the condensing temperature. When this temperature differential stays very low it can be an indication that the compressor is being flooded with liquid refrigerant.
Common reasons for this could be an excess of refrigerant (over-charged) or a problem with the expansion device (for example a stuck accurator or loose wiring to an EEV).
The protection is activated when discharge superheat remains below the threshold for longer than 15 minutes.
The threshold varies linearly from 0K at standard mode minimum capacity (40%) to 10K at nominal capacity (100%).
This protection function is disabled when a compressor operates at less than standard mode minimum capacity (< 40%).
The threshold for a variable speed compressor operated in boost mode (capacity above 100%) is fixed at 10K.
The display shows the message
‘LO-dSH’ when protection is active.
High evaporation temperature / high suction line temperature protection
When the unit has a low pressure transducer connected to the compressor suction line then the controller calculates the evaporating temperature from the suction line pressure reading. If the unit does not have a low pressure transducer then the controller finds the evaporating temperature via a coil temperature sensor (input IC when the unit is cooling, input OC when the unit is heating, yellow wires). Additionally the controller monitors the compressor suction line temperature via a sensor connected to input ‘SL’ (white wires).
The protection function stops the compressor when:
- The evaporating temperature remains above 27.5°C for longer than 15 minutes.
- The suction line temperature remains above 30°C for longer than 15 minutes.
The display shows the message ‘Hi-SL’ when protection is active.
Other alarms
The controller performs many other protection functions.
For example:
- Signals from sensors and transducers must remain inside normal operating range.
- Modbus RTU communications with connected devices (e.g. TZT-100 or SAT-3 thermostat, a Carel Power+inverter) must continue uninterrupted.
- Modbus RTU communications with a controller such as a BMS that is controlling the unit must continue ninterrupted.
Refer to document ‘UC8 Troubleshooting Guide’ for details.
Lock-out
Each protection function has a trip counter. A trip counter is reset to 0 whenever the compressor run request is removed. Any trip that has occurred more than 12 hours ago is removed from the trip count.
For some protection functions, when the trip counter reaches value 3 (i.e. three consecutive trips occur) then the unit is “locked out”.
When a unit is locked out the compressor is not allowed to start. Lock-out is designed to protect the compressor from repeatedly starting when a serious fault exists that requires the attention of a service technician.
The display shows the code of the fault that caused the lock-out condition.
A unit that is locked out can be unlocked using any one of the following methods:
- Remove mains power from the unit for at least 3 seconds, then restore power.
- Issue an ‘unlock’ command via Modbus RTU serial communications.
- Reset the controller via Modbus RTU serial communications.
APPENDIX II
AIR HANDLING PERFORMANCE
Note: Airflows are for a dry coil. Reduce airflow by 10% in high moisture removal conditions. In a free blow or low resistance application, beware of exceeding indoor fan motor’s full load amp limit (refer Specification page).
As filters are optional, the fan air flows given are for units installed without filters.
VPA 160RKTG-P
APPENDIX III
INDOOR AIR FAN HANDING
It is possible on-site to change the supply air plug fan position to achieve ‘opposite handing’ of the unit without disconnecting any wires (approx. 30 mins). To do this the plug fan needs to be swapped from one side of the indoor coil to the other side. The fan housing sits in a track that fits the fan or the air filter – depending on the handing of the unit. The air filter must swap sides if the fan does. To change the fan position:
Tools required:
- 10mm hex socket screwdriver
- wire cutter and cable ties
- two people to lift and re-orientate the fan
Open or remove all side door/access panels to gain fan and filter access. Proceed as follows with reference to the drawings below:
IMPORTANT: First ensure power is off to the unit.
- Remove the front central rectangular access panel ① and two interior cover panels ② to reveal the fan power supply leads. Cut all cable ties securing the fan leads. DO NOT disconnect the wires from the fan.
- Undo fan housing screws (x3) ③ and retain.
- Remove filter from its track in the return air chamber and put aside.
- Remove fan housing by sliding it out and then into the track on the other side where the filter used to be. Beware, the fan is heavy and will take two people to reposition. Ensure the fan housing is retained under the two catch brackets .
- Fasten fan housing screws (x3) ⑥.
- Secure the fan’s two parallel leads in the plastic snap-in bushes on the opposite side to the previous location.
- Use cable ties to secure the two parallel wires as they were previously (including to the fan housing).
- Re-install the air filter in the same track where the fan just came from.
- Re-fit all access panels ① ②.
- Unscrew the return air spigot plate from the top of the unit and refit it on the opposite side, over the top of what was the supply air spigot.
Standard Hand

Opposite Hand

Branches
Auckland
(Head Office and Manufacturing)
Sydney
(Australian Head Office and Manufacturing)
Wellington, Christchurch
Brisbane, Melbourne, Adelaide
Singapore, Shanghai
Distributors
Perth, Hobart, Newcastle
Singapore, Shanghai, Beijing, Jakarta, Hong Kong,
Sri Lanka, Mauritius, Bangalore, Bangkok, Hanoi,
Cambodia, South Pacific Islands, Bangladesh
www.temperzone.biz
© temperzone limited 2023



















