OPA 250–560 RLTFP (Econex) c/w UC8
Air Cooled Packaged Units – Reverse Cycle – R32
Installation & Maintenance
GENERAL
Temperzone OPA Outdoor Air Cooled Packaged units.
Follow these instructions to ensure optimum performance, reliability, and durability.
Units must be installed in accordance with all national and regional regulations and bylaws. National Health and Safety regulations must be followed to avoid personal injuries.
The appropriate local permits must be acquired and adhered to.
Local regulations on maximum boundary noise need to be considered when positioning the unit.
The accompanying ‘R32 Handling Ducted Packaged Units’ pamphlet forms part of these Installation & Maintenance instructions.
WARNING
These units use R32 refrigerant (Class A2L) which is mildly flammable.
The system shall be installed, operated, and stored in a well-ventilated space. If the refrigerant gas comes into contact with fire, a poisonous gas may occur. Be aware that R32 does not contain an odor.
If indoors, the appliance shall be stored in a room away from continuously operating sources known to cause ignition of R32 refrigerant (for example an operating gas appliance or operating electric heater)
INSTALLATION
2.1 Clearance
Refer to the diagrams below and in the supplied Specifications document for minimum clearances. If multiple units are to be placed side-by-side then allow at least 2m between coil faces.
Figure 1. Clearances
Plant Room Installation
Ensure sufficient ventilation is installed. Discharge air from above the unit must be ducted away to prevent recirculation of air through the unit. Restricted airflow and/or recirculation reduce efficiency. Never install the unit in a totally enclosed room.
Fresh Air Cowl Option
The fresh air cowl is supplied separately and must be fitted to the unit – usually before the unit is lifted into place.
Screws and pre-drilled holes are provided. Ensure all joints are sealed with silicone sealant. There must be at least 300mm clearance beneath the cowl once it is fitted in place.
2.2 Mounting
The unit should be fastened to a firm flat horizontal base using the holes supplied in the mounting channels. When the unit is being installed on a roof it is recommended that
the unit is installed on a substantial structure with vibration isolating mounts or pads.
Flexible duct connections are recommended between the supply and return ducts and the unit.
Unit is shipped with blocks installed under the compressors.
Ensure these blocks are removed from the compressor feet prior to starting the unit (not required for operation).
Factory filter slides are fitted. Access to the filters is via the return air access door.
2.3 Condensate Drains
Condensation can form on both the indoor and outdoor air coils. This is normal during unit operation. It is recommended the condensate be piped to a suitable drainage point to prevent ponding and/or slippery mold growth around the base of the unit.
An optional outdoor coil drain tundish is available (part 060000-635) with a 25mm OD stub. Alternatively, for a drip-free installation, a separate drain tray beneath the unit could be used to drain condensate to a suitable drainage point.
Condensate drains should be ‘U’ trapped outside the unit.
The trap should have a vertical height of at least 100 mm.
The drain should have a slope of at least 1 in 50 and must not be piped to a level above the unit drain pipe. (refer to fig. 2)
Figure 2. Condensate Drains

REFRIGERATION SYSTEM
3.1 General
These OPA models each have a single inverter compressor to provide the flexibility and economy of variable speed operation. The compressor is very efficient at part load.
Each refrigeration system has been charged with R32 refrigerant; refer Specifications document for the amount.
3.2 Compressor
The compressor is an inverter scroll type. The compressor lubricant is polyol ester oil (POE). Note, that this oil absorbs moisture quickly if exposed to open air.
On commissioning, the compressors must be checked for correct rotation (refer to Start-Up Procedure 5.2.2).
3.3 Economiser (Option) – Econex Plus Version
If the outdoor air temperature, or heat content preferably, is below that of the return air the fresh air damper can be opened and the return air damper closed to provide the first stage of cooling. A spill air facility in the building may be necessary for when the return air damper is closed. The fresh air damper should return to a minimum setting and the return air damper opens before the compressors are allowed to operate to provide further cooling.
3.4 Fresh Air (Option)
Airflow through the damper should not exceed 15% of the OPA unit’s nominal airflow. Excessive amounts of low ambient fresh air will reduce the performance of a reverse cycle OPA unit especially on the heating cycle.
The damper setting is dependent on the return air duct static pressure and the design airflow for the specific installation. It is recommended an airflow balance commissioning contractor be utilized. Too much fresh air introduction may void the OPA unit’s warranty.
3.5 Pressurised Compartment
The compressor/electrical compartment can be pressurized with indoor supply air. This assists in keeping dust out of the compartment. Two plastic bungs are located near the top of the common side wall (see below). Remove only the bungs applicable to your type of unit – standard or opposite hand; not both sets.
WIRING
4.1 Electrical Requirements
Electrical work must be done by a qualified electrician.
DANGER! LIVE ELECTRICAL CONNECTIONS. DISCONNECT MAINS POWER BEFORE WORKING ON UNIT. ONLY QUALIFIED PERSONS WHO ARE COMPETENTLY TRAINED SHOULD PERFORM SERVICE AND MAINTENANCE TASKS.
The outdoor unit must be wired directly from a distribution board by means of a circuit breaker and a mains isolator provided – preferably close to the unit.
Note: DO NOT USE REWIRABLE FUSES. A 24-hour power supply to the compressor crankcase heaters is required, otherwise, the warranty is void.
4.2 Control options
OPA ECO units can be controlled using any of the following options:
- TZT-100 wall thermostat
- SAT-3 wall thermostat
- 24V AC and 0-10V signals from an external controller or thermostat
- Remote on/off switch and/or time clock
- Modbus RTU serial communications over RS485 connection
- BACnet-IP serial communications over Ethernet connection (with optional gateway module)
Standard reverse cycle units are suitable for use with thermostats and controls with manual heating/cooling selection or automatic change-over.
A unit wiring diagram is supplied alongside the electrical board and in the Specifications document.
4.3 Remote on/off
The UC8 has an input for a remote on/off function on terminal ‘On’, signal return is terminal ‘0V’. When used the remote on/off terminals should connect to a voltage-free relay contact. When not used the remote on/off terminals should be shorted (‘looped’).
4.4 Capacity control
OPA ECO units offer the following capacity control options:
- Automatic control when the unit connects to the TZT-100 or SAT-3 wall thermostat.
- 0-10V control signal via terminal ‘VC’ on the UC8 circuit board, signal return is terminal ‘0V’.
- Control by a building management system via Modbus RTU or BACnet-IP serial communications.
4.5 Unit Controller (UC8)
Each dual compressor OPA unit utilizes two UC8 Controllers, one for each refrigeration system. The UC8 controllers receive requests such as ‘Unit On/Off, ‘Start compressors’, ‘Activate HEAT (Reverse Cycle)’ and transfer the requests to the outputs after enforcing safety timers.
The Unit Controller provides several system protection functions. These are covered in Appendix I (p.9).
For additional information, refer to the UC8 Controller label on the unit or www.temperzone.biz for operation & fault diagnostics information; model search ‘UC8’.
References available:
UC8 Operation Manual: Air-to-Air Units
UC8 Fault & Display Messages (as per unit label)
UC8 Quick Reference and Operation Fault Diagnosis
UC8 Troubleshooting Guide
UC8 Modbus Communications
UC8 BACnet Communications
UC8 Master-Slave Connection
START-UP PROCEDURE
5.1 Before starting the compressor
- Before working on the unit remove mains power from the unit by opening the mains isolating switch.
- Remove the shipping blocks from beneath each compressor. Check that each compressor is securely mounted.
- Check the thermostat and/or other controls are correctly wired to the unit.
- Check the tightness of electrical connections.
- Check the air filters have been correctly installed if present.
- Check that all indoor fan motors can freely rotate.
- Apply mains power to the unit by closing the mains isolating switch.
- Check the supply voltage between each phase and neutral.
- Check air diffusers are open.
- Before starting the compressors a four-hour delay period is required to allow the crankcase heaters to drive any liquid refrigerant out of the compressor oil. Mains power must be switched on during this four-hour delay period.
5.2 Commissioning
After the four-hour delay, the period has expired (see step 10 in section 5.1) complete the following procedure. You can use the Commissioning Sheet (supplied with the unit) to help you.
- Place the UC8 master controller in commissioning mode holding down the push button on the circuit board (refer to Section 4.5). Release the button when the display shows a small (lower case) letter ‘c’. Safety time delays are now reduced and remain so for the next half hour, or until the controller is reset by removing power.

- Start compressor number 1 in cooling mode.
Note: Compressors are directional. If a compressor rotates incorrectly it will not pump, be noisy and draw minimal current. If this is the case switch the unit off and check for correct mains phase connections at the main power terminals and re-check. - Check the outdoor fan motors run smoothly.
Note: Outdoor fans do not necessarily start rotating immediately after the compressor is started. The fans may run on for a short period after the compressor stops.
Outdoor fans stop during outdoor coil de-ice cycles. - Measure the current draw on each phase to the compressor motor and to each fan motor. Check the readings against the specified values in the wiring diagram or specification sheet.
- The display and pushbutton on the UC8 can be used to check temperatures and pressures. Short presses on the pushbutton cycle through the available options. Table 1 on page 8 shows, in sequence, what information is available – with examples.
Alternatively use a set of pressure gauges suitable for R32 refrigerant.
WARNING
Under no circumstances shall potential sources of ignition be used in the searching for or detection of refrigerant leaks. If a leak is suspected, all naked flames shall be removed/extinguished.
If leakage of refrigerant is found which requires brazing, all of the refrigerants shall be recovered from the system, or isolated (by means of shut-off valves) in a part of the system remote from the leak. - Repeat steps 2 to 5 for each compressor.
- Test the operation of the compressors when operating in heating mode.
- Check for desired supply air flow rate at each outlet.
- Touch up any outdoor unit paintwork damage to prevent corrosion.
- Sign the check label.
5.3 Commissioning of variable speed (EC) indoor plug fans
A unit equipped with variable speed (EC) indoor plug fans allows adjustment of the fan speeds to obtain the desired indoor supply airflows.
Using TZT-100 option
If the unit is controlled with a temper zone TZT-100 wall the thermostat then adjustments are made as follows:
- Stop all compressors. The UC8 display should show a flashing dot (●).
- Hold down the pushbutton and release it as soon as the display shows the letter ‘H’.
- The indoor fan will start and run at high speed.
The display shows the fan control voltage for the high-speed setting, the factory default value is 8V.
- Each following button press increases the control voltage in steps of 0.5V. The maximum is 10V. Pressing the button when the maximum of 10V is reached causes the control voltage to step down to the minimum of 3V, where-after subsequent presses once again raise the control voltage in steps of 0.5V.
- When the desired ‘high’ airflow is achieved wait 30 seconds without any more button presses. At the end of the 30-second period, the controller saves the setting in memory, and the fan stops.
- Hold down the pushbutton and release it as soon as the display shows the letter ‘L’. The indoor fan will start and run at the low-speed setting.
- Repeat steps 3 to 5 to adjust the fan low-speed setting.
The factory default control voltage for low speed is 5V. The minimum control voltage for low speed is 1V and the maximum control voltage for low speed is 8V.
(Note: A ‘low’ control voltage of less than 2V is not recommended.) If ‘low’ is set higher than ‘high’, the ‘high’ is made equal to ‘low’.
Using SAT-3 option
If the unit is controlled with a temper zone SAT-3 wall thermostat then adjustments are made as follows:
- Activate fan setup mode: Hold down
and the ‘4’ button together for 3 seconds. - When fan setup mode is active symbol
flashes on and off. - Press
to adjust the fan ‘low’ control voltage up or down. - When the desired ‘low’ voltage is set then pressb
and repeat step 3 to set the fan ‘high” voltage. - When adjustment is complete press
to exit fan setup mode.
Using Alternative Thermostats
Follow the same procedure as for TZT-100.
Note:
If fan speed selections are different from the factory default values then the procedure above must be carried out for each UC8 controller in the unit.
It is allowed to make the control voltages for low and high fan speeds equal. This makes the indoor fan act as a fixed-speed fan.
It is allowed to control the indoor fan speed by an external source, independent of the UC8 controller. It is then the responsibility of the system designer and installer to ensure
proper and safe operation of the indoor fan, and the system as a whole, under all operating conditions.
Setting the indoor fan speed too low can bring the risk of frost forming on the indoor coil with potential nuisance frost protection trips on cooling, possibly even unit lock-out, and/ or HP trips on heating.
Setting the indoor fan speed too high can bring a risk of blowing moisture off the fins of the indoor coil and into the supply air duct. Water could then start leaking from the supply air vents and diffusers and corrosion of ducting may occur.
Setting the indoor fan speed too high can also bring a risk of ‘over-condensing’ (when the unit is heating) which in turn could cause the unit to perform more outdoor coil de-ice cycles than necessary.
OPERATION
6.1 Safety timers
The UC8 receives control signals and transfers the signals to the outputs after enforcing safety timers and other protection functions. If the compressor is held off or hold on, by a safety timer then the display shows the message ‘H-O-L-d’.![]()
Normal durations of safety timers are:
- Minimum off time 3 minutes
- Minimum run time 1.5 minutes
- Min. cycle time 6 minutes (up to 10 compressor starts per hour)
- Min. mode change-over time 10 minutes (cooling to heating or vice-versa)
6.2 Variable Capacity
The OPA unit is equipped with a single variable-capacity compressor – inverter scroll type. DIP switch 14 on the UC8 the circuit board can be used to select one of two operating modes:
| DIP switch 14 | Capacity control mode |
| OFF | Standard capacity control |
| ON | Close capacity control |
Compressor operating capacities and 0-10V control voltages are:
| Compressor type | Minimum | Nominal | Max. / boost mode | |
| Close control | Standard control | |||
| Inverter | 21% (1.6V) | 40% (3V) | 100% (7.5V) | –z120% (10y) |
Note:
At any time, when operating conditions dictate, safety functions can restrict unit operating capacity.
Unless the application requires close control it is recommended to operate OPA units in standard capacity control mode.
When a capacity signal is presented that is lower than the minimum capacity (for example 0V on input ‘VC’) then the compressor operates on minimum duty.
If a unit operates on the low capacity for extended periods then the unit may periodically perform oil flush cycles. Under such operating conditions compressor lubricating oil may slowly settle in parts of the refrigeration system other than the compressor; oil flush cycles help to return the lubricating oil to the compressor. During an oil flush, cycle compressor capacity is increased to a certain minimum. The duration of an oil flush cycle is 1 minute.
CONTROLS
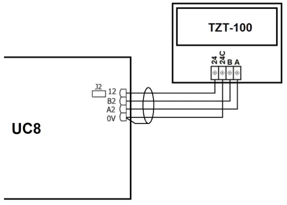
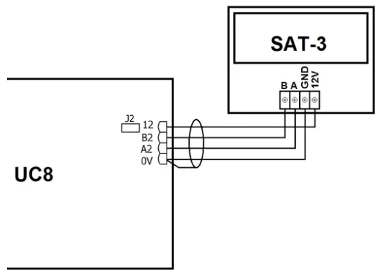
7.1 TZT-100 or SAT-3 wall thermostat
To connect the thermostat to the unit it is recommended to use a shielded twisted pair type cable, suitable for RS485 communications. Signals A and B should form one twisted
pair.
Note: The cable shield should connect to terminal ‘0V’ on the UC8 controller only. Do not connect at both ends. Connect the thermostat as follows:
TZT-100 Connection:
SAT-3 Connection:
Note: Capacity Staging. A TZT-100 or SAT-3 must be configured for single-stage operation, the default setting.
TZT-100 has its own DIP switches that must be set as follows:
| DIP switch 2 | ON | Equipment type = Heat Pump |
| DIP switch 3 | OFF | Equipment stages = One |
| DIP switch 4 | ON | Reverse cycle valve on = Heating |
SAT-3: Refer SAT-3 Installation Set-up Guide on page 3.
7.2 Communications format for TZT-100 and SAT-3.
The communications format must be set as per recommended Modbus RTU:
- Baud rate (bd or br) 19200
- Data bits 8
- Parity Even
- Stop bits (Pa) 1
- TZT-100 address (Ad) 7
- SAT-3 address (Ad) 8
TZT-100:
The procedure to check and adjust these settings is:
- Press and hold the O/RIDE button until the display shows the PIN
- Use the UP & DOWN buttons to select PIN code 88:21, then press O/RIDE in installer mode.
- Use the O/RIDE and PROG buttons to cycle through the various installer settings.
If necessary, refer TZT-100 User Manual for more detail.
SAT-3:
The procedure to check and adjust these settings is:
- Press and hold the MODE and 6 buttons until the display shows the ‘i’ symbol.
- Use the UP & DOWN buttons to cycle through the various installer settings.
- Press the MODE button to save any new setting.
If necessary, refer SAT-3 Installation Set-up Guide for more detail.
7.3 Control using switched and 0-10V signals
An external controller that provides 24V AC switched signals or has a set of voltage-free relay contacts should be connected as per the diagram below. UC8 input ‘VC’ will accept a 0-10V capacity control signal. If no capacity control signal is available then link UC8 terminals ‘VC’ and ‘12’. It is necessary to configure the UC8 controllers in the unit as master and slave; refer to Section 7.2 and follow steps 1, 2 & 4.

7.4 Control via Modbus RTU communications
OPA ECO units can be fully monitored and controlled via Modbus RTU serial communications. The following is typical for most installations:
- Set DIP switches 11 and 12 OFF on all UC8 controllers.
- Connect BMS terminal A / TX+ to terminal A1 on all UC8 controllers.
- Connect BMS terminal B / TX- to terminal B1 on all UC8 controllers.
It is recommended to ‘daisy-chain’ the A&B connections using shielded twisted pair type cable, suitable for RS485 communications. Signals A and B should form one twisted pair. The cable shield should connect to terminal ‘0V’ on the UC8 controller. The Master/Slave communications cable connected between the UC8 controllers must be removed.
DIP switch 11 must be set to OFF on both UC8 controllers. - To avoid collisions of messages on the RS485 serial communications cable it is necessary to ensure each connected UC8 controller has a unique Modbus device address. Refer to section 7.6 for the procedure.
Example:
For detailed information about monitoring and control via Modbus RTU refer to the document “UC8 Modbus communications”, available free on the temper one internet website.
7.5 Setting the UC8 Modbus device address
To view or change the Modbus device address of a UC8 follow these steps:
- Power up the unit but leave the compressors off.
- Hold down the pushbutton on the UC8, and release the button as soon as the display shows the letter ‘A’.
- The display will show the current Modbus device address. The factory default address is 44. Press the button to select higher numbers, for example, press once to change the address to 45, press twice for address 46, and so forth. After address 99 the number returns back to 1.
- When the desired address is selected wait for 30 seconds. The controller will save the selected address in memory.
7.6 Economiser Option
The Economiser package that is factory fitted consists of two opposed blade dampers, one for the fresh air and the other for the return air, and is complete with individual damper motors controllable from a 0 – 10V dc signal. The package also includes a fresh air cowl (weather hood) assembly that is usually supplied as a separate item for fitting on site.
It is important that the installation instructions for the fitting of the fresh air cowl are followed otherwise it is possible some water ingress from rain could occur. The top flange of the cowl must be tucked under the top panel lip.
The damper control will be factory wired such that the return air damper will close proportionally as the fresh air damper opens proportionally and vice versa. The fresh air damper’s adjustable stop can be set such that it does not close 100%; many installations may require a minimum fresh air introduction of 10 – 15% and the stop may be set on site to facilitate this. Set the economizer Fresh Air Damper motor ‘stop’ to the equivalent negative static pressure as with the F/A damper closed. This is to ensure the airflow volume remains constant and does not dramatically increase when introducing fresh air. Failure to set the correct ‘stop’ position could result in rain/moisture entrainment in the incoming fresh air resulting in water deposited inside the unit.
As previously mentioned a 0 – 10V dc control signal is required to drive the dampers open and closed. This could be from a BMS or a temperature/humidity controller.
It is recommended that control is by Enthalpy (or by a combination of dry and wet bulb temperatures) so that free cooling is used without adding any heat load to the building. Control by dry bulb temperature alone is not recommended as often, even though the outdoor dry bulb temperature may be lower than that of the space, the total heat content of the air can be higher thereby adding heat load in the form of moisture content to the space.
If dry bulb temperature is used as the control method the temperature must be set several degrees lower than the space temperature to reduce the possibility of extra heat load being introduced.
Air Quality (CO2 ) sensors can be used to proportionally control the fresh and return air dampers (via the control system).
In all situations the UC8 Unit Controller will allow the compressors to operate with the economizer fresh air damper open providing the refrigeration system is not compromised.
The compressor(s) could be stopped from operating by normal protection devices such as low suction temperature/pressure or indoor coil frost protection and too many trips of either fault could lead to a lockout of the compressor(s) operation. Should this occur then a review of the control settings may be necessary?
MAINTENANCE
WARNING! HAZARDOUS VOLTAGE. ENSURE ALL POWER SUPPLIES ARE ISOLATED BEFORE PERFORMING MAINTENANCE. FAILURE TO ISOLATE POWER CAN LEAD TO SERIOUS INJURY.
8.1 Monthly
- Check air filters, if fitted, and vacuum or wash clean as necessary.
- Check the condensate drain for free drainage.
- Check compressor compartment for oil stains indicating refrigerant leaks.
WARNING
Under no circumstances shall potential sources of ignition be used in the searching for or detection of refrigerant leaks. If a leak is suspected, all naked flames shall be removed/extinguished.
If leakage of refrigerant is found which requires brazing, all of the refrigerants shall be recovered from the system, or isolated (by means of shut-off valves) in a part of the system remote from the leak. - Check system operating pressures via the UC8 (refer to Section 5.2.5).
8.2 Six Monthly
- Check the tightness of electrical connections.
- Check for signs of corrosion on electrical connections in high salt atmospheres; replace where necessary.
- Check the tightness of all fans, and motor mountings.
- Check system operating pressures via the UC8 (refer to Section 5.2.5).
- Check and/or replace indoor air filters
- Check the condensate drain for free drainage.
8.3 Yearly
- Check all refrigerant piping for chafing and vibration.
- Check the operation of electric heaters, if fitted
- Check air supply at all diffusers
- Check for excessive noise and vibration and correct as necessary.
- Check for insulation and duct damage and repair as necessary.
- Check system operating pressures via the UC8 (refer to Section 5.2.5).
- Remove lint and dust accumulation from outdoor coil fins with a soft brush or low-pressure water spray.
- Touch up any paintwork damage to prevent corrosion.
TROUBLESHOOTING
9.1 Room temperature varies significantly from its setting
- The unit may have been incorrectly sized for the building.
- Drafts from wrongly placed supply air diffusers or from the back of the wall plaque could be affecting the temperature a sensor built into the wall plaque.
- Poor air circulation in the room can cause incorrect temperature readings.
9.2 Air conditioner does not seem to deliver the heating when most needed
- Heating capacity at design conditions may be incorrect.
As the outside temperature falls, heat losses through the walls, floor, and ceiling increase. - Check the unit’s brochure for information on the minimum/ maximum operating temperatures.
9.3 When heating, units have de-icing cycles built to remove ice on the outdoor coil.
- This usually means reversing the cycle for a few minutes during which time there is no heating and in fact, a little cooling can occur.
9.4 In a new building, why does it take some days before the air conditioning heat hump unit seems to work properly
- Many new buildings, especially commercial buildings, have a large amount of concrete and other structural materials that are generally cold and full of moisture.
This is most evident in the winter when trying to heat the building from scratch.
9.5 Unit is leaking water
- Check the drain trap/vent/slope.
- Water carry-over: Reduce the maximum fan speed.
9.6 Air conditioner runs excessively – the temperature remains too hot in summer or too cold in winter.
- Windows or doors may be opened to nonconditioned areas.
- Keep doors to unconditioned areas closed.
- Leaves, papers, or other items block airflow over the outdoor unit coil.
- The location of the wall controller or remote temperature sensor is incorrect.
- Check for leaks in supply or return air ductwork.
9.7 Outdoor unit displays an error code:
- Refer to the UC8 Controller label on the unit for operation & fault diagnostics information or visit www.temperzone.biz; model search ‘UC8’.
WARRANTY
Please refer to the separate warranty document supplied with the unit, or visit www.temperzone.biz for details.
Australia:
[email protected]
[email protected]
Telephone: 1800 21 1800
New Zealand:
[email protected]
Telephone: 0800 TZWARRANTY (899 2777)
UC8 CONTROLLER DISPLAY
Table 1, Information available on the UC8 display.
| Item | Unit | Abbreviation | Examples |
| Compressor suction line pressure | kPa | SLP | ![]() Suction line pressure 1034 kPa |
| Evaporating temperature | °C | Et | ![]() Evaporating temperature 12°C |
| Compressor suction line temperature | °C | Sit | ![]() Suction line temperature 18°C |
| Compressor suction side superheat | K | SSH | ![]() Suction side superheat 6K |
| Compressor discharge line pressure | kPa | dLP | ![]() Discharge line pressure 2447 kPa |
| Condensing temperature | °C | Ct | ![]() Condensing temperature 42 °C |
| Compressor discharge line temperature | °C | dLt | ![]() Discharge line temperature 70°C |
| Compressor discharge side superheat | K | di | ![]() Discharge side superheat 28K |
| De-ice sensor temperature (located on fins of the outdoor coil) | °C | ICEt | ![]() De-ice sensor temperature 39°C |
| Capacity | % | CAP | ![]() Capacity 100% |
| Expansion valve 1 opening | % | EE1 | ![]() Expansion valve 1 75% open |
| Expansion valve 2 opening | % | EE2 | ![]() Expansion valve 2 75% open |
APPENDIX I
PROTECTION FUNCTIONS
The UC8 implements system protection functions such as indoor coil frost, extreme high and low pressures, rapid on-off cycling of the compressors, loss of refrigerant, and more.
The following applies to all protection functions except where otherwise indicated:
Unit operating capacity may automatically be reduced before a protection function is activated. Such a reduction may be sufficient to prevent an actual trip from occurring.
When a compressor is stopped by a protection function it is held off for 3 minutes, after which it is allowed to restart (provided the cause of the trip has cleared).
When a protection function is active and when a unit is locked out the alarm relay output “FLT” is active.
More detailed information about protection functions and troubleshooting refer to the document “UC8 troubleshooting information”, available for free download from the temperzone internet website.
- High-pressure protection (HP)
Some OPA ECO units may be fitted with high-pressure switches. These switches connect to UC8 inputs IN#1.
When a high-pressure switch activates (the electrical circuit opens) then the compressor is stopped.
Most OPA ECO units are fitted with high-pressure transducers connected to UC8 input HPT. A compressor is switched off when the discharge line pressure reading exceeds 4238 kPa.
The display shows the letters ‘HP’ when protection is
active. - Low-pressure protection (LP)
Some OPA ECO units may be fitted with low-pressure switches. These switches connect to UC8 inputs IN#2.
When a low-pressure switch activates (the electrical circuit opens) then the compressor is stopped.
Most OPA ECO units are fitted with low-pressure transducers connected to UC8 input LPT. A compressor is switched off when the suction line pressure reading falls below 228 kPa.
The display shows the letters ‘LP’ when protection is active.
- Indoor coil frost protection
When the unit is cooling the evaporating
temperature in the indoor coil should remain above -8°C. If this temperature falls below -8°C then ice (frost) likely will form on the indoor coil. If the low temperature persists for longer than 6 minutes then the protection function activates.
When indoor coil frost protection is activated the compressor is stopped for 6 minutes, after which it is allowed to restart. - High discharge line temperature protection
The controller monitors the compressor discharge line temperature via a sensor connected to input ‘DL’ (red wires).
The compressor is stopped when:
• The temperature rises above 110°C for longer than 30 minutes.
• The temperature rises above 120°C (immediate action).
The display shows the message ‘Hit’ when protection is active.
- High discharge superheat protection
Discharge superheat is defined as the difference between the compressor discharge gas temperature and the condensing temperature. When this temperature differential ecomes very high it is an indication that the compressor is being starved of refrigerant gas. Common reasons for this could be a lack of refrigerant (under-charged or loss of charge) or a problem with the expansion device (for example a stuck accurate or loose wiring to an EEV). The protection is activated when discharge superheat
exceeds 45K for longer than 30 minutes.
The display shows the message ‘Hi-dsh when protection is active.
- Low discharge superheat protection
Discharge superheat is defined as the difference between the compressor discharge gas temperature and the condensing temperature. When this temperature differential stays very low it can be an indication that the compressor is being flooded with liquid refrigerant. Common reasons for this could be an excess of refrigerant (over-charged) or a problem with the expansion device (for example a stuck accurate or loose wiring to an EEV).
The protection is activated when discharge superheats remains below the threshold for longer than 15 minutes.
The threshold varies linearly from 0K at standard mode minimum capacity (40%) to 10K at nominal capacity (100%).
This protection function is disabled when a compressor operates at less than standard mode minimum capacity (< 40%).
The threshold for a variable speed compressor operated in boost mode (capacity above 100%) is fixed at 10K.
The display shows the message ‘LO-dSH’ when protection is active.
- High evaporation temperature / high suction line temperature protection
When the unit has a low-pressure transducer connected to the compressor suction line then the controller calculates the evaporating temperature from the suction line pressure reading. If the unit does not have a low-pressure transducer then the controller finds the evaporating temperature via a coil temperature sensor (input IC when the unit is cooling, input OC when the unit is heating, blue wires).
Additionally, the controller monitors the compressor suction line temperature via a sensor connected to input ‘SL’ (white wires).
The protection function stops the compressor when:
• The evaporating temperature remains above 27.5°C for longer than 15 minutes.
• The suction line temperature remains above 30°C for longer than 15 minutes.
The display shows the message ‘Hi-SL’ when protection is active.
- Other alarms
The controller performs many other protection functions.
For example:
• Signals from sensors and transducers must remain inside the normal operating range.
• Modbus RTU communications with connected devices (e.g. TZT-100 or SAT-3 thermostat, a Carel Power+ inverter) must continue uninterrupted.
• Modbus RTU communications with a controller such as a BMS that is controlling the unit must continue uninterrupted.
Refer to document ‘UC8 Troubleshooting Guide’ for details. - Lock-out
Each protection function has a trip counter. A trip counter is reset to 0 whenever the compressor run request is removed. Any trip that has occurred more than 12 hours ago is removed from the trip count. For some protection functions, when the trip counter reaches value 3 (i.e. three consecutive trips occur) then the unit is “locked out”.
When a unit is locked out the compressor is not allowed to start. Lock-out is designed to protect the compressor from repeatedly starting when a serious fault exists that requires the attention of a service technician.
The display shows the code of the fault that caused the lock-out condition.
A unit that is locked out can be unlocked using any one of the following methods:
• Remove mains power from the unit for at least 3 seconds, then restore power.
• Issue an ‘unlock’ command via Modbus RTU serial communications.
• Reset the controller via Modbus RTU serial communications.
APPENDIX II
AIR HANDLING PERFORMANCE
Note: Airflows are for a dry coil. Reduce airflow by 10% in wet coil conditions. In a free blow or low resistance application, beware of exceeding the indoor fan motor’s full load amp limit (refer to Specifications document).
As filters are optional, the fan air flows given are for units installed without filters.


COMMISSIONING CHECKLIST
Site Name/Address: ………………………………..
Installing Company ………………………………..
Date: ………………………………………………….
Serviceman: …………………………………………
Tel: ……………………………………………………
Model …………………………………………………
Serial No…………………………………………..
Site Ref. …………………………………………..
| Supply voltage checked? | Y / N |
| External electrical isolator fitted? | Y / N |
| Indoor Plug fan set voltage | V |
| Are temperature controller parameters set? | Y / N |
| Checked for excessive noise & vibration of unit? | Y / N |
| Has the client had a controls demo? | Y / N |
| Electrical Certificate Of Compliance issued? | Y / N |
| Did unit mount level? | Y / N |
| Temperzone recommended drain trap fitted? | Y / N |
| Water drains tested okay? (panels on, fan running) | Y / N |
| Does the unit have adequate safe access? | Y / N |
| All electrical terminals are tight? | Y / N |
| Return air filters fitted? | Y / N |
| Removed compressor shipping blocks? | Y / N |
| Refrigeration leak checked? | Y / N |
| Is airflow set and balanced? | Y / N |
| Thermostat type: | BMS / SAT-3 / TZT-100 / Other? (name): |
Mark UC8 dip switch positions with an ‘X’
| SW1 | ||||||||
| 1 | 2 | 3 | 4 | 5 | 6 | 7 | 8 | |
| On | ||||||||
| Off | ||||||||
| SW2 | |||||||||||||||
| 9 | (1) | 10 | (2) | 11 | (3) | 12 | (4) | 13 (5) | 14 | (6) | 15 | (7) | 16 | (8) | |
| On | |||||||||||||||
| Off | |||||||||||||||
Record the following UC8 monitored conditions using the push button SW3 (repeat to scroll through the list).
IMPORTANT: Digital compressors must be operating at 100% for at least 10 minutes when taking these readings.
Cool Cycle:
| System 1 | ||
| Low Pressure: | SLP | kPa |
| Evap temperature: | Et | °C |
| Suction Line temperature: | SLt | °C |
| Suction Superheat: | SSH | K |
| Discharge Line Pressure: | dLP | kPa |
| Condensing temperature: | Ct | °C |
| Discharge Line temperature: | dLt | °C |
| Discharge Superheat: | dSH | K |
| De-ice Sensor temperature: | ICEt | °C |
| Required Capacity: | CAP | cyo |
| Expansion Valve 1: | EE1 | 0/0 |
| Expansion Valve 2: | EE2 | 0/0 |
| Outdoor Ambient temperature: | °C |
| Indoor Return air temperature: | °C |
| Indoor Supply air temperature: | °C |
| Indoor fan amps : | A |
| Fresh Air introduced : | cyo |
| Compressor 1 amps : | A |
| Compressor 2 amps : | A |
Heat Cycle:
| Low Pressure: | SLP | kPa |
| Evaporating temperature: | Et | °C |
| Suction Line temperature: | SLt | °C |
| Suction Superheat: | SSH | K |
| Discharge Line Pressure: | dLP | kPa |
| Condensing temperature: | Ct | °C |
| Discharge Line temperature: | dLt | °C |
| Discharge Superheat: | dSH | K |
| De-ice Sensor temperature: | ICEt | °C |
| Required Capacity: | CAP | ok |
| Expansion Valve 1: | EE1 | 0/0 |
| Expansion Valve 2: | EE2 | cyo |
| Outdoor Ambient temperature: | °C |
| Indoor Return air temperature: | °C |
| Indoor Supply air temperature: | °C |
| Indoor fan amps : | A |
| Fresh Air introduced : | 0/0 |
| Compressor 1 amps : | A |
| Compressor 2 amps : | A |
NOTE: This document is to be kept with the unit. Failure to provide this completed page on request by Temperzone may affect the unit warranty.
© temper zone limited 2021




































