Halo LT6 Series Phase Cut
User Guide
Halo LT6 Series Phase Cut
Project……………………….
Prepared by…………………..
Catalog #…………………
Notes………………………..
Type…………………………..
Date ………………………..
Quicklime | LT6-DM Phase Cut
Halo Quicklime Low Voltage Lighting Kit
Canlas Installation
Typical Applications
Residential
- Order Information page 2
- Product Specifications page 2
- Photometric Data page 4
- Product Warranty
Top Product Features
- Single driver powers multiple LED fixtures connected by low voltage cable
- Selectable CCT: 2700K, 3000K, 3500K, 4000K, 5000K
- Direct mount – does not require recessed housing or junction box
- 120V input, dimmable down to 10% with select phase cut dimmers
- Perfect for new construction or remodel work
- Power supply and LED units are IC rated
Product Certification
Refer to ENERGY STAR® Certified Products List.
Can be used to comply with California Title 24 High Efficacy requirements.
Certified to California Appliance Efficiency Database under JA8.
Product Features
![]()


Order Information
SAMPLE ORDER NUMBER: (1) LTQL6069S1EDM-4PK, (2) LTQL6069S1EDM
Purchase kit and additional fixtures separately.
Low Voltage Lighting Kit
Kit includes (1) 72W low voltage remote driver, 35ft of low voltage CM cable, (4) LTQL6 fixtures
| Model | Lumens | CRI/CCT | Driver | Installation | Kit Size |
| Model | Lumens | CRI/CCT | Driver | Installation | Kit Size |
| LTQL6 = 6-inch LT QuickLink Low Voltage Lightingv | 06 = 600 lumens (nominal) | 9S = 90 CRI min, 5-color selectable CCT | 1E = 120V, phase cut 10% dimming | DM = Direct mount canless installation | -4PK = 4 pack kit including driver |
| Notes | Notes | Notes | Notes | Notes | Notes |
Additional Fixtures(1)
Driver NOT included. Connect additional fixtures to Low Voltage Lighting Kit.
| Model | Lumens | CRI/CCT | Driver | Installation |
| Model | Lumens | CRI/CCT | Driver | Installation |
| LTQL6 = 6-inch LT Quicklime Low Voltage Lightings | 06 = 600 lumens (nominal) | 9S = 90 CRI min, 5-color selectable CCT | 1E = 120V, phase cut 10% dimming | DM = Direct mount canless installation |
| Notes | Notes | Notes | Notes | Notes |
(1) Maximum 8 fixtures per driver.
Accessories
Mounting Frames(2)
HL6RSMF = 6” round and square mounting frame
Notes
(2) Due to its size, the Quicklime Remote Driver must mount to the building structure, not a mounting frame.
| Fixture Count | ||
| Model | Watts per Downlight | Max Downlights |
| LT-DM 6” Phase Cut | 8.1 W | 8 |
Product Specifications
Modules
- Module construction includes LED Array, heat sink, reflector, lens, splay and trim ring.
- Regressed splay
- Heat sink designed to conduct heat away from the LED Array
Gaskets
- Closed cell gasket achieves restrictive airflow requirements without additional caulking
LED Array
- Plurality of mid power LED’s provides a uniform source with high efficiency and long life
- 90 color rendering index (CRI) minimum; R9 greater than 50 provides high color rendering
- Field selectable color temperature, select 2700K, 3000K, 3500K, 4000K or 5000K CCT; color accuracy within 4 SDCM
- Meets ENERGY STAR® color angular uniformity requirements
Optical Assembly
- Regressed lens
- Impact-resistant polycarbonate
- Convex form and lamp-like appearance
- Diffuse for even illumination
Junction Box
- Pre-galvanized steel driver/junction box with captive hinged junction box cover
- Hinged junction box for easier installation into ceiling plenum
- Three 1⁄2” conduit pry-outs
- Two Slide-N-Side™ non-metallic (NM) wire traps allows wiring outside the box
- Accepts NM cable types: 14-2, 14-3, 12-2, 12-3 (U.S.) and 14-2, 14-3, 12-2 (Canadian)
- Three 4-port push wire nuts with clear caps for quick and reliable mains voltage connections
- Integral mounting holes facilitate direct mounting to building structure
Driver
- 72W 120V, providing noise free operation
- Continuous flicker-free dimming down to 10% with select phase cut dimmers
- Plenum rated inline electrical quick connect provides low voltage connection to fixture fitting
Installation
- Can be installed in 1/2” to 1-1/4” thick ceilings
- Heat treated springs hold fixture fitting securely in the ceiling
- Halo Quick Link Quick Connectors allow for quick installation of additional fixtures
Compliance
- UL Certified for US and Canada
- NOTE: Not for use in direct contact with spray foam insulation, reference NEMA LSD57-2013
- Wet location listed and IP44 ingress protection
- Air-tite per ASTM-E283-04
- Suitable for use in clothes closets when installed in accordance with the NEC 410.16 spacing requirements
- EMI/RFI emissions per FCC 47CFR Part 15 consumer limits
- Contains no mercury or lead and RoHS compliant
- Photometric testing in accordance with IES LM-79-08
- Lumen maintenance projections in accordance with IES LM-80-08 and TM-21-11
- Compliant with California Title 24 High Efficiency LED under JA8, reference Modernized Appliance Efficiency Database System (MAEDBS) for 2019 JA8 High Efficacy Lighting
- ENERGY STAR® certified (reference “Certified Light Fixtures” database)
Warranty
- Five year limited warranty, consult website for details. www.cooperlighting.com/legal
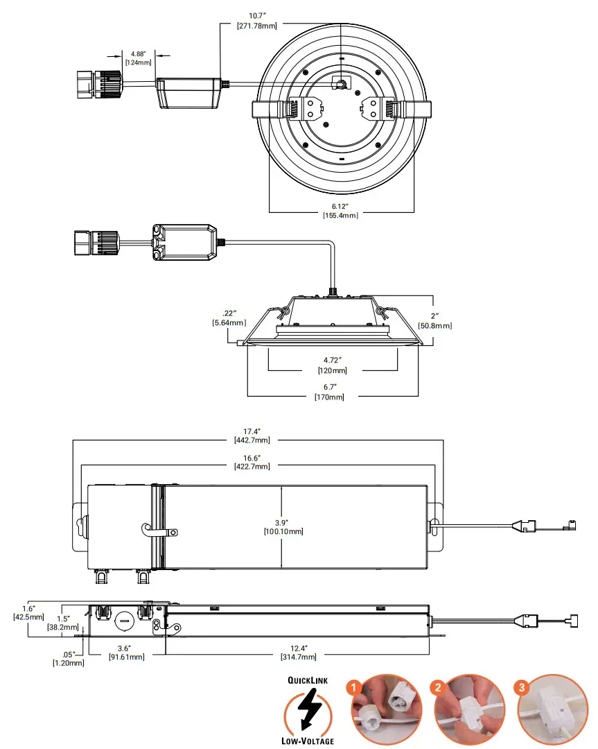
Dimensional and Mounting Details

Photometric Data
LTQL6069S1EDM-3000K-UNIT
Spacing criterion: (0-180) 1.00
(90-270) 1.22
(Diagonal) 1.28
Beam Angle: 95°
Field Angle: 139.2°
Lumens: 825
Input Watts: 8.1 W
Efficacy: 101.9 LPW
Test Report:
LTQL6069S1EDM-3000K-UNIT.ies
| Zonal Lumen | Lumens | % Lumens |
| 0-30 | 292 | 35.4 |
| 0-40 | 466 | 56.5 |
| 0-60 | 747 | 90.5 |
| 0-90 | 825 | 100 |
| TM-30-15 | Rf = 94 |
| Rg = 101 | |
| CRI/CIE | Ra = 94 |
| R9 = 70 |
CCT – Range of 2700K- 5000K
Note: Lumen output may decrease based on distance from power supply and quantity of LED heads used.
Energy Data – 4 Pack Kit
| Lumens | 3300 lm @ 3000K |
| Input Voltage | 120V |
| Input Current | 0.34 (A) |
| Input Power | 40 (W) |
| Efficiency | 84.6 (LPW) |
| Inrush (A) | 16 A @ 700 μS |
| THD | ≤ 20% |
| PF: | ≥ 0.9 |
| T Ambient | -30 – +40°C |
| Sound Rating | ≤ 22 dba |
LTQL4069S1EDM – Individual Fixture
| CCT | Watts | Lumens | LPW | CRI | |
| Individual Downlight 800LM | 2700K | 8.1 | 780 | 96.3 | 93 |
| 3000K | 8.1 | 825 | 101.9 | 94 | |
| 3500K | 8.2 | 865 | 105.5 | 94 | |
| 4000K | 8.2 | 895 | 109.1 | 94 | |
| 5000K | 8.1 | 925 | 114.2 | 93 |
LTQL4069S1EDM-4PK – System
| CCT | Watts | Lumens | LPW | CRI | |
| 4PK-System Downlight 3200LM | 2700K | 39.2 | 3120 | 79.6 | 93 |
| 3000K | 39 | 3300 | 84.6 | 94 | |
| 3500K | 39.1 | 3460 | 88.5 | 94 | |
| 4000K | 39.2 | 3580 | 98.2 | 94 | |
| 5000K | 39.3 | 3700 | 94.1 | 93 |
Product Specifications
LTQL4069S1EDM
PRODUCT SPECIFICATIONS
| Lumens | 825 |
| Watts | 8.1 |
| Lumens Per Watt (Efficacy) | 101.9 |
| Color Accuracy (CRI) | 94 |

Cooper Lighting Solutions
1121 Highway 74 South
Peachtree City, GA 30269
P: 770-486-4800
www.cooperlighting.com
© 2022 Cooper Lighting Solutions
All Rights Reserved.
Specifications and dimensions subject to change without notice.
PS51800622 page 4
March 3, 2022 8:16 AM


















