
SERIES 9
43S905BUS 50S905BUS 55S905BUS 65S905BUS
LED TV QUICK S TA R T GUIDE
PREPARATION
Disassembly and Installation
Note: The pictures are only for reference.
Accessories
- Batteries/2
- Remote Control
- Quick Start Guide
- Base Stands/2
- Screws/4
- Warranty Card
- Power Cord
WARNINGS AND PRECAUTIONS
Note: Read all of the instructions before operating the set. Keep these instructions well for later use.
- Read these instructions -All the safety and operating instructions should be read before this product is operated.
- Keep these instructions – The safety and operating instructions should be retained for future reference.
- Heed all warnings – All warnings on the appliance and in the operating instructions should be adhered to.
- Follow all instructions- All operating and use instructions should be followed.
- Do not use this apparatus near water – The appliance should not be used near water or moisture – for example, in a wet basement or near a swimming pool, and the like.
- Clean only with a dry cloth.
- Do not block any ventilation openings. Install in accordance with the manufacturer’s instructions.
- Do not install near any heat sources such as radiators, heat registers, stoves, or other apparatus (Including amplifiers) that produce heat.
- Do not defeat the safety purpose of the polarized or grounding plug. A polarized plug has two blades with one wider than the other. A grounding plug has two blades and a third grounding prong. The wide blade or the third prong is provided for your safety. If the provided plug does not fit into your outlet, consult an electrician for the replacement of the obsolete outlet.
- Protect the power cord from being walked on or pinched particularly at the plugs, convenience receptacles, and at the point where they exit from the apparatus.
- Only use attachments/accessories specified by the manufacturer.
- Use only with the cart, stand, tripod, bracket, or table specified by the manufacturer, or sold with the apparatus. When a cart or rack is used, use caution when moving the cart/ apparatus combination to avoid injury from tip-over.

- Unplug the apparatus during lightning storms or when unused for long periods of time.
- Refer all servicing to qualified personnel. Servicing is required when the apparatus has been damaged in any way, such as power supply cord or plug is damaged, liquid has been spilled or objects have fallen into the apparatus, the apparatus has been exposed to rain or moisture, does not operate normally, or has been dropped.
- CAUTION: These servicing instructions are for use by qualified service personnel only. To reduce the risk of electric shock, do not perform any servicing other than that contained in the operating instructions unless you are qualified to do so.
- Do not install this equipment in a confined or building-in space such as a bookcase or similar unit, and remain a good ventilation condition at the open site. The ventilation should not be impeded by covering the ventilation openings with items such as newspaper, tablecloths, curtains, etc.
- Please refer to the information on the rear enclosure for electrical and safety information before installing or operating the apparatus.
- To reduce the risk of fire or electric shock, do not expose this apparatus to rain or moisture.
- The apparatus shall not be exposed to dripping or splashing and that no objects filled with liquids, such as vases, shall be placed on the apparatus.
- The terminals marked with the symbol of ”
” may be of sufficient magnitude to constitute a risk of electric shock. The external wiring connected to the terminals requires Installation by an instructed person or the use of ready-made leads or cords. - To prevent injury, this apparatus must be securely attached to the floor/wall in accordance with the installation instructions.
- Danger of explosion if the battery is incorrectly replaced. Replace only with the same or equivalent type.
- The battery (battery or battery or battery pack) shall not be exposed to excessive heat such as sunshine, fire, or the like.
- Excessive sound pressure from earphones and headphones can cause hearing loss. Listening to music at high volume levels and for extended durations can damage one’s hearing. In order to reduce the risk of damage to hearing, one should lower the volume to a safe, comfortable level, and reduce the amount of time listening to high levels.
- The mains plug/appliance coupler/direct plug-in adapter is used as the disconnect device, the disconnect device shall remain readily operable.
- When not in use and during movement, please take care of the power cord set, e.g. tie up the power cord set with a cable tie or something like that. It shall be free from sharp edges and the like that can cause abrasion of the power cords. When put into use again, please make sure the power cord set being not damaged, If any damages are found, please look for the service person to replace the power cord set specified by the manufacturer or have the same characteristics as the original one.
- Attention should be drawn to environmental aspects of battery disposal.
- No naked flame sources, such as lighted candles, should be placed on the apparatus. To prevent the spread of fire, keep candles or other open flames away from the apparatus at all times.
- If the apparatus has the symbol
in its rating label and the power cord has two pins, it means that the equipment is a Class II or double insulated electrical appliance. It has been designed in such a way that it does not require a safe connection to electrical earth. - The following information is recommended to be included as far as applicable where applicable:
| Refers to alternating current (AC) | |
| Refers to direct current (DC) | |
| Refers to classic equipment | |
| Refers to stand-by | |
| Refers to power ON. | |
| Refers to dangerous voltage |
- Warning for Apparatus containing COIN/BUTTON CELL BATTERIES (Below instruction only used for the apparatus containing a user-replaceable coin/button cell battery)
- Warning: Do not ingest the battery, Chemical Bum Hazard (The remote control supplied with)
This product contains a coin/button cell battery. If the coin/button cell battery is swallowed, it can cause severe internal burns in just 2 hours and can lead to death. Keep new and used batteries away from children. If the battery compartment does not close securely, stop using the product and keep it away from children. If you think batteries might have been swallowed or placed inside any part of the body, seek immediate medical attention. - WEEE Directive
Correct Disposal of this product. This marking indicates that this product should not be disposed of with other household wastes throughout the EU. To prevent possible harm to the environment or human health from uncontrolled waste disposal, recycle it responsibly to promote the sustainable reuse of material resources. To return your used device, please use the return and collection systems or contact the retailer where the product was purchased. They can take this product for environmentally safe recycling.
![]()
- This lightning flash with an arrowhead symbol within an equilateral triangle is intended to alert the user to the presence of non-insulated “dangerous voltage” within the product’s enclosure that may be of sufficient magnitude to constitute a risk of electric shock.
- To reduce the risk of electric shock. Do not remove cover (or back). No user-serviceable parts inside. Refer to qualified service personnel.
- The exclamation point within an equilateral triangle is intended to alert the user to the presence of important operating and maintenance instructions in the literature accompanying the appliance.
POSITIONING THE TV SET
- Install Display on solid horizontal surfaces such as a table or desk. For ventilation, leave a space of at least 10 cm free all around the set. To prevent any fault and unsafe situations, please do not place any objects on top of the set. This apparatus can be used in tropical and/or moderate climates.
- Fixing the rear of the enclosure to the wall. The below picture is different from the actual item, thus it’s only for reference. (only for some regions)

Never place a television set in an unstable location. A television set may fall, causing serious personal injury or death. Many injuries, particularly to children, can be avoided by taking simple precautions such as:
- Using cabinets or stands recommended by the manufacture of the television.
- Only using furniture that can safely support the television.
- Ensuring the television is not overhanging the edge of the supporting furniture.
- Not placing the television on tall furniture (for example, cupboards or bookcases) without anchoring both the furniture and the television set to a suitable support.
- Not placing the television set on cloth or other materials that may be located between the television set and supporting furniture.
- Educating children about the dangers of climbing on furniture to reach the television or its controls.
If your existing television set is being retained and relocated, the same considerations as above should be applied (Only for the TV with a mass exceeding 7 kg) - An optional wall mount can be used with your television. Consult with your local dealer for a wall mount that supports the VESA standard used by your TV model. Carefully attach the wall mount bracket at the rear of the TV. Install the wall mount bracket on a solid wall perpendicular to the floor. If you are attaching the TV to other building materials, please contact qualified personnel to install the wall mount. Detailed instructions will be included with the wall mount. Please use a wall mount bracket where the device is adequately secured to the wall with enough space to allow connectivity to external devices.

Note: The pictures are only for reference.
- Disconnect the power before moving or installing the TV. Otherwise, an electric shock may occur.
- Remove the stand before installing the TV on a wall mount by performing the stand attachment in reverse.
- If you install the TV on a ceiling or slanted wall, it may fall and result in severe injury. Use an authorized wall mount and contact the local dealer or qualified personnel. Otherwise, it is not covered by the warranty.
- Do not over tighten the screws as this may cause damage to the TV and void your warranty
- To prevent injury, this apparatus must be securely attached to the floor/wall in accordance with the installation instructions.
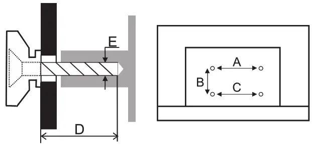
- Use the screws and wall mounts that meet the following specifications. Any damages or injuries by misuse or using an improper accessory are not covered by the warranty.
| Model Size | 43″ | 50″ | 55″ | 65″ | |||||
| Screw | Top | Down | Top | Down | Top | Down | Top | Down | |
| Diameter(mm)”E” | M6 | M6 | M6 | M6 | M6 | M6 | MO | MO | |
| Depth(mm) D” | Max | 21 | 14 | 28 | 28 | 25 | 25 | 30 | 30 |
| Min | 10 | 5 | 20 | 20 | 20 | 20 | 20 | 20 | |
| Quantity | 2 | 2 | 2 | 2 | 2 | 2 | 2 | 2 | |
| VESA (AxBxC) | 200)(200)(200 | ||||||||
Note:
- The pictures are for reference only.
- For the TV sets with terminals towards the wall, in order to leave enough space to use the terminals, a rubber cushion is needed together with the screw to fix the wall mount. It is a small hollow pillar whose internal diameter is 8mm, external diameter is 18mm and height is 30mm.

Precautions for Using Remote Control
- Use the remote control by pointing it towards the remote sensor. The items between the remote control and the remote sensor will interfere with the normal operation.
- Do not expose the remote control to violent vibrations. Also, do not splash liquid on the remote control and do not place the remote control in high humidity areas.
- Do not expose the remote control to direct sunlight which can cause deformation of the unit due to heat.
- When the remote sensor is exposed to direct sunlight or strong light, the remote control will not work. If this is the case, please change the light direction or the position of the TV, or use the remote control closer to the remote sensor.
Precautions for Using Battery
Inadequate use of batteries may cause leakage. Therefore, please follow the steps below and use them with care.
- Please note the battery’s polarity to avoid a short circuit.
- If the battery voltage is insufficient, which affects the remote control range, you should replace used batteries with new ones. Remove batteries from the remote control unit if you do not intend to use them for a long time.
- Do not use different types of batteries (for example, manganese and alkaline batteries) together.
- Do not put the batteries into fire. Do not charge or disassemble batteries.
- Please dispose of batteries in accordance with the relevant environmental protection regulations.
- WARNING: The batteries (battery pack or batteries installed) shall not be exposed to excessive heat such as sunshine, fire, or the like.
- Before Bluetooth searching, please make sure you have turned external Bluetooth devices into pairing mode. For the remote control, you can press
and
buttons together to open its pairing mode. For other Bluetooth devices, please read their own instruction manuals for opening the pairing mode.
BASIC OPERATION
How to use E-manual
E-manual is built into your TV and can be displayed on the screen. To learn more about your TV features access your e-Manual by referring to the following.
Note: The picture is only for reference.
- Press
the button to access the home page. - Press
button to select the list of “Apps”. - Press
button to select the icon of “E-Manual”. - Press OK button to enter the “E-Manual” to check the instructions of basic functions.

- Remote Control detailed:

- E-Manual detailed:

Install Remote Control Battery
Place two AAA size batteries in the remote controls of the battery compartment, making sure to match the polarity markings inside the compartment.
Note: The picture is only for reference.

TV Button

Note: The picture is only for reference.
Press Middle:
- In standby mode, press it to turn on the TV.
- ln working status,
- Without any menu, short press it to access the quick menu.
- With a menu, short press it to enter the selected item.
- Long press it to turn the TV to standby mode.
Push Left/Right: Adjust the TV sound volume, or move left /right to select the desired item in menu settings.
Push Backward/Forward:
Switch channels, or move up /down to select the desired item in menu settings.

TROUBLESHOOTING
Before calling a service technician, review the following information for possible causes and solutions for the problem you are experiencing.
| Problem | Solution |
| The remote control does not work. |
|
| Poor signal | This is usually caused by interference from cell phones, walkie talkie, automotive ignition systems; neon, electric drill, or other electronic equipment or radio interference sources. |
| No picture, no sound |
|
| No sound, picture OK |
|
| Abnormal picture | For no color or bad picture quality, you may:
Bad TV signal (Display mosaic or snowflakes)
|
| ‘This file is invalid’ appears or audio is normal but the video is abnormal |
|
| ‘Unsupported audio’ appears or video is normal but the audio is abnormal |
|
| Network failure (May is not available) |
|
| A web page can not be displayed completely (May is not available) | Flash is not supported. |
| Browser is forced to be shut down (May is not available) | Web pages include too many large pictures, thus lead to sufficient memory and close the browser. |
SPECIFICATION
| Working voltage | 100-240V-50/60 Hz |
| Rated power consumption | 43″: 100 W 55″: 150 W 50′: 120 W 65″: 200 W |
| Dimensions (W x H x D) without stand | 43″: 958.2 x 555.7 x 89.4 mm 50″: 1112.5 x 641.6 x 90.8 mm 55″: 1226.7x 716.4 x 91.3 mm 65″: 1445.8 x 839 x 88.1 mm |
| Net weight without stand | 43″: 6.7 kg 55″: 10.5 kg 50″: 9.7 kg 65″: 17.2 kg |
| RF aerial input | 75 ohm unbalanced |
| Language of OSD | Multiple options |
| System | DIV: DVB-T/T2/S/S2/C ATV: PAUSECAM BG/DK/I |
| Channel coverage | DVB-S/ S2: IKUI 950 MHz – 2150 MHz ICI 5150 MHz – 5750 MHz DVB.T/T2: 174 MHz -230 MHz 470 MHz – 860 MHz DVBC: 50 MHz – 858 MHz AN: 47.25 MHz – 865.25 MHz |
| Environment (only for Tropical climates zone) | Working temperature: 5Y-45°C Working humidity: 20%-80% Storage temperature: -15t -50°C Storage humidity: 10%-90% |
| Environment (only for Moderate decimates zone) | Working temperature: 5Y-35° Working humidity: 2016-80% Storage temperature: -15°C-45°C Storage humidity: 10%-90% |
| Radio Module Specifications | |
| Wireless Network(WLAN) | |
| Frequency Band | Transmitting Power (Max.) |
| IEEE 802.11b/g/n (HT20): 2412 to 2472 MHz IEEE 802.11n (HT40): 2422 to 2462 MHz | <20dBm |
| Bluetooth | |
| Frequency Band | Transmitting Power (Max.) |
| 2.402 GHz – 2.480 GHz | <20dBm |
Remark:
| |
Note: Some specifications may differ by different regions or models, and please take your actual TV
set as the standard.
LICENCES
The terms HDMI and HDMI High-Definition Multimedia Interface, and the HDMI logos are trademarks or registered trademarks of HDMI Licensing LLC in the United States and other countries.
Android TV, Google Play, Chromecast, and Youtube are trademarks of Google LLC.
Manufactured under license from Dolby Laboratories. Dolby, Dolby Audio, and the double-D symbol are trademarks of Dolby Laboratories.
Note:
- The information in this document is subject to change without notice. The manufacturer accepts no liability for damage resulting directly or indirectly from faults, incompleteness or discrepancies between the user manual and the product described.
- In a dry environment due to static electricity, the product may restart and return to the main OSD interface, USB player interface, or the previous source mode. lt is normal and please continue to operate the TV as you will.
















