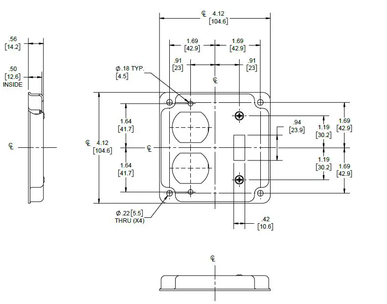
RACO 906C Duplex-Toggle Exposed Work Cover

REVISIONS

OVERVIEW

DIMENTION


NOTES:
- ALL DIMENSIONS ARE IN INCHES AND [MILLIMETERS]
- BOX VOLUME: 6.5 IN³ [107] CM³
- cULus LISTED


REVISIONS




NOTES:
Download manual
Here you can download full pdf version of manual, it may contain additional safety instructions, warranty information, FCC rules, etc.