COVER POOLS 050317 CoverLink Wireless 120V 902-928 MHZ

This document contains individual instructions that relate to the installation of the CoverLink Wireless 120V 902-928 MHz:
- 600598_rel0006 – updated July 2021
- 600597_rel0006 – updated July 2021
- 600568_rel0014 – updated July 2021
- 601097_rel0007 – updated July 2021
- 601289_rel0007 – updated July 2021
The document releases here show the latest information.
WARNING
FOR YOUR SAFETY—This product must be installed and serviced by a contractor who is licensed and qualified in pool equipment by the jurisdiction in which the product will be installed where such state or local requirements exists.
In the event no such state or local requirement exists, the installer or maintainer must be a professional with sufficient experience in pool equipment installation and maintenance so that all of the instructions in this manual can be followed exactly. Before installing this product, read and follow all warning notices and instructions that accompany this product.
Failure to follow warning notices and instructions may result in property damage, personal injury, or loss of life.
Improper installation and/or operation will void the warranty.
The CoverLink Control Pad sends a digital signal to the CoverLink Receiver. The CoverLink Receiver is mounted in the Cover Housing with the Electric Motor or by the Hydraulic Motor. The signal from the CoverLink Control Pad is received through the remote Antenna that is connected to the Receiver.
CONTROL PAD: The Control Pad must be located with a clear line of reception to the Antenna. (See “CoverLink
Wireless Control Placement and Antenna Mounting” instructions 600597). No wires are required for the Control Pad, it is powered by 3 AA replaceable batteries. The cover is operated by entering a PIN into the Control Pad and pushing either the Cover, or Uncover buttons. The Control Pad will time-out after 20 sec. if no buttons are pressed. Up to 3 Control Pads may be installed to operate the same Cover.
CONTROL PAD MOUNTING: The Control Pad comes with a surface mount box, it can also be flush mounted in a standard single gang box. THE CONTROL PAD MUST BE MOUNTED IN FULL VIEW OF THE POOL COVER.
ELECTRIC MOTOR INSTALLATION: The required power is a dedicated 120v 15 Amp G.F.C.I. Breaker. ALL G.F.C.I. BREAKERS MUST BE MOTOR RATED. Power is run to the Receiver location and from the Receiver location to the Electric Motor with (3) 14 AWG stranded wires (hot, neutral and ground). Larger gauge wire may be required for runs longer than 50 feet.
FCC Regulatory Compliance Statement
Changes or modifications not expressly approved by the party responsible for compliance could void the user’s authority to operate the equipment.
This device complies with part 15 of the FCC Rules. Operation is subject to the following two conditions: (1) This device may not cause harmful interference, and (2) this device must accept any interference received, including interference that may cause undesired operation.
NOTE: This equipment has been tested and found to comply with the limits for a Class B digital device, pursuant to part 15 of the FCC Rules. These limits are designed to provide reasonable protection against harmful interference in a residential installation. This equipment generates, uses and can radiate radio frequency energy and, if not installed and used in accordance with the instructions, may cause harmful interference to radio communications.
However, there is no guarantee that interference will not occur in a particular installation. If this equipment does cause harmful interference to radio or television reception, which can be determined by turning the equipment off and on, the user is encouraged to try to correct the interference by one or more of the following measures:
- Reorient or relocate the receiving antenna.
- Increase the separation between the equipment and receiver.
- Connect the equipment into an outlet on a circuit different from that to which the receiver is connected.
- Consult the dealer or an experienced radio/TV technician for help.
RF Exposure Notice
This equipment complies with the FCC/IC radiation exposure limits set fourth for RF transmitting devices operation in an uncontrolled environment. End users must follow the specific operating instructions to satisfy RF exposure compliance.
- The equipment should only be used or installed at locations where there is normally greater than a 20cm separation between the antenna and all persons.
- This transmitter must not be co-located or operation in conjunction with any other antenna or transmitter.
- Any changes or modifications not expressly approved by the party responsible for compliance could void the user’s authority to operate this equipment.
IMPORTANT! Any changes or modifications not expressly approved by the party responsible for compliance could void the user’s authority to operate this equipment.
CoverLink™ Wireless Control Placement & Antenna Mounting Locations For Aluminum Lid-Bench & Hydraulic Systems
The antenna for the CoverLink receiver is mounted on top of the aluminum
lid or outside the bench assembly. The antenna has a 10 ft. cable and can be extended out for a clear line of reception. NEVER CUT or KINK THE ANTENNA CABLE.
On aluminum lids the antenna should be mounted on the lid since it is moved less than the lid ends. The CoverLink control pad can be mounted within a 100 ft. circle of the antenna as long as there are NO OBSTRUCTIONS between the antenna and the control pad. If the antenna cannot be mounted in line
of reception, you may need to move the receiver with enclosure away from the cover unit so the antenna is in range. Always test the reception from the proposed control pad mounting location before permanently mounting the control pad. Make sure the antenna cable is secured to the cover housing.


MOUNTING LOCATIONS FOR VANISHING LID MOUNTED ANTENNA SYSTEMS
The antenna for the CoverLink receiver is mounted on the underneath side of the lid tray. This location will be somewhat obstructed, and you will need to ensure the antenna and spacer are as far forward to the front edge and as far towards the center of the lid trays as possible. Antenna
located under lid, stone, or other material may not receive a signal coming from behind the lid. It may be possible to get reception in these areas; you will need to test the control pad fi rst to see how well the system receives before choosing a mounting location. NEVER CUT or KINK THE ANTENNA CABLE. Secure the antenna cable to the receiver. A spacer shim has been provided that is placed between the antenna and the tray to prevent sharp bends in the wire.
Always test the reception from the proposed control pad mounting location before permanently mounting the control pad. Make sure the antenna cable is secured to the cover housing. 
- Clean and dry the mounting area, remove the protective covering from the double-sided tape on the spacer exposing the tape’s surface. Slide spacer over the antenna cable through the key slot of the spacer. Press the antenna and the spacer together.
- Remove the protective covering from the tape on the 2nd side of the spacer and secure the antenna and spacer on the van-ishing tray lid.
NOTE: Do not kink or cut the cable. As you move the spacer into position, make sure that the cable sweeps at 90º in the key slot and lies fl ush to the surface of the vanishing tray lid. Ensure that the antenna cable is secured to the bottom of the tray lid and the back of the housing so that it does not get caught in the cover. - Provided are optional screws for mounting the antenna. USE CAUTION WHEN DRILLING. Failure to do so can result in damaging the tray material face or top. Use a 5/32″ drill bit to drill the stainless steel lid and concrete. Drill 3/8″ deep, follow the procedure above for aligning the Spacer and Antenna using the tape. Insert screws through antenna and into tray. DO NOT OVER TIGHTEN.
The CoverLink wireless control system controls access to operate the pool cover. The CoverLink wireless control uses a Personal Identification Number (PIN) instead of a key. Entering a valid PIN into the control pad allows access to cover and uncover the pool.
COVERLINK WIRELESS CONTROL FEATURES
CoverLink Control Pad and CoverLink Receiver
The CoverLink Control system is factory programmed and ready for use. The control pad must be mounted in full view of the pool cover. Control Pad features:
- Up to 3 separate control pads can operate the same pool cover.
- Up to 4 unique four-digit PINs can control access to the pool cover.
- Control pads can be setup in different locations around the pool.
- A master PIN that is stored in memory location 1 (Factory Default Master PIN: 1583).
- Additional PINs can be stored in memory locations 2, 3 and 4.
The pool owner should keep a record of PIN to memory location for reference. - A unique signal that is sent from the control pad and stored by the receiver when linked.
- For multiple control pads, each control pad must be linked to the receiver and set to the same channel number and the same network ID number.
Receiver features:
3 control buttons: 6 usable Channels: 100 Network ID numbers:
- Uncover » 00 – 05 » 00 – 99
- Cover
- Setup
Typically the auto-shutoff is located in an enclosure by the pool cover electric motor connected to the Receiver enclosure by a cable. The receiver enclosure is labeled “CoverLink Receiver.”

NORMAL OPERATION
Normal use: Control Pad
PIN entry controls access to cover and uncover the pool. After entering the PIN, press & hold C or U
within 20 seconds or the system will time out and PIN re-entry will be required.
Enter four-digit PIN: 1583 (or valid PIN)
- The red LED will flash as each button is pressed.
- The green LED will flash if PIN is accepted.
Press & Hold C (Cover) to cover or U (Uncover) to uncover the pool. - The green LED will flash while the cover is in motion.
If PIN is not accepted, Red LED will be on when C (Cover) or U (Uncover) is pressed; re-enter PIN.
Normal use: Receiver (located in a labeled enclosure connected to the auto-shutoff board).
The receiver buttons are intended for emergency or service use only.
Uncover = Uncovers the pool.
Cover = Covers the pool.
Setup = Resets to factory default (See RECEIVER RESET on pg. 3).
Use setup to re-link control pad and receiver (See LINK CONTROL PAD AND RECEIVER on pg. 4).
PIN SETUP
Factory Default Master PIN: 1583. The factory default master PIN CAN be changed.
The factory default master PIN is stored in memory location 1 on the control pad and can be changed to any four-digit PIN. This master PIN controls access to add, change, or delete PINs, as well as cover or uncover the pool.
Service Master PIN: 2838. The service master PIN CANNOT be changed.
The service master PIN is intended for service use only and cannot be changed.
The service master PIN overrides all PINs and allows service to access all modes.
Change or Enter New PIN:
To change or enter new PINs, follow this process. Buttons must be pressed within 20 seconds of each other or programming access will time out.
Enter 1583 (or current master PIN)
- The red LED will flash as each button is pressed.
- The green LED will flash if PIN is accepted.
Press 1 to enter programming mode.
- The red and green LED will turn on.
Press 1 to enter PIN change mode.
- The green LED will flash.
Press 1, 2, 3, or 4 to select PIN memory location.
(Remember factory default master PIN is stored in memory location 1, but can be changed).
- The red LED will flash.
Enter new four-digit PIN.
- Both LEDs will flash
Enter new PIN again to confirm change.
- The red LED will flash.
- The green LED will remain on indicating success.
- The system is ready after 20 second delay and green LED turns off.
Test new PIN by following NORMAL OPERATION.
DELETE PIN
Delete PIN (except master):
To erase one PIN at a time from the receiver, follow this process. Buttons must be pressed within 20 seconds of each other or programming access will time out.
Enter 1583 (or current master PIN)
The red LED will flash as each button is pressed.
The green LED will flash if PIN is accepted.
Press 1 to enter programming mode.
The red and green LED will be on.
Press 2 to enter PIN delete mode.
The green LED will flash.
Press 2, 3, or 4 to delete PIN from that memory location.
The green LED will flash.
Press 2, 3, or 4 again to confirm.
The green LED will be on after brief delay indicating success.
The system is ready after 20 second delay and green LED is off.
Delete all PINs (except master):
To erase all PINs, except the master from the receiver, follow this process. Buttons must be pressed
within 20 seconds of each other or programming access will time out.
Enter 1583 (or current master PIN)
The red LED will flash as each button is pressed.
The green LED will flash if PIN is accepted.
Press 1 to enter programming mode.
The red and green LED will be on.
Press 3 to enter all PIN delete mode.
The red and green LED will flash.
Enter master PIN to verify delete.
The green LED will be on after brief delay indicating success.
The system is ready after 20 second delay and green LED is off.
RECEIVER RESET
Reset receiver to factory default: (See illustration on page 1 for setup button location)
This process may require more than one person if the main power (breaker) is not within reach of the receiver.
To erase the receiver memory, including all linked control pads, follow this process.
All control pads must be re-linked to the receiver and PINs re-established.
(See LINK CONTROL PAD AND RECEIVER on pg. 4 to re-establish link).
Turn power off for ten seconds.
Hold the setup button down while turning the power on.
The green LED on the receiver will flash briefly indicating the erasure is complete.
The Receiver is returned to factory default settings.
Prior to programming the CoverLink™ system, complete the following steps at the auto-shutoff board and CoverLink receiver:
Uncover and cover the pool completely by pushing the buttons on the CoverLink receiver located in the auto-shutoff box as shown on page 1 in illustration CoverLink receiver.
If the operation of the cover is sluggish or stopping, adjust the amp limiter located on the auto-shutoff board as described in document #600356 WIRING AUTO-SHUTOFF AMP LIMIT BRD-ACCB-AMP LMT LED FUNC.
LINK CONTROL PAD AND RECEIVER
This process may require more than one person if the control pad is not within reach of the receiver. Buttons must be pressed within 20 seconds of each other or programming access will time out.
Step 1
Enter Setup Mode:
Control Pad: Press and Hold U (Uncover) and 3 until both LEDs turn on (5 seconds).
Enter 396207 (6 digit Security code)
- Control Pad: Red LED off – Green LED on.
Step 2
Link Radio Signal:
Receiver: Press and Hold the setup button.
While holding the setup button on the receiver, press and release 1 on the control pad.
- Control Pad: Green LED will flash once, then remain on indicating link is established.
- Control Pad: If Red LED is on, then the link is not established; repeat step 4.
(Press 4 to abort setup)
Step 3
Set Channel Number:
Press 2 to enter Channel mode.
- No LEDs on.
Enter two-digit channel number (00 – 05). (Example: 03)
- Control Pad: Green LED is on if channel is accepted.
- Control Pad: Red LED is on if channel is not accepted; repeat steps 5 and 6.
Step 4
Set Network ID Number:
Press 3 to enter network mode.
- No LEDs on.
Enter two-digit network ID number (00 – 99) (Example: 09).
- Control Pad: Green LED remains on if network ID is accepted.
- Control Pad: Red LED remains on if channel is not accepted; repeat steps 7 and 8.
Step 5
End Setup:
Press 0 on the control pad.
- Control Pad: Green LED will flash once if accepted.
Link is complete and system is ready for normal operation.
(See NORMAL OPERATION and PIN SETUP on pg. 2) - Control Pad: Red LED will be on if link is not accepted, wait 20 seconds and repeat link procedure.
| PROBLEM | SOLUTION |
| LEDs on control pad do not light when buttons are pressed.
Did not fix problem. | Remove control pad faceplate. Remove batteries from battery holder. Clean battery contacts. Install new batteries in battery holder. Reinstall control pad faceplate.
Contact local cover dealer for service. |
| PIN entry does not activate cover mechanism, but red LED on the control pad is on when buttons are pressed. | Enter valid PIN. If PIN is valid, Green LED will flash as C (Cover) or U (Uncover) is pressed. If PIN is NOT valid, Red LED will be on as C (Cover) or U (Uncover) is pressed; Re-enter PIN. |
| Did not fix problem. | Verify that power to the auto-shutoff board is on. Typically the auto-shutoff board and receiver are located in separate enclosures (see pg. 1). Power to auto-shutoff board will be on if two Green LEDs on the auto- shutoff board are flashing (see illustration on page 1). |
| Did not fix problem. Power on to auto-shutoff board |
Turn power off for ten seconds. Turn power on. Enter valid PIN. |
| Did not fix problem. | See RECEIVER RESET instructions (pg. 3). See LINK CONTROL PAD AND RECEIVER instructions (pg. 4). |
| Did not fix problem. | Contact local cover dealer for service. |
EXPLANATION OF CHANNEL AND NETWORK ID
CHANNEL:
The channel controls the frequency at which signals are transmitted. The total frequency range is 902 – 928 Mhz. Various points on that range are added to 6 different hop tables that correspond to channel numbers 00 – 05. The radio module continually switches through the frequency spectrum of the assigned hop table. This helps to avoid interference issues with other devices using a similar frequency.
If interference is observed during cover operation (intermittent or hesitant cover movement) another channel, with a different table of frequency values, may be selected.
NETWORK ID:
The network ID allows multiple cover systems (within the same vicinity) to run without interference while being on the same channel. There are one hundred Network IDs (00 to 99). If each cover system is on a different network ID, they will run interference free from one another on the same channel.
Troubleshoot Guide
Qualified service personnel only
| PROBLEM | SOLUTION |
| Auto-shutoff Verification Cover system does not operate or operates intermittently. |
Step 1. Check for secure wiring connections at the circuit breaker, auto-shutoff board, receiver board, and motor. Check that the antenna wire is secure and not damaged.
All wiring is good, go to step 2.
Step 2. Reboot the receiver: Turn the system power off to the receiver and auto-shutoff board, leave it off for 30 seconds, then turn the system power back on.
Step 3. Use the CoverLink override buttons on the receiver (Uncover & Cover).
If the buttons work, go to Troubleshooting CoverLink on pg. 7. If the buttons do not work, repeat step 2. If the buttons still do not work, go to step 4.
Step 4. Disconnect the receiver from the auto-shutoff. Short the key switch wires together (black to yellow should cover the pool & black to green should uncover the pool).
If the auto-shutoff works, go to Troubleshooting CoverLink. If the auto-shutoff does not work, see Document 600356 Adjusting the AMP Limiter and LED Function of the auto-shutoff. |
| PROBLEM | SOLUTION |
| Troubleshooting CoverLink The CoverLink system does not operate or operates intermittently | Step 1. Reboot the receiver: Turn the system power off to the receiver and auto-shutoff board, leave it off for 30 seconds, then turn the system power back on. (Skip step 1 if completed in auto-shutoff verification)
Step 2. Try the receiver override buttons, Cover and Uncover. If the buttons work, go to step 4. If the buttons do not work, continue to step 3.
Step 3. Reset the receiver: Turn power off for ten seconds.
Hold setup button down while turning power on. The green LED on the receiver will flash briefly indicating the erasure is complete. • The receiver is returned to factory default setting.
Try the receiver override buttons again: If the buttons work, go to step 6. If the buttons do not work (the yellow LEDs on the auto-shutoff board do not come on when the override buttons are pushed); replace the receiver. After replacing the receiver, see section 5. Link control pad and receiver.
Step 4. Try the control pad: Enter a valid PIN and press C (Cover) or U (Uncover). If the control pad did not work, move to step 5. If the control pad works, system is set and ready to use.
Step 5. Reboot the control pad: Remove one battery from the control pad, wait 30 seconds, and re-install the battery. (Install new batteries if batteries are more than one year old). Try the control pad: If the control pad did not work, go to step 3 and reset the receiver. If the control pad works, system is set and ready to use.
Step 6. Re-link the control pad to the receiver. (See LINK CONTROL PAD AND RECEIVER on pg. 4.) If these steps do not fix the problem, then the receiver and/or the control pad are bad and must be replaced. If you have an extra control pad and/or receiver, try the following to help you identify which of the two are bad. With an extra control pad, try to link it to the existing receiver. With an extra receiver, try to link it to the existing control pad. |
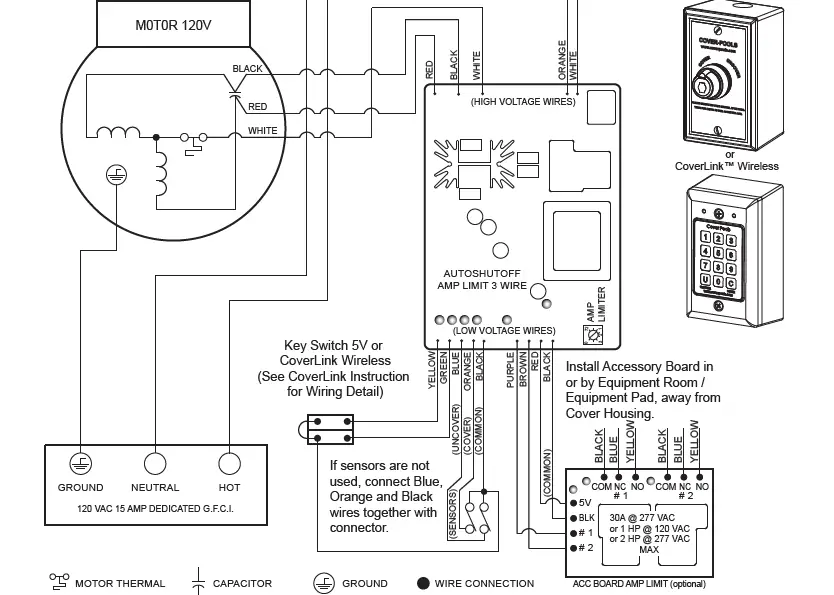
Wiring Instructions
Motor 120v Model #050239 or Model #050348 to Auto-Shutoff Amp 3 Wire Limit 120v Model #050338/050440 with Acc Board Model #050253

- To change motor direction, exchange red and black motor wire connections or yellow and blue auto-shutoff amp limit wire connectors on high voltage side.
- To change key switch orientation (uncover to cover and vice versa), exchange yellow and green key switch wires.
- Accessory terminals (purple, brown, red, black) are for use with acc board amp limit.
- Accessory board function: At the fully uncovered position, the purple auto-shutoff wire signals the #1 relay to switch to the (no) position. At the fully covered position, the brown wire signals the #2 relay to switch to the (no) position. Note: to get both relays to function the same, leave the brown or purple wire disconnected and install a jumper between the remaining wire and terminal. (e.g., purple to both 1 and 2 with brown disconnected).
- Use only listed (UL, CSA, ETL, etc.) silicone filled connectors for all wire connections. With silicone connectors, you must twist the wires together first and then thread them on the connector until tight.
WARNING
To prevent risk of electric shock which could result in fire, property damage, serious injury, or death
- All controllers must be in full view of the pool.
- All connections to the motor and control must be watertight.
- Do not allow water to enter the control box. Water infiltration to this control box can cause electrical fault or other malfunction creating a risk of personal injury.
- Disconnect all power at the circuit breaker before servicing.
- Use copper conductors only.
- All wiring must be done in accordance with all applicable
local and national codes, such as the National Electrical Code
(NEC). If a conflict exists between local and national codes, follow what is required by the local Authority Having Jurisdiction (AHJ). - Cover equipment must be bonded according to the NEC.
Motor 120v Model #050239 or #050348 to 3 Wire Auto-shutoff Amp Limit 120v Model #050338/050440 with CoverLink™ Wired Control Model #050332
and Acc Board Model #050253

- To change cover direction (uncover to cover and vice versa), exchange control wires yellow and green.
- Accessory terminals (red & black) are used with CoverLink control
- Accessory terminals (purple, brown, red & black) are used with board amp limit.
- Accessory board function: at the fully uncovered position, the purple auto-shutoff wire signals the #1 relay to switch to the (no) position.
At the fully covered position, the brown wire signals the #2 relay, to switch to the (no) position.
Note: to get both relays to function the same, leave the brown or purple wire disconnected and install a jumper between the remaining wires. (Eg.: Purple to both 1 and 2 with brown disconnected). - Use only listed (UL, CSA, ETL, etc.) silicone filled connectors for all wire connections. With silicone connectors, you must twist the wires together first and then thread them on the connector until tight.
WARNING
To prevent risk of electric shock which could result in fire, property damage, serious injury, or death
- All controllers must be in full view of the pool.
- All connections to the motor and control must be watertight.
- Do not allow water to enter the control box. Water infiltration to this control box can cause electrical fault or other malfunction creating a risk of personal injury.
- Disconnect all power at the circuit breaker before servicing.
- Use copper conductors only.
- All wiring must be done in accordance with all applicable
local and national codes, such as the National Electrical Code
(NEC). If a conflict exists between local and national codes, follow what is required by the local Authority Having Jurisdiction (AHJ). - Cover equipment must be bonded according to the NEC.
CoverLink™ Wireless
©2021 Cover-Pools Incorporated. All rights reserved. COVER-POOLS® is a registered trademark of Cover-Pools Incorporated. All other trademarks referenced herein are the property of their respective owners.
















