

INSTALLATION AND OPERATION MANUAL
US RANGE UT SERIES HEAVY DUTY GAS
COUNTER EQUIPMENT


UT Series US Range Heavy Duty Gas
FOR YOUR SAFETY:
DO NOT STORE OR USE GASOLINE OR OTHER FLAMMABLE VAPORS OR LIQUIDS IN THE VICINITY OF THIS OR ANY OTHER APPLIANCE
WARNING:
IMPROPER INSTALLATION, ADJUSTMENT, ALTERATION, SERVICE OR MAINTENANCE CAN CAUSE PROPERTY DAMAGE, INJURY, OR DEATH. READ THE INSTALLATION, OPERATING AND MAINTENANCE INSTRUCTIONS THOROUGHLY BEFORE INSTALLING OR SERVICING THIS EQUIPMENT
PLEASE READ ALL SECTIONS OF THIS MANUAL AND RETAIN FOR FUTURE REFERENCE. THIS PRODUCT HAS BEEN CERTIFIED AS COMMERCIAL COOKING EQUIPMENT AND MUST BE INSTALLED BY PROFESSIONAL PERSONNEL AS SPECIFIED.
IN THE COMMONWEALTH OF MASSACHUSETTS THIS PRODUCT MUST BE INSTALLED BY A LICENSED PLUMBER OR GAS FITTER. APPROVAL NUMBER: G-1-07-05-28
For Your Safety:
Post in a prominent location, instructions to be followed in the event the user smells gas. This information shall be obtained by consulting your local gas supplier.
Users are cautioned that maintenance and repairs must be performed by a Garland/US Range authorized service agent using genuine Garland/US Range replacement parts. Garland/US Range will have no obligation with respect to any product that has been improperly installed, adjusted, operated or not maintained in accordance with national and local codes or installation instructions provided with the product, or any product that has its serial number defaced, obliterated or removed, or which has been modified or repaired using unauthorized parts or by unauthorized service agents. For a list of authorized service agents, please refer to the Garland/US Range web site at http://www.Garland-Group.com. The information contained herein, (including design and parts specifications), may be superseded and is subject to change without notice.
IMPORTANT INFORMATION
WARNING:
This product contains chemicals known to the state of California to cause cancer and/or birth defects or other reproductive harm. Installation and servicing of this product could expose you to airborne particles of glass wool/ceramic fibers. Inhalation of airborne particles of glass wool/ceramic fibers is known to the state of California to cause cancer. Operation of this product could expose you to carbon monoxide if not adjusted properly. Inhalation of carbon monoxide is known to the state of California to cause birth defects or other reproductive harm.
Keep appliance area free and clear of combustibles.
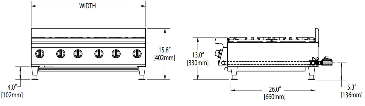
SPECIFICATIONS: HOT PLATES

For use with Natural or Propane gas only. Gas input ratings shown for installations up to 2000 ft., (610m), above sea level. Please specify altitudes over 2000 ft. and gas type when ordering. Garland/U.S. Range products are not approved or authorized for home or residential use, but are intended for commercial applications only.
Garland/U.S. Range will not provide service, warranty, maintenance or support of any kind other than in commercial applications.

* Please add 7 (178mm) in overall depth with attachment condiment rail option.
| Model # | Width In (mm) | Height (w/std legs) | Depth In (mm) | Total Input (BTU) | Shipping Information | ||
| NAT | PRO | Lbs/Kg | Cu Ft | ||||
| UTOG12-2 | 11-13/16 (300) | 13 (330) | 32 (814) | 60,000 | 52,000 | 73/33 | 4 |
| UTOG24-4 | 23-5/8 (600) | 120,000 | 104,000 | 135/61 | 8 | ||
| UTOG36-6 | 35-7/16 (900) | 180,000 | 156,000 | 191/87 | 25 | ||
| UTOG48-8 | 47-1/4 (1200) | 240,000 | 208,000 | 247/112 | 33 | ||
| SUPPLY OPERATING PRESSURE | MANIFOLD OPERATING PRESSURE | CLEARANCES | |||||||
| NATURAL GAS | PROPANE | NATURAL GAS | PROPANE | INSTALLATION TO COMBUSTIBLE | |||||
| “WC | MBar | “WC | Mbar | “WC | MBar | “WC | Mbar | Sides | Rear |
| 7 | 17.5 | 11 | 27.5 | 4.5 | 11 | 10 | 24.5 | 14″ (356mm) | 6” (152mm) |
SPECIFICATIONS: STEP-UP HOT PLATES

For use with Natural or Propane gas only. Gas input ratings shown for installations up to 2000 ft., (610m), above sea level. Please specify altitudes over 2000 ft. and gas type when ordering. Garland/U.S. Range products are not approved or authorized for home or residential use, but are intended for commercial applications only. Garland/U.S. Range will not provide service, warranty, maintenance or support of any kind other than in commercial applications.

* Please add 7” (178mm) in overall depth with attachment condiment rail option.
| Model # | Width In (mm) | Height (w/std legs) | Depth In (mm) | Total Input (BTU) | Shipping Information | ||
| NAT | PRO | Lbs/Kg | Cu Ft | ||||
| UTOG24-SU4 | 23-5/8 (600) | 19-13/16 (503) | 32 (814) | 120,000 | 104,000 | 135/61 | 8 |
| UTOG36-SU6 | 35-7/16 (900) | 180,000 | 156,000 | 191/87 | 25 | ||
| UTOG48-SU8 | 47-1/4 (1200) | 240,000 | 208,000 | 247–/112 | 33 | ||
| SUPPLY OPERATING PRESSURE | MANIFOLD OPERATING PRESSURE | CLEARANCES | |||||||
| NATURAL GAS | PROPANE | NATURAL GAS | PROPANE | INSTALLATION TO COMBUSTIBLE | |||||
| “WC | MBar | “WC | Mbar | “WC | MBar | “WC | Mbar | Sides | Rear |
| 7 | 17.5 | 11 | 27.5 | 4.5 | 11 | 10 | 24.5 | 7” (178mm) | 6” (152mm) |
SPECIFICATIONS: CERAMIC-BRIQUETTE CHAR-BROILERS

For use with Natural or Propane gas only. Gas input ratings shown for installations up to 2000 ft., (610m), above sea level. Please specify altitudes over 2000 ft. and gas type when ordering.
Garland/U.S. Range products are not approved or authorized for home or residential use, but are intended for commercial applications only. Garland/U.S. Range will not provide service, warranty, maintenance or support of any kind other than in commercial applications.

* Please add 7” (178mm) in overall depth with attachment condiment rail option.
| Model # | Width In (mm) | Height (w/std legs) | Depth In (mm) | Total Input (BTU) | Shipping Information | |
| Lbs/Kg | Cu Ft | |||||
| UTBG24-AB24 | 23-5/8 (600) | 13 (330) | 32 (814) | 60,000 | 283/129 | 19 |
| UTBG36-AB36 | 35-7/16 (900) | 90,000 | 391/178 | 26 | ||
| UTBG48-AB48 | 47-1/4 (1200) | 120,000 | 514/283 | 34 | ||
| UTBG60-AB60 | 59-1/16 (1500) | 150,000 | 635/288 | 41 | ||
| SUPPLY OPERATING PRESSURE | MANIFOLD OPERATING PRESSURE | INSTALLATION CLEARANCES | ||||||
| NATURAL GAS | PROPANE | NATURAL GAS | PROPANE | CLEARANCE: 0” FOR INSTALLATION IN NON-COMBUSTIBLE SURROUNDINGS ONLY | ||||
| “WC | MBar | “WC | Mbar | “WC | MBar | “WC | Mbar | |
| 7 | 17.5 | 11 | 27.5 | 4.5 | 11 | 10 | 24.5 | |
SPECIFICATIONS: RADIANT CHAR-BROILERS

* Please add 7” (178mm) in overall depth with attachment condiment rail option.

GAS CONNECTION OPTIONS FOR MODEL UTBG72-NR72 STRAIGHT (STD) OR NEARLY FLUSH 1” N.P.T REAR GAS INLET w/REGULATOR.

For use with Natural or Propane gas only. Gas input ratings shown for installations up to 2000 ft. (610m), above sea level.
Please specify altitudes over 2000 ft. and gas type when ordering.

| Model # | Width In (mm) | Height (w/std legs) | Depth In (mm) | Total Input (BTU) | Shipping Information | |
| Lbs/Kg | Cu Ft | |||||
| With Adjustable Grates | ||||||
| UTBG24-AR24 | 23-5/8 (600) | 13 (330) | 32 (814) | 72,000 | 283/129 | 19 |
| UTBG36-AR36 | 35-7/16 (900) | 108,000 | 391/178 | 26 | ||
| UTBG48-AR48 | 47-1/4 (1200) | 144,000 | 514/283 | 34 | ||
| UTBG60-AR60 | 59-1/16 (1500) | 180,000 | 635/288 | 41 | ||
| With Non-Adjustable Grates | ||||||
| UTBG24-NR24 | 23-5/8 (600) | 13 (330) | 32 (814) | 72,000 | 283/129 | 18 |
| UTBG36-NR36 | 35-7/16 (900) | 108,000 | 391/178 | 25 | ||
| UTBG48-NR48 | 47-1/4 (1200) | 144,000 | 514/283 | 33 | ||
| UTBG60-NR60 | 59-1/16 (1500) | 180,000 | 635/288 | 40 | ||
| UTBG72-NR72 | 70 7/8(1800) | 216,000 | 690/313 | 47 | ||
| SUPPLY OPERATING PRESSURE | MANIFOLD OPERATING PRESSURE | INSTALLATION CLEARANCES | ||||||
| NATURAL GAS | PROPANE | NATURAL GAS | PROPANE | CLEARANCE: 0” FOR INSTALLATION IN NON-COMBUSTIBLE SURROUNDINGS ONLY | ||||
| “WC | MBar | “WC | Mbar | “WC | MBar | “WC | Mbar | |
| 7 | 17.5 | 11 | 27.5 | 4.5 | 11 | 10 | 24.5 | |
Garland/U.S. Range products are not approved or authorized for home or residential use, but are intended for commercial applications only. Garland/U.S. Range will not provide service, warranty, maintenance or support of any kind other than in commercial applications.
SPECIFICATIONS: GRIDDLES

For use with Natural or Propane gas only. Gas input ratings shown for installations up to 2000 ft., (610m), above sea level. Please specify altitudes over 2000 ft. and gas type required when ordering.
Garland/U.S. Range products are not approved or authorized for home or residential use, but are intended for commercial applications only. Garland / U.S. Range will not provide service, warranty, maintenance or support of any kind other than in commercial applications.

* Please add 7” (178mm) in overall depth with attachment condiment rail option.
| Model # | Width In (mm) | Height (w/std legs) | Depth In (mm) | Total Input (BTU) | Shipping Information | |
| Lbs/Kg | Cu Ft | |||||
| Thermostat Controlled Standard Griddle (1″ steel plate) | ||||||
| UTGG24-GT24M | 23-5/8 (600) | 13 (330) | 32 (814) | 56,000 | 290/132 | 21 |
| UTGG36-GT36M | 35-7/16 (900) | 84,000 | 405/184 | 29 | ||
| UTGG48-GT48M | 47-1/4 (1200) | 112,000 | 595/270 | 37 | ||
| UTGG60-GT60M | 59-1/16 (1500) | 140,000 | 705/320 | 42 | ||
| UTGG72-GT72M | 70-7/8 (1800) | 168,000 | 810/368 | 50 | ||
| Manually Controlled Standard Griddle (1″ steel plate) | ||||||
| UTGG24-G24M | 23-5/8 (600) | 13 (330) | 32 (814) | 54,000 | 280/127 | 21 |
| UTGG36-G36M | 35-7/16 (900) | 81,000 | 395/180 | 29 | ||
| UTGG48-G48M | 47-1/4 (1200) | 108,000 | 585/266 | 37 | ||
| UTGG60-G60M | 59-1/16 (1500) | 135,000 | 688/313 | 42 | ||
| UTGG72-G72M | 70-7/8 (1800) | 162,000 | 790/359 | 50 | ||
| SUPPLY OPERATING PRESSURE | MANIFOLD OPERATING PRESSURE | CLEARANCES | |||||||
| NATURAL GAS | PROPANE | NATURAL GAS | PROPANE | INSTALLATION TO COMBUSTIBLE | |||||
| “WC | MBar | “WC | Mbar | “WC | MBar | “WC | Mbar | Sides | Rear |
| 7 | 17.5 | 11 | 27.5 | 4.5 | 11 | 10 | 24.5 | 6″ (152mm) | 6” (152mm) |
PRE INSTALLATION
Damage Check
Damage check: Check carton or crate for possible damage incurred in shipping. After carefully un-crating, check for “concealed” damage. Report any damage immediately to
your carrier.
Rating Plate
The rating plate is affi xed to a bracket mounted at the rear of the unit but visible from the front. The grease drawer may need to be removed to view rating plate.
The correct type of gas for which the unit was manufactured is noted on the rating plate, and this type of gas must be used.
When corresponding with the factory or your local authorized factory service center regarding service problems or replacement parts, be sure to refer to the particular model by the correct model number (including the prefix and suffix letters and numbers) and the warranty serial number. The rating plate affixed to the appliance contains this information.
We suggest installation, maintenance and repairs be performed by your local authorized service agency listed in your information manual pamphlet.
In the event you have any questions concerning the installation, use, care or service of the product, write or call our Product Service Department.
This product must be installed by professional personnel as specifi ed. Garland/U.S. Range products are not approved or authorized for home or residential use, but are intended for commercial applications only. Garland / U.S. Range will not provide service, warranty, maintenance or support of any kind other than in commercial applications.
INSTALLATION
General
- Carefully remove appliance from carton or crate. Burner tie wires and other packing material should be removed at this time. The protective material covering the stainless
steel should be removed immediately after the appliance is installed, before it is fi red. - Remove top grates and place out of the way, to prevent damage.
- These appliances must be installed under an adequate ventilation system. Refer to section titled Ventilation for further instructions.
- All burner adjustments and setting shall be made by a qualifi ed gas technician.
Gas Connections
The local gas authority should be consulted at the installation planning stage in order to establish the availability of an adequate supply of gas and to ensure that the meter is adequate for the required flow rate. The pipe work from the meter to the appliance must be an appropriate size.
All fixed (non-mobile) appliances MUST be fitted with an accessible upstream gas shut off valve as a means of isolating the appliance for emergency shut off and for servicing. A union or similar means of disconnection must be provided between the gas-cock and the appliance. A manually operable valve must be fitted to the gas supply to the kitchen to enable it to be isolated in an emergency. Wherever practical, this shall be located either outside the kitchen or near to an exit in a readily accessible position.
Where it is not practical to do this, an automatic isolation valve system shall be fi tted which can be operated from a readily accessible position near to the exit. In locations where the manual isolation valve is fitted or the automatic system can be reset this notice MUST be posted:
“ALL DOWNSTREAM BURNER AND PILOT VALVES MUST BE TURNED OFF PRIOR TO ATTEMPTING TO RESTORE THE SUPPLY. AFTER EXTENDED SHUT OFF, PURGE BEFORE RESTORING GAS.”
- The installation and connection must be performed by a licensed gas technician in compliance with local codes, or in the absence of local codes, with CAN/CGA-B149
Installation Code or with the national Fuel Gas Code, ANSI Z223.1/NFPA No. 54 – Latest Edition. - The correct type of gas for which the unit was manufactured is noted on the rating plate, and this type of gas must be used.
- If it is a new installation have the gas authorities check meter size and piping to assure that the appliance is supplied with necessary amount of gas pressure required to operate properly.
- The gas pressure must be checked when the appliance is installed, to ensure that the gas pressure is the same as specifi ed on the rating plate. If necessary, pressure adjustments can be made at the pressure regulator, supplied on each unit.
NOTE: When installing as a flush mount pressure regulator connection, (to allow for equipment installations against a non-combustible wall), a certified flexible gas hose and quick disconnect assembly is required to allow the unit to be moved in the event an adjustment of the gas pressure regulator is required. - Have a qualifi ed gas technician check the gas pressure to make certain that existing gas facilities (meter, piping, etc.) will deliver the BTU’s of gas required at the appliance with no more than ½” water column pressure drop. When checking pressure, be certain that all the equipment on same gas line is turned to the “ON” position.
- The appliance and its individual shut off valve must be disconnected from the gas supply piping system during any pressure testing of that system at test pressures in excess of 1/2 PSIG. (3.45 KPA).
- The appliance must be isolated from the gas supply piping system by closing its individual manual shut off valve during any pressure testing of the gas supply piping system at test pressures equal to or less than 1/2 PSIG. (3.45 KPA).
- Make certain that the new piping, joints and connections have been made in a clean manner and have been purged, so that the piping compound, chips, etc., will not clog pilots, valves and/or controls. Use pipe joint sealant that is certified for use with liquefi ed petroleum gas.
- WARNING: Check gas connections for leaks, using soap solution or similar means.
Do Not Check with an Open Flame.
Leg Installation
Your new appliance has been supplied with 4”(102mm) adjustable legs. These legs are threaded into holes on the bottom. Once the legs are installed turn the leveling foot at
the bottom of the leg.

Level the appliance by adjustment of leveling bolts or legs. Use a spirit level and check for level four ways; across front and back, then down left and right edges. Level any adjacent units to the first. A griddle may not rest evenly on the appliance body if it is not properly leveled.
Ventilation
Ventilation requirements may be subject to local building and fi re codes. Consult local authorities having jurisdiction.
Counter equipment must be installed in a location in which the facilities for ventilation permit satisfactory combustion of gas and proper venting. Proper ventilation is imperative for good operation of the appliance. The ideal method of ventilating counter equipment is the use of a properly designed ventilating canopy, which should extend at least 6”/152mm beyond all sides of the appliance (except against the wall if the canopy is a wall installation). This is usually parof a mechanical exhaust system.
Air Supply
- It is necessary that suffi cient room air ingress be allowed to compensate for the amount of air removed by any ventilating system. Otherwise, a subnormal atmospheric pressure will occur, aff ecting the appliance operation adversely and causing undesirable working conditions.
- Appliances shall be located so as not to interfere with proper circulation of air within the confi ned space. All gas burners and pilots require suffi cient air to operate.
- Large objects should not be placed in front of the appliance which might obstruct the air flow through the front. Do not obstruct the flow of combustion and ventilation air.
- Do not permit fans to blow directly at the appliance, and wherever possible, avoid open windows adjacent to the appliance sides and back; also wall type fans which create air cross-currents within the room.
ADJUSTMENTS
Burner Adjustments – All Models
- Before making any adjustment, turn all gas valves to “OFF”. Remove the burner tie wires, if not already removed. Be sure all piping is gas tight and that air is purged from lines.
- All units are shipped from factory at burner ratings set for the gas specified on the rating plate at normal gas pressure. The only adjustment necessary is for that governing air.
Air Adjustment: If necessary, the air is adjusted by rotating the air shutter on burner. The burner must have enough air that the tips of the flames are not yellow, but not so much air that the flames will lift off the burner ports. Securely tighten air shutter screw so air shutter cannot be moved.
NOTE: All adjustments must be performed by a qualifi ed gas technician.
OPERATION: ALL MODELS
Lighting Standing Pilots – All Models
After the appliance has been installed by a licensed gas trades-person all connections, pilot lights and controls have been inspected for proper operation. All gas appliances that use standing pilot systems are generally assumed to be operating with the pilot on continuously. The appliances should not be restarted except in the event of a gas service interruption to the facility.
If a pilot flame does go out, here are the basic steps to check before you re-light the pilot:
- Check to see that all gas lines are in place and secured and that there is no accumulation of gas inside the unit.
- Check to make sure that the main shut off valve is in the off position.
- Make sure the individual burner valves are in the off position.
- Turn on or open the main shut off valve to the appliance.
- Follow pilot lighting procedures applicable to your model. The pilot should ignite within a few attempts. You will be able to see the pilot flame on a hotplate under the protective pilot shield cast into the burner top grate. Pilot flames on griddles and broilers can be viewed through observation holes in the stainless steel front panel.
Broilers:
a. Light the pilots with a long match or taper through the opening(s) in the valve panel.
b. Turn the burner valve on to the full position. A sharp flame should be about 1/4” high.
c. To shut down turn all valves to the off position. If the appliance is to be shut down for an extended period of time, close the in-line gas valve.
Hotplates:
a. Pilots are easily accessible. Make sure the individual burner valve is in the off position, then use an open flame device,match,or BBQ lighter to ignite.
Valve-control griddles:
a. Make sure the individual valve control is in the off position.
b. Use the piezo spark (or electric spark if your model has this option) button(s) to ignite the pilot.
c. Once the pilot is lit you may now turn your valve control to the high or low flame setting.
d. To shut down the main burner turn the valve to the off position. - If you do not have a pilot flame established fairly quickly and begin to smell gas, shut off the main valve and wait five minutes to let the gas build-up escape.
- Only once the pilot flame has been established should you turn on the burner control. When the burner control is on it allows gas flow to the burner. If there is no pilot
flame it will allow gas to build up and cause possible delayed ignition, which could result in an explosion.
Shutdown Procedure
To shutdown, turn all main burner valves to OFF position. If the appliance is to be shut down for an extended period of time, close the pilot valves, (gum valves), by turning their set screws clockwise. Finally, turn the manual valve on the main gas supply to the OFF position.
MAINTENANCE & CLEANING
NOTE: Any maintenance or service involving disassembly of components should be made by a qualified service technician. Also, ensure gas supply to the appliance is shut
off .
You have purchased the finest commercial cooking equipment available anywhere. Like any other fine precision built piece of equipment, it should be given regular care and
maintenance.
Periodic inspections by your dealer or qualified service agency are recommended to check temperatures, adjustments and ensure moving parts are operative. Whenever possible, avoid overheating idle equipment as this is the primary cause for increased service costs.
When corresponding with the factory or your equipment dealer regarding service problems or replacement parts, be sure to refer to the particular model by the correct model
number (including prefix and suffix letters and numbers) and the serial or code number. The rating plate affi xed to the appliance contains this information.
Seasoning
Griddle (standard steel plate)
- Remove all factory applied protective material by washing with hot water, mild detergent or soap solution.
- Apply a thin coat of cooking oil to the griddle surface, about one ounce per square foot of griddle surface. Spread over the entire griddle surface with a cloth to create a thin film. Wipe off any excess oil with a cloth.
- Light all burners, set at the lowest possible setting. Some discoloration will occur when heat is applied to steel.
- Heat the griddle slowly for 15 to 20 minutes. Then wipe away oil. Repeat the procedure 2 to 3 times until the griddle has a slick, mirror like finish.
IMPORTANT: Do not set to a high position (on valve control) or 450° (on thermostat control) during “break-in” period
NOTE: Steel griddle surface will tone (blue discoloration) from heat. This toning will not diminish function or operation and it is not a defect.
The griddle will not require reseasoning if it is used properly.
If the griddle is over heated and product begins to stick to the surface it may be necessary to repeat the seasoning process again. If the griddle is cleaned with soap and water it will be necessary to reseason the griddle surface.
Griddle (optional chrome)
- Remove all factory applied protective material by washing with hot water, mild detergent or soap solution.
- A chrome plate griddle does not have a porous surface such as a steel griddle plate so seasoning is something you do not need to do but regular cleaning will ensure longer life for your griddle and better cooking results.
- Turn griddle plate temperature setting to between 300 to 350 degrees F (149 to 177 deg. C). Pour water on the griddle ahead of a soft bristle brush. Then scrub the griddle clean sweeping the water and debris into the grease trough. This should remove much of the debris on the griddle.
- For stubborn burnt on food use a mild nonabrasive cleaner with the water and a soft metal scraper.
Cast Iron Top Grates (Hot Plates & Char-Broilers)
- Wash the cast iron top grates thoroughly with a mild soap and warm water.
- Dry the grates thoroughly with a clean cloth.
- Immediately after drying, season the top grates lightly with a non-toxic oil, (liquid vegetable oil or spray oil).
WARNING: DO NOT SEASON THE GRATES WHILE THEY ARE INSTALLED ON THE APPLIANCE. Seasoning grates over an open flame could cause a flash fire. - After seasoning, reinstall the grates. Turn all the burners on at their lowest setting. Allow the oil on the grates to burn off for at least 20 minutes before using.
RE-SEASONING OF THE GRATES WILL BE REQUIRED WHENEVER THEY HAVE BEEN CLEANED. FAILURE TO SEASON GRATES WILL RESULT IN RUSTING.
Cleaning
Griddle
To produce evenly cooked, browned griddle products, keep griddle free from carbonized grease. Carbonized grease on the surface hinders the transfer of heat from the griddle surface to food product. This results in uneven browning and loss of cooking effi ciency, and worst of all, carbonized grease tends to cling to grilled foods, giving them a highly unsatisfactory and unappetizing appearance. To keep the griddle clean and operating at peak performance, follow these simple instructions:
a. AFTER EACH USE clean griddle thoroughly with a grill scraper or spatula. Wipe off any excess debris left from cooking process.
b. ONCE A DAY clean griddle surface with a grill brick and grill pad. Remove grease container and clean thoroughly, in the same manner as any ordinary cooking utensil.
c. ONCE A WEEK clean griddle surface thoroughly. If necessary, use a grill stone or grill pad over the griddle surface. Rub with grain of the metal while still warm. A detergent may be used on the plate surface to help clean it, but care must be taken to be sure it is thoroughly removed. After removal of detergent, the surface of the plate should be covered with a thin fi lm of oil to prevent rusting. To remove discolorations, use a non-abrasive cleaner. Before reusing, the griddle must be reseasoned. Keep griddle drain tube to grease container clear at all times.
CAUTION: This griddle plate is steel, but the surface is relatively soft and can be scored or dented by careless use of spatula. Be careful not to dent, scratch, or gouge the plate surface. This will cause food to stick in those areas. Also, note,since this is a steel griddle if a light coating of oil is not always present rust will develop on exposed and uncoated areas.
Open Top Burners
Cleaning of the open top burner is a simple procedure, and, if done at regular intervals, will prolong the life of the appliance and ensure good flame characteristics.
- The most common problem with open burners is spillage. Once the burner ports are partially plugged with food, the air-to-gas mixture is disturbed and results in an inefficient burner.
- Wipe any spills as they occur.
- Top grates and trays should be removed daily, washed, rinsed and dried thoroughly.
- Use a wire brush to clean the ports of the burners. Ignite and check for clogged holes.
- If any clogged holes are apparent, the burner should be lifted out and brushed inside and out with a small Venturi brush. Each port on the burner itself should be cleaned with a properly sized wire or thumb drill. Wash with soap and hot water if grease is observed on the burners. Dry thoroughly.
- When reinstalling the open top burner head be sure the burner ports are lined up correctly to the pilot. On the cast burner head there is a raised-arrow indicator to ensure the burner is installed correctly.

- If an abnormal flame appears around the edges, it is usually a sign of grease or dirt in the throat of the burner. Remove the burner venturi (main body that the burner heads sit on) to access the air shutter opening. Remove grease and dirt from the air shutter area carefully. Do not adjust the shutter setting. The air shutter allows the proper amount of air to mix with the flow of gas coming in from your valve/thermostat orifi ce and should not be adjusted unless by a licensed gas fitter technician.
ABOUT STEP-UP HOT PLATE BURNERS: The step up cast burner housing is assembled at the factory with two locating pins to ensure that the housing can only be installed in the correct positions should they be removed for cleaning. One pin is located on the top of the housing to ensure the burner head is oriented correctly when installed so that the lighter finger is correctly pointing at the pilot flame. The second is located on the housing bottom and must fit into the slot on the burner support, otherwise the burner will not be stable.
Cast Iron Top Grates
Cast iron top grate(s) can be cleaned with mild soap and warm water. For baked on material, a wire brush can be used. Dry thoroughly. Lightly coat with vegetable oil to help prevent rust from forming.
Char-Broilers
Establish a regular cleaning schedule. It is necessary to avoid obstruction between grates and to allow proper combustion and performance.
- Broiling grates should be wiped daily while still warm, using a heavy cloth or other grease absorbing material to remove grease and burnt food before they burn into the
grid. Remove burnt materials, such as carbonized grease or food, with a stiff wire brush. Do Not use Any Type Of Steel wool. Small particles may be left on the grid surface and get into food products.
A common cleaning practice is to turn grates upside down to burn off the encrusted material. Do not do this with the radiant broilers! The flame from the burners is shielded by a cast iron radiant, which prevents flame from reaching the grates. It is likely that cooked-on matter will cook in even deeper rather than burn off . - Broiling grates should be washed thoroughly using a wire brush and a hot, mild detergent or soap solution. Rinse with clear, warm water.
- Dry thoroughly.
- Immediately after drying, season the top grates lightly with a non-toxic oil, (liquid vegetable oil or spray oil)
RADIANT BROILERS: Remove the radiants and wire brush them clean; then wash in hot soapy water. A rule of thumb is that if the grates are becoming encrusted,so are the radiants.
CERAMIC BRIQUETTE BROILERS: With the cooking grates removed, turn over all the briquettes and debris will burn off . - The front grease trough collects grease via downspout that empties into the drip tray. Additional grease which drips past the radiants or ceramic briquettes is also collected in the same drip tray. The tray must be checked frequently during operation and drained as necessary. Spills should be wiped as they occur and at end of each day the drip tray should be emptied, washed in hot soapy water., and thoroughly dried before reinstalling.
NOTE: Do not waste gas or abuse equipment by leaving valves at high temperature settings while not in use. Throughout all idling periods, set valves at low temperature setting to keep grids warm. Re-set valves as required for periods of heavy load. Turn valves to OFF at end of daily operation. When the broiler is running, never use objects such as sheet pans to cover the grates in order to hold in heat in an attempt to burn off grease or other debris.
Stainless Steel
For routine cleaning, wash with a hot water and detergent solution. Wash just a small area at a time or the water will evaporate leaving the chemicals behind causing streaking.
Rinse the washed area with a clean sponge dipped in a sanitizing solution and wipe dry with a soft clean cloth before it can dry.
Use a paste (of water and a mild scouring powder) if you have to, but never rub against the grain. All stainless steel has been polished in one direction. Rub with the polish lines to preserve the original finish. Then thoroughly rinse as before.
To prevent fi ngerprints there are several stainless steel polishes on the market that leave an oily or waxy film. Do not use on surfaces that will be in contact with food. Stainless steel may discolor if overheated. These stains can usually be removed by vigorous rubbing with a scouring powder paste.
Use only stainless steel, wood or plastic tools if necessary to scrape off heavy deposits of grease and oil. Do not use ordinary steel scrapers or knives, as particles of the iron may become imbedded and rust. NEVER USE STEEL WOOL.
Either a typical bleach solution or hot water can be used to sanitize stainless steel.

Installation & Operation Manual
Heavy Duty Gas Counter Hot Plates, Griddles, & Char-Broilers
![]()
© 2010 Garland Commercial Ranges Limited



















