Garland G48-8LL Natural Gas 8 Burner 48 Inch Range

INSTALLATION AND OPERATION MANUAL
FOR YOUR SAFETY:
DO NOT STORE OR USE GASOLINE OR OTHER FLAMMABLE VAPORS OR LIQUIDS IN THE VICINITY OF THIS OR ANY OTHER APPLIANCE
WARNING:
IMPROPER INSTALLATION, ADJUSTMENT, ALTERATION, SERVICE OR MAINTENANCE CAN CAUSE PROPERTY DAMAGE, INJURY, OR DEATH. READ THE INSTALLATION, OPERATING AND MAINTENANCE INSTRUCTIONS THOROUGHLY BEFORE INSTALLING OR SERVICING THIS EQUIPMENT
PLEASE READ ALL SECTIONS OF THIS MANUAL AND RETAIN FOR FUTURE REFERENCE. THIS PRODUCT HAS BEEN CERTIFIED AS COMMERCIAL COOKING EQUIPMENT AND MUST BE INSTALLED BY PROFESSIONAL PERSONNEL AS SPECIFIED. IN THE COMMONWEALTH OF MASSACHUSETTS THIS PRODUCT MUST BE INSTALLED BY A LICENSED PLUMBER OR GAS FITTER. For Your Safety: Post in a prominent location, instructions to be followed in the event the user smells gas. This information shall be obtained by consulting your local gas supplier.
Users are cautioned that maintenance and repairs must be performed by a Garland authorized service agent using genuine Garland replacement parts. Garland will have no obligation with respect to any product that has been improperly installed, adjusted, operated or not maintained in accordance with national and local codes or installation instructions provided with the product, or any product that has its serial number defaced, obliterated or removed, or which has been modified or repaired using unauthorized parts or by unauthorized service agents. For a list of authorized service agents, please refer to the Garland web site at http://www.garland-group.com. The information contained herein, (including design and parts specifications), may be superseded and is subject to change without notice.
IMPORTANT INFORMATION
WARNING:
This product contains chemicals known to the state of california to cause cancer and/or birth defects or other reproductive harm. Installation and servicing of this product could expose you to airborne particles of glass wool/ceramic fibers. Inhalation of airborne particles of glass wool/ceramic fibers is known to the state of california to cause cancer. Operation of this product could expose you to carbon monoxide if not adjusted properly. Inhalation of carbon monoxide is known to the state of california to cause birth defects or other reproductive harm.
Keep appliance area free and clear of combustibles.
DIMENSIONS AND SPECIFICATIONS
Clearances
| Clearances Applicable For All Models | ||
| Surface | Sides | Rear |
| Combustible Wall Minimum | 14″ (356mm) | 6″ (152mm) |
| Non-Combustible Wall Minimum | 0″ | 0″ |
Gas Pressures
| Gas | Minimum Supply Pressure | Manifold Operating Pressure |
| Natural | 7″ WC (17 .5 mbar) | 4 .5″ WC (11 .25 mbar) |
| Propane | 11″ WC (28 mbar) | 10″ WC (25 mbar) |
Gas Inlet Size
| Model Width | Connection |
| 24″ (610mm) & 36″ (914mm) | 3/4″ NPT Rear Gas Connection |
| 48″ (1219mm) & 60″ (1524mm) | 1″ NPT Rear Gas Connection |
Individual Burner Input Rates
| Burner | Input BTU/HR | |
| Natural Gas | Propane Gas | |
| Open Top | 33,000 | 26,000 |
| Hot Top Burner (In lieu of 2 open top burners) | 18,000 | 18,000 |
| Griddle Burner (In lieu of 2 open top burners) | 18,000 | 18,000 |
| Raised Griddle Broiler (Consists of 3 burners) | 33,000 | 33,000 |
| Oven Burner For Full Size Standard or Convection Oven | 38,000 | 32,000 |
| Space Saver Oven | 32,000 | 28,000 |
| Rates are for installations up to 2000’ (610m) above sea level | ||
Rates are for installations up to 2000’ (610m) above sea level
DIMENSIONS AND SPECIFICATIONS continued
Base Model Designations & Total Input Rates
| Model # | Description | Input BTU/Hr | |
| Natural Gas | Propane Gas | ||
| G24-4S | 24″ (610mm) nominal size unit, 4 open burners, storage base | 132,000 | 104,000 |
| G24-4T | 24″ (610mm) nominal size unit, 4 open burners, modular top . | 132,000 | 104,000 |
| G24-4L | 24″ (610mm) nominal size unit, 4 open burners, space saver oven | 164,000 | 132,000 |
| G36-6S | 36″ (914mm) nominal size unit, 6 open burners, storage base | 198,000 | 156,000 |
| G36-6T | 36″ (610mm) nominal size unit, 6 open burners, modular top . | 198,000 | 156,000 |
| G36-6R | 36″ (914mm) nominal size unit, 6 open burners, standard oven | 236,000 | 188,000 |
| G36-6C | 36″ (914mm) nominal size unit, 6 open burners, convection oven | 236,000 | 188,000 |
| G48-8SS | 48″ (1219mm) nominal size unit, 8 open burners, storage base | 264,000 | 208,000 |
| G48-8RS | 48″ (1219mm) nominal size unit, 8 open burners, standard oven, storage base | 302,000 | 240,000 |
| G48-8CS | 48″ (1219mm) nominal size unit, 8 open burners, convection oven, storage base | 302,000 | 240,000 |
| G48-8LL | 48″ (1219mm) nominal size unit, 8 open burners, 2 space saver ovens | 328,000 | 264,000 |
| G60-10SS | 60″ (1524mm) nominal size unit, 10 open burners, storage base | 330,000 | 260,000 |
| G60-10RS | 60″ (1524mm) nominal size unit, 10 open burners, standard oven, storage base | 368,000 | 292,000 |
| G60-10CS | 60″ (1524mm) nominal size unit, 10 open burners, convection oven, storage base | 368,000 | 292,000 |
| G60-10CR | 60″ (1524mm) nominal size unit, 10 open burners, standard oven, convection oven | 406,000 | 324,000 |
| G60-10RR | 60″ (1524mm) nominal size unit, 10 open burners, 2 standard ovens | 406,000 | 324,000 |
| G60-10CC | 60″ (1524mm) nominal size unit, 10 open burners, 2 convection ovens | 406,000 | 324,000 |
| G60-6R24SS | 60″ (1524mm) nominal size unit, 6 open burners, 24″ (610mm) raised griddle/broiler, storage base | 231,000 | 189,000 |
| G60-6R24RS | 60″ (1524mm) nominal size unit, 6 open burners, 24″ (610mm) raised griddle/broiler, standard oven, storage base | 269,000 | 221,000 |
| G60-6R24CS | 60″ (1524mm) nominal size unit, 6 open burners, 24″ (610mm) raised griddle/broiler, convection oven, storage base | 269,000 | 221,000 |
| G60-6R24CR | 60″ (1524mm) nominal size unit, 6 open burners, 24″ (610mm) raised griddle/broiler, standard oven, convection oven | 307,000 | 253,000 |
| G60-6R24RR | 60″ (1524mm) nominal size unit, 6 open burners, 24″ (610mm) raised griddle/broiler, 2 standard ovens | 307,000 | 253,000 |
| G60-6R24CC | 60″ (1524mm) nominal size unit, 6 open burners, 24″ (610mm) raised griddle/broiler, standard oven, 2 convection ovens | 307,000 | 253,000 |
INTRODUCTION
- Check crate for possible damage sustained during transit. Carefully remove unit from crate and again check for damage. Any damage to the appliance must be reported to the carrier immediately.
- The wires for retaining packing material must be removed from units. Any protective material covering stainless steel parts must also be removed.
- All equipment is supplied with 6” (152mm) legs unless specified to be dais for cove base mounting, casters or deck mount flanged feet. Units 48” (1219mm) and 60” (1524mm) wide have legs factory mounted. Base mounting is required when range is being installed on a combustible floor.
- The type of gas and supply pressure that the equipment was set-up for at the factory is noted on the rating plate and on the packaging. This type of gas supply must be used.
- Do not remove permanently affixed labels, warnings or rating plates from the appliance, for this may invalidate the manufacturer’s warranty.
Rating Plate
All burner input rates are shown on the rating plate, which is located behind the lower front drop down panel under the oven door.
INSTALLATION
This product has been certified as commercial cooking equipment and must be installed by professional personnel as specified. THIS APPLIANCE IS NOT RECOMMENDED FOR RESIDENTIAL INSTALLATION.
We suggest installation, maintenance and repairs should be performed by your local Garland/US Range authorized service agency.
Siting
The floor on which the appliance is to be sited must be capable of adequately supporting the weight of the appliance and any ancillary equipment. Units with ovens must be fitted with legs if installed on a combustible floor. Adequate clearance must be provided for servicing and proper operation.
Appliances Equipped With Casters
- The installation shall be made with a connector that complies with the Standard for Connectors for Moveable Gas Appliances, ANSI Z21.69/CSA 6.16, Addenda Z21.69B-2006/CSA 6.16B-2006 (or latest edition), and a quick-disconnect device that complies with the Standard for Quick Disconnects for Use with Gas Fuel, ANSI Z21.41/CSA 6.9, Addenda Z21.41A-2005/CSA 6.16A-2005 (or latest edition)
- The front casters of the appliance are equipped with brakes to limit the movement of the appliance without placing any strain on the connector or quick disconnect device or its associated piping.
- Please be aware; required restraint is attached to a cut out hole in side panel, and if disconnection of the restraint is necessary, be sure to reconnect the device after the appliance has been returned to its original position.
Appliances Equipped With Legs
- Raise the front of the appliance and block. Do not lay the appliance on its back.
- Legs are threaded to be easily screwed into the holes provided on the bottom of the range.
- Once legs have been attached and secured they can be adjusted to level the appliance and compensate for uneven flooring.
INSTALLATION Continued
Installing Shelf To Backguard
Note: Shelf may be installed before or after installing the backguard to the range.
- Loosen 4 bolts on the front of the backguard approximately 1/4” (6mm).
- Align the 4 slotted holes on the back of the shelf with the 4 bolts on the backguard.
- Slide the shelf downward until the 4 bolts are engaged in the slotted portion of the keyhole.
- Tighten the 4 bolts to secure the shelf.
- On 60” units only, install a sheet metal screw though the hole in the underside of the shelf into the backguard and tighten.

Backguard With High Shelf, Salamander Or Cheesemelters Mounting Instructions
- Rear of the range must be easily accessible.
- Please refer to the installation instructions included with the salamander or cheesemelter for further instructions on these units.
- For the backguard or high shelf, place on the rear of the range, slipping the support brackets into the openings in the main body sides.
- Securely fasten the support brackets to the burner box sides with (4) sheet metal screws provided.

Ventilation Air
The following notes are intended to give general guidance. For detailed recommendations, refer to the applicable code(s) in the country of destination. Proper ventilation is critical for optimum performance. The ideal method of ventilating open-top equipment is the use of a properly designed canopy that should extend six inches (152 mm), beyond all sides of the appliance(s) and six feet, six inches (1981mm) above the floor. A strong exhaust will create a vacuum in the room. For an exhaust vent to work properly, replacement air must be equal to the amount of air exhausted. An imbalance between exhaust and replacement air can cause degradation in the appliance’s performance. All gas burners and pilots need sufficient air to operate. Large objects should not be placed in front of the appliance(s) that would obstruct the flow of air into the front.
Statutory Regulations
The installation of this appliance must be carried out by a competent person and in accordance with the relevant regulations, codes of practice and the related publications of the country of destination. The installation must conform to the National Fuel Gas Code ANSI Z223.1, or latest edition, NFPA No.54 – latest edition/or local code to assure safe and efficient operation. In Canada, the installation must comply with CSA B149.1 and local codes.
Gas Connection
The local gas authority should be consulted at the installation planning stage in order to establish the availability of an adequate supply of gas and to ensure that the meter is adequate for the required flow rate. The pipe work from the meter to the appliance must be an appropriate size. All fixed (non-mobile) appliances MUST be fitted with an accessible upstream gas shut off valve as a means of isolating the appliance for emergency shut off and for servicing. A union or similar means of disconnection must be provided between the gas-cock and the appliance. A manually operable valve must be fitted to the gas supply to the kitchen to enable it to be isolated in an emergency. Wherever practical, this shall be located either outside the kitchen or near to an exit in a readily accessible position. Where it is not practical to do this, an automatic isolation valve system shall be fitted which can be operated from a readily accessible position near to the exit. In locations where the manual isolation valve is fitted or the automatic system can be reset this notice MUST be posted: “ALL DOWNSTREAM BURNER AND PILOT VALVES MUST BE TURNED OFF PRIOR TO ATTEMPTING TO RESTORE THE SUPPLY. AFTER EXTENDED SHUT OFF, PURGE BEFORE RESTORING GAS.”
Electrical Connections (Where Applicable)
IMPORTANT- This appliance must be electrically grounded in accordance with local codes, or in the absence of local codes with the National Electrical Code. 220/240 Volt Convection Oven Models When the appliance is ordered and equipped for 220/240 volt operation, the supply line must be connected to the wiring terminations located inside the terminal box at the rear of the appliance. For ease of attaching the supply line, there is a removable cover on the terminal box. Permanent connection to the electrical service must comply with local codes, or in the absence of local codes, with the national electrical code.
Installation Notes
Before assembly and connection, check gas supply.
- The type of gas for which the unit is equipped is stamped on the data plate located behind the lower front panel. Connect a unit stamped “NAT” only to natural gas; connect one stamped “PRO” only to propane gas.
- If it is a new installation have the gas authorities check meter size and piping to assure that the unit is supplied with necessary amount of gas pressure required to operate the unit.
- If it is additional or replacement equipment have the gas authorities check pressure to make certain that existing meter and piping will supply fuel to the unit with no more than 0.15 Kpa pressure drop.
- Make certain new piping and connections have been made in a clean manner and have been purged so that piping compound, chips, etc. will not clog pilots, valves or burners. Use pipe joint compound approved for natural and liquefied petroleum gases.
NOTE: Gas pressure should be checked when the unit is installed and all other equipment on the same line is on. The operating gas pressure must be the same as that specified on the rating plate. If necessary, pressure adjustment may be made at the pressure regulator supplied with the appliance. The appliance and its individual shut-off valve must be disconnected from the gas supply piping system during any pressure testing of that system where pressures are in excess of 1/2 PSIG (3.45kPa.)
Final Preparation
NOTE: Your new range has a plastic coating to help protect the finish from scratches during shipping. This protective plastic film should be peeled off prior to starting the range.
TESTING AND ADJUSTMENT
Testing
All fittings and pipe connections must be tested for leaks. Use approved gas leak detectors, soap solution or equivalent, checking over and around all the fittings and pipe connections. DO NOT USE A FLAME! Accessibility to all gas lines and fittings require that valve panel(s) lower front panel(s), and/or oven rack(s) be removed. It may be necessary to remove, or at least raise and securely prop griddle(s), hot top(s), and/or top grate(s). All parts removed, (including fasteners), should be stored safely for re-installation.
- Be sure that all valves and thermostats are in the “OFF” position.
- Turn on the main gas supply valve. Light all top section pilots.
- Leak test all valves and fittings as described at the beginning of this section. Correct any leaks as required and recheck.
- Light the oven pilot.
- Set the oven thermostat to maximum. Leak test all valves and fittings as described at the beginning of this section. Correct any leaks as required and recheck.
- Shut off all valves and set thermostat dials to “OFF” or lowest position. All units are tested and adjusted at the factory, however, burners and pilots should be checked upon installation and adjusted if necessary.
CAUTION: Gas will flow to the top section burners even if top section pilots are not lit, except for thermostat controlled griddles. Gas will not be interrupted. It is the responsibility of the operator to confirm the proper ignition of each burner as it is turned on. Should ignition fail to occur 4 seconds after turning a burner on, turn the burner off, wait 5 minutes, and try again.
OPERATION
Caution: In the event that a binding malfunction valve or thermostat control is observed DO NOT light the pilots or continue operation until an authorized service technician has inspected the appliance. Failure to do so may result in injury.
Open Top burners
Lighting
- Light pilots adjacent to each burner.
- Turn valve completely on. Burner flame should be
1/2” (13mm) high, stable and blue in color. It should also impinge on the bottom of a pot placed on the burner grate.
CAUTION: Should burner ignition fail within 4 seconds, turn the burner valve off and repeat steps 1 through 2. If ignition continues to fail, consult your factory authorized service agency.
Ovens (Standard)
Lighting
- Lower front kick panel below oven door, raise oven hearth bottom for easy access to oven pilot.
- Turn oven control knob (figure 1) to “
” position and then push in to engage the flow of gas through the safety device to the pilot.
- While holding knob in, light pilot with a match/BBQ lighter or use the spark ignition (if provided) to spark ignite pilot.
- Continue to hold knob in for 15 seconds after ignition, then release. Pilot should remain lit.
- If pilot burner fails to light or does not stay lit, wait 5 minutes and repeat steps 2 through 4.
- Replace hearth and close kick panel, then turn oven thermostat to desired cooking temperature.
- To shut down main burner turn control knob (figure 1) to “
” position.
Shut Down
If pilot shut down is required loosen the set screw on the knob and remove the outer temperature thermostat knob by carefully pulling it off. Then push in and turn the inner control knob (figure 2) to position. The system will disengage within 60 seconds.
Convection Ovens
The forced air range oven consists of a food preparation chamber completely sealed from the combustion area. This eliminates the possibility of contamination from flue products and permits an efficient method of circulating the heated air within the cooking chamber. During the cooking process in a conventional oven, a vapor barrier and a layer of “cool” air covers the exposed area of the product. In a forced air oven, the fan pushes the heated air over and around the product, sweeping away the vapor barrier and cool air, permitting faster heat penetration. This action permits the use of lower temperatures and shorter cooking times. The rule of thumb for determining the cooking temperature is to reduce the set temperature by approximately 80°F, (28°C), from that which you would set in a conventional oven. The product should be checked at a point midway in the time required in a conventional oven.
OPERATION Continued
Lighting
- Lower front kick panel below oven door.
- Push and hold in oven thermostat control valve knob (figure 1) and turn it counter clockwise to the ignition position “
”. - While holding knob fully in depress the red igniter button and observe that the pilot flame is lit.
- When the pilot is lit, continue to hold the valve knob fully in for 10 seconds, then release it. If the pilot goes out, wait for five (5) minutes, then repeat steps 2 to 4.
Start Up
- Set the power switch to the “COOK” position.
- Turn the thermostat to the desired setting.
Cool down
- Turn the oven valve knob to the “” position this will prevent the main oven burner from cycling on. (figure 1).
- Turn the thermostat to its lowest setting.
- Open the oven door.
- Set the power switch to the “COOL DOWN” position.
- Once the oven has cooled turn the power switch to off and close the oven door.
Shut Down
- If pilot shut down is required loosen the set screw on the knob and remove the outer temperature thermostat knob by carefully pulling it off. Then push in and turn the inner control knob (figure 2) to position. The system will disengage within 60 seconds.
- Power switch should be in the off position.
Operating Suggestions
The motor in your range convection oven is maintenance free since it is constructed with self-lubricating sealed ball bearings. It is designed to provide durable service when treated with ordinary care. We have a few suggestions to follow for the care of your motor.
- When the motor is operating, it cools itself internally by air entering the rear of the motor case, provided proper clearance has been allowed.
- Since the blower wheel is in the oven cavity it is at the same temperature as the oven. If the motor is stopped while the oven is hot, the heat from the blower wheel is conducted down the shaft and into the armature of the motor. This action could shorten motor life.
- We recommend, at the end of the bake or roasting period, when the oven will be idle for any period of time or before shutting down completely, that the doors be left open, and by use of the cool-down position on the fan switch, the fan continues to run for at least 20 minutes. The “FAN” should never be turned “OFF” when the oven is “HOT”.
Hot Top Sections
- Raise or remove hot top plate section(s). Each burner has one pilot located at the front left side of the burner.
- Light pilots. The pilot burner should be adjusted to provide for rapid ignition of the burner.
- Turn the burner valve on. A sharp blue flame should be approximately 1/4-inch, (6mm), high.
- Replace hot top sections.
Thermostat Controlled Griddles
See griddle seasoning before use.
- For general thermostat griddle lighting instructions please refer to the section entitled “OVEN (STANDARD)” above. (Steps 2 though 7)
- Pilots should be lit though the front panel with an extend match. If necessary the front panel of the range can be removed to allow the griddle plates to be raised at the front, block securely.
- Light pilots located at the front left side of each burner
- The sensing bulbs must be fully inserted into their individual holders, which are located on the underside of the griddle. To check griddle burner flame set the thermostat to its maximum setting and then return to pilot.
- If the griddle has been raised to light the pilots, lower carefully into position, being very careful not to leave any part of the capillary tube in the burner compartment. Replace the front panel of the range.
Valve Controlled Griddles
See griddle seasoning before use.
- Pilots should be lit though the front panel with an extend match. If necessary the front panel of the range can be removed to allow the griddle plates to be raised at the front, block securely.
- Light pilots located at the front left side of each burner.
- Turn burner valves completely on. Burners should have 1/2-inch to 5/8-inch, (13mm to 16mm), stable blue flame.
- If the griddle has been raised, lower carefully into position and replace the front panel of the range.
Griddle/Broiler
(Models G60-6R24RR, G60-6R24SS, G60-6R24RS, G60-6R24CC, G60-6R24CR & G60-6R24CS) See griddle seasoning before use. Before turning on main gas supply, be sure all burner valves are in the “OFF” position.
- Eight (8) ceramic bricks are supplied with each range. These ceramics are to be placed in the burner section of the griddle / broiler before it is put into operation.
- Each burner has a flange on each side which will serve as a rest for a pair of ceramics. Position two ceramics between each pair of burners with the projections facing downward. Place two ceramics between the outside burner on each side, using the side lining ledges as the outer support.
- Light the pilots located in the broiler section.
- Turn the burner valves completely on. Burners should exhibit a 5/16-inch stable blue flame.
NOTE: If burners need adjustment contact an authorized licensed gas technician.
Range Shut down
- Turn all valves to the “OFF” position.
- If the unit is to be shut down for an extended period of time, close the in-line gas valve.
PRODUCT APPLICATION INFORMATION
General
The range is the workhorse of the kitchen because of its versatility. Most frequently used in small applications, such as cafes, schools, church kitchens, firehouses, and small nursing homes where demands are less taxing. As a general rule of thumb, one four to six burner range with a hot top will be adequate for a restaurant seating 30 to 35. The top of the range is designed for flexibility and the preparation of numerous different types of products. It may be equipped with two, or even three different types of tops and burners, depending on the menu needs. An operation that cooks to order, or uses the range primarily as back-up will find that open burners will suit most of their needs. Preparation of soups, stocks, or sauces is done on a hot top where slow, even cooking is desirable. Heating larger quantities of food can be done more efficiently than heating small quantities. Pots and pans should be covered whenever possible to reduce energy consumption.
High acid sauces, such as tomato should be cooked in stainless steel rather than aluminum to avoid chemical reaction. Light colored sauces such as Alfredo may be discolored by the use of aluminum, especially if stirred with a metal spoon or whip. Saltwater shellfish may pit aluminum pots if they are frequently used for this purpose.
NOTE: Many parts of the commercial range are raw steel. Hot tops, griddles, springs, door hooks etc., can react with the moisture forming rust. This occurrence is normal and not considered a defect. Clean with a stainless steel or fiber pad. A light coating of cooking oil may be applied.
Open Burners
The most traditional uses of open burners are sautéing, pan frying, and small stock pot work. Short-term cooking is the most efficient use for the open burner. Pans should cover as much of the grate as possible to minimize heat loss. The maximum stock pot size to be used on an open burner is 12 inches, (305mm), diameter. Open burners should be turned off when not in use to conserve energy. Leaving a flame burning is of no advantage since the heat is instantaneous.
MAINTENANCE AND CLEANING
Seasoning
Griddle
- Remove all factory applied protective material by washing with hot water, mild detergent or soap solution.
- Apply a thin coat of cooking oil to the griddle surface, about one ounce per square foot of griddle surface. Spread over the entire griddle surface with a cloth to create a thin film. Wipe off any excess oil with a cloth.
- Light all burners, set at the lowest possible setting. Some discoloration will occur when heat is applied to steel.
- Heat the griddle slowly for 15 to 20 minutes. Then wipe away oil. Repeat the procedure 2 to 3 times until the griddle has a slick, mirror like finish. Do this until you have reached the desired cooking temperature.
IMPORTANT: Do not set to a high position (on valve control) or 450° (on thermostat control) during “break-in” period
NOTE: Steel griddle surface will tone (blue discoloration) from heat. This toning will not diminish function or operation and it is not a defect. The griddle will not require reseasoning if it is used properly. If the griddle is over heated and product begins to stick to the surface it may be necessary to repeat the seasoning process again. If the griddle is cleaned with soap and water it will be necessary to reseason the griddle surface.
Cast Iron top Grates
First, remove the cast iron top grates from the range. Wash the cast iron top grates thoroughly with a mild soap and warm water. Dry the cast-iron top grates thoroughly with a clean cloth. Immediately after drying, season the top grates lightly with a non-toxic oil, (Liquid vegetable oil or Pam spray oil) WARNING; DO NOT SEASON THE TOP GRATES WHILE ON THE RANGE TOP! Seasoning grates on the range top over an open flame could cause a flash fire. After seasoning, replace the top grates onto the range. Turn all the range top sections “ON LOW”. Allow the top sections to burn in this manner for at least 20 minutes before using pots or pans on the top grates. SEASONING OF THE TOP GRATES WILL BE REQUIRED WHENEVER THEY HAVE BEEN CLEANED. FAILURE TO SEASON GRATES WILL CAUSE RUSTING.
Stainless Steel
For routine cleaning, wash with a hot water and detergent solution. Wash just a small area at a time or the water will evaporate leaving the chemicals behind causing streaking. Rinse the washed area with a clean sponge dipped in a sanitizing solution and wipe dry with a soft clean cloth before it can dry. Use a paste (of water and a mild scouring powder) if you have to, but never rub against the grain. All stainless steel has been polished in one direction. Rub with the polish lines to preserve the original finish. Then thoroughly rinse as before. To prevent fingerprints there are several stainless steel polishes on the market that leave an oily or waxy film. Do not use on surfaces that will be in contact with food. Stainless steel may discolor if overheated. These stains can usually be removed by vigorous rubbing with a scouring powder paste. Use only stainless steel, wood or plastic tools if necessary to scrape off heavy deposits of grease and oil. Do not use ordinary steel scrapers or knives, as particles of the iron may become imbedded and rust. NEVER USE STEEL WOOL. Either a typical bleach solution or hot water can be used to sanitize stainless steel.
Oven Interior (Porcelain Enamel)
NOTE: Disconnect line cord (if applicable from power supply before cleaning or servicing.
- Before cleaning oven interior, remove all oven racks and guides (if “RC” base). Oven racks and guides can be cleaned with a mild soap and warm water or run through dish washer.
- The porcelain interior can be cleaned with oven cleaners such as “Easy Off, or “Dow Oven Cleaner”.
Follow product manufacturer’s instructions for proper use.
Open Top Burners
Cleaning of the range top burner is a simple procedure, and, if done at regular intervals will prolong the life of the range and ensure good flame characteristics.
- The most common problem with open burner ranges is spillage. Once the burner ports are partially plugged with food, the air-to-gas mixture is disturbed and results in an inefficient burner.
- Wipe any spills as they occur.
- Grids and trays should be removed daily, washed, rinsed and dried thoroughly.
- Use a wire brush to clean the ports of the burners. Ignite and check for clogged holes.
- If any clogged holes are apparent, the burner should be lifted out and brushed inside and out with a small Venturi brush. Each port on the burner itself should be cleaned with a properly sized wire or thumb drill. Wash with soap and hot water if grease is observed on the burners. Dry thoroughly.
- When reinstalling the open top burner head be sure the burner ports are lined up correctly to the pilot. On the cast burner head there is a raised indicator to ensure the burner is installed correctly.

- 7. If an abnormal flame appears around the edges, it is usually a sign of grease dirt in the throat of the burner. Remove the burner venturi (main body that the burner heads sit on) to access the air shutter opening. Remove grease and dirt from the air shutter area carefully. Do not adjust the shutter setting. The air shutter allows the proper amount of air to mix with the flow of gas coming in from your valve/thermostat orifice and should not be adjusted unless by a licensed gas fitter technician.
Cast Iron Top & Grates
Cast iron top and grate(s) can be cleaned with mild soap and warm water. For baked on material, a wire brush can be used. Dry thoroughly. Lightly coat with vegetable oil to help prevent rust from forming.
Hot Tops
While the surface is still slightly warm, wipe down with a clean burlap cloth. Burnt on spillage should be scraped off. If necessary, remove the plate and wash in a sink with soap and hot water. Dry thoroughly. In damp climates, wipe down with a light coating of oil to prevent rusting. Avoid excessive use of water as this could damage the surface and the controls below.
NOTE: Steel griddle and hot top surface will “tone” (blue/brown discoloration) from heat. This toning will not diminish function or operation and is not a defect.
Griddle
To produce evenly cooked, browned griddle products, keep griddle free from carbonized grease. Carbonized grease on the surface hinders the transfer of heat from the griddle surface to food product. This results in uneven browning and loss of cooking efficiency, and worst of all, carbonized grease tends to cling to grilled foods, giving them a highly unsatisfactory and unappetizing appearance. To keep the griddle clean and operating at peak performance, follow these simple instructions:
- AFTER EACH USE clean griddle thoroughly with a grill scraper or spatula. Wipe off any excess debris left from cooking process.
- ONCE A DAY clean griddle surface with a grill brick and grill pad. Remove grease container and clean thoroughly, in the same manner as any ordinary cooking utensil.
- ONCE A WEEK clean griddle surface thoroughly. If necessary, use a grill stone or grill pad over the griddle surface. Rub with grain of the metal while still warm. A detergent may be used on the plate surface to help clean it, but care must be taken to be sure it is thoroughly removed. After removal of detergent, the surface of the plate should be covered with a thin film of oil to prevent rusting. To remove discolorations, use a non-abrasive cleaner. Before re-using, the griddle must be reseasoned. Keep griddle drain tube to grease container clear at all times.
CAUTION This griddle plate is steel, but the surface is relatively soft and can be scored or dented by careless use of spatula.
Be careful not to dent, scratch, or gouge the plate surface. This will cause food to stick in those areas. Also, note, since this is a steel griddle if a light coating of oil is not always present rust will develop on exposed and uncoated areas.
APPENDIX
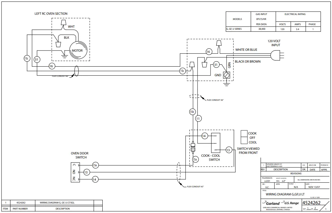
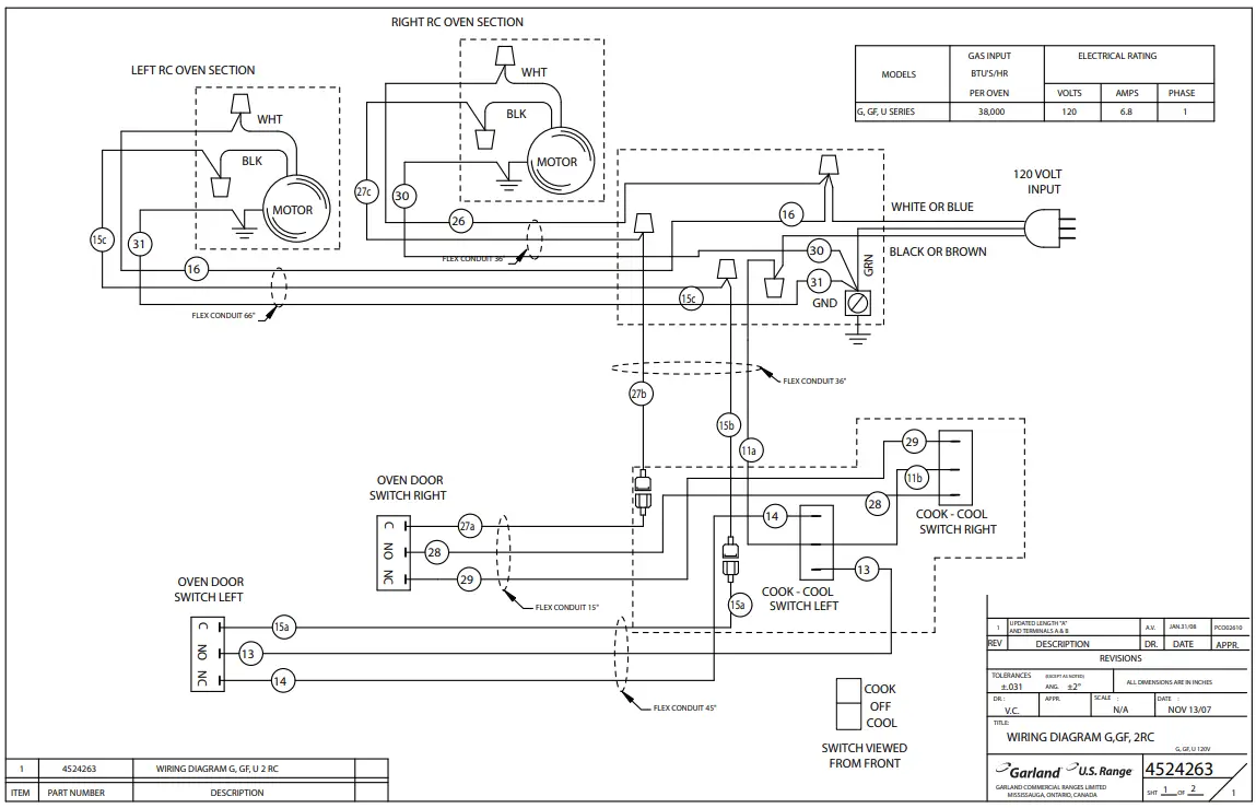
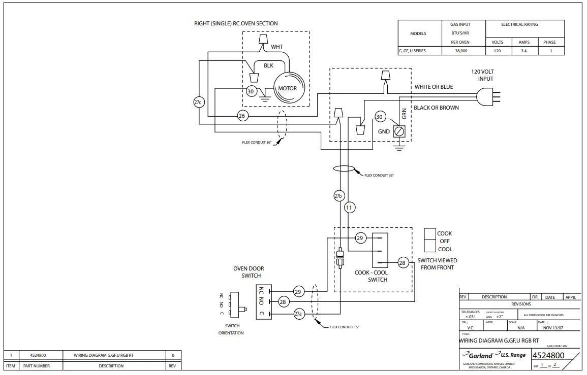
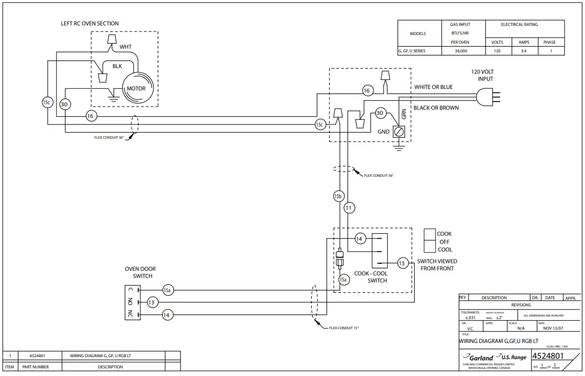
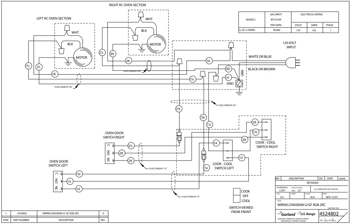
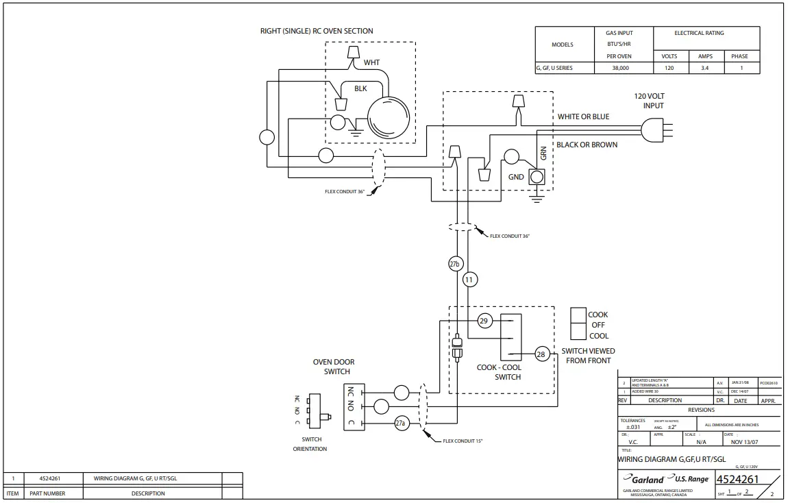
Wiring Diagrams
NOTE:
Wiring Diagrams are also attached to the back of the range.
RC






























