
DQ
Circulator Pumps

Installation & Operating Manual
© Davis & Shirtliff Ltd 2020
Contents herein are not warranted
Congratulations on selecting a Dayliff DQ Pump. They are manufactured to the highest standards and if installed and operated correctly will give many years of efficient and trouble-free service. A careful reading of this Installation Manual is therefore important, though should there be any queries they should be referred to the equipment supplier.
PUMP SPECIFICATIONS
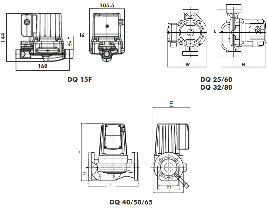
![]() | ![]() |
PUMP
DAY LIFE DQ circulator pumps are designed for hot water circulation in heating, hot water, cooling, and air conditioning applications in open or closed systems. They can also be used for pressure boosting in domestic dwellings and for circulation in solar hot water systems. Specifications are offered as follows;
DQ15F – A single-speed pump that includes a built-in flow switch that activates pump operations whenever there is supply-demand. This is particularly applicable to domestic shower pressure boosting.
DQ 25/32 – Pumps are provided with 3-speed settings for selection of the ideal flow to meet system requirements. No automatic switching is provided.
Pump construction is cast iron pump housing, glass fiber reinforced polypropylene impeller, stainless steel rotor, and ceramic bearing support. All pumps are supplied complete with female threaded BSP union connections.
DQ40/50/65 – Pumps are used where duty requires high water volumes at low pressures. Pump construction is A151304 stainless steel for the impeller and shaft, cast iron for the pump body, and aluminum for the rotor housing.
MOTOR
DQ15F/25/32 – The integral 2-pole asynchronous squirrel-cage motor is designed to operate at three speeds (except DQ15F which is a single speed). All motors include an inbuilt capacitor and overload protection and can be connected directly to the mains supply through a 5A fuse or MCB.
DQ40/50/65 – The integral 2-pole asynchronous squirrel-cage motor is designed to operate at one speed. It can be connected directly to the mains supply through an MCB and suitably sized DOL starter.
Enclosure Class: DQ15F, 32/80 – IP54,
DQ40/50/65 – IP44
Insulation Class: D Q15F, 32/80 – F,
DQ40/50/65 – B
Voltage:DQ 15F, 32/80 – 1 x240V,
0Q40/50/65-3x415V
Speed:2900rprn
OPERATING CONDITIONS
Pumped Liquid: Thin, clean, chemically non-aggressive liquids without solids or fibers.
Max Fluid Temperature:-10°C -110°C. Note the liquid temperature should be higher than the ambient temperature.
Max. Ambient Temperature: 10°C – 50°C
Max. Operating Pressure: 6 bar
Installation: Pumps must be installed with rotor shaft horizontal and vertical water flow.
Certification: CE,15014001, OHSA518001,1509001
PUMP DATA
| Model | Power (W) | Current (A) | Inlet/ Outlet | Dimensions (mm) | Weight (kg) | ||
| L | H | W | |||||
| DQ 15F | 120 | 0.55 | 3/4″ | 160 | 105.5 | 144 | 4 |
| DQ 25/60 | 93 | 0.45 | 1 1/2″ | 180 | 125 | 90 | 3 |
| DQ 32/80 | 245 | 1.1 | 2″ | 180 | 175 | 150 | 5.6 |
| Model | Power (Watts) | Current (A) | Inlet/ Outlet | Dimensions (mm) | Weight (kg) | ||||||
| B | B1 | D | D1 | D2 | L | E | |||||
| DQ40/100 | 550 | 1.8 | 11/2″ | 305 | 70 | 150 | 110 | 40 | 250 | 200 | 22 |
| DQ50/120 | 1100 | 2.3 | 2 | 315 | 75 | 165 | 125 | 50 | 280 | 205 | 28 |
| DQ65/110 | 1500 | 2.9 | 21/2″ | 330 | 80 | 188 | 145 | 65 | 340 | 210 | 34 |

WARNINGS AND SYMBOLS
The pump must not be installed against wood or any other material which may be affected by heat from the pump.
Before installing the pump ensure all soldering/welding adjacent to the pump is complete, the system has been thoroughly flushed out to remove any foreign matter and that vent and feed pipes are positioned so that the pump will not draw in the air or over the pump.
It is advisable to ensure the impeller is free by rotating manually through the outlet.
The pump should not be installed in either a high point in the system where air can collect or a low point where sediments could build up.
Pipes on both sides of the pump should be supported to reduce strain and must be correctly aligned prior to installing the pump to reduce the risk of scalding.
The pump must be installed with the rotating shaft horizontal.
Check the direction of flow indicated by an arrow on the pump casing and install the pump between the isolating valves. When replacing a pump maintain the same direction of flow.
Use approved makes of additives with corrosion inhibitors only and follow the manufacturer’s instructions. Do not leave the system empty without protection from corrosion inhibitors.
No non-approved replacement parts may be used.
Ensure no water leakage onto the pump motor or its electrical connections during installations, venting, or operation as this may cause electrical shocks.
Any action that doesn’t comply with the safety warning signs may cause personal injury, pump damage, and losses in property. Users must also comply with the local safety regulations.
Do not install the pump in moist places.
For easy maintenance, it is recommended to install a separate valve at the inlet and outlet of the pump. Those should be closed when the pump is not in use for a long time.
Dry running will void the warranty.
The pump should be stored in a cool, dry, and well-ventilated place.
INSTALLATION
Electrical Connection
- If the electrical connection block is not in a convenient position when the circulator pump is delivered, the motorhead may be rotated prior to fitting.
Release the screws on the pump casing and rotate the motor head to its new position.
- Take care not to remove or damage the ‘O’ ring seal between the motorhead and pump casing.
- Tighten the fixing screws in a diagonal pattern in stages to a final torque of 25kg-cm.
- Check that the motor turns freely by loosening the manual Restart Knob until it engages in the motor shaft. The motor should then be free to turn with the fingertips.
After use, the Manual Restart knob should be screwed back finger tight into its original position.
Ensure no fluid drips onto the pump motor or its electrical connections during installation, venting, or operation as when the pump is energized this may create a risk of electric shock.
Electrical work to be carried out by a competent qualified and licensed electrician.
- Observe pump nameplate data.
- For the pump, fuse protection use 3 Amp fuse.
- A means of disconnection from the power supply having a contact separation of at least 3mm in all poles must be provided.
- If the pump already has a cable fitted to it, ensure the pump is isolated from the mains before removing the terminal cover.
Wiring Procedure
- Use heat resistant 3×0.755mm core cable with rubber insulation rated at 110 C minimum.
- Cut the cable to the required length.
- Remove terminal cover, and thread cable through the grommet.
- Refit terminal cover, locate cover onto the motor and tighten screws.
- The cable must not come in contact with the pump body or pipework.
Ensure that the pump is properly earthed.
OPERATION
- Open both valves on either side of the pump.
In normal operation, the pump surface can be hot (up to 125 C) creating a risk of scalding.
During commissioning beware of the risk of scalding from escaping hot water or steam.
- Before switching the pump on, the manual restart should be unscrewed and withdrawn to engage the motor shaft. Check that the shaft rotates freely and that the knob can be seen rotating on the initial start-up of the pump.
- Screw manual restart back in.
Air/ Bleeding
- When the system is filled with water the pump will normally self vent air within a short while of switching on. In cases where the pump venting is slow (identified by pump noise) the pump bearings may be vented by using the manual restart knob.
During this operation be aware of the risk of scalding from escaping hot water or steam. Ensure the pump is switched off.
- Once the system has filled, switch off the pump, unscrew the manual restart knob applying sideways pressure to the screw until water emerges from it. Screw the manual restart knob back in. Switch pump back on.
A system may take 24 hours to vent all the air in the system. Ensure that the pump does not run dry as this will result in bearing failure.
- The output of the range of domestic circulators is by 3-speed control.
Speed regulator adjustment should only be made with the electrical supply switched off.
- It is always preferable to use the lowest performance where this gives circulation sufficient to heat evenly (uneven distribution of heat may be due to the need to balance the flow of water in heat emitter.
- If the pump performance requirement is not known start with the lowest pump setting. If heat emitters remain cold or if the boiler inlet and outlet temperature differential (specified by the manufacturers of the boiler) is not achieved increase the flow by adjusting the speed control.
Too high a speed setting may result in over-pumping over or drawing in air.
Do not use pump isolating valves for performance control.
MAINTENANCE
- No routine maintenance is necessary, however, during prolonged shut down it is advisable to run the pump for a few minutes every few weeks.
Locked pump
- Should the pump fail to start, switch to the maximum setting? If the pump still does not start, the manual restart knob may be used to free a locked pump.
Once the pump is running the regulator should be reset to its original position.
TROUBLESHOOTING
| PROBLEM | SOLUTION |
| The pump fails to start | Check power supply fuses Check voltage at pump terminals Check electrical connection wiring procedure Check if the rotor is free to rotate |
| Pump start but provides incorrect circulation | Check if pump valves are open Check if the pump case and system is adequately vented Ensure correct electrical settings |
| Noise | Check the electrical setting and adjust as required Noise due to cavitation can be subdued by increasing the system pressure within the permissible limits The pump may require 48 hours to attain normal quiet operation |
TERMS OF WARRANTY
i) General Liability
- In lieu of any warranty, condition, or liability implied by law, the liability of Davis & Shirtliff (hereafter called the Company) in respect of any defect or failure of
equipment supplied is limited to making good by replacement or repair (at the Company’s discretion) defects which under proper use appear therein and arise solely from faulty design, materials, or workmanship within a specified period. This period commences immediately after the equipment has been delivered to the customer and at its termination, all liability ceases. Also, the warranty period will be assessed on the basis of the date that the company is informed of the failure. - The warranty applies solely to the equipment supplied and no claim for consequential damages, however arising, will be entertained. Also, the warranty specifically excluded defects caused by fair wear and tear, the effects of careless handling, lack of maintenance, faulty installation, incompetence on part of the equipment user, Acts of God, or any other cause beyond the Company’s reasonable control. Also, any repair or attempt at repair carried out by any other party invalidates all warranties.
ii) Standard Warranty
If equipment failure occurs in the normal course of service having been competently installed and when operating within its specified duty limits warranty will be provided as follows:-
- Up to 1 year – The item will be replaced or repaired at no charge.
- Over 1 year, less than two years – The item will be replaced or repaired at a cost to the customer of 50% of the Davis & Shirtliff market price.
The warranty on equipment supplied or installed by others is conditional upon the defective unit being promptly returned free to a Davis & Shirtliff office and collected thereafter when repaired. No element of site repair is included in the warranty and any site attendance costs will be payable in full at a standard charge-out rate. Also, proof of purchase including the purchase invoice must be provided for a warranty claim to be considered.
DAY LIFE is a brand of Davis & Shirtliff for inquiries contact
Davis & Shirtliff, Ltd.
P.O. Box 41762 – 00100, Nairobi, Kenya
Tel: 6968000/ 0711 079 000
or visit www.dayliff.com
for details of the nearest branch or stockist
INS341C-04/18





















