VEVOR FRB-770 Series Continuous Band Sealer

Use
This sealer is suitable for sealing all kinds of plastic films. It can be widely used in fields of food, medicine, cosmetics, daily use and vegetable seeds etc .. It is the best sealing equipment tor packing batch products from factories and shops.
Security advice
- Make sure that the adopted power supply is correct (the machine adopts AC 220V/50HZ, and the yellow and green wire is leakage protection ground wire, which can not be removed, and the power line should be prevented from pressing, please tidy away when it is not in use.
- After powder being connected, do not touch any electric device.
- When machine is operating, do not touch any transmission parts, which may cause injury.
- When machine is operating, do not touch both heating blocks and ink roller heating block.
- Do not operate the machine in corrosive environment.
- Do not change any parts of the machine at will.
- Keep the machine clean both inside and outside, and clear dirt from sealing belt in time.
- Fill and exchange oil in worm-gear case regularly, and remember to oil the gear and chainwheel (YP7408 semiliquid gear oil).
- Cut off the power supply when the machine is not in use.
- Keep this operation manual near to the machine, in case there is any need.
Specifications
| Parameter Item Voltage Motor Power Sealing Power | Model | FRB-770 I | FRB-770 II | FRB-770 Ill | ||
| AC 220V/50HZ 11 OV/60HZ | ||||||
| 50W | ||||||
| 300 X 2 (W) | ||||||
| Sealing speed Sealing width Temperature control range | 0-12 (0-16)(m/min) 8, 10 (mm) 0-300 ( °C ) (Steeples adjustable) | |||||
| Distance from sealing center to conveyer table | 10-40 (mm) | 150-270 (mm) | 10-40 (mm) | |||
| Film thickness( monolayer) | ::S0.08 mm | |||||
| conveyer loading for single package overall loading of conveyer | 1 Kg 3 Kg | |||||
| Dimension(LXWXH) Net Weight | 840 x 380 x 270 ( mm } 32Kg | 840 x 380 x 550 ( mm } 37 Kg | 840 x 550 x 800 ( mm } 40 Kg | |||
Note: For FRB-770 Series, the bag is feeded from right. For FR-770 Series, the bag is feeded from left.
Performance Features
- This sealer, adopting electronic thermostat control unit and stepless speed-regulation transmission mechanism, can seal various plastic film bags in different materials and can also be equipped with varied packaging products lines. The machine has no limitation on sealing length, which is characterized by high efficiency in continuous sealing, reliable sealing quality, rational structure and convenient operation etc.
- This series provides three models, including horizontal type, vertical type, console type. The horizontal type suits for packing and sealing dry materials, while vertical type suits for packing materials in powder shape or liquid shape.
Structure & Working Principle
- This machine is made up of rack, speed-adjusting mechanism, sealing temperature control system, transmission and conveying system etc. (see following picture)
feed opening;- driven wheel holder;
- driven wheel ;
- control panel;
- heating block;
- holding plate; ?-pressing wheel;
- cooling block ;
- driving wheel;
- embossing wheel;
- silicone wheel;
- guiding wheel;
- conveyer belt ;
- conveyer table;
- fastening knob for lifting the elevating table;
- transverse adjusting knob for conveyer;
- ledge

- conveyer table;
- driving roller;
- conveyer belt ;
- fixed bracket;
- slip bracket ;
- safety cover; ?-adjusting knob for embossing wheel;
- casing ;
- air-break switch;
- control panel;
- feed opening;
- fastening knob;
- worktable;
- adjusting knob for conveyer table;
- tightening nut;
- tightening knob for conveyer transverse-adjusting;
- rack;
- vertical shaft;
- gimbal assembly;
- cone gear assembly;

- After power supply being connected, electrothermal elements start to produce heat, which leads to rapid temperature rise of both upper and lower heating blocks. Required temperature and speed can be got through adjusting temperature controller and speed-adjusting mechanism. The plastic packing bag will be transmitted by conveying belt, and its sealing part will be conveyed into the clearance between two sealing belts, then the sealing part will be clamped by two sealing belts and conveyed into the heating area. Sealing part is pressed by two heating blocks and pressing wheels there, which could make the plastic film fuse and stick together, After this, the sealing part will be conveyed into the cooling area for cooling, and then to be pressed by embossing wheel for making stripe or netted pattern, or for marking label. The transmission of sealing and printing is started by motor, which drives sealing belts, guiding belts and conveyer belt to work synchronously, as well as make printing mechanism work intermittently.
Operation instruction
- Control panel (see picture 4)

- Prepare the machine before use:
- This machine is equipped with three crust grounded socket, please check if it is well connected so as to ensure safe operation.
- First-time use or too long intermission will make the electronic heating elements moistened, so several minutes’ low-temperature preheating is necessary before the normal operation.
- Adjust the conveyer table’ s height and horizontal location to get required sealing position.
- According to the distance from sealing line to bag opening, regulate the position of feed opening.
- According to the thickness of material that to be sealed, adjust the clearance between heating blocks and cooling blocks. Adjust the clearance between two sealing belts by adjusting stopping flakes, specifically, turn the stopping flake clock wisely to raise block or counterclockwise to lower block. The clearance between two sealing belts should be equal to the thickness of the packing bag in one layer approximately, which must guarantee the firmness of sealing and high definition of embossing and ensure suitable length extended from two ends of sealing part. After making adjustment, fix the limiting screws. (see Picture 5)

- The transverse adjustment of conveyer table: loosen two nuts (1) on the bottom of the conveyer table. There are three location holes on the foot rest (2). Just insert square head bolts into them as needed, then fasten. (see picture 6)

- Ways of exchanging and adjusting the sealing belt:
- Remove the safety cover, after the heating block being cooled, turn stopping flakes on both upper heating block and upper cooling block by 30° to lift both two blocks, then loosen the springs both on embossing wheel and pressing wheel, then remove the guiding belt, so as to make it ready for removing sealing belts. (see picture 5)
- Move the driven wheel holder (adjusting block),and remove the sealing belt.
- Replace with a new sealing belt and install the guiding belt back.
- Put the driven wheel, heating and cooling blocks, and pressing wheel etc to the original position.
- Connect the power supply and test the machine, if irregular sealing appears on the belt, you can make adjustment through adjusting screws on the driven wheel holder (adjusting block).
- Install the safety cover. When the temperature reaches the enacted temperature, the machine is ready for continuous working.
Starting procedure
- Connect the power supply and startup switch, indicating light will shine, then adjust the speed. adjusting knob and all transmission parts start to run synchronously.
- Micro-adjust the knob of embossing wheel to make that wheel swivel, after getting a proper pressure, fix limiting screw.
- Once turn the heating switch on, the green light of the electronic temperature controller will shine. According to the material and thickness of the packing bag, adjust the temperature controller to the necessary temperature, then set the position of heating knob of ink roller. When the heating blocks and ink roller heating block begin to preheat, the machine needs to be started meanwhile and keeps running at low speed ..
- That whether it is necessary to turn on the fan for cooling depends on the material and thickness of packing bag.
- Flatten and align two sides of sealing film at sealing opening, then deliver the bag by aligning the bag opening with the feed opening, when the bag opening is gripped by the sealing belts, which makes the bag move forward automatically. At that moment, please do not push it in or pull it out by force, otherwise irregular sealing or breakdown will happen.
- If it is found that there is dirt attached to the sealing belt or the heating block, you need to stop the sealer and clear it.
Stop operation:
In order to prolong the using life-span of the sealer, please remember, before shutting down the machine, you should return the temperature-adjusting knob to O position first, then turn on the fan, at this time, the temperature on the indicator begins to fall and the sealing belt should still be in state of running. About several minutes’ later, when the temperature drops below 100°C, only can you turn off the fan and main power supply switch.

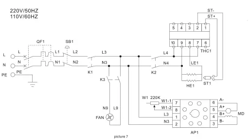
- K1 -switch/on-off;
- K2-switch/start;
- K3-switch/fan;
- K4-switch/ heat sealing;
- KS-switch/printer;
- W1 -sealing speed regulator;
- W2-ink roller temperature; W3-coding position;
- R1 ,R2- heating tube for sealing;
- R3,R4- heating tube of ink roller;
- MD-speed-adjusting motor;
- DF-fan; AP1 -speed-adjusting
- PCB; AP2- ink roller temperature control
- PCB; AP3-main control
- PCB; AP4-sealing temperature controller;
- YC1- electromagnetic clutch
- YC2- electromagnetic stopper;
- S01- thermocouple;
- S02- groove sensor
- S03-photoelectric sensor;
- TCL – control transformer
Breakdown drawing of Machine Body
| Code | Part number | Quantity | Name | Remark |
| 1 | 1 | Bottom board | ||
| 2 | 101035 | 1 | Feed opening | |
| 3 | 2 | Adjusting screw for sealing belt | ||
| 4 | 101023 | 2 | Driven wheel holder | |
| 5 | 910902 | 2 | Sealing belt | (770 X 15 X 0.2) |
| 6 | 1 | Connecting piece | ||
| 7 | 2 | Spring of driven wheel holder | ||
| 8 | 4 | adjusting screw for driven wheel | ||
| 9 | 101024 | 2 | Driven wheel | |
| 10 | 1 | Spring of pressing plate | ||
| 11 | 1 | bolt | ||
| 12 | 4 | Copper block spring | ||
| 13 | 4 | Guiding sleeve for upper holding plate | ||
| 14 | 4 | double-screw bolt | ||
| 15 | 930303 | 2 | heating block | |
| 16 | 4 | Copper block cushion | ||
| 17 | 2 | Holding plate | ||
| 18 | 930304 | 2 | Cooling block | |
| 19 | 102002 | 1 | Lower pressing wheel shaft | |
| 20 | 930401 | 2 | circlip for hole | |
| 21 | 930516 | 1 | bearing | |
| 22 | 102003 | 2 | Pressing wheel hull | |
| 23 | 105017 | 1 | slide holder for pressing wheel | |
| 24 | 102001 | 1 | upper pressing wheel shaft | |
| 25 | 101027 | 2 | Driving wheel shaft | |
| 26 | 930512 | 7 | bearing | |
| 27 | 101026 | 3 | bearing holder | |
| 28 | 101025 | 2 | Driving wheel | |
| 29 | 4 | washer | ||
| 30 | 4 | screw | ||
| 31 | 101034 | 1 | Silicone wheel shaft | |
| 32 | 101036 | 1 | Silicone wheel | |
| 33 | 101037 | 1 | Silicone wheel cover | |
| 34 | 930110 | 1 | adjusting knob for embossing wheel | |
| 35 | 1 | supporting board for embossing wheel -adjusting | ||
| 36 | 1 | Spring of embossing wheel | ||
| 37 | 101017 | 1 | embossing wheel holder | |
| 38 | 101018 | 1 | Embossing wheel | |
| 39 | 101015 | 2 | Small pulley shaft | |
| 40 | 930515 | 2 | bearing | |
| 41 | 101014 | 2 | Small pulley | |
| 42 | 2 | Circlip for hole | ||
| 43 | 910802 | 2 | Guiding belt | 428 X 6 X 4( 40° ) |
| 44 | 101033 | 1 | Connecting shaft | |
| 45 | 101028 | 1 | Gear shaft | |
| 46 | 101013 | 1 | Bearing holder | |
| 47 | 101029 | 2 | Connecting board | |
| 48 | 101030 | 1 | Middle gear | |
| 49 | 101031 | 1 | Steel gear | |
| 50 | 101032 | 4 | gear | |
| 51 | A10106 | 1 | worm-gear case assembly of motor | |
| 52 | 921101-2 | 1 | Fan | |
| 53 | A10106 | 1 | Motor |
Breakdown drawing of Conveyer
| Code | Part number | Quantity | Name | Remark |
| 1 | 1 | conveyer table | ||
| 2 | 1 | worktable | ||
| 3 | OB12-1988 | 2 | Half-round square neck bolt | |
| 4 | 2 | Adjusting block for conveyer belt | ||
| 5 | 2 | double end bolt | ||
| 6 | 1 | washer | ||
| 7 | 2 | adjusting knob for conveyer belt | ||
| 8 | 1 | bearing | ||
| 9 | 101005 | 2 | rear roller of conveyer table | |
| 10 | 101008 | 1 | Rear shaft of conveyer table | |
| 11 | 101007 | 1 | spaci• ng ri• ng | |
| 12 | 1 | knob | ||
| 13 | 101004 | 1 | Middle shaft of conveyer table | |
| 14 | 1 | Bearing holder of conveyer middle shaft I | ||
| 15 | 1 | support | ||
| 16 | 2 | bearing | ||
| 17 | 2 | Cone gear I | ||
| 18 | 1 | Bearing | ||
| 19 | 1 | Bearing holder | ||
| 20 | 2 | Safety cover for cone gear holder | ||
| 21 | 2 | Cone gear holder | ||
| 22 | 2 | Cone gear II | ||
| 23 | 6 | bearing | ||
| 24 | 4 | Bearing hider | ||
| 25 | 2 | Driving shaft | ||
| 26 | 2 | bearing | ||
| 27 | 101003 | 2 | Two-eye bearing holder | |
| 28 | 101012 | 4 | Front roller of conveyer | |
| 29 | 101002 | 7 | Front roller shaft of conveyer | |
| 30 | 101010 | 7 | Chainwheel of conveyer table |
Troubleshooting
| Problem | Reason | Solution |
| Sealing belt is off-tracking | Driving wheel shaft is not parallel to driven wheel shaft | Adjust two adjusting screws on driven wheel holder until sealing is sealed at the right position. |
| Sealing belt is easy to broke |
|
|
| Embossing is not clear |
|
|
| There is resistancwhen the sealing belt is conveying | The clearance between heating blocks or cooling blocks is too small, the friction is too much. | Adjust the clearance between sealing belts properly, which should be about thickness of packing bag in one layer, so that not only ensure the strong sealing and clear printing, but not make the two ends of sealing part extend too long. |
| There is block or folding phenomenon | Too much pressure caused by pressing wheel or embossing wheel |
|
| when the packing | ||
| bag is conveyed | ||
| to pressing wheel | ||
| or embossing wheel | ||
| Conveying belt is off-tracking | The driving roller shaft is not parallel to driven roller shaft. | Adjust two adjusting screws for driven roller shaft (rear shaft) on conveyer. |
| Conveyer belt |
| |
| and sealing belt | Too small tension on | |
| don’ t move | conveyer belt. | |
| synchronously |
Spare parts list
| No | name | specification | unit | quantity |
| 1 | Sealina belt | 810x15x0.20 | Pc | 10 |
| 2 | auidina blet | 598 X 4.5 X 3.5 | Pc | 2 |
| 3 | Power line | Pc | 1 | |
| 4 | Solid wrench | set | 1 | |
| 5 | Cross screwdriver | set | 1 |

feed opening;




















