VEVOR WY-680, 690 Sealing Machine

Thanks for choosing our products
Our factory is a manufacturer of western kitchen equipment and snack food machine. Our products cover fryer, griddle, roasting machine,
warming showcase, snack making machine, etc. There are more than 400 models of products for you to choose.
This series of electric oven features its reasonable design and convenient operation. It sanideal choice for bakery, snack bar and restaurant.
Attention
- Operating and fixing of this product must be conducted by qualified person. Please install this machine according to our instruction .
- Please keep this manual in case of needed.
- Once unpack the machine, check it throughout to make sure it is complete. Any missing or damage please consult it before operating.
- The packing material should be placed beyond the reach of children.
- Please turn off the machine when the operator is absent .
- In case of repairing, please ask for the expert and use the original spare part. Do not rinse the machine with water directly.
- Clean the surface of stainless steel periodically in appropriate method to prevent any damages brought by oxidization or chemical interference.
Parameter list
| Model | Voltage | Power | Size(CM) | Output |
| WY-680 | 110V~ 60Hz | 350W | 37X36X68 | 300-500 cup/h |
The film seal temperature:
- PE: 160℃~190℃
- PP: 160℃~210℃
- PS: 160℃~190℃
- Easy ripping film:: 120℃~180℃
Transportation and storage
Please handle the appliance with care and avoid any violent vibration, collision or inversion. The places for storage should have good ventilation and no corrosive gas. Long-time Open-air storage is not encouraged, if it is inevitable, measures should be taken to protect the machine from rain and blazing sun.
Operation
Our machines can seal disposable paper cups as well, please be sure to useexclusive paper cup and paper-plastic films.
- Installation diagram of setting the film which was shown on the body of machine
- Cut off the power before placing film, and taking care of the winding direction of film that was shown as yellow sticker.
- Please check whether the Flower-type plastic splint is well connected with the film or not.
- After setting the film, please taped the film on the paper cylinder.
- Operating steps
- Plug in the machine, turn on the switch of power and choose the specified temperature, the green lamp will be on in the mean time, which means the heating tube is working. When the lamp turn to yellow, it means the setting temperature was reached. Then constant temperature device makes sure the temperature inside the case is within the designated level by stopping and restarting the heating tubes’ working circularly.
- Set the cup in the lower mould and push it to the prescribed place. The upper mould will be pressed for sealing automatically, and then the film will be ready for next use.
- Pull the cup out of the lower mould and repeat the action’s of step 2.
*Please confirm that the space among two color patches of the film is no less than 115 mm. - The sealing time controler set up on the Panel , the user can adjust the sealing dwell time according to the situation, the range of time adjusting: 0.1~3seconds.
Attention
- The appliance must be connected with qualified ground wire.
- Whenever the machine breaks down, please turn off the power and check if any abnormal occurred, stop immediately for overhaul and maintenance.
- The actual voltage should be the same as or within the range of 5% on either side of voltage marked on the parameter sticker.
- Never put your hand into the machine when it working.
- Please confirm that when used by film has the color patches, the firm has been placed in the notch. If not correct use, the motor will out of control.
- If the motor can not operate with the light color of the patches, please adjust the potentiometer of electric eye to improve the sensibility.
Cleaning and maintain
- Before clearing, cut off the electricity and please use dry cloth to clean the surface of machine, bottom of plate and fixed axle.
- Please put grease on the bearings and moving parts of the machine to make it turn more easily.
- The way of cleaning serrated knife: please plug up the leak on the lower mould and pour boiling water into the mould. Then push it to the prescribed place, pressthe handle downward to the maximum extent possible and keep for a few minutes,repeat the action circularly.
Installation diagram of setting the film

Failure and solution
| Symptom of failure | Reasons | Solutions |
| The cup don’t seal steadily. | 1.There is foreign substance on the mould | 1.Power off and clean the mould after cooling. |
| 2.The film has wrinkled | 2.Keep the film smoothly | |
| 3.The lip of a cup has foreign substance. | 3. Cleaning the lip of bowl. | |
| 4.Low or excess temperature | 4.Ajust the appropriate working temperature | |
| The film can’t be trimmed off. | 1.The serrated knife had syrup. | 1.Cleaning the serrated knife. |
| 2.The serrated knife was damaged. | 2.Repair or change the serrated knife. |
Accessory
| 1 | cup ring | 90 | 1pcs |
| 2 | |||
| 3 | film assembly | ||
| 4 | |||
| 5 | |||
| 6 |
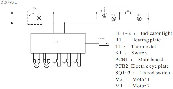
Circuit Diagram


















