VIMAR 8870.1 Handset Style Apartment Station

Installation instructions
Surface-wall mount or box installation. Can be fitted to the wall with plugs or a 3 modules (Vimar V71303, V71703).

To separate the base of the interphone from the cover, insert a screwdriver in the slit in the middle and turn it until the unit clicks open.

ix the top screw (A) in the flush-mounted box (or wall plug), leaving the screw head to protrude by 2 mm. Hook the interphone onto the top screw using the appropriate hole in the back, by placing it close to the wall and then pulling downwards. Complete mounting by screwing the bottom screw (B) into the appropriate hole.
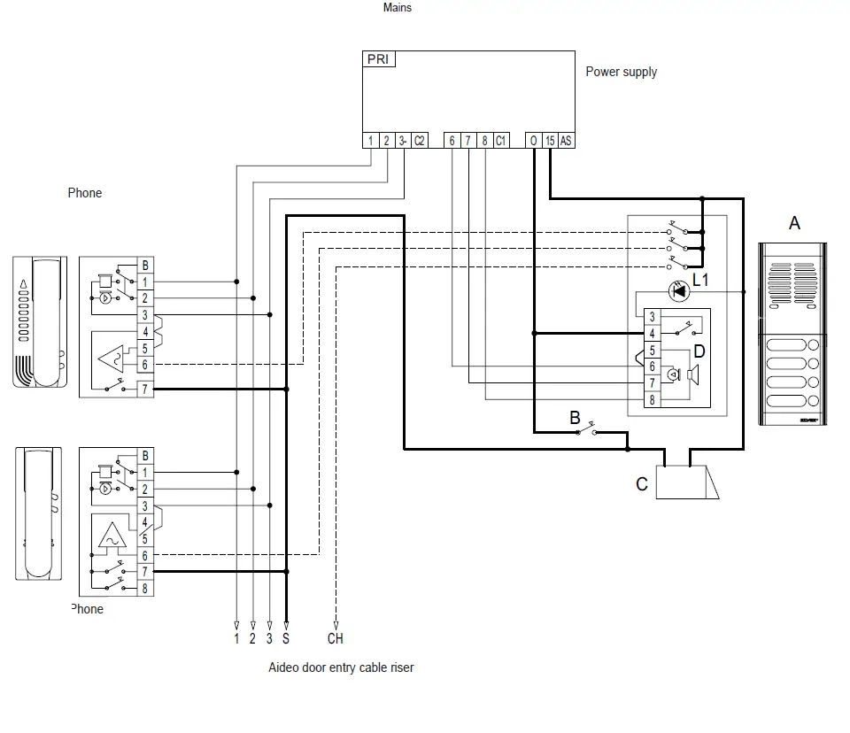
Wiring diagram of electric door opener with “C.A. Call” system
- External audio entrance panel
- Additional push-button for lock
- Electric lock 12V~
- Outdoor unit
- Led module for entrance panel

Installation rules
Installation should be carried out by qualified personnel in compliance with the current regulations regarding the installation of electrical equipment in the country where the products are installed
WEEE – Information for users
If the crossed-out bin symbol appears on the equipment or packaging, this means the product must not be included with other general waste at the end of its working life. The user must take the worn product to a sorted waste center, or return it to the retailer when purchasing a new one. Products for disposal can be consigned free of charge (without any new purchase obligation) to retailers with a sales area of at least 400m2, if they measure less than 25cm. An efficient sorted waste collection for the environmentally friendly disposal of the used device, or its subsequent recycling, helps avoid the potential negative effects on the environment and people’s health, and encourages the re-use and/or recycling of the construction materials.
Viale Vicenza, 14
36063 Marostica VI – Italy
www.vimar.com




















